BL 200 H - Ketel ACV - Gratis gebruiksaanwijzing en handleiding
Vind de handleiding van het apparaat gratis BL 200 H ACV in PDF-formaat.
Gebruikersvragen over BL 200 H ACV
0 vraag over dit apparaat. Beantwoord die u kent of stel uw eigen vraag.
Stel een nieuwe vraag over dit apparaat
Download de handleiding voor uw Ketel in PDF-formaat gratis! Vind uw handleiding BL 200 H - ACV en neem uw elektronisch apparaat weer in handen. Op deze pagina staan alle documenten die nodig zijn voor het gebruik van uw apparaat. BL 200 H van het merk ACV.
GEBRUIKSAANWIJZING BL 200 H ACV
Lees deze handleiding zorgvuldig door voordat u dit apparaat in gebruik neemt!
U wordt vriendelijk verzocht zich te wenden tot een professionele installateur om de elektrisch- en hydraulische verbindingen en de eerste inbedrijfstelling van het apparaat uit te voeren.
Dit product is geen speelgoed. Dit toestel is niet uitgevoerd voor het gebruik door personen (inbegrepen kinderen) met beperkte fysische of mentale mogelijkheden. Of personen die niet de nodige kennis verworven hebben behalve indien zij begeleid worden door een persoon die eigen is met de installatie en verantwoordelijk is voor hun veiligheid, gezondheid en welzijn.
Kinderen, zieke of bejaarde personen lopen het meeste risico tot het oplopen van brandwonden.
Laat hen nooit zonder toezicht in bad of onder de douche achter. Laat kinderen nooit zelf warm water nemen of hun eigen bad vullen
Controleer de draagkracht van de muur vooraleer er een boiler tegen te bevestigen, vergewis er u van dat de muur een met water gevulde boiler kan dragen.
WERKING
Dit toestel is ontworpen voor de productie van warm water met een temperatuur van 65° tot maximaal 85°C voor huishoudelijke of industriële toepassingen. De gebruiker kan de gewenste temperatuur zelf instellen, eenmaal deze temperatuur bereikt schakelt het toestel zich zelf uit. Het warm water kan voor consumptie of voor huishoudelijke doeleinden gebruikt worden. Het toestel is geschikt voor de opslag van warm water omwille van zijn PUR isolatie mantel welke vlugge afkoeling voorkomt. De boiler is zodanig opgebouwd dat het instromende koude water gedurende het tappen van warm water zich niet mengt met de inhoud van de boiler, op deze manier is er gedurende langere tijd water op een hoge temperatuur beschikbaar.
In het geval van de aansluiting van koperen leidingen, is het absoluut aan te raden om verzinkte koperen fittingen als intermediair element aan te sluiten. Als de schroefdraaden van de buizen niet zijn uitgerust met een aansluitbus en ze beginnen te roesten, is onze garantie niet langer geldig.
Koud en warm water aansluiting dient te worden uitgevoerd in overeenstemming met installatietekening 1 en met inachtneming van de geldige regelgeving (zie de tekening van de boiler en de veiligheidsfitting). In geen geval mag de boiler onder een druk groter dan 0,7 MPa worden geplaatst, omdat dit tot onherstelbare schade aan het apparaat leidt. Het aanbevolen veiligheidsventiel is: 0,6 MPa veiligheidsventiel geproduceerd door het bedrijf RITMONDO, dat afhankelijk van de buisverbinding van het apparaat gekozen moet worden.
-
Een veiligheidsklep (fitting) die aan de veiligheidsvoorschriften voldoet moet op de inlaat koudwaterleiding worden gemonteerd. Dit moet een éénrichting ventiel en een veiligheidsventiel bevatten. Dit veiligheidsventiel opent tussen de druk van 0,63 MPa en 0,7 MPa, en sluit bij een druk van 0,6 MPa en bevat een afsluitende kraan. De afvoerleiding moet benedenwaarts zijn gelegen (van het apparaat), op een niet-bevriezende plaats, waardoor vrije drainage is verzekerd. U dient de installatie-tekening precies te volgen, aangezien de adequate werking van de boiler hiervan afhangt. aangezien de adequate werking van de boiler hiervan afhangt.
-
Bij een werkdruk groter dan 0,6 Mpa, moet een drukregelaar worden toegepast.
-
Bij gebruik van één of meer mix(ventielen) moet een éénrichting ventiel op de koude waterkolom worden bevestigd die deze mix(ventielen) voedt.
-
Un robinet darrêt est à placer sur l'alimentation en eau froide de l'appareil.
- Le groupe de sécurité peut fuir, il faut laisser donc le tuyau de vidange libre !
- Le groupe de sécurité n'est pas un accessoire de l'appareil.
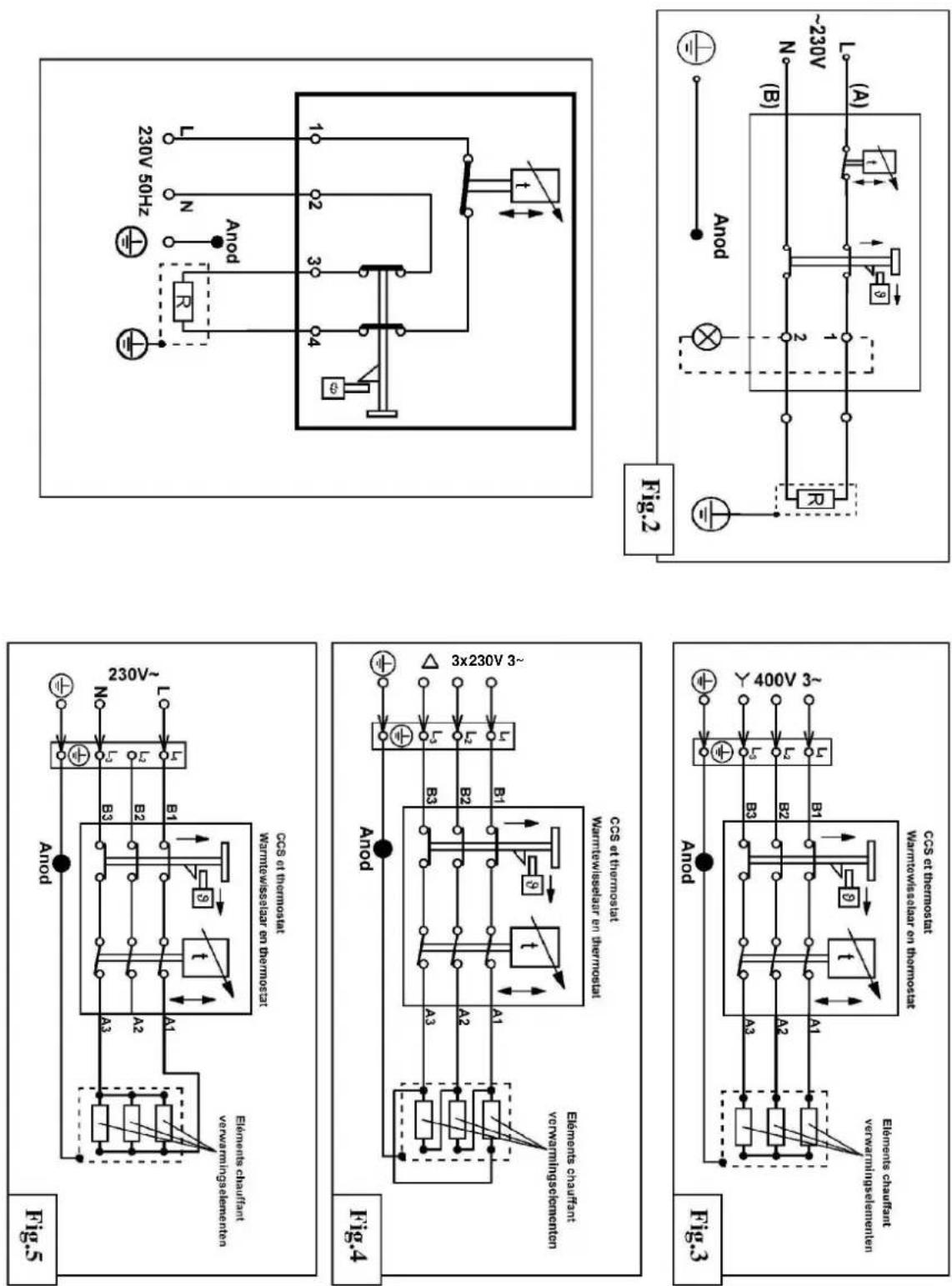
BRANCHEMENT DES APPAREILS MONOPHASES
- Een afsluitende kraan dient op de koudwaterleiding inlaat te worden vastgemaakt.
- Aangezien de veiligheidsklep kan lekken, moet de vertakking van de afvoerleiding vrij worden gelaten!
- Het veiligheidsventiel is geen integraal onderdeel van het pakket!
AANSLUITING VAN EENFASIGE TOESTELLEN
De aansluiting kan gebeuren door drie geleiders van 2,5 mm ^2 , waarvan een groen/geel voor de aarding.
De aansluiting op het net gebeurt op klemmen 1 en 2 van de thermostaat (zie fig. 2).
De groen/gele geleider zal op de aansluitklem aangesloten worden.
AANSLUITING VAN DRIEFASIGE TOESTELLEN
De aansluiting gebeurt bij middel van vier geleiders, van 2,5 mm², waarvan een groen/gele voor de aarding.
De aansluiting op het stroomnet gebeurt op klemmen B1, B2 en B3 van de thermostaat (zie fig. 3, 4 en 5).
De groen/gele geleider zal op de aansluitklem aangesloten worden.
Voor een stroomtoevoer van 400 V driefasig, zonder nulleider, wijzigt men de inwendige aansluitingen, volgens het aansluitschema fig. 3.
Voor een aansluiting 230 V, driefasig, zonder nulleider, wijzigt men de inwendige aansluitingen, volgens het aansluitschema fig. 4.
Voor een aansluiting 230 V, briefasig, richt men zich naar schema fig. 4.
Deze aansluitingen dienen door een bevoegd elektricien uitgevoerd te worden.

Seria BL... BL... H. BL... S ST... M

text_image
Elements chauffant verwarmingstemen ACND 230V~ CCS et thermostat warmtewisseler on thermostat
text_image
Elements chauffant verwarmingelemen CCS et thermost wormetweisseler en thermost Elements chauffant verwarmingelemen 400V 3~Y Elements chauffant wormetweisseler en thermost A2 B1 A3 A2 A1 AnOD AnODSeria ST..M/TRI.ST..S M/TRI
- Elektrische schok beschermingsklasse van het apparaat: I. De omhulsels die de elektrische onderdelen bedekken, bieden voldoende bescherming tegen de toevallige aanraking van de actieve elektrische delen die tijdens de werking onder spanning staan.
- Het apparaat moet volgens het aansluitschema - welke zowel aan de onderkant als in de handleiding te vinden is – met de juiste polen op het elektriciteitsnetwerk aangesloten worden! Het is STRENG VERBODEN/LEVENSGEVAARLIJK om het apparaat in werking te stellen zonder de vakkundige aansluiting van een beschermingsgeleider! Het is aanbevolen om voor de werking van het apparaat schok beschermingsrelais te gebruiken in het elektriciteitsnetwerk van de installatie.
Onderhoud: Attentie! Voor het begin van de repartie- en onderhoudswerkzaamheden moet het apparaat afgesloten worden van het elektriciteitsnetwerk! Repartie- en onderhoudswerkzaamheden aan het apparaat kunnen alleen door een professionele technicus worden uitgevoerd. Tijdens de repartie- en onderhoudswerkzaamheden moet het apparaat teruggezet worden in zijn originele stand met de fabrieksinstellingen!" Vergeet u niet de reparatie door de monteur te laten documenteren om de garantie te behouden!

Voor de installatie, is het absoluut noodzakelijk om de boiler, alle leidingen en hulpstukken volledig te ontluchten.
Om deze handeling uit te voeren, voordat u de boiler op het elektrische netwerk zou aansluiten, moet u het apparaat met water vullen door de veiligheidsafsluitkraan te openen, terwijl u tevens de warmwaterkraan open houdt. Het water moet in het apparaat worden gelaten totdat deze volledig schoon is (d.w.z. ontlucht). Dit is het moment waarop het apparaat op het elektriciteitsnet moet worden aangesloten.
Tijdens het instellen van de temperatuur, kan de uitzetting van het water tot waterlekkage via het veiligheidsventiel leiden.
Het wordt aanbevolen om de controle van de verschillende functies ten minste eenmaal per jaar uit te voeren.
THERMOSTAAT
De thermostaat die voor een gelijkmatige watertemperatuur zorgt, kan tussen 20 en 65 graden Celsius worden geregeld.
Met het oog op de preventie van de verspreiding van Legionellabacteriën, is de thermostaat in de fabriek op 65 graden Celsius ingesteld.
Het veiligheidssysteem tegen overhitting ingebouwd in de thermostaat blokkeert alle eventuele oververhittingen.
In geval van het automatische ingaan van de veiligheidsthermostaat mag het apparaat uitsluitend na de detectie en correctie van het defect met behulp van een professionele technicus opnieuw op het elektriciteitsnet worden aangesloten.
QUELQUES CONSEILS AUX UTILISATEURS
ENTRETIEN
Het apparaat moet van het elektrische netwerk worden losgekoppeld? voordat enig onderhoud wordt gestart.
Zowel de geschaduwde weerstand als de anode staaf zijn op het afneembare omhulsel gemonteerd, dus ze zijn perfect bereikbaar.
Om water uit de boiler af te tappen, sluit u de veiligheidsafsluitkraan (A) als eerste en opent u de aftapkraan (B). U opent vervolgens de warmwaterkraan.
Om een meer efficiënte anti-corrosie bescherming te waarborgen, is het toestel uitgerust met een anode staaf.
De levenscyclus van de anodestaaf is van de hardheid van het water en de ingestelde temperatuur afhankelijk.
Controleer regelmatig de staat van de anode staaf, uiterlijk twee jaar na de installatie. Het is verplicht de anodestaaf te vervangen, als de diameter (32 mm in het normale geval) zelfs op één plaats afneemt tot 10 mm of dunner.
In geval van zeer hard water wordt geadviseerd om elk jaar aanslag uit de boiler te verwijderen.
- Draineer het water uit het apparaat en verwijder het omhulsel.
- Verwijder de neergeslagen aanslag van de bodem van de opslagtank en reinig vervolgens de randen van de thermostaat en de verwarmingsapparatuur zorgvuldig.
Probeer niet om de aanslag op de zijwanden van de opslagtank te verwijderen omdat het voor een effectieve bescherming tegen corrosie zorgt.
Ons bedrijf neemt geen verantwoordelijkheid voor fouten voortgekomen uit de niet-inachtneming van de onderhoudsadviezen die hierboven zijn beschreven.
GROUPE DE SECURITE HYDRAULIQUE
Het wordt aanbevolen om de kranen en het veiligheidsventiel elke maand te bewegen, maar ze moeten altijd in hun oorspronkelijke positie worden teruggezet, dat wil zeggen:
- De afsluitende kraan (A) moet in open positie worden gezet,
- De aftapkraan (B) moet in een gesloten positie worden gezet.
Er wordt ook geadviseerd om te controleren of het veiligheidsventiel goed werkt.
(In het algemeen komt waterlekkage voor bij de ingang van het ventiel vanwege waterexpansie door verwarming.)
Als de water afvoer van het apparaat nodig is, dan moet het volgende worden uitgevoerd:
- Sluit de afsluitende kraan (A),
- Open één van de warmwaterkranen (hetzij in de wastafel hetzij in het bad),
- Open de aftapkraan (B) en het water wordt via de afvoer afgevoerd.
VULLEN MET WATER
Sluit de aftapkraan (B).
Open de afsluitende kraan (A) en wanneer het water door de kraan stroomt moet deze worden gesloten.
PROBLEMEN MET DE WERKING
De apparatuur is op zo'n manier ontworpen dat het gebruik ervan tot grote tevredenheid van de Klant zou moeten leiden. Echter, bepaalde defecten kunnen optreden:
HET WATER IS KOUD:
Er moet worden nagegaan of de elektrische voeding van de thermostaat adequaat is en alle zekeringen en de beveiligingsschakelaar moeten worden nagegaan.
De veiligheidsuitrusting van de thermostaat moet worden gecontroleerd, waarvan de beschermingskast met behulp van een schroevendraaier met een platte kop kan worden verwijderd.
Het verwarmingselement moet ook worden gecontroleerd.
Als de boiler wordt gebruikt in een dalperiode, neem dan contact op met een adequate gecontracteerde serviceverlener om de tijdschakelaar van het apparaat te controleren.
L'EAU EST BOUILLANTE
(projection de vapeur aux robinets),
(dampvorming bij de kranen)
Het apparaat moet onmiddellijk van het elektrische netwerk worden afgesloten en de warm water kranen dienen langzaam te worden geopend.
Controleer de instellingen en de werking van de thermostaat.
Als het apparaat oud is, moet gecontroleerd worden of er aanslag binnen in het apparaat zit.
DE DRUK VAN HET WATER IS ZWAK:
Er moet worden nagegaan of er drukverlaging in de koud water aanvoer optreedt, omdat dit, bij een niet-adequate afsluiting van het ventiel, warm water toevoer in het koude waterleidingnet mogelijk maakt. Het verwarmingselement en - indien aanwezig - de juiste werking van de tijdschakelaar voor piek- en dalperiode moeten worden gecontroleerd.
Het druppelen is natuurlijk tijdens de verwarmingsperiode. Het moet worden onderzocht of de drainage sleuf van het ventiel wel een afvoer heeft.
DE SLEUF MOET ALTIJD VRIJ WORDEN GEHOUDEN:
Het maakt niet uit of de sleuven tijdens de verwarmingsperiode druppelen of niet, de waterdruk moet worden gecontroleerd. In het geval van zeer hard water, dient het verwarmingselement elk jaar te worden gereinigd en de thermostaat moet door een professionele technicus op 65° worden ingesteld.
AANSLAG VERWIJDEREN VAN HET APPARAAT:
Het is verboden om chemicaliën (zoals waterstofchloride of iets dergelijks) te gebruiken tijdens het verwijderen van de aanslag.
De buitenkant van de afdichting moet met water worden gewassen zodat al het aanslag wordt verwijderd, maar het is verboden om een metalen voorwerp te gebruiken om de aanslag te verwijderen.

SimpelGids