2520S3 - Kamin DOVRE - Kostenlose Bedienungsanleitung
Finden Sie kostenlos die Bedienungsanleitung des Geräts 2520S3 DOVRE als PDF.
Häufig gestellte Fragen - 2520S3 DOVRE
Benutzerfragen zu 2520S3 DOVRE
0 Frage zu diesem Gerät. Beantworten Sie die, die Sie kennen, oder stellen Sie Ihre eigene.
Eine neue Frage zu diesem Gerät stellen
Laden Sie die Anleitung für Ihr Kamin kostenlos im PDF-Format! Finden Sie Ihr Handbuch 2520S3 - DOVRE und nehmen Sie Ihr elektronisches Gerät wieder in die Hand. Auf dieser Seite sind alle Dokumente veröffentlicht, die für die Verwendung Ihres Geräts notwendig sind. 2520S3 von der Marke DOVRE.
BEDIENUNGSANLEITUNG 2520S3 DOVRE
Deur aufdichtingskoord 24
Muren brandveiligigkeit 11
N
Naaldhout 18
Nat hout 18
Nevel, nicht stoken 23
Wanden brandveiligigkeit 11
Leistungserklärung 4
Sicherheit 8
Installationsbedingungen 8
Allgemeines .8.
Schornstein.8.
Belüftung des Raums.9.
Decken und Wände 10
Produktbeschreibung.10
Installation 11
Vorbereitung.11
Einbau in einen vorhandenen Kamin.13.
Einbau in einen neuen Kamin. 14
Montieren des externen Rahmens. 16
Verwendung 17
Erste Inbetriebnahme 17
Brennstoff 17
Anzunden 18
Heizen mit Holz. 19
Heizen mit Braunkohlebriketts. 19
Heizen mit Anthrazitkohle. 19
Regelung der Verbrennungsluft 20
Löschen des Feuers 21
Entaschen 21.
Nebel 21
Eventuelle Probleme 21
Instandhaltung 21
Schornstein 21
Reinigung und andere regelmäßige War
tungsarbeiten 22
Anlage 1: Technische Daten 24
Anlage 2: Anschlusschemata 26
Anlage 3: Abmessungen 29
Anlage 4: Abstand zu brennbarem Material 38
Anlage 5: Diagnoseschema 39
Index 40
Einleitung
Sehr geehrte(r) Benutzer(in),
Mit dem Kauf diesen Heizgeräts von DOVRE haben Sie sich für ein hochwertiges Produkt entschieden.
Dieses Produkt gehört zu einer neuen Generation energiesparender und umweltfreundlicher Heizgeräte.
These Geräte nutzen sowohl Konvektionswärme als auch Strahlungswärme.
Ihr DOVRE-Gerät wurde mithilfe der modernsten Produktionsmittel gefertigt. Soltte Ihr Gerät wider Erwarten dennoch einen Mangel aufweisen, konnen Sie sich jederzeit an den DOVRE-Service wenden.
Das Geratarfichtverändertwerden;verwendenis stets Original-Ersatzteile.
Das Gerät ist zum Aufstellen in einem Wohnraum gedacht. Es muss hermetisch dicht an einen gut Funktionierenden Schornstein angeschlossen werden.
Wir empfehlen, das Gerät durch einen qualifizierten Techniker installieren zu halten.
DOVRE übernimmt keinerlei Haftung für Probleme oder Schäden, die auf eine inkorrekte Installation zurückzuführen sind.
Bei Installation und Verwendung müssen die nachfolgend aufgeführten Sicherheitsvorschriften beachtet werden.
These Anleitung erläutert, wie Sie das DOVRE-Heizgerät sicheren installieren, verwenden und warten. Wenn Sie weitergehende Informationen und technische Daten benötigen oder ein Installationsproblem haben, wenden Sie sichitte zuerst an ihren Lieferanten.
© 2013 DOVRE NV
Leistungserklarung
Gemäß der Verordnung über Bauprodukte 305/2011
Nr. 102-CPR-2013
- Einmaliger Identifikationscode des Produkttypes:
2020S/2200/2210/2220
- Typen-, Partie- oder Seriennummer oder ein andere Identifikationsmittel des Bauproduktw wie v geschrieben in Artikel 11 Abs. 4:
Einmalige Seriennummer.
- Verwendungszweck des Bauprodukts entsprechend den zutreffenden harmonisierten technischen Spezifikationen und wie vom Hersteller festgelegt:
Ofen für festen Brennstoff ohne Produktion von Warmwasser gemäß EN 13240.
- Name, registrierter Handelsname oder registrierte Handelsmarke und Kontaktadresse des Herstelle wie vorgeschreiben in Artikel 11 Abs. 5:
- Falls zutreffend, Name und Kontaktadresse des Bevollmächtigten, dessen Vollmacht die in Artik 12 Abs. 2 aufgeführten Aufgaben umfasst:
一
- System oder Systeme zur Beurteilung und prüfung der Leistungsbeständeigkeit des Bauprodukts, aufgeführnt in Anlage V:
System 3
- Bezieht sich die Leistungserklarung auf ein Bauprodukt, auf das eine harmonisierte Norm Anwendungfindet:
Die beaufragte Institution RRF, registriert unter Nummer 1625, hat unter System 3 eine Typenprüfung durchgeführrt und einen Testbericht Nr. 2905903 erstellt.
-
Bezieht sich die Leistungserklarung auf ein Bauprodukt, für das eine europäische technische Einführung abgegeben wurde:
-
Angegebene Leistung:
- Die Leistungen des in den Punkten 1 und 2 beschriebenen Produkts entsprechen den in Punkt 9 angegebenen Leistungen.
| Harmonisierte Norm EN 13240 :2001/A2 :2004/AC :2007 | |||
| Wesentliche Merkmale | LeistungenHolz | LeistungenBraunkohle | LeistungenKohle |
| Brandsicherheit | |||
| Temperaturbestündigkeit A1 A1 A1 | |||
| Abstand zu brennbarem Material(Mindestabstand in mm) | Rückseite: 100Seitenfläche: 100 | Rückseite: 100Seitenfläche: 100 | Rückseite: 100Seitenfläche: 100 |
| Risiko von hereausfallenden, glühenden Teilchen | Gemäß Gemäß | Gemäß | |
| Emission von Verbrennungskoprokten | CO: 0,10 % (13% O2) | CO: 0,06 %(13 % Ω) | CO: 0,04 %(13 % Ω) |
| Oberflächtemperatur Gemäß Gemäß | Gemäß | Gemäß | |
| Elektrische Sicherheit - - - | |||
| Einfache Reinigung Gemäß Gemäß | Gemäß | Gemäß | |
| Maximaler Arbeitsdruck | - - - | ||
| Abgastemperatur bei Nennleistung | 295 °C | 289 °C | 272 °C |
| Mechanischer Widerstand(Gewicht Tragfähigkeit des Schornsteins) | Nicht festgelegt | Nicht festgelegt | Nicht festgelegt |
| Nennleistung | 7 kW | 7 kW | 8 kW |
| Wirkungsgrad | 78,3 % | 75,4 % | 76,4 % |
These Leistungserklärung wird unter ausschließlich Verantwortung des unter Punkt 4 angef Herstellers erstellt:
26/08/2013 Weelde

Tom Gehem CEO

Gemäß der Verordnung über Bauprodukte 305/2011
Nr. 105-CPR-2013
- Einmaliger Identifikationscode des Produkttypes:
2500/2510/2520/2620
- Typen-, Partie- oder Seriennummer oder ein andere Identifikationsmittel des Bauproduktw wie v geschrieben in Artikel 11 Abs. 4:
Einmalige Seriennummer.
- Verwendungszweck des Bauprodukts entsprechend den zutreffenden harmonisierten technischen Spezifikationen und wie vom Hersteller festgelegt:
Ofen für festen Brennstoff ohne Produktion von Warmwasser gemäß EN 13240.
- Name, registrarier Handelsname oder registrierte Handelsmarke und Kontaktadresse des Herstelle wie vorgeschreiben in Artikel 11 Abs. 5:
-
Falls zutreffend, Name und Kontaktadresse des Bevollmächtigten, dessen Vollmacht die in Artik 12 Abs. 2 aufgeführten Aufgaben umfasst:
-
System oder Systeme zur Beurteilung und prüfung der Leistungsbeständeigkeit des Bauprodukts, aufgeführnt in Anlage V:
System 3
- Bezieht sich die Leistungserklarung auf ein Bauprodukt, auf das eine harmonisierte Norm Anwendungfindet:
Die beaufragte Institution RRF, registriert unter Nummer 1625, hat unter System 3 eine Typenprüfung durchgeführrt und einen Testbericht Nr. 2905904 erstellt.
- Bezieht sich die Leistungserklarung auf ein Bauprodukt, für das eine europäische technische Entwicklung abgegeben wurde:
9. Angegebene Leistung:
| Harmonisierte Norm EN 13240 :2001/A2 :2004/AC :2007 | |||
| Wesentliche Merkmale | LeistungenHolz | LeistungenBraunkohle | LeistungenKohle |
| Brandsicherheit | |||
| Temperaturbestündigkeit A1 A1 A1 | |||
| Abstand zu brennbarem Material(Mindestabstand in mm) | Rückseite: 100Seitenfläche: 100 | Rückseite: 100Seitenfläche: 100 | Rückseite: 100Seitenfläche: 100 |
| Risiko von hereausfallenden, glühenden Teilchen | Gemäß Gemäß | Gemäß | |
| Emission von Verbrennungskoprokten | CO: 0,10 %(13 % Ω) | CO: 0,09 %(13 % Ω) | CO: 0,05 %(13 % Ω) |
| Oberflächtematür Gemäß Gemäß Gemäß | |||
| Elektrische Sicherheit - - - | |||
| Einfache Reinigung Gemäß GemäßGemäß | |||
| Maximaler Arbeitsdruck | - - - | ||
| Abgastemperatur bei Nennleistung | 264 °C | 318 °C | 314 °C |
| Mechanischer Widerstand(Gewicht Tragfähigkeit des Schornsteins) | Nicht festgelegt | Nicht festgelegt | Nicht festgelegt |
| Nennleistung | 10 kW | 10 kW | 10 kW |
| Wirkungsgrad | 80,0 % | 76,4 % | 79,0 % |
10. Die Leistungen des in den Punkten 1 und 2 beschriebenen Produkts entsprechen den in Punkt 9 angegebenen Leistungen.
These Leistungserklärung wird unter ausschließlich Verantwortung des unter Punkt 4 angef Herstellers erstellt:

26/08/2013 Weelde
Tom Gehem
CEO
Da die Produkte kontinuierlich verbessert werden, können die Spezifikationen des gefelften Geräts ohne vorherige Ankündigung von den Angaben in dieser Broschüre abweichen.
DOVRE N.V.
Achtung! Alle Sicherheitsvorschriften müssen strikt befolgt werden.
Lesen Sie die dem Gerät beiliegenden Anleitungen zu Installation, Inbetriebnahme und Pflege sorgfältig durch, bevor Sie das Gerät in Betriebnehmen.
Das Gerät muss gemäß den in Ihr dem Land geltenden gesetzlichen Bestimmungen installiert werden.
Alle lokalen Bestimmungen sowie Bestimmungen aufgrund von EU-Normen müssen b der Installation des Gerats beachtet werden.
Vorzugsweise sollte das Gerät von einem dazu befugten Techniker installiert werden. Diese kennt alle geltenden Bestimmungen und Vorschriften.
Das Gerät wurde zu Heizungszwecken entwickelt. Alle Oberflächen einschließlich Glas und Anschlussrohr können sehr heißt werden (mehr als 100^ C)! Verwenden Sie bei der Bedienung eine "kalte Hand" oder hitzebestandige Handschuhe.
Fur eine hinreichende Abschirmung sorgen, wenn sich keine Kinder, Personen mit Einschränkungen oder Ältere in der Nähe des Geräts aufhalten.
Die Sicherheitsabstände zu brennbarem Material mussen strikt eingehalten werden.
6 Legen Sie keine Gardinen, Kleider, Wäsche-stücke oder andere brennbare Materialien auf oder halten das Gerät.
Verwenden Sie während des Betriebs Ihres Gerats keineicht entflammbaren oder explosiven Materialien in der Naze des Gerats.
Lassen Sie den Schornstein regelmäßig rei-nigen, um Schornsteinbrände zu verhindern. Heizen Sie niemals mit geöffneter Tur.
Bei Schornsteinbrand: Schlaffen Sie die Luft-Teingänge des Geräts und rufen Sie die Feuerwehr.
Wenn das Glas des Geräts gebrochen oder gesprungen ist, muss diese Glas ausgetauscht werden, bevor das Gerät erneut in Betrieb genommen wird.
Sorgen Sie für eine ausreichende Ventilation in dem Raum, in dem das Gerät aufgestellt ist. Bei nicht ausreichender Ventilation ist die Verbrennung nur unvollständig, wodurch sich giftingige Gase im Raum ausbreiten konnen. Vgl. Kapitel "Installationsbedingungen" für weitere Informationen zur Ventilation.
Installationsbedingungen
Allgemeines
Das Gerät muss hermetisch dicht an einen gut Funktionierenden Schornstein angeschlossen werden.
Für den Anschluss: vgl. die Anlage "Technische Daten".
Informieren Sie sich bei der Feuerwehr und/oder bei ihrer Versicherungsgesellschaft nach eventuellen speziellen Bedingungen und Vorschriften.
Schornstein
Der Schornstein ist erforderlich für:
Die Abfuhr von Verbrennungsgasen durch natürlichen Abzug.
Die warme Luft in dem Schornstein ist leichter als die Außenluft und steigt dazu nach oben.
Das Ansaugen von Luft, erforderlich für die Verbrennung der Brennstoffe in dem Gerät.
Ein nicht korrekt Funktionierender Schornstein kann zu Rauchrückschlagen beim Offnen der Tur führten. Schaden durch Rauchrückschlag fallen nicht unter die Garantie.
Schlieben Sie nicht mehrere Geräte (etwa noch einen Zentralheizungskessel) an denselben Schornstein an, es sei dann, lokale oder landesweite Gesetze halten dies zu. Sorgen Sie in jedem Fall bei zwei Anschlüsen dazu,
dass der Hohenunterschied zwischen den Anschlüssen mindestens 200~mm beträgt.
Fragen Sie ihren Installateur nach einer Beratung z Ihrem Schornstein. Konsultieren Sie die EU-Norm EN13384 fur die korrekte Berechnung Ihres Schornsteins.
Der Schornstein muss die folgenden Bedingungen erfüllen:
Der Schornstein muss aus feuerfestem Material bestehen, vorzugsweise aus Keramik oder Edelstahl.
Der Schornstein muss luftdicht und gut gereinigt sein und vollständigen Zug garantieren.
Ein Zug/Unterdruck von 15 - 20 Pa während der normalen Belastung ist ideal.
Der Schornstein muss - vom Ausgang aus dem Gerät ab - so vertical wie möglich verlaufen. Richtungsänderungen und horizontale Teilstücke störend den Abzug der Verbrennungsgase und führen mölicherweise zu Rauchansammlungen.
Die Innenmaße des Schornsteins dürfen nicht zu groß sein, um zu vermeiden, dass sich die Verbrennungsgase zu stark abkühlen und dadurch de Zug beeinträchtigen.
Der Schornstein sollte nach Möglichkeit den gleichen Durchmesser aufweisen wie das Anschlussstuck.
i For den nominalen Durchmesser vgl. die Anlage "Technische Daten". Wenn der Rauchkanal gut isoliert ist, kann der Durchmesser eventuell etwas großer sein (max. zweimal so groß wie der des Anschlussstücks).
Der Abschnitt (die Oberfläche) des Rauchkanals muss konstant sein. Änderungen und (vor allem) Verengungen stären die Abfuhr der Verbrennungsgase.
Bei Verwendung einer Regenhaube auf dem Schornstein: Achten Sie darauf, dass die Haube nicht die Mündung des Schornsteins verengt, und dass sie nicht die Abfuhr der Verbrennungsgase befindert.
Der Schornstein muss in einem Bereich munden, der nicht durch umliegende Gebäude, in der Näh
stehende Bäume oder andere Hindernisse behind wird.
Der Teil des Schornsteins, der außerhalb der Wohnung liegt, muss isoliert sein.
Der Schornstein muss mindestens 4 Meter hoch sein.
Als Faustregel gilt: 60 cm oberhalb des Dachfirsts.
Wenn der Dachfirst mehr als 3 Meter vom Schornstein entfernt ist: halten Sie die in der folgenden Abbildung angegebenen Maße ein. A = der höchste Punkt des Daches innerhalb eines Abstands von 3 Metern.

Belüftung des Raums
Für eine gute Verbrennung besteht das Gerät Luft (Sauerstoff). Die Luft wird über einstellbare Luftteinlassoeffnungen aus dem Raum, in dem das Gerät aufgestellt ist, angeführrt.
Bei nicht ausreichender Ventilation ist die Verbrennung nur unvollständig, wodurch sich giftingige Gase in dem Raum ausbreiten konnen.
Eine Faustregel ist, dass die Luftzufahr 5.5cm^2 /kW betragen muss. Eine zusätzliche Ventilation ist erforderlich:
- Wenn das Gerät in einem gut isolierten Raum besteht.
Wenn eine mechanische Ventilation verwendet wird, etwa durch ein zentrales Absaugsystem oder eine Abzugkappe in einer offenen Kuche.
Sie konnen für zusätzliche Ventilation sorgen, indem Sie in der Außenwand ein Ventilationsgitter einbauen.
lassen.

Sorgen Sie davon, dass andere Luft verbrauchende Geräte (eita ein Wäschetrockner, andere Heizgerä oder ein Badezimmervilator) über eine eigene Außenluftzufuhr verfügen, oder ausgeschaltet sind, wenn das Gerät in Verwendung ist.
Decken und Wände
Der Boden, auf dem das Gerät aufgestellt wird, mu über eine ausreichende Tragfähigkeit verfügen. Für das Gewicht des Geräts siehe Anlage „Technische Daten".

Im Boden unter dem Gerät und in den Wändrund um das Gerät dürfen sich keine elektrischen Leitungen befinden.

Unter dem Gerät müssen alle brennbaren Marialien entfernt werden oder mit einer Betonplatz (mindestens 6 cm dick) geschützt sein.

Brennbare Wände in der Nähe des Geräts m sen mit einer Steinwand (mindestens 10 cm dick) und einer Isolierschicht von mindestens cm Dicke geschützt werden.

Nicht brennbare Wände in der Höhe des Gerats müssen mit einer mindestens 2,5 cm dicken Isolierschicht geschützt werden, damit sich keine Risse bilden können.

Schützen Sie brennbare Böden mithilfe einer feuerfesten Bodenplatte gegen Wärmeausbreitung und eventuell herausfallende Asche. Vgl. Anlage „Abstand zu brennbarem Material".

Sorgen Sie für ausreichenden Abstand zwischen dem Gerät und brennbaren Materialien wie etwa Möbeln.

Sorgen Sie rund um brennbare Materialien,
etwa Zierleisten, für ausreichende Belüftung.
Vgl. Anlage „Abstand zu brennbarem Material

Zwischen Teppichen und dem Feuer muss ein. Primäre Luftklappe Mindestabstand von 80 cm gewahrt bleiben.

Im Umkreis von 50 cm um eventuell vorhandene Konvektionsauslassöffnungen dürfensich keine brennbaren Materialien befinden.
Produktbeschreibung


- Sekundäre Luftklappe
- TUR
- Außerer Zierrahmen
-
Schüttelstange
-
Riegel
- Feuerkorb
- Feuerfeste Innenplatten
Merkmale des Geräts
Das Gerät wird mit einem losem Handgriff zum Öffen der Tür, der so genannten „kalten Hand“, gelie fert.
Das Gerät wird mit einem zweiten losen Handgriff zum Entfernen der Aschenlade, der so genannten "kalten Hand", gefelert; vgl. die nachfolgende Abbildung.

Das Gerat verfügt über zwei zusätzliche Anschlüsse für den Transport der Kon-Off-vektionswärme in andere Räume.
Das Gerät ist zur Unterstützung der Konvektion mit zwei eingebauten Ventilatoren ausgestattet. Die Geschwindigkeit der Ventilatoren ist über einen entsprechenden Regler einstellbar. Diese Regler ist im Lieferumfang enthalten. Der Ventilator und der Geschwindigkeitsregler werden am Stromnetz angeschlossen; vgl. den Abschnitt "Anschluss des Ventilators am Stromnetz".
i Der Ventilator Funktioniert thermostatisch. Dies bedeutet, dass er nur dann eingeschaltet wird, wenn der Einsatzofen die entsprechende Temperatur erreicht hat; bei ausreichender Abkuhlung wird der Ventilator automatisch abgeschalte.
Das Gerät kann mit einem Außennehmen gefelwert werden, auf dem Sie einen Zierrahmen befestigen konnen. Der Zierrahmen ist optional lieferbar.
- Sie können die Schwenkrichtung der Turänder Das Gerät wird ab Werk mit nach rechts schweckender Tur geliefert. Für eine nach links schwenkende Tur ist eine optional erhältliche Riegelstand erforderlich. Die Anleitungen zum Ändern der Schwenkrichtung liegen dieser Riegelstange bei.
Das Gerät wird mit einem Anschlussatz für die Außenluftzuführ geliefert.
Das Gerät ist nicht zum dauernden Gebrauch geeignet.
Der Einsatzofen verfügbar über ein integriertes Konvektionssystem. Beim Einbau des Geräts muss darauf kein gesonderter Konvektionsraum gebaut werden und die Verwendung von Luftin- und -au lassrosten zur Konvektion ist ebenfalls nicht erforderlich.

Der Raum zwischen dem gusseisernen Ofer und dem stählernen Konvektionskasten dient als Konvektionsraum. Unter dem Gerät wird die Umgebungsluft angesaugt. Die Luft wird um den Ofen geführt, wo sie erwartt wird.
Anschließlich tritt die erwärmtte Luft an der Vd-Öffnen Sie die Tur des Geräts.
derseite des Konvektionsraums durch die Luft-2. Entfernen Sie die feuerfesten Innenplatten.
Installation
Vorbereitung
Überprüfen Sie das Gerät sofort nach Lieferung auf (Transport-) Schäden und eventuelle Mängel.

Wenn Sie (Transport-) Schaden oder Mängel feststellen, behmen Sie das Gerät nicht in Betrieb und informieren Sie den Handler.
Entfernen Sie die abmontierbaren Teile (feuerfeste) Innenplatten, Boden, Feuerkorb, Aschenöffnung und Aschenlade) aus dem Gerät, bevor Sie es installieren.

Wenn Sie die abmontierbaren Teile entfernen, konnen Sie das Gerät leichter verschiben und Beschädigungen vermeiden.

Achten Sie beim Entfernen dieser Teile auf ihre ursprüngliche Lage, damit Sie sie später wieder korrekt anbringen können.
r. Öffnen Sie die Tur des Geräts.
2. Entfernen Sie die feuerfesten Innenplatten.

Gusseiserne Innenplatten schützen die Verbrennungskammer und geben Wärme an die Umgebung ab.
Montieren des Handgriffs
Das Gerät wird mit einem losen Handgriff, der so genannten "kalten Hand", gefelert.
Die Form der kalten Hand ist von der Ausführungsform des Geräts abhängig.
Befestigen Sie den hölzernen Handgriff mit der mitgelieferten Schraube M8x50 am Anschlussstück; vgl.dazu die nachfolgende Abbildung.

Beachten Sie vor dem Öffnen der Tur die nachfolgende Abbildung.

Ändern der Schwenkrichtung der Tur
Sie konnen die Schwenkrichtung der Tur nach Wunschändern. Das Gerät wird ab Werk mit nach rechts schwenkender Tur gefelert. Befolgen Sie die nachfolgende Anleitung.
- Schrauben Sie den Riegel von der Tur ab.
- Schrauben Sie den Schließbolzen der Tur aus dem Scharnier.
- Ziehen Sie die Scharnierfedern aus den Scharnieren.

Achten Sie darauf, dass Sie die Tur ausreichend stützen; ohne Scharnierfedern kann sich die Tur plottlich vom Gerät losen.
- Entfernen Sie die Tur vom Gerät.
- Nehmen Sie die Verschlussringe vom Scharnierbolzen und setzen Sie diese auf die andere Seite des Geräts.
- Positionieren Sie die Tur oberhalb der Scharnierbolzen und setzen Sie die Scharnierfedern in die Scharniere.
- Schrauben Sie den Riegel an die andere Seite der Tür.
- Schrauben Sie den Schließbolzen an die andere Seite der Tür.
Bemerkung: Zum Einstellen der Turschliebung vgl. das Kapitel „Wartung".
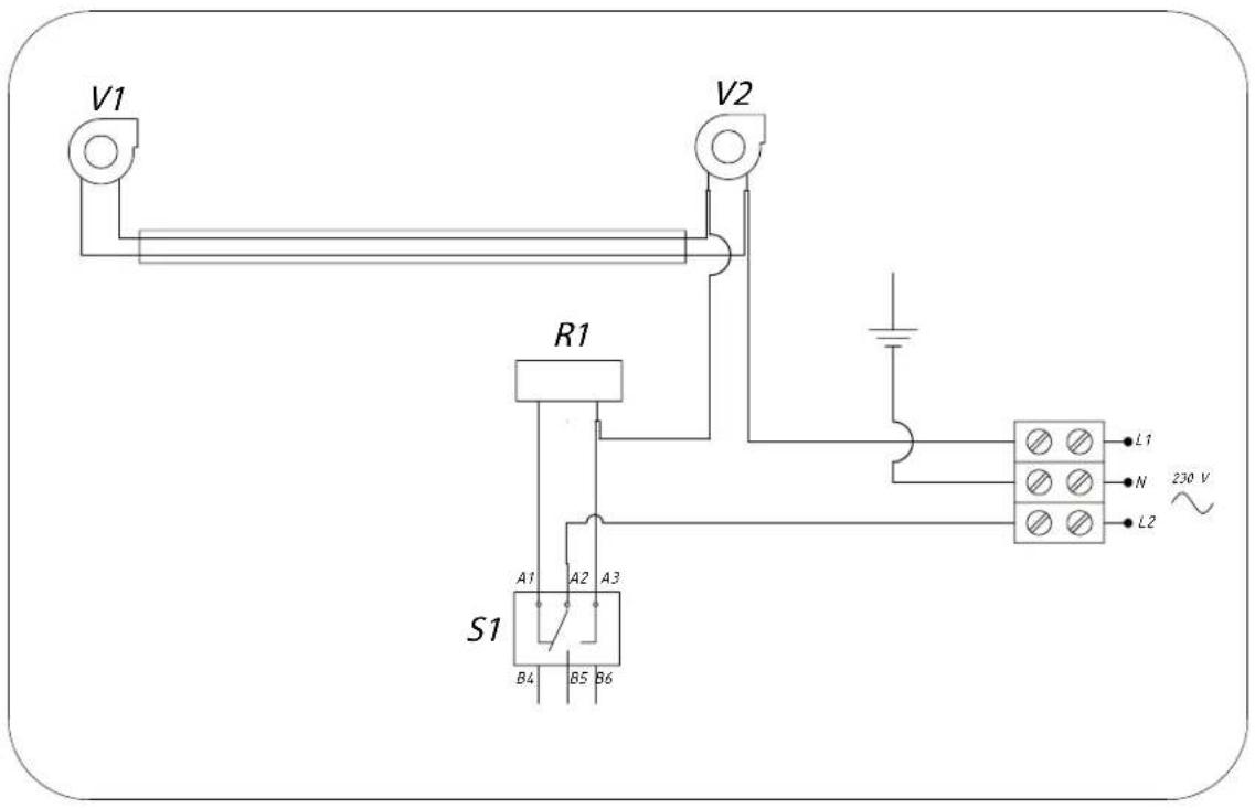
Anschluss des Ventilators am Stromnetz
Der Einsatzofen wird mit zwei eingebauten Ventilatoren und einem separaten Geschwindigkeitsregler gefelfert. Darüber hinaus verfügt das Gerät über einen Thermo-Switch, der den Ventilator bei einer fest eingestillten Temperatur ein- und ausschaltet.
These Teile müssen gemäß dem nachfolgend gezeugten Anschlusssschema an das Stromnetz angegeschlossen werden.

Das Anschlusschemia ist modellspzifisch.

Lassen Sie den Anschluss von einem sachkundigen Elektriker vornehmen.

Der Einsatzofen verfügbar über ein dreiadriges Kabel.

Der Einsatzofen muss durch einen doppelpoligen Schalter von Stromnetz getrennt sein.

Sorgen Sie für die korrekte Erdung des Einsatzzofens.
Ausfuhrliche Anschlusschemata finden Sie in Anlage 2.
Einbau in einen vorhandenen Kamin
Befolgen Sie zum Einbau des Ofens in einen vorhandenen Kamin die nachfolgende Anleitung:
- Stellen Sie das Gerät in der geeigneten Höhe auf und sorgen Sie mit einer Wasserwaage für eine ebene Aufstellung. D

Halten Sie das elektrische Kabel vom Gerät entfernt.
- Wenn Sie einen externen Rahmen auf das Gerät setzen wollen, müssen Sie die mitgelieferten Klemmlatten an den Seiten des Geräts befestigen, ohne die Schrauben ganz fest anzudrehen. Der externe Rahmen wirdathamlich zwischen dem Gerät und den Klemmlatten befestigt; vgl. die nachfolgende Abbildung.

-
Schlieben Sie die Basis des Schornsteins mit nicht brenbarem Material ab.
-
Bringen Sie in der Basis eine Öffnung für das Abzugrohr mit einem Durchmesser von 150 cm an.
-
Zentrierten Sie die Öffnung in der Basis auf das Anschlussstück am Ofen.
- Setzen Sie das Abzugrohr in die Öffnung. Sorgen Sie dazu, dass das Rohr nach unter gezogen werden kann, so dass es auf das Anschlussstück passst. Verwenden Sie beispielsweise ein Rohr mit verstellbarer Länge.

Bei einem flexiblen Edelstahrhohr: Schrauben Sie das Rohr mit dem mitgelieferten Anschluss an, setzen Sie diesen in das Anschlussstück, und fixieren Sie das Anschlussstück, indem Sie die beiden Lippen nach außen biegen.
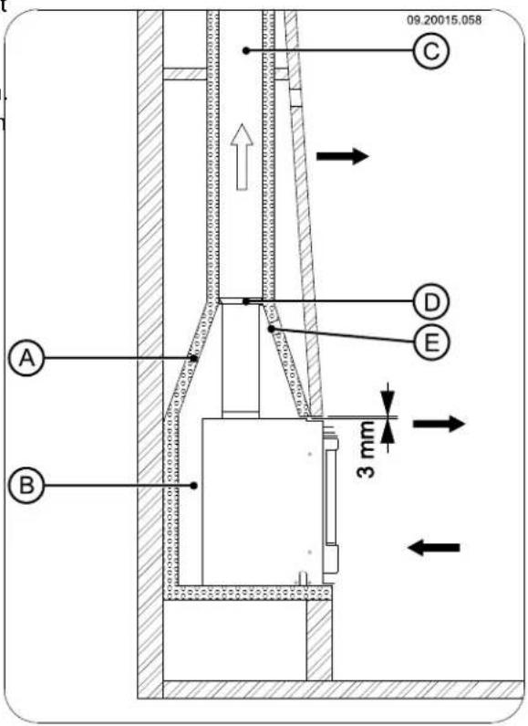
Die nachfolgende Abbildung zeigt ein Beispiel für die Platzierung eines Einbauofens in einem Kamin, der gemäß den oben angegebenen Anleitungen und Vorschriften gebaut wurde.

A Vorhandener Ofen
B Belüftungsraum (mindestens 15 mm)
C Vorhandener Abgaskanal
D Feuerfestes Material oder ein Verbindungsstück
E Öffnung zur Verhinderung von Druckaufbau
Einbau in einen neuen
Kamin etwa ein Traceisen. Lassen Sie zwischen der Stütze und dem Gerät mindestens 3 mm Spiel.
Die Installation des Einbauofens besteht aus zwei. len:
Der Platzierung und dem Anschluss des Einbauofens
Aufbau des Kamins um den Einbauofen
Platzierung und Anschluss des bauofens
- Stellen Sie das Gerät in der geeigneten Höhe auf und sorgen Sie mit einer Wasserwaage für eine abebene Aufstellung.
- Wenn Sie einen externen Rahmen auf das Gerät setzen wollen, müssen Sie die mitgelieferten Klemmlatten an den Seiten des Geräts befestigen, ohne die Schrauben ganz fest anzudrehen. Der externe Rahmen wirdatham zwischen dem Gerät und den Klemmlatten befestigt; vgl. die nachfolgende Abbildung.

- Sorgen Sie davon, dass zwischen den vorhandenen Wänden, die über die erforderliche Isoierung verfügen (vgl. das Kapitel "Installationsbedingungen"), und der Rückseite des Geräts 15 mm Konvektionsraum vorhanden ist.
- Der EinbauofenarfndichtdasMauerwerktragen. VerwendenSie nach Wunschene Stutzwe
Schlieben Sie das Gerät absolut dicht an den Schornstein an.
5. Prüfen Sie den Zug im Schornstein und die Abdichtung des Anschlusses an dem Abgasabzugkanal, indem Sie ein kleines, intensives Probefeuer mit Zeitungspapier und trockenem,)dunnem Holz

Warten Sie bei neuem Mauerwerk, bis diesen vollständig getrocknet ist.
Abführden der Konvektionsluft
Das Gerät verfügbar über zwei zusätzliche Anschlüsse für den Transport der Konvektionswärme in andere Räume. In diesen Räumen müssen Luftauslastrostevorhanden sein. Gehen Sie wie folgt vor, wenn Sie diese Funktion verwenden möchten:
- Entfernen Sie die zwei Druckplatten auf dem Konvektionskasten, indem Sie sie mit einem Hammer losschlagen.
- Montieren Sie die zwei mitgelieferten Anschlussstücke (125 mm Durchmesser) mit den mitgelieferten M8x16-Schrauben und M8-Bolzen auf den dadurch entstandenen Öffnungen.
- Schließen Sie dann das flexible Rohr (125 mm Durchmesser) an und führen Sie these in die gewünschten Räume.
- Schlieben Sie den flexiblen Schlauch an die Auslassroste in den Räumen an.
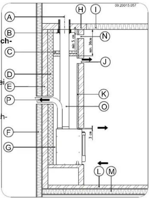
Bau eines neuen Kamins
Im Kamin stellen Sie einen Konvektionsraum her. In dieser Raum kann sich die Luft frei bewegen. Für die Verbrennung muss Luft angesaugt werden, und die vom Einbauofen erwärmte Luft (die Konvektionsluft) muss frei in den zu heizenden Raum stromen konnen; vgl. die nachfolgende Abbildung.
Befolgen Sie beim Bau des Kamins die nachfolgenden Vorschriften:
Die Oberseite des Kamins muss mit einer Abschlussplatte aus hitzebeständigem und nicht brennbarem Material luftdicht abgeschlossen sein.
Die Abschlussplatte muss waagerecht liegen und 7. Stellen Sie oberhalb der Abschlussplatte eine Öff-mindestens 30 cm unter der Abgasöffnung in der Nung her, um eventuellen Druckaufbau zu verdecke platziert sein.
Nach Wunsch können Sie an der Oberseite des Die nachfolgende Abbildung zeigt ein Beispiel für die Kamins und direkt unter der Abschlussplatte einer Platzierung eines Einbauofens in einem Kamin, der zusätzlichen Luftauslassrost anbringen. gemäß den ober angegebenen Anleitungen und Vor

Verwenden Sie im Einbauraum kein brennbares Material und verhindern Sie bei Verwendung wärmeleitfähiger Materialien die Bildung von Wärmebrücken.
Befolgen Sie beim Bau des Kamins die nach folgende Anleitung:
- Mauern Sie den Fuß des Ofens.

Sorgen Sie damit, dass die Tur des Ofens frei über die Aufstellfläche des Ofens schwingen kann.
- Mauern Sie den Kamin weiter auf bis zum Rauchfang.

Sorgen Sie damit, dass zwischen dem Einbauofen und dem Mauerwerk immer 2 mm Spiel bleiben, um die Wärmeausdehnung des Einbauofens aufzufangen.
- Nach Wunsch können Sie die Innenseite des Kamins mit reflektierendem Isoliermaterial auskleiden.

Eine zusätzliche Auskleidung des Einbauraums verhindert eine unnötige Wärmbastrlung an Außenwände und/oderbenachbarte Räume. Auch wird dadurch die Beschädigung der Hohlmauerisolierung verhindert.
- Mauern Sie den Kamin weiter auf bis zur Rauch gasöffnung in der Decke.

Der Einbauofenarf nicht dasMauerwerk traI gen.VerwendenSieeineStütze,wieetaweinTrageisen.LassenSiezwischenderStütze und demGeratmindestens3mm Spiel.
-
Schlieben Sie den Einbauraum mit der Abschluss-M platte ab. N
-
Bringen Sie unter der Abschlussplatte einen Luftstrost zur Belüfung des Geräts an.

A Schornstein
B
Feuerfestes Material oder ein Verbindungsstück
C Abdeckplatte
D Isoliermaterial (mindestens 5 cm)
E Nicht brennbare Mauer
F Brennbare Mauer
G Belüftungsraum (mindestens 15 mm)
H Nicht brennbare Decke
Brennbare Decker
Konvektionsluftöffnung
K Isolierung (optional)
L Nicht brennbarer Boden
M Brennbarer Boden
N Öffnung gegen Druckaufbau
O Anschlussrohr
P Konvektionsluft anderer Raum

Montieren des externen Rahmens
Das Gerät kann mit einem passenden drei- oder vierseitigen Außenahmen gefleiert werden. Optional ist auch ein Zierrahmen erhältlich, der am Außenahmen befestigt wird.
- Montieren Sie den Außenahmen, indem Sie die beiden Seiten mit zwei Schrauben miteinander verbinden; vgl. die nachfolgende Abbildung.

- Montieren Sie den Zierrahmen, indem Sie seine beiden Seiten mithilfe des Verbindungselements miteinander verbinden und anschließend mit den zwei Schrauben (A) des Verbindungselements fixieren; vgl. die nachfolgende Abbildung.

- Zentrierten Sie den Zierrahmen in Bezug auf den externen Rahmen; vgl. die nachfolgende Abbildung.

- Platzieren Sie an jeder Seite drei Stützplättchen zwischen dem Zierrahmen und dem Außen-rahmen; vgl. die nachfolgende Abbildung.

- Befestigen Sie den (zusammengesetzten) Rahmen am Gerät, indem Sie die Befestigungslippen an den vertikalen Seiten des Rahmens zwischen das Gerät und die Klemmlatten schieren; vgl. die nachfolgende Abbildung.

Ausführung
- Setzen Sie alle demontierten Teile wieder an ihrem korrekten Platz in das Gerät ein.
- Sorgen Sie davon, dass der neu gebaute Kamin ständig trocken ist, bevor Sie mit dem Heizen beginnen.
Lassen Sie das Gerät nicht ohne feuerfeste Innenplatten brennen.
Das Gerat ist jetzt gebrauchsfortig.
Verwendung
Erste Inbetriebnahme
Wenn Sie das Gerät zum ersten Mal in Betrieb führen, halten Sie es einzelige Stunden durchheizen.
Dadurch härte der hitzebeständige Lack aus. Hierbei kann es zu Rauch- und Geruchsbildung kommt. Öf nen Sie dann eventuell in dem Raum, in dem das
Gerat aufgestellt ist, Fenster und Turen.
Brennstoff
Das Gerät ist für das Heizen mit Holz (das gesägt, gespalten und ausreichend trocken ist), Braun-kohtbriketts und Anthrazitkohle geeignet.
Verwenden Sie keine anderen Brennstoffe; diese konnen dem Gerat ernsthafte Schaden zufugen.
Die folgenden Brennstoffe dürfen nicht verwendet werden aufgrund bestimmter Merkden, da sie die Umwelt verschmutzen und da sie male, wie etwa dem prozentualen Anteil fluchtiger
Gerat und Schornstein stark verunreinigen, was zu einem Schornsteinbrand führen kann:
Behandeltes Holz, wie etwa Holz mit Beschchütungen, gefarbtes Holz, imprägniertes Holz, konserviertes Holz, Multiplex und Spanplatten.
Kunststoff, Altpapier und Haushaltsabfälle.
Holz
- Verwenden Sie vorzugsweise hartes Laubholz, wie etwa Eiche, Buche, Birke oder Obstbaumholz. Dieses Holz brennt langsam bei ruhiger Flamme. Nadelholz enthalt mehr Harz, brennt schneller und erzeugt mehr Funken.
Verwenden Sie getrocknetes Holz mit maximal 20 % Feuchtigkeitsanteil. Hierzu muss das Holz mindestens zwei Jahre lang getrocknet werden.
Sagen Sie das Holz auf Maß und spalten Sie es, solange es noch frisch ist. Frisches Holz lassst sich leichter spalten, und gespaltenes Holz trocknet voll besser. Bewahren Sie das Holz unter einer Abdeckung auf, in der sich der Wind frei bewegen kann. - Verwenden Sie kein nasses Holz. Nasses Holz spendet keine Wärme, da die gesamte Energie für das Verdampfen der Feuchtigkeit verwendet wird. Dabei entsteht viel Rauch und es kommt zu Ruß-ablagerungen an der Gerätesür und im Schornstein. Der Wasserdampf kondensiert im Gerät und kann aus dem Gerät austreten und zu schwarzen Flecken auf dem Fußboden führen. Der Wasserdampf kann auch im Schornstein kondensieren und zur Entstehung von Carbolineum beitragen. Dieser Stoff ist leicht brennbar und kann zu einem Schornsteinbrand führen.
Braunkohlebriketts
Braunkohlebriketts haben ungebahr dieselben Brenneigenschaften wie Holz.
Sorgen Sie für ein gutes Holzkohlebett, bevor Sie die Braunkohlebriketten anzünden.
Befolgen Sie zum Anzünden des Ofens die Anleitung im Abschnitt "Anzünden".
Anthrazitkohle
Anthrazitkohle
Anthrazitkohlen werden aufgrund bestimmter Merkmale, wie etwa dem prozentualen Anteil fluchtiger

Stoffe, in Kategorien unterelt. Der Aschegehalt von Luftinlass des Geräts; vgl. die nachfolgende Anthrazitkohle liegt zwischen 3 und 13% . Je niedriger Abbildung. der Aschegehalt, um so higher der Heizwert der Kohle, und um so seltener mussen Sie den Ofen entsachen: Lassen Sie das Anzündfeuer durchbrennen, bis
- Verwenden Sie vorzugsweise Anthrazitkohle der Kategorie A mit niedrigem Aschegehalt.
▶ Verwenden Sie das empfohlene Format 12/22 20/30.
Befolgen Sie zum Anzünden des Ofens die Anleitung im Abschnitt "Anzünden".
Anschließlich konnen Sie das Gerät erneut füllen und regeln, vgl. das Kapitel "Heizen mit Holz".
Anzünden
Sie konnen überprüfen, ob der Schornstein über au reichenden Zug verfügt, indem Sie oberhalb der Flammplatte ein Knäuel Zeitungspapier anzünden. Ei kalter Schornstein verfügt oft über unzureichenden Zug, wodurch Rauch in das Zimmer gelangen kann Wenn Sie das Gerät wie hier beschrieben anzünden vermeiden Sie diese Problem.
- Stapeln Sie zwei Lagen mittelgroßer Holzstücke kreuzweise übereinander.
- Stapeln Sie auf den Holzstücken zwei Lagen Anzündehölzchen kreuzwiese übereinander.
- Legen Sie den Anzünderblock zwischen die unterste Lage von Anzündehölzchen, und zünden Sie den Anzünderblock gemäß der Anleitung auf der Verpackung an.

- Schließen Sie die Tur des Gerats, und öffnen Sie den primären Luftleinlass sowie den sekundären


= Geschlossen = Offen
Heizen mit Holz
Nachdem Sie die Anleitungen zum Anzünden befolg haben:
- Öffnen Sie langsam die Tur des Geräts.
- Verteilen Sie das Holzkohlebett gleichmäßig über den Heizboden.
- Stapeln Sie einige Holzstücke auf dem Holzkohlebett auf.
Lose Stapelung

Bei einer kompakten Stapelung verbrennt das Holz langsamer, da der Sauerstoff zunachst nur einzeln Holzstücke erreichen kann. Stapeln Sie das Holz kompakt, wenn Sie länger heizen möchten.
- Schlieben Sie die Tur des Gerats.
- Schließen Sie den primären Luftteinlass, und lassen Sie den sekundären Luftteinlass offen stehen.

Füllen Sie das Gerät maximal zu einem Drittel.
Heizen mit Braunkohlebriketts
Braunkohlebriketts brennen in etwa derselben Weise wie Holz. Sorgen Sie mit dem primären Luftteinlass für eine ausreichende Luftzufuhr unter dem Feuer. Vgl. weiter den Abschnitt "Heizen mit Holz".
Beim Heizen mit Braunkohlebriketts entstehen viel Asche. Entfernen Sie die Asche regelmäßig. Vgl. dazu den Abschnitt "Entaschen".

Wenden Sie sich für Informationen zu den Eigenschaften und der Verwendung von Braunkohlebriketts an den Handler, oder sehen Sie auf der Verpackung der Braunkohlebriketts nach.
Bei einer losen Stapelung verbrennt das Holz schneibaben: da der Sauerstoff jeder Holzstück einfach erreichen
kann. Stapeln Sie das Holz lose, wenn Sie kurzheit. Offnen Sie langsam die Tur des Gerats. zen mochten.
Kompakte Stapelung

Nachdem Sie die Anleitung zum Anzünden befolgt. Gehaben:
- Verteilen Sie das Holzkohlebett gleichmäßig über den Heizboden.
- Legen Sie die Braunkohlebriketts auf das Holzkohlebett.
- Schließen Sie die Tur.
Heizen mit Anthrazitkohle
Verwenden Sie zur Aufbewährung der Anthrazitkohlen einen Kohlenkorb; vgl. die nachfolgende Abbildung.
Dieser ist optional erhältlich.



Schlieben Sie beim Heizen mit Anthrazitkohle immer die sekundäre Luftklappe.

Öffnen Sie den Rost, indem Sie die Schüttelstange nach vornziehen.
Nachdem Sie die Anleitung zum Anzünden befolgt haben:
-
Öffnen Sie die primäre Luftklappe vollständig.
-
Öffnen Sie langsam die Tur des Geräts.
-
Verteilen Sie das Holzkohlebett gleichmäßig über den Heizboden.
-
Verteilen Sie eine Schaufel Kohlen auf dem Holzkohlebett und warten Sie mit der{nachsten Schaufel so lange, bis die Kohlen zu gluhen beginnen.
-
Geben Sie jetzt mehr Kohlen hinzu.

Achten Sie darauf, dass Sie das Feuer nicht erstickten, indem Sie zu weitere Kohlen hinzufugen.

Sie haben die maximale Nachfüllung erreicht, wenn die Glut der vorherigen Füllung gerade noch sightbar ist.
-
Schließen Sie die Tur.
-
Lassen Sie die Kohlen 20 bis 30 Minuten lang gut durchbrennen, und regeln Sie die Luftzufuhr mit der primären Luftklappe.
-
Schütteln Sie den Rost mit der Schüttelstange, bis glühende Teile in die Aschenlade fallen.
-
Öffnen Sie die primäre Luftklappe vollständig.
-
Füllen Sie erneut Kohlen nach, bis die maximale Befüllung erreicht ist.

Achten Sie daraufuf, dass der Rost offen ist; ziehen Sie dazu die Schüttelstange nach vorn.
- Setzen Sie nach einigen Minuten die primäre Luftklappe in die gewünschte Position.

Wenn der Feuerkorb oder der Schuttelrost rot zu gluben beginnen, heizen Sie zu intensiv. Der Schuttelrost und/oder der Feuerkorb konnen sich dadurch verformen.
Regelung der Verbrennungsluft
Das Gerät verfügbar über verschiedene Einrichtungen für die Luftregelung.
Die primäre Luftklappe regelt die Luft unter dem Rost.
Die sekundäre Luftklappe regelt die Luft vor dem Glas (Air-Wash).
Hinweise

Heizen Sie niemals mit geffneter Tur.

Heizen Sie das Gerät regelmäßig gut durch.
Wenn Sie lange mit niedriger Flamme heizen, können sich im Schornstein Ablagerungen von Teer und Carbolineum (Steinkohlenteer) bilden. Diese Stoffe sind leicht brennbar. Wenn die Ablagerungen dieser Stoffe zu sehr anwachsen, kann durch eine plötzliche Temperatursteigerung ein Schornsteinbrand entstehen. Wenn Sie regelmäß gut durchheizen, verschwinden eventuelle Teer- und Carbolineum-Ablagerungen.
Darüber hinaus kann sich beim Heizen auf zu geringer Stufe Teer auf der Scheibe der Gerätetur absetzen.
Bei milden Außentemperaturen ist es davon better, das Gerät einige Stunden lang intensiv durchbrennen zu halten, als es längerere Zeit auf niedrigem Stand zu betreiben.
Regeln Sie die Luftzufuhr mit dem sekundären Lufteinlass.

Der sekundäre Luftteinlass beluftet nicht nur das Feuer, sondern auch das Glas und schützt es so vor Schneller Verschmutzung.
-
Offnen Sie den primären Luftteinlass rechtzeitig, 3 wenn die Luftzuführ über den sekundären Luftteinlass nicht ausreicht, oder wenn Sie das Feuer neu entfachen möchten.
Das regelmäßige Nachfüllen kleiner Mengen von Holzstücken ist better, als viel Holz auf einmal befüllen.
Regelmäßige klinere Mengen von Braun-kohlebriketts oder Anthrazitkohlen hinzuzufugen ist better, als weitere Braunkohlebriketts oder Antrazitkohlen gleichzeitig in den Ofen zu geben. -
Entfernen Sie die Aschenlade mit Hilfe der mitgelieferten "kalten Hand" und leeren Sie sie; vgl. die nachfolgenden zwei Abbildungen.

Löschen des Feuers
Füllen Sie keinen Brennstoff nach, und setzen Sie den Ofen normal ausgegeben. Wenn ein Feuer durch Verminderung der Luftzufuhr gedämpft wird, werden schädliche Stoffe freigesetzt. Lassen Sie das Feuer davon selbstständig herunterbrennen. Achten Sie auf das Feuer, bis es vollständig erloschen ist. Wenn dies der Fall ist, können alle Luftkluppen geschlossen werden.

Entaschen
Nach dem Verbrennen von Holz bleibt eine relativige Menge Asche zurück. Dieses Aschebett ist einGreater Isolator fur den Heizboden und sorgt fur gute Verbrennung. Sie konnen daher ruhig eine duri Schicht Asche auf dem Heizboden liegen halten.
Nach dem Verbrennen von Braunkohlebriketts oder Anthrazitkohlen bleibt relativ viel Asche darüber. Entfernen Sie regelmäßig die angesammelte Asche.
- Setzen Sie die Aschenlade wieder ein und schlieben Sie die Tur des Geräts.
Nebel
Nebel behind the Abfuhr von Abgasen durch den Schornstein. Rauch kann sich niederschlagen und zu Geruchsbelastigung führen. Bei Nebel sollenn SieDMAHer nicht mit dem Gerat heizen, wenn dies nicht unbedingt erforderlich ist.
Die Aschearficht den unteren Rand des Rostes erreichen.Der Rost wird dann uberh und beschadigt.
Eventuelle Probleme
Lesen Sie die Anlage "Diagnoseschema", um eventuell bei der Verwendung des Geräts auftretende Probleme zu losen.
Die Luftzufuhr durch den Heizbodenarf jedoch nio behindert werden, und hinter einer Innenplatte darfsich nicht zu viel Asche ansammeln. Entfernen SieDMAher regelmäßig die angesammelte Asche.
Instandhaltung
Befolgen Sie die Wartungsanleitungen in thisem Kapitel, um ihr Gerät in einem gutezustand zu halten.
-
Öffnen Sie die Tur des Geräts.
-
Verwenden Sie die Schüttelstange, um die ange-sammelte Asche durch den Rost in die Aschen-lade fallen zu halten.
Schornstein
Invielen Ländern sind Sie gesetzlich dazu verpflichtet, den Schornstein regelmäßig kontrollieren
und warten zu halten.
Zu Beginn der Heizperiode: Lassen Sie den Schornstein von einem anerkannten Schornsteinfeger reinigen/fegen.
Während der Heizperiode und wenn der Schornstein für langere Zeit nicht verwendet wurde: Lassen Sie den Schornstein auf Ruß untersuchen.
Nach der Heizperiode: Schlieben Sie den Schornstein mit einem Knäuel Zeitungspapier ab.

Gusseiserne Innenplatten halten lange, wenn Sie regelmäßig die Asche entfernen, die sich dahinter ansammelt. Wenn angesammelte Asche hinter einer gusseisernen Platte nicht entfernt wird, kann die Platte keine Wärme mehr an die Umgebung abgeben und sich anschließend verformen oder reifen.

Lassen Sie das Gerät nicht ohne feuerfeste Innenplatten brennen.
Reinigung und andere regelmäßige Wartungsarbeiten

Reinigen Sie das Gerät nicht, so lange es noch warm ist.
Reinigen Sie die Außenseite des Geräts mit einem trockenen und fusselfreien Tuch.
Nach Ablauf der Heizperiode konnen Sie die Innenseite des Geräts reinigen:
- Entfernen Sie eventuell zuerst die feuerfesten Innenplatten. Vgl. das Kapitel "Installation" für Anleitungen zum Entfernen und Anbringen von Innenplatten.
Reinigen Sie eventuell die Luftzufuhrkanäe.
Entfernen Sie die Flammplatte oben in dem Geräte und reinigen Sie sie.
Kontrolle der feuerfesten Innenplatten
Die feuerfesten Innenplatten sind Verbrauchsteile, die dem Verschleib unterliegen. Innenplatten aus Vermicutit sind empfindlich. Diese Innenplatten nicht mit den Holzscheiten bestehen. Überprüfen Sie die Inneplatten regelmäßig, und tauschen Sie sie bei Bedarf aus.
Vgl. das Kapitel "Installation" für Anleitungen zum Entfernen und Anbringen von Innenplatten.

Die isolierenden Vermicult- oder Schamott-Innenplatten können Haarrisse aufweisen, dies hat aber keine nachtigigen Auswirkungen auf ihre Funktion.
Demontage Klappe und Flamm-leitplatte
Klappe und Flammleitplatte können demontiert werden. Zur Demontage der Flammleitplatte müssen zuerst Klappe und Klappenstange halten.
- Öffnen Sie die Tur des Geräts.
Kippen Sie die geschlossene Klappe etwas nach oben und schieren Sie sie über die Flamm-leitplatte, so dass beiden Teile frei sind.
- Entfernen Sie Klappe und Klappenstange aus dem Gerät.
- Schrauben Sie das Stützplättchen los, indem Sie die Mutter M8 losdrehen. Das Stützplättchen befindet sich in der Mitte an der Oberplatte des Geräts.
- Kippen Sie die Flammleitplatte an der Vorderseite nach oben, ziehen Sie sie nach vorn undnehmert. Si e si aus dem Gerat.
Bemerkung: Befolgen Sie zur Montage der Klappe und der Flammleitplatte vor der Inbetriebnahme des Gerats die oben angegebene Anleitung in umgehrter Reihenfolge.
Glas reinigen
Gut gereinigtes Glas nimmt weniger schnell neuere Schmutz auf. Gehen Sie folgendermaßen vor:
- Entfernen Sie Staub und loseN Rost mit einem trockenen Tuch.
- Reinigen Sie das Glas mit einem Ofenscheibenreiniger:
a. Tragen Sie Ofenscheibenreiniger auf einen Kuchenschwamm auf, wischen Sie die gesamte Glasoberfläche damit ab und halten Sie den Reiniger einwirken.

b. Entfernen Sie den Schmutz mit einem feuchten Tuch oder mit Kuchenpapier.
-
Reinigen Sie das Glas dann noch einmal mit einem normalen Glasreinigungsdprodukt.
-
Wischen Sie das Glas mit einem trockenen Tuch oder mit Kuchenpapier ab.
-
Verwenden Sie keine scheuernden oder scharfen Produkte zur Reinigung des Glases.
▶ Verwenden Sie zum Schutz ihrer Höhe geeignete Haushaltshandschuhe.

Wenn das Glas des Gerats gebrochen oder gesprungen ist, muss diese Glas ausgetauscht werden, bevor das Gerät erneut in Betrieb genommen wird.

Achten Sie darauf, dass kein Ofenscheibenreiniger zwischen das Glas und die gusseiserne Tur lauft.
Schmieren
Obwohl Gusseisen eigentlich "selbstschmierend" ist, müssen bewegliche Teile noch regelmäßig geschmiert werden.
Schmieren Sie die beweglichen Teile (wie etwas tungssysteme, Scharnierfedern, Riegel und Luftklappen) mit einem hitzebeständigen Fett (erhaltlich im Fachhandel).
Finish erneuern
Kleine Lackschäden konnen Sie mit hit-zebeständigem Speziallack aus der Sprühdose beheben, den Sie bei ihren Lieferanten erhalten.
Abdichtung kontrollieren
Prufen Sie, ob die Abdichtungsschnur der Tur nog gut schließt. Diese unterliegt dem Verschleiß und muss rechtzeitig ausgetauscht werden.
Überprüfen Sie das Gerät auf Luftlecks. Verschließen Sie eventuelle Risse mit Ofenkitt.

Lassen Sie den Kitt gut aushäten, bevor Sie das Gerät in Betrieb nehmen, andernfallsdehynt sich die Feuchtigkeit darin auf und führt erneut zu einem Leck.
Tür nachstellen
Prufen Sie, ob die Tur gut abschluss; stellen Sie, falls notig, das Scharnier nach.

Lei- Offnen Sie die Tur des Gerats; das Scharnier ist dann sightbar und zuganglich.
2. Drehen Sie die zwei Befestigungsbolzen des Scharniers etwas los. Die Befestigungsbolzen befinden sich an der Innenseite des Ofens.
3. Schieber Ben Sie das Scharnier in die gewünschte Position.
4. Positionieren Sie das Scharnier mithilfe der Stellschrauben in der Breite des Gerats.
5. Ziehen Sie die beiden Befestigungsbolzen fest, nach und prüfen Sie, ob die Tur gut schließt.
Anlage 1: Technische Daten
Modell 2200/2210/2220/2020
| Modell 2200 2210 2220 2020 | ||||
| Nennleistung 8 kW 8 kW 8 kW 7 kW | ||||
| Schornsteinanschluss (Durchmesser) 150 mm 150 mm 150 mm 150 mm 150 mm 150 mm 150 mm 150 mm 150 mm 150 mm 150 mm 150 mm 150 mm 150 mm 150 mm 150 mm 150 mm 150 mm 150 mm 150 mm 150mm 150 mm 150 mm 150 mm 150 mm 150 mm 150 mm 150 mm 150 mm 150 mm 150 mm 150 mm 150 mm 150 mm 150 mm 150 mm 150 mm 150 mm 150 mm 150 mm 150 | ||||
| Gewicht 140 kg 175 kg 150 kg 130 kg 130 kg 130 kg 130 kg 130 kg 130 kg 130 kg 130 kg 130 kg 130 kg 130 kg 130 kg 130 kg 130 kg 130 kg 130 kg 130 kg 130 kg 130 kg 130 kg 150 mm 50 cm 50 cm 50 cm 50 cm 50 cm 50 cm 50 cm 50 cm 50 cm 50 cm 50 cm 50 cm 50 cm 50 cm 50 cm 50 cm 50 cm 50 cm 50 cm 50 cm 50 cm 50 cm 50 cm 50 cm 50 cm 50cm 50cm 50cm 50cm 50cm 50cm 50cm 50cm 50cm 50cm 50cm 50cm 50cm 50cm 50cm 50cm 50cm 50cm 50cm 50cm 50cm 50cm 50cm 50cm 50cm 50km 50km 50km 50km 50km 50km 50km 50km 50km 50km 50km 50km 50km 50km 50km 50km 50km 50km 50km 50km 50km 50km 50km 50km 50km 50kg 230 V, 50 Hz, 0,5 A | ||||
| Elektrischer Anschluss | ||||
| Brennstoff | Holz | Braunkohlebriketts | Anthrazitkohle |
| Massenfluss der Abgase | 7,7 g/s 8,9 g/s | 7,8 g/s | |
| Temperaturanstieg, gemessen im Mess-abschnitt | 295 K | 289 K | 272 K |
| Temperatur, gemessen am Ausgang des Geräts | 340 °C | - | - |
| Mindestzug | 14 Pa | 14 Pa | 14 Pa |
| CO-Emission (13 %) | 0,10 % | 0,06 % | 0,04 % |
| NOx-Emission (13 %) | 106 mg/Nm3 | - | - |
| CnHm-Emission (13 %) | 51 mg/Nm3 | - | - |
| Staubemission | 31 mg/Nm3 | - | - |
| Wirkungsgrad | 78,3 % | 75,4 % | 76,4 % |
Modell 2500/2510/2520/2620
| Modell 2500 2510 2520 2620 | ||||
| Nennleistung 10 kW 10 kW 10 kW 10 | kW | |||
| Schornsteinanschluss (Durchmesser) 150 mm 150 mm | mm 150 mm | 150 mm 150 | mm | |
| Gewicht | 150 kg | 180 kg | 160 kg | 160 kg |
| Empfohlener Brennstoff | Holz | Holz | Holz | Holz |
| Kennzeichen Brennstoff, max. Länge Holz | 50 cm | 50 cm | 50 cm | 50 cm |
| Elektrischer An Schluss | 230 V, 50 Hz, 0,5 A | |||
| Brennstoff | Holz | Braunkohlebriketts | Anthrazitkohle |
| Massenfluss der Abgase | 9,2 g/s | 9,7 g/s | 8,1 g/s |
| Temperaturnstieg, gemessen im Mess-abschnitt | 264 K | 318 K | 314 K |
| Temperatur, gemessen am Ausgang des Geräts | 320 °C | - | - |
| Mindestzug | 14 Pa | 14 Pa | 14 Pa |
| CO-Emission (13 %2)D | 0,10 % | 0,09 % | 0,05 % |
| NOx-Emission (13 %2)D | 52 mg/Nm3 | - | - |
| CnHm-Emission (13 %2)D | 21 mg/Nm3 | - | - |
| Staubemission | 16 mg/Nm3 | - | - |
| Wirkungsgrad | 80,0 % | 76,4 % | 79,0 % |
Anlage 2: Anschlusschemata
Die Abkürzungen in den Schemata haben die folgenden Bedeutungen:
T1 Thermo-Switch
V1 Ventilator
V2 Ventilator
L1 Lampe
R1 Widerstand
S1 Zweistellungsschalter
Model 2020

Modell 2220, Modell 2520 und Modell 2620

Modell 2210 und Modell 2510

Modell 2200 und Modell 2500

Die Modelle 2200 und 2500 verfügbar über einen Zweistellungsschalter zur Regelung der Geschwindigkeit; es gibt keine Thermostatfung.
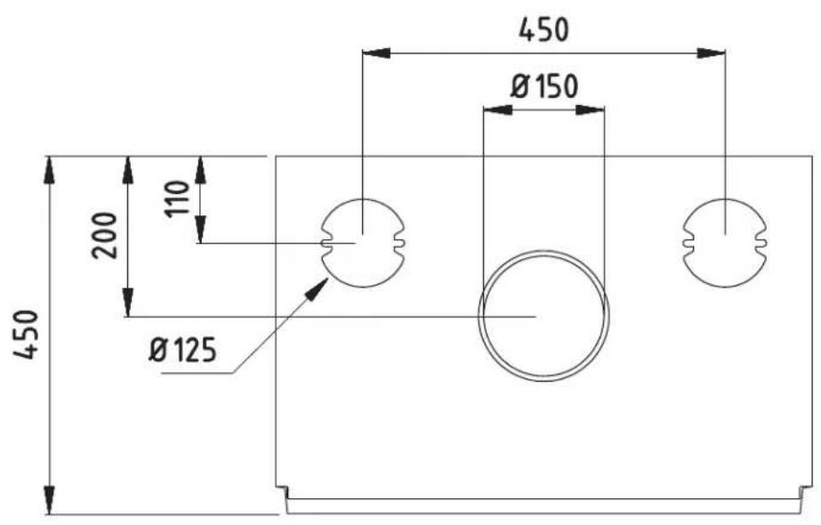
Anlage 3: Abmessungen
2020

2200


09.20017.043
2210

2220

2500


2510

2520

2520BS

2620SC

Anlage 4: Abstand zu brennbarem Material
Mindestbelüftungsraum außerhalb des Strahlungsbereichs

Abmessungen der feuerfesten Bodenplatte in Zentimetern


Mindestabmesserungen feuerfeste Bodenplatte
V > H + 30 > 60
S > H + 20 > 40
Anlage 5: Diagnoseschema
| Problem | |||||
| ● | Holz brennt nicht durch | ||||
| ● | Liefert nicht ausreichend Wärme | ||||
| ● | Rauchrückschlag beim Nachfüllen | ||||
| ● | Gerät brennt zu stark, nicht gut regelbar | ||||
| Flammensanschlag an das Glas | |||||
| Mögliche Ursache Mögliche Lösung | |||||
| ● | ● | ● | ● Nicht ausreichender Zug | Ein kalter Schornstein führt zu unzureichendem Zug. Folgen Sie der Anleitung zum Anzüden im Kapitel, Verwendung"; öffnen Sie ein Fenster. | |
| ● | ● | ● | ● Holz zu feucht Verwenden Sie nur Holz mit max. 20% Feuchtigkeit. | ||
| ● | ● | ● | ● Holzstücke zu groß | Verwenden Sie keine Anzündeholzstücke. Verwenden Sie gespaltenes Holzmit maximal 30 cm Stückgröße. | |
| ● | ● | ● | ● | Holz nicht korrekt gestapelt | Stapeln Sie das Holz so, dass zwischen den Blöcken ausreichend Luft zirkulieren kann (lose Stapelung, vgl., „Heizen mit Holz"). |
| ● | ● | ● | ● Schornstein Funktioniert nicht korrekt | Prüfen Sie, ob der Schornstein die Voraussetzungen erfüllt: Mindestens 4 m hoch, richtiger Durchmesser, eine gute Isolierung, glatte Innenflächen, nicht zu weitere Biegungen, keine Hindernisse im Schornstein (etwa Vogelnest, Russablagerungen), hermetische Dichtigkeit (keine Spalten). | |
| ● | ● | ● | ● Mündungsöffnung des Schornsteins nicht korrekt | Ausrichende Höhe über der Dachfläche, keine Hindermisse in der Höhe. | |
| ● | ● | ● | ● | Einstellung der Luftinlassoeffnungen nicht korrekt | Öffnen Sie die Luftinlassoeffnungen vollständig |
| ● | ● | ● | ● Anschlussdes Geräts am Schornstein nicht korrekt | Der Anschluss mushermetisch dicht sein. | |
| ● | ● | ● | ● Unterdruck in dem Raum, in dem das Gerät aufgestellt ist | Schalten Sie Luftabzugssysteme aus. | |
| ● | ● | ● | ● Unzureichende Frischluftzufahr | Sorgen Sie für ausreichende Luftzufahr, verwenden Sie nötigenfalls einen Außenluftanschluss. | |
| ● | ● | ● | ● Ungünstige Wetterbedingungen? Inversionswetterlage (umgekehrter Luftstrom im Schornstein durch hohe Außentemperatur), extreme Windgeschwindigkeiten | Bei Inversionswetterlagen sollen den Sie das Gerät nicht verwenden. Setzen Sie, falls erforderlich, eine Zugklappe auf den Schornstein. Dies ist nur nach Rücksprache mit dem Schornsteinfeger möglich. | |
| ● | Zug im Wohnzimmer | Vermeiden Sie Zug im Wohnzimmer; stellen Sie das Gerät nicht in der Höhe einer Tur oder von Heizungsschäften auf. | |||
| Flammen schlagen an das Glas | Vermeiden Sie es, das Holzzu dicht an das Glas zu legen. Schieben Sie den primären Luftinlasswieder zu. | ||||
| ● | Gerät verliert Luft | Überprüfen Sie die Abdichtungen der Tur und die Fugen des Geräts. | |||
Index
A
Abdichtungsschnur der Tur.23.
Abgas
Massenfluss 24-25
Temperatur 5, 7
Abmessungen.29.
Abnehmen
Konvektionswärme.11..14.
Abschluss
Zierrahmen .16.
Abschlussplatte
Konvektionsraum .14
Achtung
Ventilation 9.
Versicherungsbedingungen 8
Anschluss
Abmessungen 29
Anstecken 18
Anthrazitkohlen 17
Anzündeholz 39
Anzündfeuer 18
Asche entfernen 21
Braunkohle .19
Aschenlade
öffnen 21
Außenluftzufuhr
Anschluss 14
B
Belüftung des Feuers 20
Böden
Brandsicherheit 10
Tragfähigkeit 10
Brandsicherheit
Abstand zu brennbarem Material. 38
Boden 10
Möbel 10
Wande 10
Brandstoff
fullen 19
Braunkohle
Asche 19
heizen 19
Braunkohlebriketts 17
Brennbares Material
Abstand zu.38
Brennstoff
Anthrazitkohle .17
Anthrazitkohlen 17
benöttige Menge 21
Braunkohle 17
Braunkohlebriketts 17
geeignet 17
Holz 17
nachfüllen 21
Nachfullen 21
ungeeigneter 17
C
Carbolineum 20
D
Dauernder Gebrauch 11
E
Entaschen 21
Entferen
Asche 21
F
Fegen des Schornsteins 21
Feuer
anzünden 18
loschen 21
Feuerfeste Innplatten
Warnung 17
Wartung 22
Finish, Pflege. 23
Flammleitplatte
Montage 22
Füllhöhe des Geräts 19
G
GeeigneterBrennstoff 17
Gewicht 24-25
Glas
Anschlag 39.
reinigen 22
Gusseisen
feuerfest 12
Innenplatten 12
H
Haube auf dem Schornstein 9
Heizen.19
Anthrazitkohle 19
Braunkohlebriketts .19
Brennstoff nachfullen 19,21
Brennstoff nachlegen.19.
Gerat brennt zu heftig 39
Gerat nicht gut regelbar.39.
nicht ausreichende Wärme 39
unzureichende Wärme.21
Holz 17
aufbewahren
brennt nicht durch
geeignete Sorte
nass
trocknen
Holzstücke stapeln 19
1
Innenplatten Gusseisen 12
K
Klappe Montage 22
Kohle Aschegehalt 18
Konvektion abnehmen 11, 14 externe Räume. 11, 14
Konvektionsraum Abschlussplatte 14
L
Lack 17
Lagerung von Holz 17
Lufteinlasse 18
Luftleck 23
Luftregelung 20
Luftzufuhr regeln 20
M
Mauern Brandsicherheit 10
N
Nachfullen 21
Anthrazitkohlen 21
Nachfullen von Brennstoff 21
Rauchruckslag 39
Nachlegen 21
Braunkohlebriketts .21
Nadelholz 17
Nasses Holz. 17
Nebel, nicht heizen 21
Nennleistung 24-25
Nominale Leistung 21
0
Ofenscheibenreiniger 22
0
Öffnen Aschenlade 21
P
Platzieren Abmessungen 29
Primärer Lufteinlass 18
Probleme losen 21,39
R
Rahmen Montieren 16
Rauch bei erster Inbetriebnahme 17
Rauchruckschlag 8,39
Regelung der Verbrennungsluft 20
Scharnier einstellen 23
Scheiben Anschlag 39 reinigen 22
Schmieren 23
Schmierfett 23

Schornstein
Anschluss 14.
Anschlussdurchmesser 24-25
Bedingungen.9
Hohe 9
Wartung .21
Schornsteinbrand vermeiden.20
Schornsteinhaube.9
Schwenkrichtung
Ändern .11
Sekundärer Lufteinlass.18.
Staubemission .24-25
T
Teer 20.
Temperatur.24-25
Temperaturanstieg
Messabschnitt 24-25
Teppich 10
Tragfähigkeit von Boden 10
Trocknen von Holz 17
Tur
Abdichtungsschnur 23
nachstellen
Tur
schlieben 23
Schwenkrichtung andern. 11
U
UngeeigneterBrennstoff. 17
V
Ventilation 9
Faustregel 9
Ventilationsgitter 9
Ventilator
elektrisch 11
thermostatisch 11
Verlöschen des Feuers.21
W
Wande
Brandsicherheit 10
Wärme, unzureichende 21, 39

Warnung
brennbare Materialien. 8
feuerfeste Innenplatten 17
Glas gebrochen oder gesprungen 8,23
heiBe Oberflache 8
Ofenscheibenreiniger 23
Schornsteinbrand 8,17,20
Ventilation 8
Vorschriften 8
Wartung
Abdichtung 23
Feuerfeste Innenplatten 22
Gerat reinigen 22
Glas reinigen 22
Schmieren 23
Schornstein 21
Wetterbedingungen, nicht heizen 21
Wirkungsgrad 5,7,24-25
Z
Zierrahmen
Montieren 16
Zug 24-25
Índice
Introduccion 3
EinfachAnleitung