VITODENS 333-F - Chaudière à condensation VIESSMANN - Notice d'utilisation et mode d'emploi gratuit
Retrouvez gratuitement la notice de l'appareil VITODENS 333-F VIESSMANN au format PDF.
| Intitulé | Valeur / Description |
|---|---|
| Type de produit | Chaudière à gaz à condensation |
| Puissance nominale | De 4 à 32 kW |
| Rendement énergétique | Jusqu'à 98 % |
| Alimentation électrique | 230 V |
| Dimensions (HxLxP) | 700 x 400 x 350 mm |
| Poids | Environ 38 kg |
| Type de gaz | Gaz naturel ou GPL |
| Compatibilités | Compatible avec les systèmes de chauffage central et les chauffe-eau |
| Fonctions principales | Chauffage, production d'eau chaude sanitaire |
| Entretien et nettoyage | Entretien annuel recommandé, nettoyage des filtres et vérification des composants |
| Pièces détachées et réparabilité | Disponibilité des pièces détachées, facilité d'accès pour les réparations |
| Sécurité | Équipée de dispositifs de sécurité intégrés (détecteur de flamme, protection contre la surchauffe) |
| Informations générales | Garantie de 2 ans, certifications CE et NF |
FOIRE AUX QUESTIONS - VITODENS 333-F VIESSMANN
Questions des utilisateurs sur VITODENS 333-F VIESSMANN
Si votre chaudière à condensation VIESSMANN VITODENS 333-F continue de chauffer vos radiateurs alors que le thermostat est réglé au minimum, plusieurs causes peuvent expliquer ce comportement :
1. Thermostat défectueux ou mal calibré
Le thermostat peut ne pas détecter correctement la température ambiante ou ne pas envoyer les bonnes consignes à la chaudière. Un dysfonctionnement ou un mauvais calibrage peut entraîner un fonctionnement continu de la chaudière.
2. Problèmes de câblage ou de communication
Un câblage incorrect ou endommagé entre le thermostat et la chaudière peut empêcher la transmission des ordres d'arrêt. Vérifiez que les connexions sont intactes et conformes aux spécifications.
3. Réglages ou modes spécifiques de la chaudière
Certains modes de fonctionnement (comme un mode confort ou antigel) peuvent amener la chaudière à chauffer indépendamment du thermostat. Vérifiez que la chaudière n'est pas configurée pour maintenir une température minimale ou un cycle de chauffe automatique.
4. Fonctionnement du circulateur
Si la pompe de circulation tourne en continu, elle peut faire circuler l'eau chaude dans les radiateurs même si la chaudière ne chauffe pas activement. Cela peut donner l'impression que les radiateurs sont chauffés en permanence.
5. Température ambiante inférieure aux seuils
Si la température réelle est très basse, la chaudière peut se mettre en marche pour atteindre la température minimale programmée, même si le thermostat est au minimum.
Pour résoudre ce problème, il est conseillé de vérifier le thermostat, les branchements électriques, et les réglages de la chaudière. Si le problème persiste, un technicien qualifié pourra effectuer un diagnostic plus approfondi.
Le réarmement de votre chaudière à condensation VIESSMANN VITODENS 333-F est une opération nécessaire après un arrêt de sécurité, souvent déclenché par un problème technique ou une anomalie détectée par la chaudière.
Étapes pour réarmer votre chaudière VIESSMANN VITODENS 333-F :
- Identifier la cause de l'arrêt : Consultez l'écran d'affichage de la chaudière pour relever un éventuel code d'erreur ou message indiquant la raison du blocage.
- Vérifier les conditions de fonctionnement :
- Assurez-vous que la pression d'eau dans le circuit est correcte (généralement entre 1 et 2 bars).
- Vérifiez que l'alimentation électrique est stable et que les fusibles ne sont pas grillés.
- Contrôlez que les radiateurs sont purgés si nécessaire.
- Effectuer le réarmement :
- Localisez le bouton de réarmement sur le panneau de commande de la chaudière. Ce bouton est souvent identifiable par un symbole spécifique ou une étiquette "Reset".
- Appuyez sur ce bouton et maintenez-le enfoncé pendant quelques secondes (environ 5 secondes) jusqu'à ce que la chaudière redémarre.
- Surveiller le fonctionnement : Après le réarmement, observez le fonctionnement de la chaudière pour vous assurer qu'elle fonctionne normalement et qu'aucun nouveau message d'erreur n'apparaît.
Important : Ne réarmez pas la chaudière de manière répétée sans avoir identifié et corrigé la cause du problème, car cela pourrait endommager l'appareil ou compromettre la sécurité.
Si vous ne parvenez plus à remplir le circuit de chauffage de votre chaudière à condensation VIESSMANN VITODENS 333-F, suivez ces étapes précises pour résoudre ce problème :
1. Vérifier la pression du circuit
Regardez le manomètre situé sur le panneau de commande de la chaudière. La pression idéale à froid se situe généralement entre 1 et 2 bars. Si la pression est inférieure à 1 bar, le circuit doit être rempli.
2. Localiser et ouvrir le robinet de remplissage
Le robinet de remplissage se trouve généralement sous la chaudière. Il peut être un robinet à levier ou à vis. Ouvrez-le lentement pour laisser l'eau entrer dans le circuit.
3. Surveiller la pression pendant le remplissage
Regardez le manomètre pendant que vous ouvrez le robinet. Lorsque la pression atteint environ 1,5 bar, fermez le robinet pour éviter une surpression.
4. Vérifier l'absence de fuites
Après avoir rempli le circuit, inspectez soigneusement tous les tuyaux et raccords visibles pour détecter toute fuite éventuelle.
5. Redémarrer la chaudière
Une fois le circuit rempli et sans fuite apparente, rallumez la chaudière et vérifiez que le système fonctionne normalement.
En cas de difficulté persistante
- Si vous ne parvenez toujours pas à remplir le circuit ou si la pression ne se stabilise pas, il est possible que le robinet de remplissage soit défectueux ou qu'il y ait une autre cause technique.
- Dans ce cas, il est recommandé de contacter un professionnel qualifié pour diagnostiquer et réparer votre chaudière afin d'éviter tout dommage.
Téléchargez la notice de votre Chaudière à condensation au format PDF gratuitement ! Retrouvez votre notice VITODENS 333-F - VIESSMANN et reprennez votre appareil électronique en main. Sur cette page sont publiés tous les documents nécessaires à l'utilisation de votre appareil VITODENS 333-F de la marque VIESSMANN.
MODE D'EMPLOI VITODENS 333-F VIESSMANN
Réf. et prix : voir tarif


VITODENS 333-F type WS3C et WR3C
Chaudiere gaz compacte à condensation,
avec bruleur gaz MatriX modulant,
pour fonctionnement avec une cheminée et avec une ventouse.
Type WS3C :
Avec réservoir de stockage intégré d'une capacité de
86 litres et système de charge
Type WR3C :
Avec ballon d'eau chaude sanitaire intégré, à serpentin
intérieur, d'une capacité de 130 litres.
Pour gaz naturel et propane
Vitodens 333-F, type WS3C
La chaudière compacte Vitodens 333-F réunit les avantages de la chaudière à condensation Vitodens 300-W et leurs d'un réservoir de stockage ECS à système de charge performant de 86 litres. Une technique de chauffage novatrice, avec un échangeur de chaleur Inox-Radial et un brûleur gaz MatriX, et la conception modulaire compacte garantissant un comfort eau chaude généralement réservé aux ballons d'eau chaude deux fois plus gros. Les cotes de la Vitodens 333-F sont adaptées aux dimensions courantes des équipements de cuisine et des mobiliers, ce qui autorise une parfaite intégration dans le logement. Sa hauteur de moins de
140 cm lui permet en outre de prendre facilement place sous une pente de toit ou dans un renforcement.
Tous les branchements nécessaires à l'installation électrique sont facies d'accès et les composants hydrauliques forment une unité pré-montée complète. L'installation de la Vitodens 333-F est donc extrémement rapide. La régulation Vitotronic est placée en hauteur, ce qui facilitite non seulement l'utilisation, mais également la maintenance et l'entretien.
La Vitodens 333-F utilise la technique de condensation, novatrice et d'avir.
Le comport eau chaude offert est excellent car, grâce à la fonction booster intégrée, la Vitodens 333-F de 13 kW fournit à cet effet 16 kW.
La nouvelle régulation intelligente de la combustion Lambda Pro Control, l'excellent brûleur gaz MatriX et la surface d'échange Inox-Radial assurent une efficacité énergétique elevée et un comport de chauffage durable.
La nouvelle régulation Lambda Pro Control remplace le combiné de gaz pneumatique classique. Ainsi, le réglage à l'aide de diaphragmes au moment de l'installation disparaît, de même que les travaux de réglage jusqu'àlors nécessaires en cas de changement de type de gaz.
La Lambda Pro Control assures un réglage continu de la flamme, pour une qualité de combustion durablement stable et des performances élevées et constantes, même avec différentes qualités de gaz.
Le brûleur gaz MatriX garantit un fonctionnement respectieux de l'environnement, avec des émissions polluantes minimes. Associé à l'échangeur de chaleur en acier inoxydable et au réservoir de charge eau chaude sanitaire intégré, il permet en outre de dispose à tout moment d'eau chaude à la température souhaitée, avec une température constante même en quantités importantes. Une régulation électronique de la charge assure l'exploitation de la condensation tout au long de la durée de vie.
Vitodens 333-F, type WR3C
La chaudière compacte Vitodens 333-F réunit les avantages de la chaudière à condensation Vitodens 300-W et leurs d'un puissant ballon d'eau chaude sanitaire de 130 litres. Une technique de chauffage novatrice, avec un échangeur de chaleur Inox-Radial et un brûleur gaz MatriX, et la conception modulaire compacte garantissant un comfort eau chaude élevé.
Les cotes de la Vitodens 333-F sont adaptées aux dimensions courantes des équipements de cuisine et des mobiliers, ce qui autorise une parfaite intégration dans le logement.
Tous les branchements nécessaires à l'installation électrique sont facies d'accès et les composants hydrauliques forment une unité pré-montée complète. L'installation de la Vitodens 333-F est donc extrémement rapide. La régulation Vitotronic est placée en hauteur, ce qui facilitite non seulement l'utilisation, mais également la maintenance et l'entretien.
La Vitodens 333-F utilise la technique de condensation, novatrice et d'avir.
La nouvelle régulation intelligente de la combustion Lambda Pro Control, l'excellent brûleur gaz MatriX et la surface d'échange Inox-Radial assurent une efficacité énergétique elevée et un comport de chauffage durable.
La nouvelle régulation Lambda Pro Control remplace le combiné de gaz pneumatique classique. Ainsi, le réglage à l'aide de diaphragmes au moment de l'installation disparaît, de même que les travaux de réglage jusqu'àlors nécessaires en cas de changement de type de gaz.
La Lambda Pro Control assures un réglage continu de la flamme, pour une qualité de combustion durablement stable et des performances élevées et constantes, même avec différentes qualités de gaz.
Le brûleur gaz MatriX garantit un fonctionnement respectieux de l'environnement, avec des émissions polluantes minimes.
Les points forts
-
Chaudière gaz compacte à condensation - prémontée.
Rendement global annuel : 98 % (sur PCS)/109 % (sur PCI) maxi.
Vaste plage de modulation de 1:5, fréquence de cycle réduite même avec une faible demande de chaleur
Echangeur de chaleur Inox-Radial en acier inoxydable -
Surfaces en acier inoxydable lisses à effet auto-nettoyant
-
Grande résistance à la corrosion grâce à l'utilisation d'acid inoxydable 316 TI de qualité élevé
Brûleur gaz MatriX : fiabilité elevée et émissions polluantes réduites
Régulation de la combustion Lambda Pro Control -
Pas de changement de giclaur en cas de changement du type de gaz
- Rendement élevé et constant même en cas de variation de la composition du gaz et de la pression d'air
Emissions polluantes constamment faibles - Faible bruit de combustion grâce à la vitesse réduite du venti-lateur
La pompe à courant continu intégrée, à asservissement de vitesse, réduit la consommation de courant de plus de 50 %
SMART: message d'entretien préventif : grande disponibilité de la chaudière, possibilité de planifier l'entretien
- Variante pour les régions à eau dure avec un ballon à serpentin tubulaire

Vitodens 333-F, type WS3C
Surfaces d'échange Inox-Radial en acier inoxydable austénitique pour une fiabilité élevée alliée à une grande longévité et une puissance calorifique importante et ce, dans un volume réduit
(B) Brûleur gaz modulant MatriX pour des émissions polluantes extrément basses
Régulation numérique de chaudiere
Vase d'expansion à membrane intégré
E Pompe à courant continu intégrée, à asservissement de vitesse et haute efficacité
F Réservoir de charge eau chaude sanitaire

Vitodens 333-F, type WR3C
Surfaces d'échange Inox-Radial en acier inoxydable austénitique pour une fiabilité élevée alliée à une grande longévité et une puissance calorifique importante et ce, dans un volume réduit
(B) Brûleur gaz modulant MatriX pour des émissions polluantes extrément basses
Régulation numérique de chaudière
Vase d'expansion à membrane intégré
E Pompe à courant continu intégrée, à asservissement de vitesse et haute efficacité
F Ballon d'eau chaude sanitaire à serpentin interieur
Vitodens 333-F, type WS3C
| Chaudière gaz, type B et C, catégorie II2Esi3P | ||||
| Plage de puissance nominale*1 | ||||
| T_D/T_R = 50/30 °C | kW | 3,8-13,0 | 3,8-19,0 | 5,2-26,0 |
| T_D/T_R = 80/60 °C | kW | 3,5-11,8 | 3,5-17,2 | 4,7-23,7 |
| Puisance nominale en production d'eau chaude sanitaire | kW | 3,5-16,0 | 3,5-17,2 | 4,7-23,7 |
| Débit calorifique nominal | kW | 3,6-16,7 | 3,6-17,9 | 4,9-24,7 |
| Pertes à l'arrêt à ΔT = 30K | kW | 59 | 77 | 105 |
| Numéro CE du produit | CE-0085 BR 0433 | |||
| Indice de protection | IP X4D conformément à EN 60529 | |||
| Classe de Nox | 5 | 5 | 5 | |
| Puisance acoustique | dB(A) | <45 | <45 | <45 |
| Pression d'alimentation gaz | ||||
| Gaz naturel | mbar | 20/25 | 20/25 | 20/25 |
| Propane | mbar | 37 | 37 | 37 |
| Pression d'alimentation gaz maxi. admissible*2 | ||||
| Gaz naturel | mbar | 30 | 30 | 30 |
| Propane | mbar | 57,5 | 57,5 | 57,5 |
| Puisance électr. absorbéeen état de livraison | W | 96 | 100 | 115 |
| (en compris pompe de charge) | ||||
| Puisance électrique auxiliaire (à pleine charge) | W | 33 | 34 | 39 |
| Puisance électrique auxiliaire (à 30% de charge) | W | 15 | 16 | 17 |
| Puisance électrique pompe (à pleine de charge) | W | 24 | 27 | 37 |
| Puisance électrique pompe (à 30% de charge) | W | 13 | 13 | 13 |
| Puisance électrique pompe de charge ECS | W | 39 | 39 | 39 |
| Poids | kg | 125 | 125 | 130 |
| Capacité de l'échangeur de chaleur | litres | 4,0 | 4,0 | 5,0 |
| Débit volumique maxi.(au-delà un découplage hydraulique est nécessaire) | litres/h | 1000 | 1200 | 1400 |
| Débit d'eau d'irrigation nominalavec T_D/T_R = 80/60 °C | litres/h | 507 | 740 | 1019 |
| Vase d'expansion à membrane | ||||
| Capacité | litres | 12 | 12 | 12 |
| Pression de gonflage | bars | 0,75 | 0,75 | 0,75 |
| Pression de service maximale admissible | bars | 3 | 3 | 3 |
| Raccordements | ||||
| Départ et return chaudière | G (fil. fem.) | ¾ | ¾ | ¾ |
| Eau froide et eau chaude | G (fil. fem.) | ¾ | ¾ | ¾ |
| Bouclage | G (fil. mâle) | 1 | 1 | 1 |
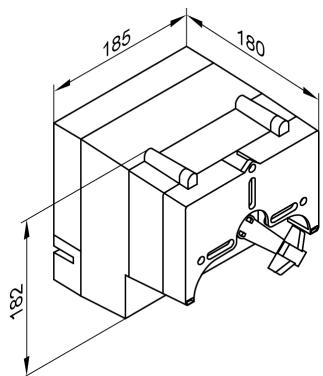
| Dimensions | ||||
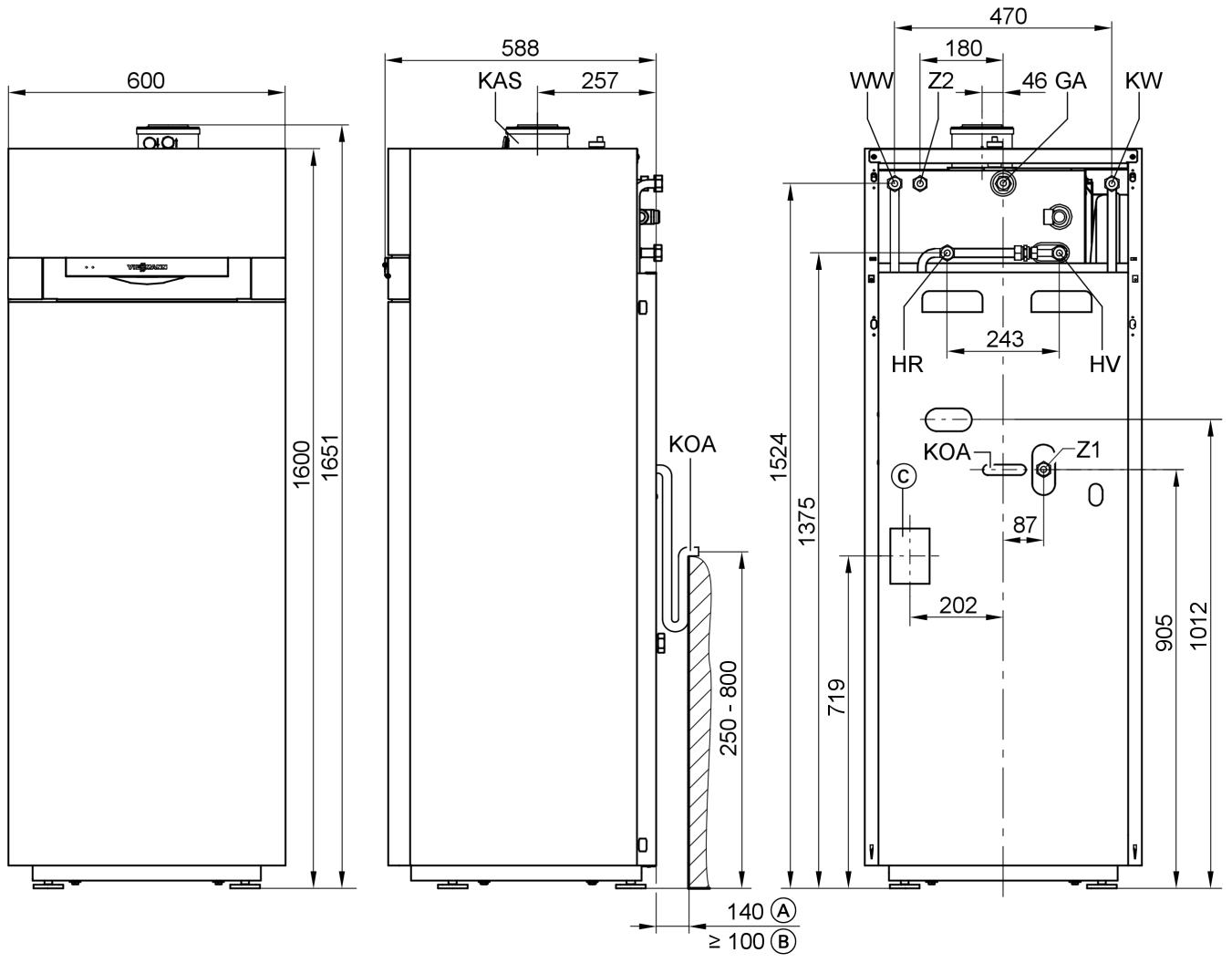
| Profondeur | mm | 588 | 588 | 588 |
| Largeur | mm | 600 | 600 | 600 |
| Hauteur | mm | 1387 | 1387 | 1387 |
| Raccordement gaz | G (fil. fem.) | ¾ | ¾ | ¾ |
| Réserveur de stockage eau chaude sanitaire | ||||
| Capacité | litres | 86 | 86 | 86 |
| Pression de service maxi. admissible (côté eauchaude sanitaire) | bars | 10 | 10 | 10 |
| Débit continu eau chaude sanitaire | kW | 16 | 17,4 | 24 |
| pour une production d'eau chaude de 10 à 40 °C*3 | litres/h | 458 | 498 | 688 |
| Soutirage à ΔT = 30K | I/10 mn | 202 | 212 | 221 |
^1 Indications selon EN 677.
^2 Si la pression d'alimentation gaz est supérieure à la pression d'alimentation gaz maxi. admissible, un régulateur de la pression de gaz indépendant devra être installé en amont.
^3 Avec une température d'eau de chaudière moyenne de 70^ et une température de stockage eau sanitaire Tsp = 60 °C.
éristiques techniques (suite)
| Chaudière gaz, type B et C, catégorie II2Esi3P | ||||
| Plage de puissance nominale*1 | ||||
| T_D/T_R = 50/30 °C | kW | 3,8-13,0 | 3,8-19,0 | 5,2-26,0 |
| T_D/T_R = 80/60 °C | kW | 3,5-11,8 | 3,5-17,2 | 4,7-23,7 |
| Débits de gaz | ||||
| rapportés à la charge maximale | ||||
| avec gaz | ||||
| gaz naturel Es (H) | m3/h | 1,77 | 1,89 | 2,61 |
| gaz naturel Ei (L) | m3/h | 2,05 | 2,20 | 3,04 |
| propane | kg/h | 1,31 | 1,40 | 1,93 |
| Paramètres fumées*2 | ||||
| Groupe de paramètres fumées selon G 635/G 636 | G52/G51 | G52/G51 | G52/G51 | |
| Température (à une température de retard de 30 °C) | ||||
| - à puissance nominale | °C | 45 | 45 | 45 |
| - à charge partielle | °C | 35 | 35 | 35 |
| Température (à une température de retard de 60 °C) | °C | 68 | 68 | 70 |
| Débit massique | ||||
| - avec du gaz naturel | ||||
| - à la puissance nominale | kg/h | 29,1 | 33,3 | 47,3 |
| - à charge partielle | kg/h | 8,4 | 8,4 | 11,8 |
| - avec du propane | ||||
| - à la puissance nominale | kg/h | 28,6 | 32,5 | 48,4 |
| - à charge partielle | kg/h | 8,2 | 8,2 | 11,5 |
| Tirage disponible | Pa | 100 | 100 | 100 |
| mbar | 1,0 | 1,0 | 1,0 | |
| Rendement (sur PCI) | ||||
| - à la puissance nominale (100%) | % | 96,4 | 96,8 | 98,7 |
| - en charge partielle (30%) | % | 107,6 | 107,8 | 108,1 |
| Rendement global annuel pour T_D/T_R = 40/30 °C | ||||
| Quantité de condensats moyenne | ||||
| avec gaz naturel et T_D/T_R = 50/30 °C | litres/jour | 9-11 | 10-12 | 11-13 |
| Raccord condensats (raccord pour flexible) | Ø mm | 20-24 | 20-24 | 20-24 |
| Raccordement d'évacuation des fumées | Ø mm | 60 | 60 | 80 |
| Arrivée d'air | Ø mm | 100 | 100 | 125 |
Dégagement mural avec ensemble de raccordement (accessaire)
Dégagement mural avec raccord non fourni
Ouvertures pour les cables d'alimentation electrique
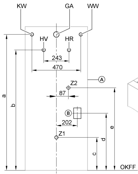
GA Raccordement gaz
HR Retour chauffage
HV Départchauffage
| Plage de puissance nominale | kW | 4,2-13 | 4,8-19 | 6,6-26 |
| a | mm | 227 | 227 | 257 |
KAS Pièce de raccordement à la chaudière
KOA Evacuation des condensats
KW Eau froide
WW Eau chaude
Z1 Bouclage (non fourni)
Z2 Bouclage avec ensemble de raccordement pompe de boudlage ECS (accessoire)
Vitodens 333-F, type WR3C
| Chaudière gaz, type B et C, catégorie II2Esi3P | ||
| Plage de puissance nominale*1 | ||
| T_D/T_R = 50/30 °C | kW | 5,2-26,0 |
| T_D/T_R = 80/60 °C | kW | 4,7-23,7 |
| Débit calorifique nominal | kW | 4,9-24,7 |
| Pertes à l'arrêt à ΔT = 30K | W | 92 |
| Numéro CE du produit | CE-0085 BR 0433 | |
| Indice de protection | IP X4D conformément à EN 60529 | |
^1 Indications selon EN 677.
2Valeurs de calcul pour le dimensionnement du conduit d'évacuation des fumées selon EN 13384.
Les températures de fumées brutes sont mesurées à une température d'air de combustion de 20^
La température des fumées à une température de retard de 30^ est un critère important pour le dimensionnement du conduit d'évacauration des fumées.
La température des fumées pour une température de return de 60^ sort de valeur de reference pour l'utilisation de conduits d'évacuation des fumées ayant des températures de service maximales limitées.
| Chaudière gaz, type B et C, catégorie II2Esi3P | ||
| Plage de puissance nominale*1 | ||
| T_D/T_R = 50/30 °C | kW | 5,2-26,0 |
| T_D/T_R = 80/60 °C | kW | 4,7-23,7 |
| Classe de Nox | 5 | |
| Puisance acoustique | dB(A) | <45 |
| Pression d'alimentation gaz | ||
| Gaz naturel | mbar | 20/25 |
| Propane | mbar | 37 |
| Pression d'alimentation gaz maxi. admissible*2 | ||
| Gaz naturel | mbar | 30 |
| Propane | mbar | 57,5 |
| Puisance électricque absorbée en état de livraison (y compris pompe de charge) | W | 76 |
| Puisance électricque auxiliaire (à pleine charge) | W | 39 |
| Puisance électricque auxiliaire (à 30% de charge) | W | 17 |
| Puisance électricque pompé (à pleine de charge) | W | 37 |
| Puisance électricque pompé (à 30% de charge) | W | 13 |
| Poids | kg | 147 |
| Capacité de l'échangeur de chaleur | litres | 5,0 |
| Débit volumique maxi. (au-delà un découvert hydraulique est nécessaire) | litres/h | 1400 |
| Débit d'eau d'irrigation nominal avec T_D/T_R = 80/60 °C | litres/h | 1019 |
| Vase d'expansion à membrane | ||
| Capacité | litres | 12 |
| Pression de gonflage | bars | 0,75 |
| Pression de service maximale admissible | bars | 3 |
| Raccordements | ||
| Départ et return chaudière | G (fil. fem.) | ¾ |
| Eau froide et eau chaude | G (fil. fem.) | ¾ |
| Bouclage | G (fil. môle) | ¾ |
| Dimensions | ||
| Profondeur | mm | 588 |
| Largeur | mm | 600 |
| Hauteur | mm | 1600 |
| Raccordement gaz | G (fil. fem.) | ¾ |
| Ballon d'eau chaude sanitaire | ||
| Capacité | litres | 130 |
| Pression de service maxi. admissible (côté eau chaude sanitaire) | bars | 10 |
| Débit continu eau chaude sanitaire | kW | 24 |
| pour une production d'eau chaude de 10 à 40 °C*3 | litres/h | 679 |
| Soutirage à ΔT = 30K | litres/10 mn | 202 |
| Puisances raccordées | ||
| rapportées à la charge maximale | ||
| avec gaz | ||
| gaz naturel Es (H) | m³/h | 2,61 |
| gaz naturel Ei (L) | m³/h | 3,04 |
| propane | kg/h | 1,93 |
éristiques techniques (suite)
| Chaudière gaz, type B et C, catégorie II2Esi3P | ||
| Plage de puissance nominale*1 | ||
| T_D/T_R = 50/30 °C | kW | 5,2-26,0 |
| T_D/T_R = 80/60 °C | kW | 4,7-23,7 |
| Paramétres fumées*2 | ||
| Groupe de paramétres fumées selon G 635/G 636 | G52/G51 | |
| Température (à une température de retard de 30 °C) | ||
| - à puissance nominale | °C | 45 |
| - à charge partielle | °C | 35 |
| Température (à une température de retard de 60 °C) | °C | 70 |
| Débit massique | ||
| - avec du gaz naturel | ||
| - à la puissance nominale | kg/h | 47,3 |
| - à charge partielle | kg/h | 11,8 |
| - avec du propane | ||
| - à la puissance nominale | kg/h | 48,4 |
| - à charge partielle | kg/h | 11,5 |
| Tirage disponible | Pa | 100 |
| mbar | 1,0 | |
| Rendement (sur PCI) | ||
| - à la puissance nominale (100%) | % | 96,0 |
| - en charge partielle (30%) | % | 109,0 |
| Rendement global annuel pour T_D/T_R = 40/30 °C | % | 98 (sur PCS)/109 (sur PCI) maxi. |
| Quantité de condensats moyenne | ||
| avec gaz naturel et T_D/T_R = 50/30 °C | litres/jour | 11-13 |
| Raccord condensats (raccord pour flexible) | Ø mm | 20-24 |
| Raccordement d'évacuation des fumées | Ø mm | 80 |
| Arrivée d'air | Ø mm | 125 |
^*1 Indications selon EN 677.
^22 Valeurs de calcul pour le dimensionnement du conduit d'évacuation des fumées selon EN 13384.
Les températures de fumées brutes sont mesurées à une température d'air de combustion de 20^
La température des fumées à une température de retard de 30^ est un critère important pour le dimensionnement du conduit d'évacuation des fumées.
La température des fumées pour une température de return de 60^ sort de valeur de reference pour l'utilisation de conduits d'évacuation des fumées ayant des températures de service maximales limitées.

Dégagement mural avec ensemble de raccordement (accessaire)
B Dégagement mural avec raccord non fourni
Ouvertures pour les cables d'alimentation electrique
GA Raccordement gaz
HR Retour chauffage
HV Départchauffage
KAS Pièce de raccordement à la chaudière
KOA Evacuation des condensats
KW Eau froide
WW Eau chaude
Z1 Ouverture pour la conduite de bouclage (non fournie)
Z2 Bouclage avec ensemble de raccordement pompe de bou-clage ECS (accessoire)
Pompe de circuit de chauffage à asservissement de vitesse
La pompe de charge intégrée est une pompe à courant continu, à haute efficacité, consommant sensiblement moins de courant qu'une pompe conventionnelle.
La vitesse de la pompe, donc le débit, est régulée en fonction de la température extérieure et des heures d'inversion pour le mode chauffage et la marche réduite. La régulation transmet les consignes de vitesse à la pompe de charge via un bus de données interne.
Une adaptation à l'installation de chauffage de la vitesse mini. et maxi. de même que de la vitesse en marche réduite peut être effectuee à l'aide des codages sur la regulation.
A l'etat de livraison, le débit minimal (adresse de codage "E7") est réglé sur 30% . Le débit maximal (adresse de codage "E6") est réglé sur les valeurs suivantes:
| Plage de puissance nominale en kW | Asservissement de vitesse en état de livrai-son en % |
| 3,8-13 | 50 |
| 3,8-19 | 55 |
| 5,2-26 | 65 |
Pompe de charge UPM-15
| Tension nominale Puisance électricabossorée | V~W | maxi. | 23070 |
| mini.en état de livraison | 6 | ||
| - 3,8-13 kW | 38 | ||
| - 3,8-19 kW | 40 | ||
| - 5,2-26 kW | 53 |
Hauteurs manometriques résiduelles de la pompe de charge intégrée
Vitodens 333-F, 3,8-19 kW

Limitesupérieurede laplagedetravail
| Courbe | Débit de la pompe de charge | Réglage adr. de codage "E6" |
| A | 30 % | E6:030 |
| B | 40 % | E6:040 |
| C | 50 % | E6:050 |
| D | 60 % | E6:060 |
| E | 70 % | E6:070 |
Vitodens 333-F, 5,2-26 kW

Limitesupérieurede laplagedetravail
| Courbe | Débit de la pompe de charge | Réglage adr. de codage "E6" |
| A | 30 % | E6:030 |
| B | 40 % | E6:040 |
| C | 50 % | E6:050 |
| D | 60 % | E6:060 |
| E | 70 % | E6:070 |
| F | 80 % | E6:080 |
| G | 90 % | E6:090 |
| H | 100 % | E6:100 |
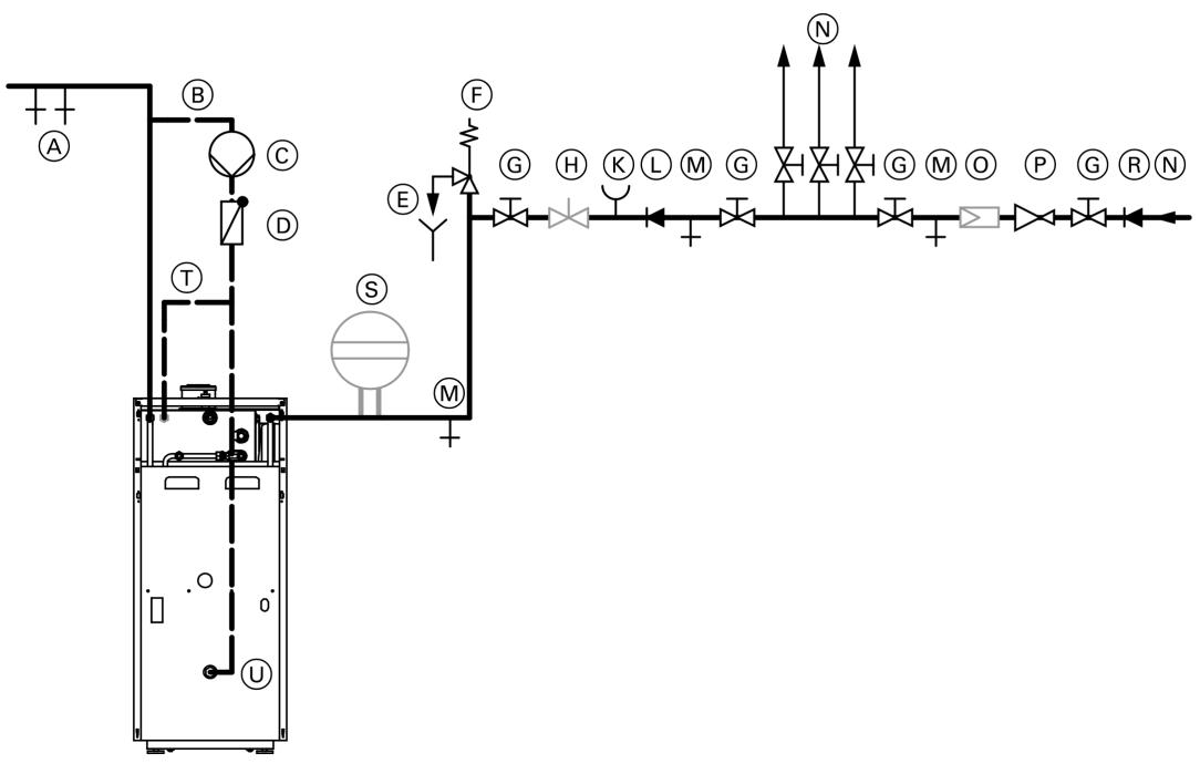
Montage dans le gros oeuvre
Dégagements pour les travaux d'entretien
Laisser un dégagement de 700 mm à l'avant de la Vitodens pour les travaux d'entretien. Aucun dégagement n'est nécessaire à gauche et à droite de la Vitodens pour les travaux d'entretien.
Travaux préparatoires à l'installation dans le gros oeuvre avec l'ensemble de raccordement Réf. 7266 345
Pour le raccordement côte gaz, chauffage et eau chaude sanitaire des conduites non fournies par le bas.
Comprenant :
2 vannes à bille (G 3/4) avec purgeur pour départ et return chauffage
Vanne d'alimentation gaz R ½ avec vanne d'arrêt de sécurité thermique intégrée
Robinet de remplissage
■ Console murale
Conduites de raccordement flexibles pour eau primaire, eau chaude sanitaire et gaz


A Ensemble de raccordement
8 Vitodens (dimensions extérieures)
Zone destinée aux cables d'alimentation électrique Faire dépasser les cables du mur d'env. 2000 mm
Groupe de sécurité
DN 15, accessoire séparé
E Raccord bouclage en cas d'ensemble de raccordement pompe de bouclage ECS (accessoire séparé)
GA Raccordement gaz G 3 / 4
HR Retour chauffage G 3/4
HV Départchauffage G34
KW Eau froide G %
OKFF Niveau zéro du plancher fini
WW Eau chaude G 3 / 4
Z1 Type WS3C: Bouclage G 1 (sans ensemble de raccordement pompe de bouclage ECS)
Z2 Type WR3C: Ouverture pour le raccord bouclage (non fourni)
Z3 Bouclage G (avec ensemble de raccordement pompe de bouclage ECS)
| Type | a mm | b mm | c mm | d mm |
| WS3C | 317 | 551 | - | 990 |
| WR3C | - | 719 | 905 | 1203 |
Travaux préparatoires à l'installation dans le gros oeuvre avec l'ensemble de raccordement Réf. 7199 506
Pour le raccordement côte gaz, chauffage et eau chaude sanitaire des conduites non fournies par le haut ou le bas.
Comprenant :
2 vannes à bille (G 3/4) avec purgeur pour départ et return chaufpage
Vanne d'alimentation gaz R 1 / 2 avec vanne d'arrêt de sécurité thermique intégrée
Robinet de remplissage
2 raccords G 3 / 4 sur R 1 / 2 eau froide et eau chaude


Vitodens (dimensions extérieures)
Zone destinée aux câbles d'alimentation électrique.
Faire dépasser les câbles du mur d'env. 2000 mm.
C Ensemble de raccordement
GA Raccordement gaz R 1 / 2
HR Retour chauffage G 3/4
HV Départchauffage G34
KW Eau froide G %
OKFF Niveau zéro du plancher fini
WW Eau chaude G 3 / 4
Z1 Type WS3C: Bouclage G 1 (non fourni)
Z2 Type WR3C: Ouverture pour le raccord bouclage (non fourni)
| Type | a mm | b mm | c mm | d mm | e mm |
| WS3C | 1311 | 1162 | 317 | 558 | - |
| WR3C | 1524 | 1375 | - | 719 | 905 |

A Vitodens
Zone destinée aux cables d'alimentation électrique.
Faire dépasser les cables du mur d'env. 2000 mm.
GA Raccordement gaz G 3 / 4
HR Retour chauffage G 3 / 4
HV Départchauffage G%
KOA Evacuation des condensats
KW Eau froide G 3 / 4
OKFF Niveau zéro du plancher fini
WW Eau chaude G 3 / 4
Z1 Type WS3C: Bouclage G 1 (sans ensemble de raccordement pompé de bouclage ECS)
Z2 Type WR3C: Ouverture pour le raccord bouclage (non fourni)
Z3 Bouclage G (avec ensemble de raccordement pompe de bouclage ECS)
| Type | a mm | b mm | c mm | d mm | e mm | f mm | g mm | h mm | k mm |
| WS3C | 1387 | - | 300 | 317 | 558 | 250-600 | - | 1162 | 1311 |
| WR3C | 1600 | 387 | - | - | 724 | 250-800 | 905 | 1375 | 1524 |
Groupe de sécurité
Réf 7180 386 (10 bars)
Ne pas utiliser en association avec un vase d'expansion eau chaude sanitaire (Réf. 7266 363).

Comprenant :
Vanne d'arrêt
- Clapet anti-retour et manchon de contrôle
Manchon de raccordement pour manometre
Soupape de sécurité à membrane
Socle de chaudière
Réf. 7170 916

Ouverture prédécoupée
Réglable en hauteur, pour chapes de 10 à 18 cm
- pour l'installation de la Vitodens 333-F sur la dalle brute
- avec ouverture prédécouée pour le passage des conduites non fournies
Raccordementélectrique
Raccordement electrique
Lors de travaux d'alimentation électrique, les conditions de raccordement du fournisseur d'énergie local et la réglementation en vigueur doivent être respectés.
La ligne d'alimentation doit être protégée par des fusibles de maxi.
16 A.
L'alimentation électrique (230 V~/50 Hz) doit s'effectuer par l'intérmédiaire d'un raccordement fixe.
Le raccordement des câbles d'alimentation et des accessoires s'effectue aux bornes de raccordement de l'appareil.
Faire dépasser les câbles du mur de 2000 mm dans la zone (voir la fig. de la page 14).
Alimentation électrique des accessoires
L'alimentation électrique des accessoires peut s'effectuer directement sur la régulation. Ce raccordement est directement activé par l'interrupteur installation (4 A maxi.).
En cas de mise en place dans un local humide, l'alimentation électricque des accessoires ne doit pas se faire depuis la régulation.
| NYM-J 3 × 1,5 mm2 | à 2 conducteurs mini. 0,75 mm2 | NYM-O 3 × 1,5 mm2 |
| - Câbles d'ali- mentation élec- trique (acces- soires égale- ment) | - Extension externe H1 ou H2 | - Vitotrol 100, type UTA |
| - Pompe de bou- clage ECS | - Sonde extérieure | |
| - Alarme centrali- sée | - Vitotronic 200-H (LON) | |
| - Equipement de motorisation pour circuit de chauf- fage avec vanne mélangeuse (bus KM) | ||
| - Vitotrol 100, type UTD | ||
| - Vitotrol 200 | ||
| - Vitotrol 300 | ||
| - Récepteur de radio-pilotage |
Vitotronic 100, type HC1, pour marche à température d'eau constante
Constitution et fonctions
Structure modulaire
La régulation est constituée d'un apparéil de base, de modules électroniques et d'un module de commande.
Intégrée à la Vitodens.
Appareil de base
Interrupteur d'alimentation électrique
Interface pour ordinateur portable Optolink
Voyant de fonctionnement et de dérangement
Touchede réarmement
Module de commande :
Ecran
Réglage et affichage des températures et des codages
■ Affichage des messages de dérangement
- Touches :
- Sélection d'un programme
- Température d'eau de chaudière
- Température d'eau chaude sanitaire
- Fonction Marche provisoire
Fonctions
- Régulation électronique de chaudière pour marche à température d'eau de chaudière constante
- Un Vitotrol 100, type UTA ou UTD est nécessaire pour la marche en fonction de la température ambiente
Vitotronic 100, type HC1, pour marche à température d'eau constante (suite)
■ Aquastat de surveillance de protection contre le gel de l'installation de chauffage
Testeur intégré
Régulation ECS intégrée
\section*{Caracteristique de régulation}
PI avec sortie modulante.
Réglage des programmes de fonctionnement
L'aquastat de surveillance de protection contre le gel (voir fonction de mise hors gel) de l'installation de chauffage est actif quels que soit le programme de fonctionnement.
Les touches de sélection d'un programme permettent de paramétrer les programmes de fonctionnement suivants :
Chauffage et eau chaude sanitaire
Eau chaude sanitaire uniquement
Marchedeveille
Fonction de mise hors gel
Le brûleur se met en marche lorsque la température d'eau de chaudière est de 5^ et s'arrête de nouveau lorsque la température d'eau de chaudière est de 20^ .
La pompe de charge se met en marche en même temps que le brûleur et son arrêt est temporisé.
Le ballon d'eau chaude sanitaire est porté à 20^ environ. Pour la protection de l'installation contre le gel, la pompe de charge peut être mise en marche à des intervalles de temps définis (24 fois maxi. par jour) pendant environ 10 minutes.
Régime d'été
Programme de fonctionnement " "
Le brûleur est uniquement enclenché lorsque le ballon d'eau chaude sanitaire doit être chauffé.
Sonde de température de chaudière
La sonde de température de chaudière est raccordée à la régulation et intégrée à la chaudière.
Données techniques
Plage de température
- de fonctionnement 0 à +130 °C
- de stockage et de transport -20 à +70 °C
Sonde ECS et sonde de température de sortie
Les sondes sont raccordées à la régulation et intégrées à la chaudière ou au gallon.
Indice de protec
tion: IP32
Plage de tempéra
ture
- de fonctionne
ment: de 0 à +90 °C
- de stockage et
de transport de-20 à +70 °C
Extension interne H1
L'extension interne H1 est intégrée à la régulation. Une soupape de sécurité externe pour propane peut être raccordée à l'extension interne H1.
Charge nominale du relais de sortie : 1(0,5) A 250 V~
Données techniques Vitotronic 100, type HC1
Tension nominale 230 V~
Fréquence nomi- 50 Hz
nale
Intensité nominale 6 A
Classe de protec-
tion
Mode d'action
Plage de tempéra
tur
- de fonctionne- de 0 à +40 °C
ment : A utiliser dans des pieces d'habitation et des chaufferies (conditions ambiantes normales)
- de stockage et
de transport de-20 à +65 °C
Réglagedes
aquastats de sur
veillance electroni
ques (mode)
chauffage)
Plage de réglage
de la température
d'eau chaude
sanitaire de 10 à 63 °C
Accessoires pour la Vitotronic 100
Vitotrol 100, type UTA
Réf. 7170 149
Thermostat d'ambiance
Avec sortie de commande (sortie tout ou rien)
Avec horloge analogue.
Avec programme journalier reglable
La programmation standard a été régée en usine (programmation spécifique possible)
Durée minimale entre deux inversions 15 minutes
Le Vitotrol 100 doit être installé dans la pièce d'habitation principale sur un mur interieur face aux radiateurs, mais pas sur des étagères, dans des niches, à proximité immédiate de portes ou près de sources de chaleur (par ex. rayonnement solaire direct, cheminée, télévisueur, etc.).
Raccordement à la régulation :
Câble à 3 conducteurs avec une section de conducteur de 1,5 mm² (sans vert/jaune) pour 230 V~.

Données techniques
Tension nominale
Charge nominale du contact
230 V/50 Hz
6(1)A 250V
Accessoires pour la Vitotronic 100 (suite)
| Indice de protection | IP 20 conformément à EN 60529 à garantir par le montage/la mise en place | Plage de réglage des valeurs de consigne en marche normale et en marche réduite | 10 à 30 °C |
| Plage de température | Température ambiente de consigne en marche de veille | 6 °C | |
| - de fonctionnement | 0 à +40 °C | ||
| - de stockage et de transport | -20 à +60 °C |
Vitotrol 100, type UTD
Réf. 7179 059
Thermostat d'ambiance
Avec sortie de commande (sortie tout ou rien)
Avec horloge numérique
Avec programme journalier et hebdomadaire
Avec commutateur rotatif pour les réglages suivants :
- Température ambiente normale "Confort en permanence"
- Température ambiente réduite "Abaissement en permanence"
- Température de protection contre le gel "Hors gel"
- 2 programmations horaires prerégées
- Une programmation hora régliable individuellement
Programme vacancies
Avec des touches pour le régime réceptions et le régime économique
Le Vitotrol 100 doit être installé dans la pierce d'habitation principale sur un mur interieur face aux radiateurs, mais pas sur des étagères, dans des niches, à proximité immédiate de portes ou pres de sources de chaleur (par ex. rayonnement solaire direct, cheminée, télévisueur, etc.).
Fonctionnement sans alimentation électriche extérieure (deux piles alcalines de 1,5 V, type LR6 (AA), autonomie d'env. 1,5 an). Raccordement à la régulation :
cable à 2 conducteurs avec une section de conducteur de 1,5 mm² pour 230 V~
Le raccordement avec l'extension externe H4 (accessoire) peut s'effectuer par le biais d'un cable très BASSE tension.

Données techniques
Tension nominale 3 V- Charge nominale du contact sans potentiel
- maxi. 6(1) A 230 V~
- mini. 1 mA 5 V-
Indices de protection IP 20 conformément à EN 60529 à garantir par le montage/la mise en place Mode d'action RS type 1B selon EN 60730-1
Plage de température
- de fonctionnement 0 à +50 °C
- de stockage et de transport -10 à +60 °C
Plages de réglage
- Température de comport 10 à 30 °C
- Température réduite 10 à 30 °C
- Température de protection contre le gel
Réserve de marche lors d'un changement de piles
10 mn
Extension externe H4
Réf. 7197 227
Extension de raccordement pour le raccordement d'un Vitotrol 100, type UTD ou de thermostats à horloge 24 V via un cable très bassé tension.
Avec cable (longueur 0,5 m) et connecteur pour le raccordement à la Vitotronic 100.

Accessoires pour la Vitotronic 100 (suite)
Données techniques
Tension nominale 230 V ~
Tension de sortie 24 V~
Fréquence nominale 50 Hz
Puisanceelectriqueabsorbee 2,5W
Classe de protection
Indices de protection IP 41
Plage de température
- de fonctionnement
de 0à +40^
A utiliser dans des pieces d'habitation et des chaufferies (conditions ambantes normales)
- de stockage et de transport
de-20a+65°C
Vitocom 100, type GSM
Sans carte SIM
Ref. Z004594
Fonctions :
Commande à distance par le biais de réseaux de téléphonie mobile GSM
- Interrogation à distance par le biais de réseaux de téléphonie mobile GSM
- Télésurveillance par le biais de SMS envoyés sur un ou deux téléphones mobiles
- Télésurveillance d'installations supplémentaires via une entrée numérique (230 V)
Configuration :
Téléphones mobiles par SMS
Matériel livre :
Vitocom 100 (sans carte SIM)
Cable d'alimentation electrique avec fiche Euro (longueur 2,0 m)
Antenne GSM avec cable (3,0m) , embase magnetique et bande adhesive
Cable de liaison bus KM (longueur: 3,0 m)
Conditions requires sur site :
Bonne réception réseau pour la communication GSM du presta-taire de téléphonie mobile choisi.
Longueur totale maxi. de tous les cables d'appareils raccordés au bus KM 50 m.

Données techniques
Tension nominale
230 V ~
Fréquence nominale
50 Hz
Intensité nominale
15 mA
Puisanceelectriqueabsorbee
4W
Classe de protection
II
Indice de prote
IP 41 selon EN 60529, à
garantir par le montage/la mise en place
Type 1B selon EN 60 730-1
Mode d'action
0a+55°C
Plage de température
A utiliser dans des pièces d'habitation et des chaufferies (conditions ambantes normales)
- de fonctionnement
-20a+85℃
- de stockage et de transport
230V
Raccordement sur site
Entrée de défaut DE 1
Répartiteur de bus KM
Réf. 7415 028
Pour le raccordement de 2 à 9 apparéils au bus KM de la Vitronic.

Données techniques
Longueur de cable
3,0 m, prét à être rac-cordé
Indices de protection
IP 32 selon EN 60529
Plage de température
à garantir par le montage/la mise en place
- de fonctionnement
0a +40^
- de stockage et de transport
-20a+65℃
Extension interne H2 et extensions externes H1 et H2
Possibilities de raccordement et données techniques, voir Accessoires pour Vitotronic 200 à partir de la page 27.
Constitution et fonctions
Structure modulaire
La régulation est constituée d'un apparéil de base, de modules électroniques et d'un module de commande.
Intégrée à la Vitodens.
Appareil de base
Interrupteur d'alimentation électrique
Interface pour ordinateur portable Optolink
Voyant de fonctionnement et de dérangement
Touché de réarmement
Module de commande :
Avec horloge numérique
- Afficheur éclairé avec texte d'aide en clair
Réglage et affichage des températures et des codages
■ Affichage des messages de dérangement
Bouton rotatif pour la température en marche normale
- Touches :
- Sélection d'un programme
-Programme vacancies - Régime réceptions et régime économique
- Température en marche réduite
- Température d'eau chaude sanitaire
- Fonction Marche provisoire
Fonctions
Régulation de la température d'eau de chaudière et/ou de la température de départ en fonction de la température extérieure
■ Limitation électronique de la température maximale
- Arrêt de la pompe de circuit de chauffage et du brûleur en fonction des besoin
Réglage d'une limite de chauffe variable
Dispositif anti-grippage des pompes
Voyant d'entretien
- Aquastat de surveillance de protection contre le gel de l'installation de chauffage
Testeur intégré
Régulation ECS avec dispositif de priorité
- Fonction supplémentaire pour la production d'eau chaude sanitaire (montée en température de courte durée jusqu'à une température supérieure)
Programme séchage de chape
- Enclenchement et arrêt externes (possible avec accessoires)
Les exigences de la norme EN 12831 pour le calcul de la charge de chauffage sont satisfaites. Afin de réduire la puissance de montée en température, la température ambiente réduite est rehaussée lorsque la température extérieure est BASSE. Afin de réduire le temps de montée en température après une phase d'abaissement, la température de départ est augmentée temporairement.
\section*{Caracteristique de régulation}
PI avec sortie modulante.
Horloge
Horloge numérique
Programmes journalier et hebdomadaire
Inversion automatique heures d'été/heures d'hiver
Fonction automatique de production d'eau chaude sanitaire et pompe de bouclage eau chaude sanitaire
L'heure, le jour et les heures d'inversion standards pour le chauffage des pieces, la production d'eau chaude sanitaire et la pompe de bouclage eau chaude sanitaire sont préréglés en usine
Heures d'inversion programmables individuellement, maxi. quatre plages horaires par jour
Durée minimale entre deux inversions : 10 minutes
Autonomie : 14 jours
Réglage des programmes de fonctionnement
L'aquastat de surveillance de protection contre le gel (voir fonction de mise hors gel) de l'installation de chauffage est actif quels que soit le programme de fonctionnement.
Les touches de sélection d'un programme permettent de paramétrer les programmes de fonctionnement suivants :
Chauffage et eau chaude sanitaire
Eau chaude sanitaire uniquement
Marchedeveille
Inversion externe du programme de fonctionnement en association avec une extension externe H1 ou H2.
Fonction de mise hors gel
La fonction de mise hors gel est activée lorsque la température extérieure est inférieure à env. +1 °C.
L'activation de la fonction de mise hors gel entraine l'enclement de la pompé de circuit de chauffage et le maintain de l'eau de chaudière à une température inférieure de 20^ environ. Le ballon d'eau chaude sanitaire est porté à 20^ environ.
La fonction de mise hors gel est désactivée lorsque la température extérieure est supérieure à env. +3 °C.
Régime d'été
Programme de fonctionnement "
Le brûleur est uniquement enclenché lorsque le ballon d'eau chaude sanitaire doit être chauffé.
Réglage de la courbe de chauffe (pente et parallèle)
La Vitotronic 200 régule la température d'eau de chaudière (=température de départ du circuit de chauffage sans vanne mélangeuse) et la température de départ du circuit de chauffage avec vanne mélangeuse (en association avec l'équipement de motorisation pour circuit de chauffage avec vanne mélangeuse) en fonction de la température extérieure. La température d'eau de chaudière est alors automatiquement régulée sur une valeur supérieure de 0 à 40 K à la température de départ de consigne maxi-male momentanément requise (état de livreaison 8 K).
La température de départ nécessaire à l'obtention d'une température ambiente déterminée est fonction de l'installation de chauffage et de l'isolement du batiment àCHAuffer.
Le réglage des deux courbes de chauffe permet d'adapter la température d'eau de chaudière et la température de départ à ces conditions.
Courbes de chauffe :
La température d'eau de chaudière est limitée vers le haut par l'aquastat de surveillance et par la température définie sur la régulation électronique de la température maximale.
La température de départ ne peut dépasser la température d'eau de chaudière.

Vitotronic 200, type HO1, pour régulation en fonction de la température... (suite)
Installations de chauffage avec bouteille de découplage hydraulique
Lors de l'utilisation d'un dispositif de découplage hydraulique (bouteille de découplage hydraulique), une sonde de température doit être raccordée dans la bouteille de découplage hydraulique (voir Notice pour l'étude Vitodens).
Sonde de température de chaudière
La sonde de température de chaudière est raccordée à la régulation et intégrée à la chaudière.
Données techniques
Plage de température
- de fonctionnement 0à + 130^
- de stockage et de transport -20 à +70 °C
Sonde ECS et sonde de température de sortie
Les sondes sont raccordées à la régulation et intégrées à la chaudière ou au gallon.
Indice de protec
tion IP 32
Plage de températe
- de fonctionnement
- de stockage et de transport
de 0 à +90 °C
de-20a+70°C
Sonde extérieure
Emplacement de montage :
- Mur nord ou nord-ouest du bâtiment
2 à 2,5 m au-dessus du sol, dans la moitié supérieure environ du second étage dans le cas d'un bâtiment à plusieurs étages
Raccordement :
Cable à 2 conducteurs d'une longueur maxi. de 35m pour une section des conducteurs de 1,5mm^2 cuivre.
Le cable ne devra pas etre tiré a proximite immediate de cables 230/400V.

Données techniques
Indices de protection
IP 43 conformément à EN 60529
à garantir par le montage/la mise en place
Plage de température de fonctionnement, de stockage et de transport
-40 a +70 °C
Extension interne H1
L'extension interne H1 est intégrée à la régulation. Une soupape de sécurité externe pour propane peut être raccordée à l'extension interne H1.
Charge nominale du relais de sortie : 1(0,5) A 250 V~
Données techniques Vitotronic 200, type HO1
Tension nominale 230 V~
Frequence nominale 50 Hz
Intensité nominale 6 A
Classe de protection I
Plage de température
- de fonctionnement de 0 à +40 °C
A utiliser dans des pieces d'habitation et des chaufferies (conditions ambantes normales)
- de stockage et de transport de -20 à +65 °C
Réglage des aquas-tats de surveillance électroniques : (mode chauffage)
Plage de réglage de
la température d'eau
chaude sanitaire
Plage de réglage de
la courbe de chauffe
-Pente 0,2a3,5
-Parallele -13a40K
Accessoires pour la Vitotronic 200
Remarque concernant la sonde d'ambiance de compensation (fonction RS) dans le cas de commandes à distance
En raison de I""inertie"des plancherschauffants,la fonction RS ne doit pas agir sur le circuit de chauffage du plancher chauffant. La fonction RS ne doit agir que sur le circuit de chauffage avec vanne melangeuse.
Remarque concernant les Vitotrol 200 et 300
Un Vitotrol 200 ou un Vitotrol 300 peut être utilisé pour chaque circuit de chauffage d'une installation.
Vitotrol 200
Réf. 7450 017
Appareil raccordé au bus KM.
La commande à distance Vitotrol 200 permet, pour un circuit de chauffage, de régler le programme de fonctionnement souhaité et la température ambiente de consigne désirée en marche normale depuis unepiece d'habitationquelconque.
Le dispositif Vitotrol 200 dispose de touches éclairées en vue de la sélection du programme de fonctionnement et de touches réceptions et économique.
Affichage des défauts de la régulation.
Fonction WS (en fonction de la température extérieure) :
Installation à un emplacement quelconque du bâtiment.
Fonction RS (en fonction de la température ambiente) :
Installation dans la pierce d'habitation principale sur une cloison interieure face aux radiateurs. Ne pas la placer sur des étagères, dans des renf Oncements, à proximé directe de portes ou à proximé de sources de chaleur (par ex. ensoleillement direct, cheminée, télévisuer etc.).
La sonde d'ambiance intégrée déetecte la température ambiente et entraine, si nécessaire, une correction de la température de départ ainsi qu'une montée en température rapide au démarrage du mode chauffage (si code).
Raccordement :
cable 2 conducteurs d'une longueur maxi. de 50m (eigalement dans le cas du raccordement de plusieurs commandes à distance)
- le cable ne devra pas etre tiré a proximite immediate de cables 230/400 V.
Fiche très bassé tension fournie

Données techniques
Alimentation électrique via le bus KM
Puisance absorbée
Classe de protection
Indices de protection
0,2W
III
IP 30 selon EN 60529
à garantir par le mon
tage/la mise en place
Plage de température
-
de fonctionnement
-
de stockage et de transport
Plage de réglage de la température
ambiente de consigne
0a + 40^
-20a+65℃
10 à 30 °C
réglable sur
3 à 23 °C ou
17 à 37 °C
Le réglage de la température ambiente de consigne en marche réduite s'effectue sur la régulation.
Vitotrol 300
Réf. 7248 907
Appareil raccordé au bus KM.
La commande à distance Vitotrol 300 permet, pour un circuit de chauffage, de régler la température ambiente de consigne souhai-tée en marche normale et en marche réduite, le programme de fonctionnement désiré et la programmation hora pour le chauffage des pieces, la production d'eau chaude sanitaire et la pompé de bouclage eau chaude sanitaire.
Le Vitotrol 300 dispose d'un écran d'affichage éclairé, de touches éclairées en vue de la sélection du programme de fonctionnement, d'une touche réceptions et mode économique, de l'inversion automatique heures d'été/heure d'hiver, de touches pour le programme vacances, pour le jour de la semaine et l'heure.
Fonction WS (en fonction de la température extérieure) :
Installation à un emplacement quelconque du bâtiment.
Fonction RS (en fonction de la température ambiente) :
Installation dans la pierce d'habitation principale sur une cloison interieure face aux radiateurs. Ne pas la placer sur des étagères, dans des renf Oncements, à proximé directe de portes ou à proximé de sources de chaleur (par ex. ensoilelement direct, cheminée, téléviseur etc.).
La sonde d'ambiance intégrée déetecte la température ambiente et entraine, si nécessaire, une correction de la température de départ ainsi qu'une montée en température rapide au démarrage du mode chauffage (si code).
Raccordement :
Cable 2 conducteurs d'une longueur maxi. de 50m (eigalement dans le cas du raccordement de plusieurs commandes à distance)
Le cable ne devra pas etre tiré a proximite immediate de cables 230/400 V.
Fiche très basse tension fournie

Données techniques
Alimentation en tension via le bus KM
Puissance electrique absorbée
Classe de protection
Indices de protection
0,5W
III
IP 30 selon EN 60529
à garantir par le mon
tage/la mise en place
Plage de température
-
de fonctionnement
-
de stockage et de transport
Plage de réglage de la température
ambiente de consigne
-en marche normale
0a+40℃
-20a+65℃
-en marchere réduite
10 à 30 °C
réglable sur
3 à 23 °C ou
17 à 37 °C
3 à 37 °C
Sonde d'ambiance
Réf. 7408 012
Sonde d'ambiance independante comme complément au Vitotrol 200 et 300 ; à utiliser lorsque le Vitotrol 200 ou 300 ne peut être disposé dans la piece d'habitation principale ou à un emplacement adaptable en vue de la saisie ou du réglage de la température. Installation dans la piece d'habitation principale sur une cloison interieure face aux radiateurs. Ne pas la placer sur des étagères, dans des renfonzements, à proximé directe de portes ou à proximé de sources de chaleur (par ex. ensoleillement direct, cheminée, télévisuer etc.).
La sonde d'ambiance est à raccarder au Vitotrol 200 ou 300. Raccordement :
cable 2 conducteurs d'une section de 1,5mm^2 cuivre
longueur de cable à partir de la commande à distance maximum 30 m
- le cable ne devra pas etre tiré a proximite immediate de cables 230/400 V.

Données techniques
Classe de protection
Indices de protection
III
IP 30 selon EN 60529
à garantir par le mon-
tage/la mise en place
Plage de température
- de fonctionnement
- de stockage et de transport
0a+40°C
-20a+65℃
Récepteur de radio-pilotage
Réf. 7450 563
Pour la réception du transmetteur de signaux horaires DCF 77
site: Mainflingen, prés de Francfort sur le Main).
Réglage radio de l'heure et de la date.
Installation sur un mur extérieur, pointage vers le transmetteur. La qualité de réception peut être influencée par des matériaux de construction à base de métal, comme le béton armé, ou par des batiments voisins et des sources parasites électromagnétiques, comme des lignes haute tension et des caténaires, par exemple. Raccordement :
Cable à 2 conducteurs d'une longueur maxi. de 35 m pour une section des conducteurs de 1,5 mm² cuivre
Le cable ne devra pas etre tire a proximite immediate de cables 230/400 V.

Vitohome 300
Ref. Z005 395
Centrale domotique radiofrequence de régulation de température pièce par pièce pour le chauffage de pièces avec des radiateurs et/ou un plancher chauffant
Amélioration du comport par piece
Réduction des coûts de chauffage et d'électricité
- Mise en service simple et extension aisé
Commande complète pour chauffage et eau chaude sanitaire

Pour plus d'informations, voir la feuille technique "Vitohome 300".
Vitocom 100, type GSM
Commande à distance par le biais de réseaux de téléphonie mobile GSM
- Interrogation à distance par le biais de réseaux de téléphonie mobile GSM
- Telesurveillance par le biais de SMS envoyés sur un ou deux téléphones mobiles
- Télésurveillance d'installations supplémentaires via une entrée numérique (230 V)
Configuration :
Téléphones mobiles par SMS
Matériel livre :
Vitocom 100 (sans carte SIM)
Cable d'alimentation electrique avec fiche Euro (longueur 2,0 m)
Antenne GSM avec cable (3,0m) , embase magnetique et bande adhesive
Cable de liaison bus KM (longueur : 3,0 m)
Conditions requires sur site :
Bonne réception réseau pour la communication GSM du presta-taire de téléphonie mobile choisi.
Longueur totale maxi. de tous les cables d'appareils raccordés au bus KM 50 m.
Le fonctionnement avec le Vitocom 300 est également possible pour des fonctions élargies, voir la notice pour l'étude des systèmes de communication Viessmann.

Données techniques
Tension nominale 230V
Fréquence nominale 50 Hz
Intensité nominale 15 mA
Puisanceelectriqueabsorbee 4W
Classe de protection
Indices de protection
Mode d'action
Plage de température
-
de fonctionnement
-
de stockage et de transport
Raccordement sur site
Entrée de défaut DE 1
230 V ~
50 Hz
15 mA
4W
II
IP 41 selon EN 60529, à garantir par le montage/la mise en place
Type 1B selon EN 60730-1
0a+55°C
A utiliser dans des pieces d'habitation et des chaufferies (conditions ambantes normales)
-20 à +85 °C
230V
Equipement de motorisation pour un circuit de chauffage avec vanne mélangeuse avec servo-moteur de vanne mélangeuse intégré
Réf. 7178995
Appareil raccordé au bus KM
Composants :
■ Equipement électronique de vanne mélangeuse avec servomoteur de vanne mélangeuse pour vannes mélangeuses Viessmann DN 20 à 50 et R 1/2 à 1%
- Sonde de départ (sonde de température à applique), longueur de cable 2,2 m, préte au raccordement, données techniques, voir ci-dessous
- Contrefiche pour le raccordement de la pompe de circuit de chauffage
Cable d'alimentation electrolyte (longueur: 3,0 m)
Cable de raccordement bus (longueur: 3,0 m)
Le servo-moteur de vanne mélangeuse doit être directement monté sur la vanne mélangeuse Viessmann DN 20 à 50 et R 1/2 à 114 .
Equipement electronique de vanne melangeuse avec servomoteur de vanne melangeuse

Données techniques
Tension nominale 230 V~
Fréquence nominale 50 Hz
Puisanceelectriqueabsorbee 6,5W
Indices de protection
Classe de protection
à garantir par le montage/la mise en place
1
Accessoires pour la Vitotronic 200 (suite)
Plage de température
- de fonctionnement 0 à +40 °C
- de stockage et de transport -20 à +65 °C
Charge nominale du relais de sortie pour la pompe de circuit de
chauffage 20 4(2) A 230 V~
3 Nm
Durée de fonctionnement pour 90^ 120 s
A
Sonde de départ (sonde à applique)

Se fixe avec un collier de fixation.
Données techniques
Indices de protection
IP 32 conformément à EN 60529
à garantir par le montage/la mise en place
Plage de température
- de fonctionnement
- de stockage et de transport
0a+120℃
-20a+70℃
Equipement de motorisation pour un circuit de chauffage avec vanne mélangeuse pour servo-moteur de vanne mélangeuse indépendant
Réf. 7178996
Appareil raccordé au bus KM
Pour le raccordement d'un servo-moteur de vanne mélangeuse indépendant.
Composants :
- Equipement électronique de vanne mélangeuse pour le raccordement d'un servo-moteur de vanne mélangeuse indépendant.
- Sonde de départ (sonde à applique), longueur de cable 5,8 m, prête au raccordement
- Contrefiche pour le raccordement de la pompe de circuit de chauffage
- Bornes de connexion pour le raccordement du servo-moteur de vanne mélangeuse
Cable d'alimentation electrique (longueur:3,0m)
Cable de raccordement bus (longueur: 3,0 m)
Equipement electronique de vanne mélangeuse

Données techniques
Tension nominale 230 V~
Fréquence nominale 50 Hz
Puisanceelectriqueabsorbee 2,5W
Indices de protection
IP 32D conformément à EN 60529
à garantir par le montage/la mise en place
1
Classe de protection
0a+40°C
Plage de température
-20a+65℃
-
de fonctionnement
-
de stockage et de transport
Charge nominale des relais de sortie
Pompe de circuit de chauffage 20
Servo-mateur de vanne melangeuse
Durée de fonctionnement du servomoteur de vanne mélangeuse
requise pour 90^
4(2) A 230V
0,2(0,1) A 230 V~
env. 120 s
Sonde de départ (sonde à applique)

Se fixe avec un collier de fixation.
Accessoires pour la Vitotronic 200 (suite)
Données techniques
Indices de protection
IP 32 conformément à EN
60529
à garantir par le montage/la
mise en place
Plage de température
- de fonctionnement
- de stockage et de transport
0a + 120^
-20a+70°C
Aquastàdoigtde gant
Réf. 7151 728
Utilisable comme aquastat pour la limitation maximale de tempé rature pour plancher chauffant.
L'aquastat est intégré au départ chauffage et met la pompe de circuit de chauffage à l'arrêt lorsque la température de départ est trop élevé.

Données techniques
Longueur de cable
4,2 m, prét à être rac-cordé
Plage de réglage
30 à 80 °C
Différentiel d'enclenchement
maxi. 11 K
Pouvoir de coupure
6(1,5)A 250V
Graduations de réglage
Dans le boitier
Doigt de gant en acier inoxydable
R12× 200mm
Liminéur de température de sécurité
Réf. 7197 797
Utilisable comme aquastat pour la limitation maximale de température pour plancher chauffant (uniquement en association avec des tubes métalliques).
L'aquastat est intégré au départ chauffage et met la pompe de circuit de chauffage à l'arrêt lorsque la température de départ est trop élevé.

Données techniques
Longueur de cable
4,2 m, prét à être raccordé
Température prérogée
65^
Différentiel d'enclenchement
maxi. 14 K
Pouvoir de coupure
6(1,5) A 250V~
Câble de données LON pour l'échange des données des régulations
Réf. 7143 495

Longueur dcable 7 m, pret au raccordement.
Prolongation du cable de liaison
Distance de pose de 7 à 14 m :
- 2 câbles de liaison (longueur 7,0 m)
Réf. 7143 495
- 1 accouplement LON RJ45
Réf. 7143 496
Distance de pose de 14 à 900 m avec des fiches de raccordement :
- 2 fiches de raccordement LON
Réf. 7199 251
- Câble à 2 conducteurs, CAT5, blindé ou JY(St) Y 2 x 2 x 0,8
non fourni
Distance de pose de 14 à 900
m avec des boîtiers de raccordement :
- 2 câbles de liaison (longueur 7,0m )
Réf. 7143 495
- Câble à 2 conducteurs, CAT5, blindoé ou JY(St) Y 2 x 2 x 0,8
non fourni
- 2 boftiers de raccordement LON RJ45, CAT6
Réf. 7171 784
Répartiteur de bus KM
Réf. 7415 028
Pour le raccordement de 2 à 9 apparéils au bus KM de la Vitronic.

Données techniques
Longueur de cable
Indices de protection
Plaque de température
de fonctionnement
- de stockage et de transport
3,0 m, prét à être rac-cordé
IP 32 selon EN 60529
à garantir par le mon
tage/la mise en place
0a+40℃
-20 à +65 °C
Sonde de température à doigt de gant
Réf. 7179488
Pour mesure de la température de la bouteille de découplage hydraulique.
Données techniques
Longueur de cable
3,75 m, prét à être rac-cordé
Indices de protection
Plage de température
-
de fonctionnement
-
de stockage et de transport
IP 32 conformément à EN 60529
à garantir par le montage/
la mise en place
0a +90^
-20a+70°C
Extension interne H1
Réf. 7179057
L'extension interne H1 est fournie avec la Vitotronic 200 et intégrée dans la Vitotronic 200.
L'extension permet d'exécuter les fonctions suivantes :
| Fonction | Charge nominale du relais de sortie |
| - Raccordement d'une électrovanne de sécurité externe (propane) | 1(0,5) A 250 V~ |
| et l'une des fonctions suivantes (uniquement pour Vitodens 333-F, type WR3C): | 2(1) A 250 V~ |
| - Raccordement d'une pompe de circuit de chauffage (à plusieurs allures) pour un cir-cuit de chauffage raccordé directement | |
| - Raccordement d'une alarme centralisée | |
| - Raccordement d'une pompe de charge ECS | |
| - Uniquement avec Vitotronic 200, type HO1 : | |
| Raccordement d'une pompe de bouclage ECS |
Données techniques
Tension nominale : 230 V ~
Fréquence nomi
nale: 50 Hz
Extension interne H2
Réf. 7179 144
Platine électronique à intégrer dans la régulation à la place de
l'extension interne intégrée H1.
L'extension permet d'exécuter les fonctions suivantes :
| Fonction | Charge nominale du relais de sortie |
| - Verrouillage d'appareils externes d'extraction d'air | 6(3) A 250 V~ |
| et l'une des fonctions suivantes (uniquement pour Vitodens 333-F, type WR3C): | 2(1) A 250 V~ |
| - Raccordement d'une pompe de circuit de chauffage (à plusieurs allures) pour un cir-cuit de chauffage direct | |
| - Raccordement d'une alarme centralisée | |
| - Raccordement d'une pompe de charge ECS | |
| - Uniquement avec Vitotronic 200, type HO1 : | |
| Raccordement d'une pompe de bouclage ECS |
Données techniques
Tension nominale 230V
Fréquence nomini
nale 50 Hz
Extension externe H1
Réf. 7179 058
Extension de fonctions dans un boitier pour montage mural.
L'extension permet d'exécuter les fonctions suivantes :
| Fonction | Charge nominale du relais de sortie |
| - Raccordement d'une alarme centralisée | 0,4(0,2) A 250 V~ |
| - Raccordement d'une pompé de circuit de chauffage (à plusieurs allures) pour un cir-cuit de chauffage direct | respectivement 2(1) A 250 V~ |
| - Uniquement avec Vitotronic 200, type HO1 :Raccordement d'une pompé de bouclage ECS | Total maxi. 4 A~ |
| - Demande d'une température d'eau de chaudière minimale- Verrouillage externe- Imposition d'une consigne de température d'eau de chaudière via une entrée 0-10 V- Uniquement avec Vitotronic 200, type HO1 :Inversion externe du mode de fonctionnement | |

Données techniques
Tension nominale
230V\~
Fréquence nominale
50 Hz
Intensité nominale
4A
Puissance électrique
4 W
absorbee
Classe de protection
1
Indices de protection
IP 32
Plage de température
- de fonctionnement
de 0 à +40 °C
A utiliser dans des pièces d'habitation et des chaufferies (conditions ambantes normales)
- de stockage et de
transport
de-20 à +65 °C
Extension externe H2
Réf. 7179 265
Extension de fonctions dans un boîtier pour montage mural.
L'extension permet d'exécuter les fonctions suivantes :
| Fonction | Charge nominale du relais de sortie |
| - Uniquement avec Vitotronic 200, type HO1 :Raccordement d'une pompé de bouclage ECS | 2(1) A 250 V~ |
| - Demande d'une température d'eau de chaudière minimale- Verrouillage externe- Uniquement avec Vitotronic 200, type HO1 :Inversion externe du mode de fonctionnement | |

Données techniques
Tension nominale
230V\~
Fréquence nominale
50 Hz
Intensité nominale
2A
Puissance électrique
3W
absorbée
Classe de protection
1
Indices de protection
IP 32
Plage de température
de 0 à +40 °C
- de fonctionnement
A utiliser dans des pieces d'habitation et des chaufferies (conditions ambantes normales)
- de stockage et de
de-20a+65°C
Affectation des extensions de fonctions pour Vitodens 333-F, type WS3C
| Installation de chauffage | Extension de fonctions (Réf.) | |||
| sans fonction de sécurité | avec raccordement d'une électrovanne de sécurité | avec verrouil-lage des appa-reils externes d'évacuation d'air | ||
| - sans pompé de bouclage ECS | - | - | 7179144*1 | |
| - avec pompé de bouclage ECS | 7179265*2 | 7179265*2 | 7179144*1 et 7179265 | |
| - sans pompé de bouclage ECS | - | - | 7179144*1 | |
| - avec pompé de bouclage ECS | 7179265*2 | 7179265*2 | 7179144*1 et 7179265 | |
| - sans pompé de bouclage ECS | 7179058 | 7179058 | 7179144*1 et 7179058 | |
| - avec pompé de circuit de chauffage (à plusieurs allures) pour un circuit de chauffage raccordé directement | 7179058 | 7179058 | 7179144*1 et 7179058 | |
| - avec pompé de bouclage ECS | 7179058 | 7179058 | 7179144*1 | |
| - avec pompé de circuit de chauffage (à plusieurs allures) pour un circuit de chauffage raccordé directement | 7179058 | 7179058 | 7179144*1 | |
| - sans pompé de bouclage ECS | 7179058 | 7179058 | 7179144*1 et 7179058 | |
| - avec pompé de circuit de chauffage (à plusieurs allures) pour un circuit de chauffage raccordé directement | 7179058 | 7179058 | 717.9144*1 et 7179058 | |
| - avec pompé de bouclage ECS | 7179058 | 7179058 | 7179144*1 | |
| - avec pompé de circuit de chauffage (à plusieurs allures) pour un circuit de chauffage raccordé directement | 7179058 | 71790.58 | 7179144*1 | |
| - sans pompé de bouclage ECS | 7179058 | 7179058 | 7179144*1 | |
| - avec pompé de circuit de chauffage (à plusieurs allures) pour un circuit de chauffage raccordé directement | 7179058 | 7179058 | 7179144*1 | |
| - avec pompé de bouclage ECS | 7179058 | 7179058 | 7179144*1 | |
| - avec pompé de circuit de chauffage (à plusieurs allures) pour un circuit de chauffage raccordé directement | 7179058 | 7179058 | 7179144*1 | |
Sélection des extensions de fonctions pour Vitodens 333-F, type WR3C
| Installation de chauffage | Extension de fonctions (Réf.) | |||
| sans fonction de sécurité | avec raccorde-ment d'une électrovanne de sécurité | avec verrouil-lage des appa-reils externesd'évacuationd'air | ||
| - sans pompé de bouclage ECS | — | intérégée*1 | 7179144*2 | |
| - avec pompé de bouclage ECS | intérégée*1 | intérégée*1 | 7179 144*2 | |
| - sans pompé de bouclage ECS | — | intérégée*1 | 7179 144*2 | |
| - avec pompé de bouclage ECS | intérégée*1 | intérégée*1 | 7179 144*2 | |
| - sans pompé de bouclage ECS | intérégée*1 | intérégée*1 | 7179 144*2 | |
| - avec pompé de bouclage ECS | intérégée*1 | intérégée*1 | 7179 144*2 | |
| - sans pompé de bouclage ECS | intérégée*1 | intérégée*1 | 7179 144*2 | |
| - avepope de circuit de chauf-fage (à plusieurs allures) pour uncircuit de chauffage raccordedirectement | 7179 265 | intérégée*1et7179 265 | 7179 144*2et7179 265 | |
| - avec pompé de bouclage ECS | 7179 265 | intérégée*1et7179 265 | 7179 144*2 | |
| - avec pompé de circuit de chauf-fage (à plusieurs allures) pour uncircuit de chauffage raccordedirectement | ||||
| - sans pompé de bouclage ECS | intérégée*1 | intérégée*1 | 7179 144*2 | |
| - avec pompé de circuit de chauf-fage (à plusieurs allures) pour uncircuit de chauffage raccordedirectement | ||||
| - avec pompé de bouclage ECS | 7179 265 | intérégée*1et7179 265 | 7179 144*2et7179 265 | |
| - avec pompé de circuit de chauf-fage (à plusieurs allures) pour uncircuit de chauffage raccordedirectement | ||||
Accessoires pour Vitodens 333-F
Accessoires pour le montage dans le gros oeuvre
Voir a partir de la page 15.
^1 L'extension interne H1 est intégrée à la Vitotronic 200 dans l'état de livreaison.
^2 L'extension interne H2 est installée à la place de l'extension interne H1 dans le boitier de régulation.
Equipement de neutralisation
Réf. 7252 666
Avec neutralisant en granulés

Neutralisant en granulés
Réf. 9524 670
(2 × 1,3 ~kg)
Dispositif d'évacuation des condensats
Réf. 9150 678
Système de rincege de l'échangeur de chaleur à plaques
Réf. 7179 753
Uniquement pour Vitodens 333-F, type WS3C.
Pour le nettoyage de l'échangeur de chaleur à plaques intégré.
Ensemble de remplacement
Réf. 7246 909
Pour le remplacement de la Vitodens 333 ou de la Vitodens 333-F, type WS3C par une Vitodens 333-F, type WR3C.
Tubes d'écartement pour compenser la différence de hauteur des raccords côte gaz et eau.
Uniquement nécessaire en association avec un ensemble de raccordement, complet
Ensemble de raccordement pompe de bouclage ECS
Pour Vitodens 333-F, type WS3C
Réf. 7266 344
Pour Vitodens 333-F, type WR3C
Réf. 7246 906
Pour montage dans la Vitodens.

Comprenant :
Pompe de bouclage
Vanne de réglage du débit
Ensemble de tubes avec isolation
■ Uniquement avec la Réf. 7266 344 : régulation externe H2 pour raccordement à la Vitotronic
Vase d'expansion eau chaude sanitaire avec ensemble de raccordement
Ne pas utiliser en association avec Vitodens 333-F, type WR3C.

Réf. 7266 363
Pour une pression de service maxi. de 4 bars dans l'arrivée d'eau froide.
Pression de gonflage du vase d'expansion eau chaude sanitaire : 3,5 bars.
Capacité : 4 litres
Comprenant :
Vase d'expansion à membrane à passage direct, ajusté à l'eau chaude sanitaire
Vanne à capuchon R 3/4
- Soupape de sécurité à membrane (10 bars)
Remarque
Utilisable uniquement en association avec l'ensemble de raccordement Ref. 7266 345.
Le groupe de sécurité n'est pas utilisable en association avec un vase d'expansion eau chaude sanitaire.
A Vase d'expansion eau chaude sanitaire
(B) Soupape de sécurité
Eau froide G 1/2
Anode à courant imposé
Réf. 7182 008
■ sans entretien
- à installer à la place de l'anode au magnésium fournie
Cache mural
Pour Vitodens 333-F, type WS3C
Réf. 7181 968
Pour Vitodens 333-F, type WR3C
Réf. 7247 809

Caches pour les raccords hydrauliques.
Etat de livraison
Chaudière gaz à condensation avec surface d'échange Inox-Radial, brûleur gaz modulant MatriX pour gaz naturel et propane, aqua-platine avec système multi-connecteur, vase d'expansion à membrane, pompé à courant continu haute efficacité à asservissement de vitesse et réservoir de charge eau sanitaire (type WS3C) intégré ou ballon d'eau chaude sanitaire (type WR3C). Le tout entièrement assemblé.
Couleur de la jaquette avec revêtement en résine époxy : blanc.
Emballage séparé :
Vitotronic 100 pour marche à température d'eau constante ou
Vitotronic 200 pour régulation en fonction de la température extérieure.
Préréglée pour le fonctionnement avec du gaz naturel. Aucune transformation n'est nécessaire à l'intérieur des groupes de Es (H)/Ei (L). L'adaptation au gaz propane se fait sur le bloc combiné gaz (un ensemble de transformation est inutile).
Conseils pour l'étude
Implantation pour fonctionnement avec une ventouse
En tant qu'appareil du type C_13x , C_33x , C_43x , C_53x ou C_63x selon les normes et directives en vigueur, la Vitodens fonctionnant avec une ventouse peut être implantée dans des pieces celles que soient leur taille et leur ventilation.
Elle peut être implantée par exemple dans des pieces deSEDjour et d'habitation, dans des pieces annexes non aérées, dans des armoires ou des renfonçements sans distance avec des éléments inflammables, mais aussi dans les combles (piece sous le faitage et pieces voisines) avec tirage direct du conduit de fumées/d'admission d'air à travers le toit.
Le lieu d'implantation doit être protégé contre le gel.
Implantation pour fonctionnement avec une cheminée
(types B23 et B33 )
Une implantation n'est admise qu'en présence d'une ouverture directe d'admission d'air (non verrouillable) d'une section libre de 150~cm^2 minimum (conformément aux normes et directives en vigueur).
L'implantation dans les pièces d'habitation et deSEDjour n'est pas possible (exception : fonctionnement avec arrivée indirecte d'air ambient). La Vitodens doit être fixée à proximite de la cheminée/ du conduit de cheminée.
Mise en place
- Pas d'air pollué par des hydrocarbures halogénés (contenus par ex. dans des aérosols, des peintures, des solvants et des nettoyants)
Pas de poussière abondante
Pas de forte humidité de l'air
Local protégé du gel et bien ventilé
Dans le cas contraire, des dysfonctionnements et des dommages de l'installation sont possibles.
Dans les locaux dans lesquels l'air risque d'être pollué par des hydrocarbures halogenés, la Vitodens ne doit fonctionner qu'avac une ventouse.
La garantie sera sans objet pour tout dommage subi par la chaudiere attribuable à une non-observation de ces consignes.
Raccordement à une ventouse
La chaudière est de catégorie C_13 , C_33 , C_43 , C_63 .
Si la Vitodens 200 fonctionne en circuit étanche, elle peut être placée dans toute piece quelles que soient sa taille et sa ventilation.
Elle pourrait être installée dans des pieces d'habitation, des pièc annexes non ventilées, des placards et des renfortements mais aussi dans des combles avec traversée directe de tout pour le conduit d'évacuation des fumées/amenée d'air. Les conduits d'évacuation des fumées/amenée d'air pour fonctionnement en circuit étanche.
Traversée verticale du toit
Ventouse horizontalale
Traversée horizontal de toit
ont été testés et certifiés CE avec la Vitodens sous forme d'un ensemble fonctionnel. De ce fait, seuls ces conduits devront être employés avec la chaudière pour un fonctionnement en circuit étanche.
Respecter les prescriptions de l'arrêté du 2 août 1977 et des DTU 24.1 et 61.1. Ces textes précisent notamment les conditions d'implantation du débouché de la ventouse. Celui-ci doit être situé à 0,40 m au moins de toute baie ouvrante et à 0,6 m de tout orifice d'entrée d'air de ventilation.
Protection température des fumées
Si un conduit d'évacuation des fumées autres que les conduits contrôlés indiqués ci-dessus est utilisé sur site, il devra être raccordé conformément aux directives d'homologation des conduits d'évacuation pour fumées à basse température. Pour la Vitodens 333-F, il s'agit des conduits d'évacuation des fumées du groupe de types B (température maxi. admissible des fumées 120^ ).
Dimensionnement de l'installation
La température d'eau de chaudière est limitée à 82^
Pour maintenir les pertes de distribution à un minimum, nous recommendons de dimensionner l'installation de distribution de chaleur sur une température de départ maxi. de 70^ .
- Selon le règlement national en vigueur, l'implantation d'une chaudière à condensation peut faire l'objet d'une obligation de déclaration.
- En raison des faibles températures de return requises pour la condensation, seuls des organes de melange adéquats doivent être montés dans le circuit de chauffage. Si l'utilisation de vannes melangeuses est indispensable, par ex. pour les systèmes à plusieurs circuits ou les planchers chauffants, seules des vannes melangeuses trois voies doivent être installées.
La Vitodens 333-F ne peut être utilisée dans des installations bivalentes (par ex. avec chaudières à combustible solide).
Equipement de sécurité
Selon EN 12828, les chaudières pour les installations de chaufage à eau chaude doivent avoir une température de sécurité maxi. de 100^ et être munies d'une soupape de sécurité homologuée.
Circuits de chauffage
Pour les installations de chauffage munies de tubes en matériel synthétique, nous conseillons l'utilisation de tubes étanches afin d'empêcher la diffusion d'oxygène à travers les parois des tubes. Pour les installations de chauffage munies de tubes en matériel synthétique non étanches à l'oxygène, il est nécessaire de procédér à une séparation des circuits. Nous livrons, pour ce faire, des échéangeurs de chaleur indépendants.
Un pot à boues est à intégrer aux circuits planchers chauffants.
Les planchers chauffants et les circuits de chauffage d'une grande capacité en eau (> 15 litres/kW) doivent être raccordés à la chaudière, même dans le cas de chaudières à condensation, par l'intermédiaire d'une vanne mélangeuse 3 voies ; voir Notice pour l'étude "Régulation des planchers chauffants", "Notice pour l'étude Chaudière" et "Notice pour l'étude Valeurs de referencia concernant la qualité de l'eau".
Conseils pour l'étude (suite)
Un limiteur de température de sécurité doit être monté sur le départ du circuit plancher chauffant afin de limiter la température maximale conformément au DTU 65.8.
Systèmes de tubes en matière synthétique pour radiateurs
Avec des systèmes de tubes en matériel synchéétique pour circuits de chauffage avec radiateurs, il est également recommendé d'utiliser un aquastat de surveillance pour la limitation de température maximale.
Sécurité de manque d'eau
Selon EN 12828, il est possible de se passer de la sécurité de manque d'eau obligatoire pour les chaudières jusqu'à 300 kW lorsqu'il est sur qu'aucun échauffement inacceptable ne peut se produit.
Les chaudières Viessmann Vitodens 333-F sont équipées d'une sécurité de manque d'eau (dispositif anti-marche à vide). Des essais ont démontré qu'en case de manque d'eau eventuel consécutif à une fuite sur l'installation de chauffage alors que le brûleur fonctionne, le brûleur s'arrête sans dispositions supplémentaires avant qu'un échauffement excessif de la chaudière et de la cheminée ne se produit.
Qualité de l'eau/Protection contre le gel
Une eau de replissage et d'appoint inadéquate favorise l'appari-tion de dépôts, de traces de corrosion et peut occasionner des dommages sur la chaudière.
■ Rincer scrupuleusement l'installation de chauffage avant de la replir.
N'utiliser que de I'eau de qualite eau sanitaire.
Toute eau de replissage d'une durée supérieure à 30°f (3,0 mol/m³) devra être adoucie (voir tarif Viessmann).
- Un produit antigel spécifique concu pour les installations de chauffage peut être ajouté à l'eau de replissage. La convenance de ce dernier est à certifier par le fabricant de l'antigel.
- La notice pour l' étude "Valeurs de référence concernant la qualité de l'eau" devra être observée pour la première montée en température et les installations d'un volume supérieur à 20 litres/kW.
Garantie pour ballon d'eau chaude sanitaire
Notre garantie pour les ballons d'eau chaude sanitaire suppose que l'eau a chauffer ait une qualite d'eau sanitaire conforme au décret sur I'eau sanitaire en vigueur et que les dispositifs de traitement de I'eau existants soient en parfait etat de fonctionnement.
Production de condensats et neutralisation
Voir "Notice pour I'etude pour Vitodens".
Recommandation supplémentaire concernant l'implantation de chaudières fonctionnant au propane dans des pieces situées en sous-sol
Selon la réglementation en vigueur, aucune électrovanne gaz de sécurité externe n'est plus nécessaire lors de l'installation de la Vitodens 333-F en sous-sol.
Le haut niveau de sécurité assure par l'électrovanne gaz de sécurité externe a toute fois fait ses preuves. C'est pourquoi nous conseillons l'utilisation d'une electrovanne de sécurité externe lors du montage de la Vitodens 333-F dans des pieces situées en sous-sol.
Raccordement du côté eau chaude sanitaire
Raccordement Selon EN 806.

Eau chaude
Conduite de bouclage
Pompe de bouclage ECS (uniquement en cas de raccordement sans ensemble de raccordement pompe de bouclage ECS)
Clapet anti-retour à ressort (uniquement en cas de raccordement sans ensemble de raccordement pompé de bouclage ECS)
E Débouché visible de la conduite de décharge
F Soupape de sécurité
(6) Vanne d'arrêt
Vanne de réglage du débit Il est recommandé d'implanter et de régler le débit d'eau maxi. du ballon d'eau chaude sanitaire (voir "Caracteristiques techniques")
La soupape de sécurité doit être impératifement montée.
Conseil : monter la soupape de sécurité plus haut que le gallon. Elle sera ainsi protégée des impuretés et du tartre. En outre, il ne sera alors pas nécessaire de vidanger le gallon lors de travaux sur la soupape de sécurité.
Qualité de l'eau sanitaire
Dans le cas de la Vitodens 333-F, type WS3C, nous recommendons d'utiliser un dispositif de traitement de l'eau sur l'arrivée d'eau froide à partir d'une durée de l'eau de 35^ (3,5mol / m^3)
Notice pour l'étude
Autres indications au sujet de l'objet et du dimensionnement, voir "Notice pour l'objet pour Vitodens".
^*1 Un filtré d'eau chaude sanitaire doit être installé sur les installations avec des conduites métalliques. Pour les conduites en matière de synthétique, nous recommendons également l'installation d'un filtré d'eau chaude sanitaire, afin d'empêcher toute contamination de l'installation d'eau chaude sanitaire par des impuretés.
Raccord du manometre
Clapet anti-retour
Vidange
Eau froide
Filtre d'eau chaude sanitaire*1
(2) Réducteur de pression
Clapet anti-retour/disconnecteur
S Vase d'expansion à membrane, adapté à l'eau chaude sanitaire
① Raccord bouclage en cas d'utilisation de l'ensemble de raccordement pompé de bouclage ECS
Vitodens 333-F, type WS3C: raccord bouclage sans ensemble de raccordement pompe de bouclage ECS
Qualité éprouvée
CCeMarquage CE conformément aux directives CE en vigueur.
Satisfait aux valeurs limites du label écologique allemand "Ange Bleu" selon RAL UZ 61.
Sous réserves de modifications techniques!
Notice Facile