VITODENS 333 - Chaudière à condensation VIESSMANN - Notice d'utilisation et mode d'emploi gratuit
Retrouvez gratuitement la notice de l'appareil VITODENS 333 VIESSMANN au format PDF.
| Intitulé | Description |
|---|---|
| Type de produit | Chaudière à gaz à condensation |
| Puissance thermique | De 4 à 32 kW |
| Rendement énergétique | Jusqu'à 98 % (à 40/30 °C) |
| Alimentation électrique | 230 V, 50 Hz |
| Dimensions (HxLxP) | 700 x 400 x 350 mm |
| Poids | Environ 38 kg |
| Type de gaz | Gaz naturel ou GPL |
| Émissions de CO2 | Faibles, respect des normes environnementales |
| Fonctions principales | Chauffage, production d'eau chaude sanitaire |
| Entretien et nettoyage | Entretien annuel recommandé par un professionnel |
| Pièces détachées et réparabilité | Disponibilité de pièces détachées, réparabilité facilitée |
| Sécurité | Système de sécurité intégré, protection contre la surchauffe |
| Compatibilités | Compatible avec systèmes de chauffage central existants |
| Informations générales | Garantie de 2 ans, assistance technique disponible |
FOIRE AUX QUESTIONS - VITODENS 333 VIESSMANN
Questions des utilisateurs sur VITODENS 333 VIESSMANN
Pour régler le contraste de l'écran de votre chaudière Viessmann VITODENS 333, suivez les étapes ci-dessous :
Étapes pour ajuster le contraste de l'écran
- Accéder au menu principal : Appuyez sur le bouton Menu ou Réglages situé sur le panneau de commande de la chaudière.
- Navigation dans les paramètres : Utilisez les flèches ou la molette de navigation pour parcourir les options jusqu'à trouver le menu Affichage ou Écran.
- Réglage du contraste : Sélectionnez l'option Contraste et ajustez le niveau à l'aide des flèches pour augmenter ou diminuer la visibilité selon votre préférence.
- Enregistrer les modifications : Confirmez et sauvegardez les réglages avant de quitter le menu pour que le nouveau contraste soit pris en compte.
Ces réglages permettent d'améliorer la lisibilité de l'écran, notamment dans des conditions de luminosité variables. Si vous ne trouvez pas l'option de contraste, il est possible que votre modèle ait un menu légèrement différent, mais la procédure reste similaire.
Un écran noir sur votre chaudière Viessmann VITODENS 333 peut indiquer un problème d'alimentation ou de fonctionnement de l'appareil. Voici les étapes à suivre pour tenter de résoudre ce problème :
1. Vérification de l'alimentation électrique
- Assurez-vous que la chaudière est bien branchée et que la prise fonctionne.
- Vérifiez que le disjoncteur ou le fusible dédié à la chaudière n'a pas sauté.
2. Contrôle du panneau de commande
- Essayez d'appuyer sur le bouton d'alimentation ou de réinitialisation si votre modèle en est équipé.
- Parfois, un simple redémarrage peut rétablir l'affichage.
3. Redémarrage complet
- Coupez l'alimentation électrique de la chaudière en débranchant ou en coupant le disjoncteur.
- Attendez environ 5 minutes avant de remettre sous tension pour permettre à l'appareil de se réinitialiser.
4. Observation des voyants lumineux
- Si votre chaudière possède des voyants, vérifiez s'ils sont allumés ou clignotants, ce qui peut indiquer un code d'erreur.
Si après ces vérifications l'écran reste noir, il est conseillé de contacter un professionnel qualifié pour diagnostiquer et réparer votre chaudière afin d'assurer votre sécurité et le bon fonctionnement de l'appareil.
La pression adaptée pour la soupape de sécurité d'une chaudière à condensation Viessmann Vitodens 333 est généralement réglée à 3 bars. Cette soupape est conçue pour s'ouvrir automatiquement lorsque la pression dans le circuit de chauffage dépasse ce seuil, afin d'éviter tout risque de surpression pouvant endommager l'installation.
Conseils d'utilisation et sécurité
- Vérification régulière : Il est important de contrôler régulièrement la pression indiquée sur le manomètre de la chaudière. La pression normale de fonctionnement se situe généralement entre 1 et 2 bars.
- Fonctionnement de la soupape : La soupape de sécurité doit s'ouvrir uniquement en cas de dépassement de la pression maximale (3 bars). Si elle fuit ou s'ouvre fréquemment, cela peut indiquer un problème dans le circuit de chauffage.
- Maintenance : Pour garantir la sécurité et la longévité de votre chaudière, assurez-vous que la soupape de sécurité est testée et entretenue régulièrement par un professionnel qualifié.
Respecter ces consignes permet d'assurer un fonctionnement sûr et efficace de votre chaudière Viessmann Vitodens 333.
Oui, il est généralement intéressant de baisser la température de votre chaudière à condensation VIESSMANN VITODENS 333 pendant la nuit. Voici les principaux avantages et recommandations :
Avantages de l'abaissement de la température nocturne
- Économies d'énergie : Réduire la température de consigne la nuit diminue la consommation de gaz ou d'énergie, ce qui peut se traduire par une baisse significative de votre facture de chauffage.
- Confort optimal : Une température légèrement plus basse pendant le sommeil (environ 16 à 18°C) est souvent plus confortable et favorise un meilleur repos.
- Impact environnemental réduit : Moins d'énergie consommée signifie une réduction des émissions de CO2, ce qui est bénéfique pour l'environnement.
- Programmation facilitée : La VITODENS 333 dispose généralement d'une fonction de programmation qui permet de régler facilement des plages horaires avec des températures différentes, optimisant ainsi l'efficacité.
Recommandations importantes
- Ne pas abaisser la température trop bas pour éviter les risques de condensation excessive ou de gel dans les installations, surtout en cas de températures extérieures très basses.
- Maintenir une température minimale recommandée d'environ 16°C pendant la nuit pour préserver le confort et la sécurité du système.
En résumé, l'abaissement nocturne de la température est une pratique efficace pour réaliser des économies tout en maintenant un bon confort, à condition de respecter les limites recommandées.
Pour désactiver le mode veille sur votre chaudière Viessmann Vitodens 333, suivez les étapes ci-dessous :
Étapes pour désactiver le mode veille
- Allumez la chaudière et assurez-vous que l'écran de contrôle est actif.
- Accédez au menu principal en utilisant les boutons situés sur le panneau de commande.
- Recherchez les paramètres de fonctionnement, souvent sous un menu nommé "Réglages", "Configuration" ou "Paramètres avancés".
- Trouvez l'option liée au mode veille ou à l'économie d'énergie. Cette option peut être appelée "Mode veille", "Veille", "Économie d'énergie" ou similaire.
- Désactivez cette fonction en sélectionnant l'option et en la passant de "Activé" à "Désactivé".
- Confirmez les modifications si le système le demande, puis quittez le menu.
Après ces étapes, votre chaudière ne devrait plus passer automatiquement en mode veille. Si vous ne trouvez pas ces options ou si le panneau de commande diffère, il est possible que le modèle ait une interface spécifique. Dans ce cas, vous pouvez contacter le service client Viessmann pour une assistance personnalisée.
Pour contrôler la sonde ECS (Eau Chaude Sanitaire) de votre chaudière Viessmann Vitodens 333, suivez ces étapes précises :
1. Sécurité avant tout
Avant toute manipulation, coupez l'alimentation électrique de la chaudière pour éviter tout risque d'électrocution.
2. Accéder à la sonde ECS
Ouvrez le panneau d'accès de la chaudière. La sonde ECS est généralement située dans le circuit de production d'eau chaude sanitaire, souvent proche du ballon ou du serpentin.
3. Inspection visuelle
- Vérifiez l'état de la sonde : absence de corrosion, de fissures ou de déconnexion des fils.
- Assurez-vous que les connexions électriques sont bien fixées.
4. Mesure de la résistance avec un multimètre
- Débranchez la sonde ECS de ses connecteurs.
- Réglez votre multimètre sur la fonction ohmmètre (mesure de résistance).
- Placez les sondes du multimètre sur les bornes de la sonde.
- La valeur mesurée doit correspondre à la plage indiquée par le fabricant (environ 10 kΩ à 20°C, mais vérifiez la valeur exacte spécifique à votre modèle).
- Une valeur hors norme indique une sonde défectueuse.
5. Vérification fonctionnelle
Si possible, observez le comportement de la chaudière lors de la montée en température de l'eau chaude sanitaire. Une sonde fonctionnelle permet à la chaudière de réguler correctement la température.
6. Remplacement si nécessaire
Si la sonde est endommagée ou si la résistance mesurée est incorrecte, il est recommandé de la remplacer pour assurer un fonctionnement optimal de la chaudière.
Téléchargez la notice de votre Chaudière à condensation au format PDF gratuitement ! Retrouvez votre notice VITODENS 333 - VIESSMANN et reprennez votre appareil électronique en main. Sur cette page sont publiés tous les documents nécessaires à l'utilisation de votre appareil VITODENS 333 de la marque VIESSMANN.
MODE D'EMPLOI VITODENS 333 VIESSMANN
Notice de maintenance pour les professionnels
VIESSMANN
Vitodens 333-F type WR3C
Chaudière compacte gaz à condensation de 5,2 à 26 kW, versions gaz naturel et propane
Remarques concernant la validité, voir dernière page

VITODENS 333-F

Consignes de sécurité

Respecter scrupuleusement ces consignes de sécurité afin d'éviter tout risque et tout dommage pour les personnes et les biens.
Explication des consignes de sécurité

Danger
Ce symbole met en garde contre les dommages pour les personnes.

Attention
Ce symbole met en garde contre les dommages pour les biens et l'environnement.
Remarque
Les indications précédées du mot "Remarque" contiennent des informations supplémentaires.
Destinataires
La presente notice est exclusivement destinée au personnel qualifié.
- Les travaux sur les conduites de gaz ne devront etre effectués que par un installerateur qualifié.
- Les travaux électriques ne devront être effectuels que par des ELECTRICIENS.
La première mise en service devra etre effectuee par l'installeur ou un specialiste designe par lui.
Réglementation à respecter
Lors des travaux, respectez :
la législation concernant la prévention des accidents,
la législation concernant la protection de l'environnement,
la réglementation professionnelle,
les prescriptions de sécurité NBN, NBN EN, RGIE et BELGAQUA en vigueur.
Comportement en cas d'odeur de gaz

Danger
Toute fuite de gaz risque de provoquer des explosions pouvant cause des blessures très graves.
- Ne pas fumer! Eviter toute flamme neue et toute formation d'étincelles. Ne jamais actionner les interrupteurs des lampes et des apparils électriques.
Fermer la vanne d'alimentation de gaz.
Ouvrir les fenêtres et les portes.
Eloigner les personnes de la zone de danger. - Prévenir le fournisseur de gaz et la société de distribution d'électricité depuis l'extérieur du[bâtiment.
Faire couper l'alimentation électrique du batiment depuis un endroit sur (à l'extérieur du batiment).
Consignes de sécurité (suite)
Comportement en cas d'odeur de gaz de combustion

Danger
Les gaz de combustion neuvent entrainer des intoxications mortelles.
- Arrêteur l'installation de chauffage.
Aérer la chaufferie.
Fermer les portes des pièces d'habitation.
Travaux sur l'installation
Si la chaudière fonctionne au gaz, fermer la vanne d'alimentation de gaz et la bloquer pour empêcher toute ouverture intempéstive.
- Mettre l'installation hors tension (par ex. au porte-fusible du tableau électrique ou à l'interrupteur principal) et contrôle l'absence de tension.
- Empêcher la remise sous tension de l'installation.
Attention
Une décharge d'électricité electrostatique risque d'endommager les composants électroniques.
Toucher les objets à la terre comme des conduites de chauffage ou d'eau avant les travaux pour éliminer la charge d'électricité electrostatique.
Travaux de réparation
Attention
Réparer des composants de sécurité nuit au bon fonctionnement de l'installation.
Remplacer les composants défectueux par des pièces Viessmann d'origine.
Composants supplémentaires, pieces de rechange et d'usure
Attention
Les pièces de rechange et d'usure qui n'ont pas été contrôlées avec l'in installation peuvent provoquer des dysfonctionnements. La mise en place de composants non homologués et des modifications non autorisées risquent de nuire à la sécurité et de limiter la garantie.
Si on remplace des pieces, on devra employer les pieces Viessmann d'origine qui convennent ou des pieces équivalentes autorisées par Viessmann.
Sommaire
Sommaire
Première mise en service, contrôle, entretien
List des travaux à effectuer - Première mise en service, contrôle, entretien 6
Autres indications concernant les travaux à effectuer 9
Codages
Codage 1. 51
Codage 2. 54
Remetre les codages à l'etat de livreaison. 78
Interrogations de maintenance
Vue d'ensemble des interfaces de maintenance 79
Temperatures, fiches de codage de chaudiere et brèves interrogations 80
Contralier les sorties (test des relais) 85
Interrogier les états de fonctionnement et les sondes 87
Elimination des pannes
Affichage des defaults 89
Codes de défaut 91
Travaux de réparation 104
Description des fonctions
Régulation pour marche à température d'eau constante 114
Régulation en fonction de la température extérieure 115
Extensions internes pour raccordements externes 118
Extensions externes pour raccordements externes (accessoires) 120
Fonctions de régulation 122
Commutateurs de codage de la commande à distance 129
Régulation électronique de la combustion 129
Schemas
Schemeélectrique-Raccordements internes 131
Scheme electrique - Raccordements externes 132
Listes des pieces détachées 134
Procès-verbaux 141
Ca tréristiques techniques 142
Attestations
Déclaration de conformité 143
Attestation du fabricant selon les prescriptions allemandes (1er BlmSchV).. 144
Sommaire (suite)
Index 145
Liste des travaux à effectuer - Première mise en service, contrôle, entretien
Autres remarques concernant les travaux à effectuer, voir page indiquée

Travaux à effectuer pour la première mise en service
Travaux à effectuer pour le contrôle
Travaux à effectuer pour l'entretien Page
- Remplir l'installation de chauffage 9
- Purger l'air de la chaudière 10
- Purger l'air de l'installation de chauffage 11
- Rabatte la régulation pour les travaux de mise en service et d'entretien 12
- Remplir le siphon d'eau 13
- Contrôler l'étanchéité de tous les raccords côté eau et côté ECS
- Contrôler l'alimentation électrique
- Régler l'heure et la date (si nécessaire) - régulation en fonction de la température extérieure uniquement 14
- Changement de langue (si nécessaire) - régulation en fonction de la température extérieure uniquement 14
- Contrôler le type de gaz 15
- Faire modifier le type de gaz (uniquement en cas de fonctionnement au propane) 16
- Fonctionnement et defaults possibles 16
- Mesurer la pression au repos et la pression d'alimentation 18
- Regler la puissance de chauffage maxi. 19
- Contrôler l'étanchéité de la ventouse (mesure entre les deux tubes) 20
- Démoner le brûleur et contrôle le joint (remplaçer le joint tous les 2 ans) 22
- Contrôler la grille de brûleur 23
Listedes travaixaffectuer-Premiere mise en... (suite)
Travaux à effectuer pour la première mise en service
Travaux à effectuer pour le contrôle
Travaux à effectuer pour l'entretien
Page
-
Contrôler et régler les electrodes d'allumage et d'ionisation 24
-
Nettoyer la chambre de combustion/les surfaces d'échange et monter le brûleur 24
-
Contrôler l'évacuation des condensats et nettoyer le siphon 26
-
Controller l'équipement de neutralisation (si disponible)
-
Contrôler le courant de protection de l'anode avec un contrôleur d'anode 27
23.Nettoyer le préparateur d'eau chaude sanitaire 28
-
Contrôler l'anode au magnésium et la remplaçer (si nécessaire) 30
-
Remetre en service le préparateur d'eau chaude sanitaire 31
-
Contrôler le vase d'expansion à membrane et la pression de l'installation 32
-
S'assurer du bon fonctionnement des soupapes de sécurité
-
S'assurer de la bonne assise des raccordements électriques
-
Contrôler l'étanchéité des parcours de gaz à la pression de service 33
30.Bloquer la régulation 34
-
Contrôler la qualité de la combustion 35
-
Contrôler la soupape de sécurité externe pour propane (si disponible)
-
Adapter la régulation à l'installation de chauffage 36
-
Régler les courbes de chauffe (régulation en fonction de la température extérieure uniquement) 42
Première mise en service, contrôle, entretien
Listedes travaixaffectuer-Premiere mise en... (suite)

Travaux à effectuer pour la première mise en service
Travaux à effectuer pour le contrôle
Travaux à effectuer pour l'entretien
Page
- Intégrer la régulation au LON (régulation en fonction de la température extérieure uniquement) 45
- Explications à donner à l'utilisateur 47
- Interroger et remetre à zéro le message "Entretien" 47
38.Monter les toles avant 50
Autres indications concernant les travaux à effectuer
Remplir l'installation de chauffage
Attention
Une eau de replissage de mauvaise qualité risque d'induire des dépôts et la formation de corrosion et d'endommager la chaudière.
■ Rincer l'installation de chauffage à fond avant le replissage.
- Ne replirl l'installation qu'vec une eau de qualite eau sanitaire.
Une eau de replissage ayant une dureté supérieure à 16,8 °dH (3,0 mmol/l) doit être adoucie, par ex. avec un petit adoucisseur pour eau de chauffage (voir liste de prix Vitoset).
■ Il est possible d'ajouter à l'eau de replissage un antigel adapté aux installations de chauffage.

- Contrôler la pression de gonflage du vase d'expansion à membrane.
- Fermer la vanne d'alimentation gaz.

Autres indications concernant les travaux à ... (suite)
- Remplir l'installation de chauffage par le robinet de remplissage et de vidange de la chaudière (A) sur le retour chauffage (sur l'ensemble de raccordement ou à fournir par l'installateur) (pression d'installation minimale > 1,0 bar).
Remarque
Si la régulation n'a pas encore été enclenchée avant le replissage, le servo-moteur de la vanne d'inversion se trouve en position mediane et l'installation est entière remplie.
- Si la régulation a déjà été enclenchée avant le replissage : enclencher la régulation et activer le programme de replissage par l'adresse de codage "2F:2".
Remarque
Appel du niveau de codage 1 et réglage de l'adresse de codage, voir page 51.
Fonctionnement et déroulement du programme de replissage, voir page 123.
Pendant que le programme de remplissage est activé, la mention
(Vitotronic 200) apparait sur I'ecran.
-
Fermer le robinet de remplissage et de vidange de la chaudière
-
Regler le codage "2F:0".
Purger l'air de la chaudière

-
Fermer les vannes d'arrêt côté eau.
-
Relier le flexible d'évacuation sur le robinet à un raccord eaux usées.
- Ouvrir le robinet et le robinet de remplissage dans le retour chauffage et purger l'air (rincer) avec la pression du réseau jusqu'à ce qu'aucun bruit d'air ne soit plus audible.
- Fermer le robinet (A) et le robinet de replischage dans le retour chauffage, ouvrir les vannes d'arrêt côte eau.
Autres indications concernant les travaux à . . . (suite)
Purger l'air de l'installation de chauffage
-
Fermer la vanne d'alimentation gaz etmettre la régulation en marche.
-
Contrôler la pression de l'installation.
-
Activer le programme de purgege d'air par l'intérimédiaire du codage "2F:1".
Remarque
Appel du niveau de codage 1 et réglage de l'adresse de codage, voir page 51.
Fonctionnement et déroulement du programme de purge d'air, voir page 123.
Pendant que le programme de purge d'air est activé, la mention "EL" (Vitotronic 100) ou "Purge air" (Vitotronic 200) apparait sur l'écran.
Première mise en service, contrôle, entretien
Autres indications concernant les travaux à . . . (suite)
Rabattre la régulation pour les travaux de mise en service et d'entretien

-
Ouvrir le volet (D).
-
Tourner les deux vis A vers le bas.
-
Desserrer les fermétures latérales et basculer la régulation B en avant.
-
Desserer les vis laterales et rabattre la regulation ⑧ avec le cadre-support ⑥.
Autres indications concernant les travaux à . . . (suite)
Remplir le siphon d'eau

- Retirer la tôle d'encapsulation
- Enlever la pince de fixation
-
Tirer le tube d'entrée © vers le haut.
4.Sortir le bocal parlebas. -
Remplir d'eau le siphon et le remonter.
- Relever la régulation avec le cadre-support et la visser.
Autres indications concernant les travaux à ... (suite)
Régler l'heure et la date (si nécessaire) - régulation en fonction de la température extérieure uniquement
Remarque
Si l'heure clignote sur I'écran lors de la première mise en service ou après une période d'arrêt prolongée, il est nécessaire de régler à nouveau la date et l'heure.
Lors de la première mise en service, les indications sont affichées en allemand (état de livreaison):
Heure (voir étape de travail 1.)

Date (voir étape de travail 2.)

Appuyer sur les touches suivantes :
- / pour l'heure.
- OK pour confirmer, "Datum" s'affiche.
- / pour la date.
- OK pour confirmer.
Changement de langue (si nécessaire) - régulation en fonction de la température extérieure uniquement
Remarque
Lors de la première mise en service, les indications sont affichées en allemand (état de livreaison):
Sélection du circuit de chauffage (voir étape de travail 1.)
Heizkreis wahlen

Température extérieure (voir étape de travail 3.)

Appuyer sur les touches suivantes :
- ① "Heizkreis wahlen" s'affiche.
- OK pour confirmation,attendre 4 s environ.

Autres indications concernant les travaux à . . . (suite)
- i une nouvelle fois, "AuBentemperatur" s'affiche.
-
- pour sélectionner la langue souhaitée.
Contrôler le type de gaz
La chaudière est équipée d'une régulation électronique de la combustion qui regule le brûleur en fonction de la qualité du gaz en vue d'obtenir une combustion optimale.
En cas de fonctionnement au gaz naturel, aucune modification n'est par conséquent nécessaire pour toute la plage d'indices de Wobbe. La chaudière peut être exploitée dans la plage d'indices de Wobbe de 10,0 à 16,1 kWh/m³ (36,0 à 58,0 MJ/m³).
- Un passage au propane doit impérativement être effectué par le service après-vente Viessmann.
-
Se renseigner sur le type de gaz et l'indice de Wobbe auprès du fournisseur de gaz ou de propanee.
-
En cas de fonctionnement au propane, faire adapter le brûleur.
- Consigner le type de gaz dans le procès-verbal de la page 141.
Plages d'indices de Wobbe
| Type de gaz | Plage d'indices de Wobbe | |
| kWh/m3 | MJ/m3 | |
| Etat de livreaison | ||
| gaz naturel | de 12,0 à 16,1 | de 43,2 à 58,0 |
| H-G20 | ||
| ou | ||
| gaz naturel | de 10,0 à 13,1 | de 36,0 à 47,2 |
| L-G25 | ||
| après modification | ||
| propane P | de 20,3 à 21,3 | de 72,9 à 76,8 |
Première mise en service, contrôle, entretien
Autres indications concernant les travaux à ... (suite)
Faire modifier le type de gaz (uniquement en cas de fonctionnement au propane)

Fonctionnement et defaults possibles
Autres indications concernant les travaux à ... (suite)

Autres indications relatives aux défauts, voir page 89.
Autres indications concernant les travaux à ... (suite)
Mesurer la pression au repos et la pression d'alimentation

Danger
La formation de monoxyde de carbone suite à un mauvais réglage du brûleur peut entraîner de graves risques pour la santé.
Il faut effectuer une mesure du CO avant et après toute intervention sur les apparèils fonctionnant au gaz.
Fonctionnement au propane
Faire rincer à deux reprises la cuve de propane lors de la première mise en service/de son remplacement. Faire purger à fond l'air de la cuve et de la conduite d'alimentation gaz à l'issue du rincege.

- Fermer la vanne d'alimentation gaz.
- Desserrer la vis du manchon de mesure "PE" sur le bloc combiné gaz, ne pas laPTRirer, et raccorder un manometre.
-
Ouvrir la vanne d'alimentation gaz.
-
Mesurer la pression au repos et consigner la mesure dans le procès-verbal de la page 141.
Valeur de consigne : 57,5 mbar maxi. - Mettre la chaudiere en service.
Remarque
Lors de la première mise en service, la chaudière peut passer en mode de dérangement si de l'air se trouve dans la conduite de gaz. Au bout de 5 s env., appuyer sur la touche "RESET" pour réarmer le brûleur.
6. Mesurer la pression d'alimentation (pression d'écoulement).
Valeur de consigne :
Gaz naturel:20 mbar
Propane:37 mbar
Remarque
Utiliser des appareils de mesure appropriés avec une résolution d'au moins 0,1 mbar pour mesure la pression d'alimentation.
Autres indications concernant les travaux à . . . (suite)
- Consigner la valeur mesurée dans le procès-verbal de la page 141. Preindre la mesure conformément au tableau suivant.
-
Mettre la chaudiere hors service, fermer la vanne d'alimentation gaz, sorting le manometre, fermer le manchon de mesure avec la vis.
-
Ouvrir la vanne d'alimentation gaz etmettre l'appareil en service.

Danger
Toute fuite de gaz au niveau du manchon de mesure presente un risque d'explosion. Vérifier que le manchon de mesure (A) est étanche au gaz.
| Pression d'alienation Gaz naturel | Pression d'alienation Propane | Mesures |
| inférieure à 18 mbar (H-G20) 20 mbar (L-G25) | inférieure à 31,5 mbar | Ne procéder àaucun réglage et prévenir le distributeur de gaz naturel ou le fournisseur de propane. |
| de 18 à 25 mbar (H-G20) de 20 à 30 mbar (L-G25) | de 31,5 à 42,5 mbar | Mettre la chaudière en service. |
| supérieure à 25 mbar (H-G20) 30 mbar (L-G25) | supérieure à 42,5 mbar | Monter un pressostat gaz indépendant en amont de la chaudière et régler la pression à 20 mbar pour le gaz naturel H-G20 et à 37 mbar pour le propane. Prévenir le distributeur de gaz naturel ou le fournisseur de propane. |
Régler la puissance de chauffage maxi.
La puissance de chauffage maxi. peut être limitée pour le mode de chauffage. La limitation est régée au moyen de la plage de modulation. La puissance de chauffage maxi. régable est limitée par la fiche de codage de la chaudière.
- Mettre la chaudiere en service.

Autres indications concernant les travaux à ... (suite)
-
0 + 1 appuyer simultanément sur ces touches : Une valeur clignote sur l'écran (par ex. "85") et "I" est affiché. A l'état de livraison, cette valeur correspond à 100% de la puissance nominale. Dans le cas de la régulation en fonction de la température extérieure, "Puisss. chauff. max." s'affiche également. + / - pour la valeur désirée en % de la puissance nominale comme puissance maxi.
OK pour confirmation. -
Consigner la puissance de chiffage maxi. définie sur la plaque signalétique supplémentaire jointe à la "documentation technique". Coller cette plaque signalétique à proximé de la plaque signalétique se trouvant sur la partie supérieure.
Contrôler l'étanchéité de la ventouse (mesure entre les deux tubes)

Ouverture d'air de combustion (admission d'air)
Autres indications concernant les travaux à . . . (suite)
Pour les ventouses contrôlees avec la chaudière murale gaz, le contrôle de l'étanchéité (contrôle en surpression) par le maître ramoneur compétent à la mise en service n'a plus lieu d'être. Nous recommendons dans ce cas que le chauffagiste effectue un contrôle simplifié de l'étanchéité à la mise en service de l'installation. Il suffit de mesurer la teneur en CO2 ou en O2 de l'air de combustion dans l'espace séparant les deux tubes de la ventouse.
Le conduit d'évacuation des fumées sera considéré comme suffisamment étanche si la teneur en CO2 de l'air de combustion est inférieure à 0,2% ou si la teneur en O2 est supérieure à 20,6%.
Si l'on mesure des teneurs en CO2 supérieures ou des teneurs en O2 inférieures à ces valeurs, il est indispensable de réaliser un contrôle du conduit d'évacuation des fumées à une pression statique de 200 Pa.
Première mise en service, contrôle, entretien
Autres indications concernant les travaux à . . . (suite)
Démonter le brûleur et contrôle le joint (remplaçer le joint tous les 2 ans)

-
Couper l'interrupteur d'alimentation électrique sur la régulation et couper l'alimentation secteur.
-
Fermer et bloquer la vanne d'alimentation gaz.
-
Débrancher les cables électriques du moteur du ventilateur (A), du bloc combiné gaz (B), de l'électrode d'ionisation (C), de l'allumeur (D) et de la mise à la terre (E).
-
Desserrer le raccord filtré de la conduite d'alimentation gaz (F).
Autres indications concernant les travaux à . . . (suite)
- Dévisser les quatre écrous ⑥ etsterolbrûleur.
Attention
Ne pas endommager la grille métallique.
Ne pas poser le brûleur sur la grille de brûleur!
- Vérifier si le joint du brûleur (H) est endommagé.
Le joint du brûleur doit être remplacé tous les 2 ans.
Contrôler la grille de brûleur
Si la grille métallique est endommagée, replacer la grille de brûleur.

- Demonter les electrodes A.
-
Dévisser les trois écrous (B) et rétar la grille de brûleur (C).
-
Retirer l'ancien joint de la grille de brûleur (D).

Autres indications concernant les travaux à . . . (suite)
- Mettre en place la nouvelle grille de brûleur avec un joint neuf et la fixer à l'aide des trois écrous.
Remarque
Couple de serrage : 4 Nm
Contrôler et régler les électrodes d'allumage et d'ionisation



Electrodes d'allumage
- Contrôler l'usure et l'encrassement des électrodes.
- Nettoyer les electrodes avec une petite Brosse (non métallique) ou à la toile émeri.
Attention
Ne pas endommager la grille métallique!
B Electrode d'ionisation
- Contrôler les écartements. Si les écartements ne sont pas corrects ou si les electrodes sont endommages, remplaner et ajuster les electrodes avec le joint. Serrer les vis de fixation des electrodes avec un couple de 2,5 Nm.
Nettoyer la chambre de combustion/les surfaces d'échange et monter le brûleur
Attention La présence de rayures sur les pieces en contact avec les fumées peut etre a l'origine de corrosion.
Ne pas brosser les surfaces d'échange!
Autres indications concernant les travaux à . . . (suite)

- Aspirer les dépôts prênts sur les surfaces d'échange (A) de la chambre de combustion.
-
Si nécessaire, vaporiser les surfaces d'échange (A) à l'aide d'un produit de nettoyage légarement acide, exempt de chlorure, à base d'acide phosphorique (par ex. Antox 75 E) et laisser agir pendant 20 mn mini.
-
Rincer à fond les surfaces d'échange A avec de l'eau.
- Mettre le bruleur en place. Visser l'écrou avec la rondelle dentée et les écrous restants et les serrer deux par deux en diagonale avec un couple de 4 Nm.
- Monter la conduite d'alimentation gaz avec un joint neuf.
- Contrôler l'étanchéité des raccords côte gaz.

Danger
Toute fuite de gaz presente un risque d'explosion.
Contrcler l'etanchete au gaz du raccord filtet.
- Engager les cables electriques sur les composants correspondants.
Première mise en service, contrôle, entretien
Autres indications concernant les travaux à . . . (suite)
Contrôler l'évacuation des condensats et nettoyer le siphon

- Vérifier si les condensats peuvent s'écouler librement dans le siphon.
- Enlever la pince de fixation .
-
Tirer le tube d'entrée (B) vers le haut.
4.Sortir le bocal par le bas. -
Retirer le flexible condensats du bocal C
- Nettoyer le siphon.
- Remplir d'eau le siphon et le remonter.
Autres indications concernant les travaux à . . . (suite)
Contrôler le courant de protection de l'anode avec un contrôleur d'anode
Remarque
Nous recommandons de contrôle annuellement le fonctionnement de l'anode au magnésium. Le contrôle peut être effectué sans interruption du fonctionnement en mesurant le courant de protection à l'aide d'un contrôleur d'anode.

5687 686 B/f
1. Démonter le siphon (voir page 26).
2. Retirer le cache
Première mise en service, contrôle, entretien
Autres indications concernant les travaux à ... (suite)
-
Séparer le cable de masse B de la languette A.
-
Raccorder l'appareil de mesure (jusqu'à 5 mA) en série entre la langueue (A) et le cable de masse (B).
Si l'intensité est >0,3mA I'anode est opérationnelle.
Si l'intensité est < 0,3mA voire nulle, soumettre l'anode à un contrôle visuel (voir page 30).
Nettoyer le préparateur d'eau chaude sanitaire
Remarque
La norme EN 806 prescrit une inspection et (si nécessaire) un nettoyage au plus tard deux ans après la mise en service puis selon les besoin.
Autres indications concernant les travaux à . . . (suite)

- Vidanger le préparateur d'eau chaude sanitaire.
- Démonter le siphon (voir page 26).
-
Démonter la trappe A
-
Séparer le préparateur d'eau chaude sanitaire des conduites pour prévenir la pénetration d'im-puretés.

Autres indications concernant les travaux à . . . (suite)
- Eliminer les dépôts faiblement adhérent à l'aide d'un nettoyeur haute pression.
Attention
Pour le nettoyage interieur, utiliser uniquement des outils en matériel synthese-tique.
- Eliminer les dépôts fortement adhérents, qui résistant au nettoyeur haute pression, à l'aide d'un produit chimique.
Attention
Ne pas utiliser de produit de nettoyage contenant de l'acide chlorhydrique.
- Rincer à fond le préparateur d'eau chaude sanitaire après le nettoyage.
Contrôler l'anode au magnésium et la remplaçer (si nécessaire)
Contrôler l'anode au magnésium. Si l'anode au magnésium est usée à 10 - 15 mm Ø, nous recommendons de la replacer.
Autres indications concernant les travaux à . . . (suite)
Remetre en service le préparateur d'eau chaude sanitaire

- Raccorder de nouveau le préparateur d'eau chaude sanitaire aux conduites.
-
Placer un joint © neuf sur la trappe D.
-
Monter la trappe et serrer les vis avec un couple maxi. de 25 Nm.
- Engager le cable de masse B sur la languette A
- Remonter le cache E

Autres indications concernant les travaux à . . . (suite)
-
Remplir le préparateur d'eau chaude sanitaire avec de l'eau chaude sanitaire.
-
Monter le siphon.
Contrôler le vase d'expansion à membrane et la pression de l'installation

Remarque
Effectuer le contrôle, installation froide.
-
Vidanger l'installation jusqu'à ce que le manomètre indique "0".
-
Si la pression de gonflage du vase d'expansion à membrane est inférieure à la pression statique de l'installation: faire l'appoint d'azote sur le raccord (A) jusqu'à ce que la pression de gonflage soit supérieure de 0,1 à 0,2 bar.

Autres indications concernant les travaux à . . . (suite)
- Rajouter de l'eau jusqu'à ce que la pression de replissage dépasse de 0,1 à 0,2 bar la pression de gonflage du vase d'expansion à membrane, installation froide. Pression de service maxi.: 3 bar
Contrôler l'étanchéité des parcours de gaz à la pression de service

Danger
Toute fuite de gaz presente un risque d'explosion.
Contrôler l'étanchéité des par-cours de gaz.
Première mise en service, contrôle, entretien
Autres indications concernant les travaux à . . . (suite)
Bloquer la régulation

-
Relever la régulation (B) avec le cadre-support (E) et serrer les vis latérales.
-
Relever la régulation (B) et fermer les dispositifs de ferméture latéraux (C).
-
Tourner les deux vis A vers le haut jusqu'au milieu des dispositifs de fermeture lateraux C.
-
Fermer le volet (日)
Autres indications concernant les travaux à . . . (suite)
Contrôler la qualité de la combustion
La régulation électronique de la combustion assure automatiquement une qualité de combustion optimale. Lors de la première mise en service ou d'un entretien, il suffit de contrôler les valeurs de combustion. A cet effet, mesurer la teneur en CO2 ou en O2 . Description du fonctionnement de la régulation électronique de la combustion, voir page 129.
Teneur en CO_2 ou en O2
La teneur en CO_2 mesure avec la puissance inférieure et supérieure doit se situer dans les plages suivantes:
- de 7,7 à 9,2 % pour le gaz naturel H-G20 et L-G25
- de 9,3 à 10,9 % pour le propane P
La teneur en O_2 doit être comprise entre 4,4 et 6,9% ,quel que soit le type de gaz.
Si la valeur de CO_2 ou d'O₂ mesurée se situe en dehors de la plage indiquée, procédé comme suit :
- Contrôler l'étanchéité de la ventouse, voir page 20.
- Contrôler l'électrode d'ionisation et le cable de raccordement, voir page 24.
- Contrôler les paramètres de la régulation de combustion, voir page 111.
Remarque
La régulation de la combustion effectue un calibrage automatique lors de la mise en service. Des émissions de CO supérieures à 1000 ppm peuvent apparaître brievement à cette occasion.

- Raccorder l'analyseur de gaz de fumées à l'ouverture de fumées (A) de la manchette de raccordement à la chaudière.
- Ouvrir la vanne d'alimentation gaz,mettre la chaudiere en service etprovoquer une demande de chaleur.
Autres indications concernant les travaux à ... (suite)
- Régler la puissance inférieure.
Régulation pour marche à température d'eau constante :
- OK appuyer simultanément sur ces touches : "1" est affché.
Régulation en fonction de la tempérapure extérieure :
-
OK appuyer simultanément sur ces touches : "Test relat" puis "Charge de base" sont affichés.
-
Contrôler la teneur en CO_2 : Si la valeur s'écarte des plages indiquées ci-dessus de plus de 1% , prendre les mesures indiquées page 35.
-
Consigner la valeur dans le procés-verbal.
-
Régler la puissance supérieure.
Régulation pour marche à température d'eau constante :
appuyer sur cette touche : "2" est affché.
Régulation en fonction de la tempérapure extérieure :
appuyer sur cette touche : "Pleine charge" est affché.
- Contrôler la teneur en CO_2 : Si la valeur s'écarte des plages indiquées ci-dessus de plus de 1% , prendre les mesures indiquées page 35.
- Une fois le contrôle effectué, appuyer sur OK.
- Consigner la valeur dans le procés-verbal.
Adapter la régulation à l'installation de chauffage
Remarque
La régulation doit être adaptée en fonction de l'équipment de l'installation. Divers composants de l'installation sont automatiquement reconnus par la régulation et le codage alors automatiquement régèle.
Pour le choix du schéma, se référer aux figures ci-après.
- Opérations de codage, voir page 51.
Autres indications concernant les travaux à . . . (suite)
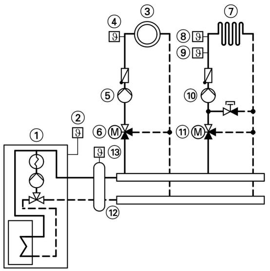
Version d'installation 1
Un circuit de chauffage sans vanne mélangeuse A1

① Vitodens 333-F
② Sonde extérieure (régulation en fonction de la température extérieure uniquement)
(3) Vitotrol 100 (régulation pour marché à température d'eau constante uniquement)
④ Circuit de chauffage sans vanne mélangeuse A1
Codage requis
| Fonctionnement au propanee | 82:1 |
Autres indications concernant les travaux à ... (suite)
Version d'installation 2
Un circuit de chauffage avec vanne mélangeuse M2 et bouteille de découplage

① Vitodens 333-F
② Sonde extérieure
③ Circuit de chauffage avec vanne mélangeuse M2
④ Aquastat de surveillance comme limitation maximale de températe pour plancher chauffant
⑤ Sonde de département M2
⑥ Pompe de circuit de chauffage M2
⑦ Equipement de motorisation pour un circuit de chauffage avec vanne mélangeuse M2
⑧ Bouteille de découplage
⑨ Sonde de départ de la bouteille de découplage
Codages nécessaires
| Fonctionnement au propane | 82:1 |
| Installation avec un circuit de chauffage muni d'une vanne mélangeuse | 00:4 |
| avec production d'eau chaude sanitaire |
Autres indications concernant les travaux à . . . (suite)
Version d'installation 3
Un circuit de chauffage sans vanne mélangeuse A1 et un circuit de chauffage avec vanne mélangeuse M2

① Vitodens 333-F
② Sonde extérieure
③ Circuit de chauffage sans vanne mélangeuse A1
Circuit de chauffage avec vanne mélangeuse M2
⑤ Aquastat de surveillance comme limitation maximale de tempéra-ture pour plancher chauffant
⑥ Sonde de départ M2
⑦ Pompe de circuit de chauffage M2
⑧ Equipement de motorisation pour un circuit de chauffage avec vanne melangeuse M2
Remarque
Le débit volumique du circuit de chauffage sans vanne mélangeuse doit être supérieur de 30% minimum au débit volumique du circuit de chauffage avec vanne mélangeuse.
Codages nécessaires
| Fonctionnement au propanee | 82:1 |
Autres indications concernant les travaux à . . . (suite)
Version d'installation 4
Un circuit de chauffage sans vanne mélangeuse A1, un circuit de chauffage avec vanne mélangeuse M2 et séparation des circuits

① Vitodens 333-F
② Sonde extérieure
③ Circuit de chauffage sans vanne mélangeuse A1
④ Circuit de chauffage avec vanne mélangeuse M2
⑤ Aquastat de surveillance comme limitation maximale de températe pour plancher chauffant
⑥ Sonde de départ M2
⑦ Pompe de circuit de chauffage M2
⑧ Equipement de motorisation pour un circuit de chauffage avec vanne mélangeuse M2
⑨ Echangeur de chaleur pour la séparation des circuits
Codages nécessaires
Fonctionnement au propane
82:1
Autres indications concernant les travaux à . . . (suite)
Version d'installation 5
Un circuit de chauffage avec vanne mélangeuse M1 (avec Vitotronic 200-H), un circuit de chauffage avec vanne mélangeuse M2 (avec équipement de motorisation) et bouteille de découvertage (avec/sans production d'ECS)

① Vitodens 333-F
② Sonde extérieure
③ Circuit de chauffage avec vanne mélangeuse M1
④ Sonde de départ M1
⑤ Pompe de circuit de chauffage M1
(6) Vitotronic 200-H
⑦ Circuit de chauffage avec vanne mélangeuse M2
(8) Aquastat de surveillance comme limitation maximale de température pour plancher chauffant
⑨ Sonde de département M2
10 Pompe de circuit de chauffage M2
⑪ Equipement de motorisation pour un circuit de chauffage avec vanne mélangeuse M2
12 Bouteille de découplage
13 Sonde de départ de la bouteille de découplage
Codages nécessaires
| Fonctionnement au propane | 82:1 |
| Installation avec un circuit de chauffage muni d'une vanne mélangeuse | 00:4 |
| avec production d'eau chaude sanitaire |
Autres indications concernant les travaux à . . . (suite)
Régler les courbes de chauffe (régulation en fonction de la température extérieure uniquement)
Les courbes de chauffe représentent la relation entre la température extérieure et la température d'eau de chaudière ou de départ.
Plus simplement : plus la températe extérieure est basse, plus la températe d'eau de chaudière ou de départ est élevé.
La température ambiente est fonction de la température d'eau de chaudière ou de départ.
Réglage en état de livreaison :
pente = 1,4
■ parallele = 0

A Pente de la courbe de chauffe pour les planchers chauffants
B Pente de la courbe de chauffe pour les chauffages basse température
Autres indications concernant les travaux à . . . (suite)
Modifier la pente et la parallele

1. Pente:
Modifier par l'adresse de codage "d3" en codage 1.
Valeur régblale de 2 à 35 (correspond à une pente de 0,2 à 3,5).
2. Parallele :
Modifier par l'adresse de codage "d4" en codage 1.
Valeur régblable de -13 à +40 K.
A Modifier la pente
B Modifier la parallele (décalage vertical parallele à la courbe de chauffe)
Autres indications concernant les travaux à ... (suite)
Régler la température ambiente de consigne
Température ambiente normale

Exemple 1: température ambiente normale passée de 20 à 26^
A Température d'eau de chaudière ou de départ en °C
B Température extérieure en °C
Température ambiente de consigné en °C
Circulateur chauffage "arret"
E Circulateur chauffage "marche"
Appuyer sur les touches suivantes :
- "1Ⅲ" clignote.
- OK pour selectionner le circuit de chauffage A1 (circuit de chauffage sans vanne melangeuse) ou
- "2III" clignote.
-
OK pour selectionner le circuit de chauffage M2 (circuit de chauffage avec vanne melangeuse).
-
Regler la valeur de consigne de température de jour à l'aide du bouton " 1 2
La valeur est automatiquement enregistrée au bout de 2 s environ. La courbe de chauffe est décalée parallèlement le long de l'axe (température ambiente de consigné) et induit une modification de la marche et de l'arrêt des circulateursurs chauffage si la fonction de logique de pompe est activée.
Température ambiente réduite

Exemple 2: température ambiente réduite passée de 5^ à 14^
A Température d'eau de chaudière ou de départ en °C
B Température extérieure en °C
Température ambiente de consigné en °C
Circulateur chauffage "arrêt"
E Circulateur chauffage "marche"
Appuyer sur les touches suivantes :
- "1III"clignote.

Autres indications concernant les travaux à ... (suite)
- OK pour selectionner le circuit de chauffage A1 (circuit de chauffage sans vanne mélangeuse) ou
- appeler la valeur de consigne de température de nuit.
- / modifier la valeur.
- "2III"clignote.
- OK confirmer la valeur.
- OK pour selectionner le circuit de chauffage M2 (circuit de chauffage avec vanne mélangeuse).
Intégrer la régulation au LON (régulation en fonction de la température extérieure uniquement)
Le module de communication LON (accessoire) doit être en place.

Notice de montage Module de communication LON
Remarque
La transmission des données via le LON peut durer quelques minutes.
Installation à une chaudière avec Vitotronic 200-H et Vitocom 300
Réglage des numérios de participant au LON et des autres fonctions par le codage 2 (voir tableau suivant).
Remarque
Ne pas attribuer deux fois le même numéro à l'intérieur d'un système LON.
Une seule Vitotronic peut être codée comme gestionnaire des défauts.
| Régulation de chaudière | Vitotronic 200-H | Vitotronic 200-H | Vitocom |

Autres indications concernant les travaux à ... (suite)
| Régulation de chaudière | Vitotronic 200-H | Vitotronic 200-H | Vitocom |
| N° de participant 1 Codage "77:1" | N° de participant 10 Codage "77:10" | N° de participant 11 Régler le codage "77:11" | N° de particip- pant 99 |
| La régulation est le gestionnaire des dé-fauts Codage "79:1" | La régulation n'est pas le gestionnaire des défauts Codage "79:0" | La régulation n'est pas le gestionnaire des défauts Codage "79:0" | L'appareil est le gestion- naire des dé-fauts |
| La régulation envoie l'heure Codage "7b:1" | La régulation recoit l'heure Régler le codage "81:3" | La régulation recoit l'heure Régler le codage "81:3" | L'appareil re- goit l'heure |
| La régulation envoie la température exté-rieure Régler le codage "97:2" | La régulation recoit la température ex- térieure Régler le codage "97:1" | La régulation recoit la température ex- térieure Régler le codage "97:1" | — |
| Surveillance des dé-fauts des particip- pants au LON Codage "9C:20" | Surveillance des défauts des particip- pants au LON Codage "9C:20" | Surveillance des défauts des particip- pants au LON Codage "9C:20" | — |
Mettre à jour la liste des participants au LON
N'est possible que si tous les apparreils sont raccordes et que la regulation a ete codee comme gestionnaire de defaults (codage "79:1").
- 串
La liste des participants est mise à jour au bout de 2 minutes.
Le test des participants est terminé.
Appuyer sur les touches suivantes :
-
- appuyer en même temps pendant 2 s environ. Le contrôle des participants est démarré (voir page 46).
Contrôler les participants
Le contrôle des participants vérifie la communication des apparéils d'une installation raccordés au gestionnaire des défauts.
Autres indications concernant les travaux à ... (suite)
Conditions préalables :
La régulation doit être codée comme gestionnaire des défauts (codage "79:1")
Le N° de participant au LON doit être codé dans toutes les régulations (voir page 46).
La liste des participants doit être à jour dans le gestionnaire des défauts (voir page 46).

A Numéro dans la liste de participants
Numéro de participant
Appuyer sur les touches suivantes :
-
- Ok Appuyer en même temps sur ces deux touches pendant env. 2 s. Le contrôle des participants est démarré.
-
/ pour le participant désiré.
- OK Le contrôle est activé. "Test" clignote jusqu'à la fin du contrôle. L'écran et toutes les touches de l'appareil sélectionné clignotent pendant 60 s environ.
- Si une communication existe entre les deux apparèils "Test OK" s'affiche.
ou
"Echec Test" s'affiche s'il n'y a pas de communication entre les deux apparèils. Vérifier la liaison LON.
- Proceder comme décrit aux points 2 et 3 pour contrôle d'autres participants.
-
- OK Appuyer en même temps sur ces deux touches pendant env. 1 s. Le test des participants est terminé.
Explications à donner à l'utilisateur
L'installateur devra remetre la notice d'utilisation à l'utilisateur et lui expliquer le fonctionnement de l'installation.
Interrogger et remetre à zéro le message "Entretien"
Lorsque les valeurs limites prédéfinies sont atteintes via les adresses de codage "21" et "23", levoyant de dérangement rouge se met à clignoter. Les données suivantes clignotent sur l'écran du module de commande :
Autres indications concernant les travaux à . . . (suite)
Avec une régulation pour marche à température d'eau constante : Le nombre d'heures de fonctionnement ou l'intervalle de temps prédéfinis avec le symbole de l'horloge "①" (en fonction du réglage)
Avec une régulation en fonction de la température extérieure : "Entretien"
Remarque
Si des travaux d'entretien sont effectués avant que le message d'entretien ne soit affché, paramétrer le codage "24:1" puis le codage "24:0"; les paramètres d'entretien régés pour les heures de fonctionnement et l'intervalle de temps recommencement à 0.
Appuyer sur les touches suivantes :
- (i)
L'interrogation entretien est activée.
- /
Interrogation des messages d'entretien.
- OK
Levoyant d'entretien s'éteint (danslecasd'une régulation en fonction de la température extérieure: confirmer une nouvelle fois "Acquitter:oui"avec (OK) . Levoyant de dérangement rouge continue de clignoter.
Remarque
Un message d'entretien acquitté peut être affiché à nouveau en appuyant sur (environ 3 s).
Autres indications concernant les travaux à . . . (suite)
Une fois l'entretieneffectue,
- Modifier le codage "24:1" en "24:0". Levoyant de dérangement rouge s'eteint.
Remarque
Si l'adresse de codage "24" n'est pas remise à zéro, le message "Entretien" s'affiche de nouveau.
Avec une régulation pour marche à température d'eau constante : au bout de 24 heures
Avec une régulation en fonction de la température extérieure : le lundi, à 7h00
- Si nécessaire, remetre à zéro les heures de fonctionnement du brû-leur, les démarages du brûleur et la consommation
Appuyer sur les touches suivantes :
L'interrogation est activée.
/ pour la valeur désirée.
La valeur sélectionnée est mise à "0".
/ pour d'autres interrogations.
_ L'interrogation est terminée.
Première mise en service, contrôle, entretien
Autres indications concernant les travaux à . . . (suite)
Monter les tôles avant

Codage 1
Appeler le codage 1
Remarque
Sur la régulation en fonction de la température extérieure, les codages sont affichés en texte clair.
- Les codages qui ne sont pas importants par suite de l'équipment de l'installation de chauffage ou du réglage d'autres codages ne sont pas affichés.
Installations de chauffage équipées d'un circuit de chauffage sans vanne mélangeuse et d'un circuit de chauffage avec vanne mélangeuse : Les adresses de codage possibles de "A0" à "d4" sont d'abord affichées pour le circuit de chauffage sans vanne mélangeuse A1 puis pour le circuit de chauffage avec vanne mélangeuse M2.
Appuyer sur les touches suivantes :
-
0 + 0 appuyer en même temps pendant 2 s environ.
-
() / () pour l'adresse de codage désirée, l'adresse cli-gnote.
- OK pour confirmation.
- () / () pour la valeur désirée.
- OK pour confirmation, "Mémorisé" (régulation en fonction de la tempé-rature extérieure) est affi-ché brièvement à l'écran et l'adresse clignote à nouveau.
- () / () pour sélectionner d'autres adresses.
- 0 + 0 appuyer en même temps pendant 1 s environ, le codage 1 est terminé.
Codage 1 (suite)
Récapitulatif
Codages
| Codage en état de livreaison | Modification possible | ||
| Schéma hydraulique | |||
| 00:2 | Version d'installation 1 : 1 circuit de chauffage sans vanne mélangeuse A1, avec production d'ECS | 00:4 | Versions d'installation 2, 5 : 1 circuit de chauffage avec vanne mélangeuse M2, avec production ECS |
| 00:6 | Versions d'installation 3, 4 : 1 circuit de chauffage sans vanne mélangeuse A1 et 1 circuit de chaufage avec vanne mélangeuse M2, avec production ECS | ||
Temp. max. chaud.
| 06:… | Limitation maximale de la température de l'eau de chaudière, prescrite par la fiche de codage de la chaudière en °C | 06:20 à 06:127 | Limitation maximale de la température de l'eau de chaudière au sein des plages prescrites par la chaudière |
Purge air/Remplis.
| 2F:0 | Programmes inactivés | 2F:1 | Programme de purge d'air activé |
| 2F:2 | Programme de replis-sage activé |
| Codage en état de livraison | Modification possible | ||
| N° participant | |||
| 77:1 | Numéro de participant LON (régulation en fonction de la tempora-ture extérieure uniqu-ment) | 77:2 à 77:99 | Numéro de participant au LON régiable de 1 à 99 : 1 - 4 = chaudière 5 = cascade 10 - 98 = Vitotronic 200-H 99 = Vitocom Remarque Chaque numéro ne peut être attribué qu'une seule fois. |
| Mode éco. éted A1/M2 | |||
| A5:5 | Avec fonction de lo-gique de pompé de cir-cuit de chauffage (régulation en fonction de la temporature extérieure uniquement) | A5:0 | Sans fonction de logique de pompé de circuit de chauffage |
| Temp. mini. dép. A1/M2 | |||
| C5:20 | Limitation minimale électronique de la tem-pérature de départ à 20 °C (régulation en fonction de la temporature extérieure uniqu-ment) | C5:1 à C5:127 | Limitation minimale ré-glable de 10 à 127 °C (li-mitée par la fiche de codage de la chaudière) |
| Temp. max. dép. A1/M2 | |||
| C6:74 | Limitation électronique maximale de la tempé-rature de départ à 74 °C (régulation en fonction de la temporature extérieure uniqu-ment) | C6:10 à C6:127 | Limitation maximale ré-glable de 10 à 127 °C (li-mitée par la fiche de codage de la chaudière) |
| Pente A1/M2 | |||
| d3:14 | Pente de la courbe de chauffe = 1,4 (régula-tion en fonction de la température extérieure uniquement) | d3:2 à d3:35 | Pente de la courbe de chauffe régiable de 0,2 à 3,5 (voir page 42) |
Codages
Codage 1 (suite)
| Codage en état de livraison | Modification possible | ||
| Parallax A1/M2 | |||
| d4:0 | Parallax de la courbe de chauffe = 0 ( régulation en fonction de la température extérieure uniquement) | d4:-13 à d4:40 | Parallax de la courbe de chauffe régiable de -13 à 40 (voir page 42) |
Codage 2
Appeler le codage 2
Remarque
Sur la régulation en fonction de la température extérieure, les codages sont affichés en texte clair.
- Les codages qui ne sont pas importants par suite de l'équipment de l'installation de chauffage ou du réglage d'autres codages ne sont pas affichés.
Appuyer sur les touches suivantes :
-
- appuyer en même temps pendant 2 s environ.
- @ pour confirmation.
- () / () pour l'adresse de codage désirée, l'adresse clignote.
- OK pour confirmation, la valeur clignote.
-
/ pour la valeur désirée.
-
OK
pour confirmation, "Mémorisé" (regulation en fonction de la tempé rature extérieure) est affché brievement à l'écran et l'adresse clignote à nouveau.
- /
pour sélectionner d'autres adresses. -
- appuyer en même temps pendant 1 s environ, le codage 2 est terminé.
Les adresses de codage sont structurées selon les fonctions suivantes. La fonction correspondante est afficée à l'écran. / permettent de naviguer dans les fonctions dans l'ordre suivant :
Codage 2 (suite)
| Fonction | Adresses de codage |
| Schéma hydraulique | 00 |
| Chaudière/brûleur | de 06 à 54 |
| Eau chaude sanitaire | de 56 à 73 |
| Généralités | de 76 à 9F |
| Circuit de chauffage A1 (sans vanne mélangeuse) | A0 à Fb |
| Circuit de chauffage M2 (avec vanne mélangeuse) | A0 à Fb |
Remarque
Installations de chauffage équipées d'un circuit de chauffage sans vanne mélangeuse et d'un circuit de chauffage avec vanne mélangeuse :
les adresses de codage possibles de "A0" à "Fb" sont d'abord affichées pour le circuit de chauffage sans vanne mélangeuse A1 puis pour le circuit de chaufage avec vanne mélangeuse M2.
Codages
| Codage en état de livraison | Modification possible | ||
| Schéma hydraulique | |||
| 00:2 | Version d'installation 1 : 1 circuit de chauffage sans vanne mélan-geuse A1, avec production d'ECS | 00:4 | Versions d'installation 2, 5 : 1 circuit de chauffage avec vanne mélangeuse M2, avec production ECS |
| 00:6 | Versions d'installation 3, 4 : 1 circuit de chauffage sans vanne mélangeuse A1 et 1 circuit de chauffage avec vanne mélangeuse M2, avec production ECS | ||
| Chaudière/brûleur | |||
| 06:… | Limitation maximale de la température de l'eau de chaudière, prescrite par la fiche de codage de la chaudière en °C | 06:20 à 06:127 | Limitation maximale de la température de l'eau de chaudière au sein des plages prescrites par la chaudière |
Codage 2 (suite)
| Codage en état de livraison | Modification possible | ||
| 0d:0 | Fonction "Régime de secours en cas de pres-sion trop faible de l'installation" inactivée | 0d:1 | Fonction "Régime de se-cours en cas de pression trop faible de l'installation" activée.Le brûleur se met en mar-che à la puissance inférieure.Tant que l'installation est en régime de secours, le message de début "A2" reste affché sur l'écran(voir page 93). |
| 0E:0 | Pression de l'installa-tion inférieure à la va-leur maximale | 0E:1 | La pression d'installation maxi. a été dépasséependant le fonctionnement.Le message de dé-faut "A4" reste affché tant que la pression d'ins-tallation maxi. est dépas-sée.Remettre manuellel'adresse de codage à 0après l'élimination du dé-faut.RemarqueLa valeur se règle d'elle-meme. |
| 11:≠9 | Pas d'accès aux adres-ses de codage pour les paramètres de la régulation de la combustion(voir page 111) | 11:9 | Accès aux adresses de codage pour les paramètres de la régulation de la combustion autorisé(voir page 111) |
| 21:0 | Aucun intervalle d'en-tretien (heures de fon-citionnement) régèle | 21:1à21:9999 | Nombre d'heures de fonctionnement du brû-leur jusqu'à l'entretien ré-glable de 1 à 9 999 h |
| 23:0 | Pas d'intervalle de temps pour l'entretien du brûleur | 23:1à23:24 | Intervalle de temps ré-glable de 1 à 24 mois |
5687 686 B/f

Codage 2 (suite)
| Codage en état de livraison | Modification possible | ||
| 24:0 | Pas de message "Entretien" | 24:1 | Message "Entretien" à l'écran (l'adresse est automatiquement paramétrée, elle doit être remise à zéro manuelle après l'entretien) |
| 25:0 | Avec sonde extérieure avec une régulation pour marche à tempora-ture d'eau constante : Pas de reconnaissance de la sonde extérieure et pas de surveillance des défauts | 25:1 | Reconnaisance de la sonde extérieure et surveillance des défauts |
| 28:0 | Pas d'allumage intermédiaire du brûleur | 28:1 à 28:24 | Intervalle de temps ré-glable de 1 h à 24 h. Le brûleur est enclenché de force pendant 30 s (uniquement pour un fonctionnement au gaz propane). |
| 2E:0 | Sans extension externe | 2E:1 | Avec extension externe (reconnaisance automa-tique) |
| 2F:0 | Programme de purge d'air/Programme de replissage non acti-vés | 2F:1 | Programme de purge d'air activé |
| 2F:2 | Programme de replis-sage activé | ||
| 30:2 | Circulateur interne à as-servissement de vitesse avec détention du début volumique (réglage automatique) | 30:0 | Circulateur interne sans asservissement de vitesse (par ex. provisoirement lors de travaux de maintenance) |
| 30:1 | Circulateur interne à as-servissement de vitesse sans détention du début volumique (réglage automatique) | ||
5687 686 B/f
Codage 2 (suite)
| Codage en état de livraison | Modification possible | ||
| 31:.... | Consigne de vitesse du circulator en terme en cas de fonctionnement comme pompe d'irrigation de chaudière en %, prescrite par la fiche de codage de la chaudière | 31:0 à 31:100 | Consigne de vitesse ré-glable de 0 à 100 % |
| 32:0 | Signal d'influence "Ver-rouillage externe" sur les circulateurs : toutes les pompes en fonction de régulation | 32:1 à 32:15 | Signal d'influence "Ver-rouillage externe" sur les circulateurs : voir tableau suivant |
Remarque
Le brûleur est globalement verrouillé lorsque le signal "Verrouillage externe" est activé.
| Valeur de l'adresse 32 :… | Circulateur in-terne | Pompe de cir-cuit de chauf-fageCircuit dechauffage sans vanne mélangeuse | Pompe de cir-cuit de chauf-fageCircuit dechauffage avec vanne mélangeuse | Pompe de charge eau chaude sani-taire |
| 0 | Action de la ré-gulation | Action de la ré-gulation | Action de la ré-gulation | Action de la ré-gulation |
| 1 | Action de la ré-gulation | Action de la ré-gulation | Action de la ré-gulation | ARRET |
| 2 | Action de la ré-gulation | Action de la ré-gulation | ARRET | Action de la ré-gulation |
| 3 | Action de la ré-gulation | Action de la ré-gulation | ARRET | ARRET |
| 4 | Action de la ré-gulation | ARRET | Action de la ré-gulation | Action de la ré-gulation |
| 5 | Action de la ré-gulation | ARRET | Action de la ré-gulation | ARRET |
| 6 | Action de la ré-gulation | ARRET | ARRET | Action de la ré-gulation |
| 7 | Action de la ré-gulation | ARRET | ARRET | ARRET |
5687 686 B/f

Codage 2 (suite)
| Valeur de l'adresse 32 :… | Circulateur in-terne | Pompe de cir-cuit de chauf-fageCircuit dechauffage sans vanne mélangeuse | Pompe de cir-cuit de chauf-fageCircuit dechauffage avec vanne mélangeuse | Pompe de charge eau chaude sani-taire |
| 8 | ARRET | Action de la ré-gulation | Action de la ré-gulation | Action de la ré-gulation |
| 9 | ARRET | Action de la ré-gulation | Action de la ré-gulation | ARRET |
| 10 | ARRET | Action de la ré-gulation | ARRET | Action de la ré-gulation |
| 11 | ARRET | Action de la ré-gulation | ARRET | ARRET |
| 12 | ARRET | ARRET | Action de la ré-gulation | Action de la ré-gulation |
| 13 | ARRET | ARRET | Action de la ré-gulation | ARRET |
| 14 | ARRET | ARRET | ARRET | Action de la ré-gulation |
| 15 | ARRET | ARRET | ARRET | ARRET |
| Codage en état de livraison | Modification possible | ||
| Chaudière/brûleur | |||
| 34:0 | Signal d'influence "De-mande externe" sur les circulateurs : toutes les pompes en fonction de régulation | 34:1 à 34:23 | Signal d'influence "De-mande externe" sur les circulateurs : voir tableau suivant |
5687 686 B/f
| Valeur de l'adresse 34 :… | Circulateur in-terne | Pompe de cir-cuit de chauf-fageCircuit dechauffage sans vanne mélangeuse | Pompe de cir-cuit de chauf-fageCircuit dechauffage avec vanne mélangeuse | Pompe de charge eau chaude sani-taire |
| 0 | Action de la ré-gulation | Action de la ré-gulation | Action de la ré-gulation | Action de la ré-gulation |
Codage 2 (suite)
| Valeur de l'adresse 34 :… | Circulateur in-terne | Pompe de cir-cuit de chauf-fageCircuit dechauffage sans vanne mélangeuse | Pompe de cir-cuit de chauf-fageCircuit dechauffage avec vanne mélangeuse | Pompe de charge eau chaude sani-taire |
| 1 | Action de la ré-gulation | Action de la ré-gulation | Action de la ré-gulation | ARRET |
| 2 | Action de la ré-gulation | Action de la ré-gulation | ARRET | Action de la ré-gulation |
| 3 | Action de la ré-gulation | Action de la ré-gulation | ARRET | ARRET |
| 4 | Action de la ré-gulation | ARRET | Action de la ré-gulation | Action de la ré-gulation |
| 5 | Action de la ré-gulation | ARRET | Action de la ré-gulation | ARRET |
| 6 | Action de la ré-gulation | ARRET | ARRET | Action de la ré-gulation |
| 7 | Action de la ré-gulation | ARRET | ARRET | ARRET |
| 8 | ARRET | Action de la ré-gulation | Action de la ré-gulation | Action de la ré-gulation |
| 9 | ARRET | Action de la ré-gulation | Action de la ré-gulation | ARRET |
| 10 | ARRET | Action de la ré-gulation | ARRET | Action de la ré-gulation |
| 11 | ARRET | Action de la ré-gulation | ARRET | ARRET |
| 12 | ARRET | ARRET | Action de la ré-gulation | Action de la ré-gulation |
| 13 | ARRET | ARRET | Action de la ré-gulation | ARRET |
| 14 | ARRET | ARRET | ARRET | Action de la ré-gulation |
| 15 | ARRET | ARRET | ARRET | ARRET |
| 16 | MARCHE | Action de la ré-gulation | Action de la ré-gulation | Action de la ré-gulation |
| 17 | MARCHE | Action de la ré-gulation | Action de la ré-gulation | ARRET |
| 18 | MARCHE | Action de la ré-gulation | ARRET | Action de la ré-gulation |
5687 686 B/f

Codage 2 (suite)
| Valeur de l'adresse 34 :… | Circulateur in-terne | Pompe de cir-cuit de chauf-fageCircuit dechauffage sans vanne mélangeuse | Pompe de cir-cuit de chauf-fageCircuit dechauffage avec vanne mélangeuse | Pompe de charge eau chaude sani-taire |
| 19 | MARCHE | Action de la ré-gulation | ARRET | ARRET |
| 20 | MARCHE | ARRET | Action de la ré-gulation | Action de la ré-gulation |
| 21 | MARCHE | ARRET | Action de la ré-gulation | ARRET |
| 22 | MARCHE | ARRET | ARRET | Action de la ré-gulation |
| 23 | MARCHE | ARRET | ARRET | ARRET |
5687 686 B/T
| Codage en état de livraison | Modification possible | ||
| Chaudière/brûleur | |||
| 38:0 | Etat du boîtier de contrôle du brûleur : fonctionne (pas de dé-faut) | 38:≠0 | Etat de défaut du boîtier de contrôle du brûleur |
| 51:0 | Le circulator interne s'enclenché toujours lors d'une demande de chaleur | 51:1 | Lors d'une demande de chaleur, le circulator interne s'enclenché si le brûleur fonctionne. Installation avec réservoir tam-pond. |
| 52:0 | Sans sonde de départ pour bouteille de dé-couplage | 52:1 | Avec sonde de départ pour bouteille de découplage (reconnaissance automatique) |
| 53:1 | Fonction raccord 28 de l'extension interne : Pompe de bouclage ECS | 53:0 | Fonction raccord 28 : alarme centralisée |
| 53:2 | Fonction raccord 28 : pompé de circuit de chauffage externe (circuit de chauffage A1) | ||
| 53:3 | Fonction raccord 28 : pompé de charge ECS externe | ||
Codages
Codage 2 (suite)
| Codage en état de livraison | Modification possible | ||
| 54:0 | Ne pas modifier | ||
| Eau chaude sanitaire | |||
| 56:0 | Consigne de tempora-ture ECS régiable de 10 à 60 °C | 56:1 | Consigne de température ECS régiable de 10 à plus de 60 °C |
| Remarque La valeur maxi. dépend de la fiche de codage de la chaudière. Respecter la température ECS maxi. admissible. | |||
| 58:0 | Sans fonction supplé-mentaire pour la production d'eau chaude sanitaire | 58:10 à 58:60 | Entrée d'une 2ème consi-gne de température ECS ; régiable de 10 à 60 °C (respecter les adresses de codage "56" et "63") |
| 59:0 | Production d'eau chaude sanitaire : consigne d'enclenchement -2,5 K consigne d'arrêt +2,5 K | 59:1 à 59:10 | Consigne d'enclenchement régiable de 1 à 10 K en développé de la valeur de consigne |
| 60:20 | Pendant la production d'eau chaude sanitaire, la température de l'eau de chaudière est de 20 K maxi. supérieure à la consigne de tempéra-ture ECS | 60:5 à 60:25 | Différentiel entre la tem-pérature de l'eau de chaudière et la consigne de température ECS rég-lable de 5 à 25 K |
| 62:2 | Temporisation de l'arrêt du circulateur de 2 min après la production d'eau chaude sanitaire | 62:0 | Circulateur sans tempori-sation de l'arrêt |
| 62:1 à 62:15 | Durée de temporisation rég-lable de 1 à 15 min | ||
Codage 2 (suite)
| Codage en état de livraison | Modification possible | ||
| 63:0 | Sans fonction supplémentaire pour la production d'eau chaude sanitaire (régulation pour marche à temporaire d'eau constante uniquement) | 63:1 | Fonction supplémentaire : 1 x jour |
| 63:2 à 63:14 | de tous les 2 jours à tous les 14 jours | ||
| 63:15 | 2 x jour | ||
| 65:... | Information sur le type de vanne d'inversion, ne pas modifier ! | 65:0 | Sans vanne d'inversion |
| 65:1 | Vanne d'inversion Sté. Viessmann | ||
| 65:2 | Vanne d'inversion Sté. Wilo | ||
| 65:3 | Vanne d'inversion Sté. Grundfos | ||
| 6C:100 | Consigne de vitesse du circulateur interne pour une production ECS de 100%. Ne pas modifier. | ||
| 6F:... | Puisance maxi. pour une production ECS en %, prescrite par la fiche de codage de la chaudière | 6F:0 à 6F:100 | Puisance maxi. pour une production ECS régable de la puissance mini. à 100% |
| 71:0 | Pompe de bouclage ECS : "Marche" d'après programmation horeire (régulation en fonction de la température extérieure uniquement) | 71:1 | "Arrêt" pendant la production ECS à la 1ère consigne |
| 71:2 | "Marche" pendant la production ECS à la 1ère consigne | ||
| 72:0 | Pompe de bouclage ECS : "Marche" d'après programmation horeire (régulation en fonction de la température extérieure uniquement) | 72:1 | "Arrêt" pendant la production ECS à la 2ème consigne |
| 72:2 | "Marche" pendant la production ECS à la 2ème consigne | ||
| 73:0 | Pompe de bouclage ECS : "Marche" d'après programmation horeire (régulation en fonction de la température extérieure uniquement) | 73:1 à 73:6 | Pendant la programmation horsere 1 fois/h "Marche" pendant 5 min jusqu'à 6 fois/h "Marche" pendant 5 min |
| 73:7 | "Marche" en permanence | ||
5687 686 B/f
Codage 2 (suite)
| Codage en état de livraison | Modification possible | ||
| Généralités | |||
| 76:0 | Sans module de communication LON (régulation en fonction de la tempabilité extérieure uniquement) | 76:1 | Avec module de communication LON (reconnais-sance automatique) |
| 77:1 | Numéro de participant LON (régulation en fonction de la tempabilité extérieure uniqu-mentation) | 77:2 à 77:99 | Numéro de participant au LON régiable de 1 à 99 : 1 - 4 = chaudière 5 = cascade 10 - 98 = Vitotronic 200-H 99 = Vitocom Remarque Chaque numéro ne peut être attribué qu'une seule fois. |
| 79:1 | Avec module de communication LON : la régulation est gestion-naire des définuts (régulation en fonction de la tempabilité extérieure uniquement) | 79:0 | La régulation n'est pas gestionnaire des définuts |
| 7b:1 | Avec module de communication LON : la régulation envoie l'heure (régulation en fonction de la tempabilité extérieure uniqu-mentation) | 7b:0 | Ne pas envoyer l'heure |
| 7F:1 | Maison individuelle (régulation en fonction de la tempabilité extérieure uniquement) | 7F:0 | Immeuble collectif Possibilité de réglage sé-paré du programme va-cances et de la programmation horsaire pour la production ECS |
5687 686 B/f
Codage 2 (suite)
| Codage en état de livraison | Modification possible | ||
| 80:1 | Message de début si le début persiste au moins 5 s | 80:0 | Message de début immediat |
| 80:2 à 80:199 | Durée minimale du début pour faire apparaitre le message de début, réglaible de 10 s à 995 s ; 1 graduation de réglage ≅ 5 s | ||
| 81:1 | Inversion automatique heures d'été/heure d'hi-ver | 81:0 | Inversion manuelle heures d'été/heure d'hiver |
| 81:2 | Utilisation du récepteur de radio-pilotage (reconnaissance automatique) | ||
| 81:3 | Avec module de communication LON : la régulation reçoit l'heure | ||
| 82:0 | Fonctionnement au gaz naturel | 82:1 | Fonctionnement au propane (réglable uniquement si l'adresse de codage 11:9 est réglée, voir page 111) |
| 88:0 | Affichage de la tempé-rature en °C (Celsius) | 88:1 | Affichage de la tempé-rature en °F (Fahrenheit) |
| 8A:175 | Ne pas modifier ! | ||
| 90:128 | Constante de temps pour le calcul de la température extérieure modifiée 21,3 h | 90:1 à 90:199 | Conformément à la valeur réglée, adaptation rapide (valeurs inférieures) ou lente (valeurs supérieures) de la température de départ dans le cas d'une modification de la temperature extérieure ; 1 graduation de réglage ≅ 10 min |
Codage 2 (suite)
| Codage en état de livraison | Modification possible | ||
| 91:0 | Pas d'inversion exter du programme de fonctionnement par l'extension externe (régulation en fonction de la tempé-rature extérieure uniquement) | 91:1 | L'inversion exter du programme de fonctionnement agit sur le circuit de chauffage sans vanne mélangeuse |
| 91:2 | L'inversion exter du programme de fonctionnement agit sur le circuit de chauffage avec vanne mélangeuse | ||
| 91:3 | L'inversion exter du programme de fonctionnement agit sur le circuit de chauffage sans vanne mélangeuse et sur le circuit de chauffage avec vanne mélangeuse | ||
| 95:0 | Sans interface de communication Vitocom 100 | 95:1 | Avec interface de communication Vitocom 100 (reconnais-sance automatique) |
| 97:0 | Avec module de communication LON :utilisation interne de la température extérieurede la sonde reliée à la régulation (régulation en fonction de la tempé-rature extérieure uniquement) | 97:1 | La régulation recoit la température extérieure |
| 97:2 | La régulation transmet la température extérieure à la Vitotronic 200-H | ||
| 98:1 | Numéro d'st installation Viessmann (en associa-tion avec la surveillance de plusieurs installations par le biais d'une Vitocom 300) | 98:1à98:5 | Numéro d'st installation ré-glable de 1 à 5 |
| 9b:0 | Pas de consigne de température minimale d'eau de chaudière dans le cas d'une de-mande externe | 9b:1à9b:127 | Consigne de température d'eau de chaudière mini-male régblable de 1 à 127 °C (limiterée par le pa-ramètre spécifique à la chaudière) |
5687 686 B/f
1. 责任感的体现
2. 义务感的体现
3. 义务感的体现
4. 义务感的体现
5. 义务感的体现
Codage 2 (suite)
| Codage en état de livraison | Modification possible | ||
| 9C:20 | Surveillance participant au LON. Si un participant ne ré-pond pas, les valeurs prescrites par la régulation sont encore utilisées pendant 20 min. Un message de début n'apparait qu'ensemble (régulation en fonction de la température extérieure uniquement). | 9C:0 | Pas de surveillance |
| 9C:5 à 9C:60 | Durée régiable de 5 à 60 min | ||
| 9F:8 | Différentiel de tempora-ture de 8 K ; unique-ment en association avec un circuit de vanne mélangeuse (ré-gulation en fonction de la température extérieure uniquement) | 9F:0 à 9F:40 | Différentiel de tempora-ture régiable de 0 à 40 K |
Circ. chauff A1/M2
| A0:0 | Sans commande à distance (régulation en fonction de la tempora-ture extérieure uniqu-ment) | A0:1 | Avec Vitotrol 200 (reconnaissance automatique) |
| A0:2 | Avec Vitotrol 300 (reconnaissance automatique) | ||
| A3:2 | Température extérieure inférieure à 1 °C : Pompe de circuit de chauffage "Marche" Température extérieure supérieure à 3 °C : Pompe de circuit de chauffage "Arrêt" | A3:-9 à A3:15 | Pompe de circuit de chauffage "Marche/Arrêt" (voir tableau suivant) |
Attention
Des réglages sur des valeurs inférieures à 1^ représentent un risque de gel pour les conduites non protégées par l'isolement du bâtiment.
Etre particulièrement vigilant à la marche de voir, par ex. durant les vacances.
Codages
Codage 2 (suite)
| Paramètre de l'adresse A3 : ... | Pompe de circuit de chauffage | |
| "Marche" | "Arrêt" | |
| -9 | -10 °C | -8 °C |
| -8 | -9 °C | -7 °C |
| -7 | -8 °C | -6 °C |
| -6 | -7 °C | -5 °C |
| -5 | -6 °C | -4 °C |
| -4 | -5 °C | -3 °C |
| -3 | -4 °C | -2 °C |
| -2 | -3 °C | -1 °C |
| -1 | -2 °C | 0 °C |
| 0 | -1 °C | 1 °C |
| 1 | 0 °C | 2 °C |
| 2 | 1 °C | 3 °C |
| à | à | |
| 15 | 14 °C | 16 °C |
| Codage en état de livraison | Modification possible | ||
| Circ. chauff A1/M2 | |||
| A4:0 | Avec protection contre le gel (régulation en fonction de la tempora-ture extérieure unique-ment) | A4:1 | Pas de protection contre le gel, réglage possible uniquement si l'adresse de codage est définie sur"A3:-9".RemarquePrendre en compte la consigne pour le codage"A3" |
Codage 2 (suite)
| Codage en état de livraison | Modification possible | ||
| A5:5 | Avec fonction de logique de pompe de cir-cuit de chauffage (régone economique): pompe de circuit de chauffage "Arrêt" lorsque la température extérieure (TE) est su-périeure de 1 K à la consigne de tempéra-ture ambiente (TAconsi-gne) TE > TAconsigne + 1 K (régulation en fonction de la température extérieure uniquement) | A5:0 | Sans fonction de logique de pompe de circuit de chauffage |
| A5:1 à A5:15 | Avec fonction de logique de pompe de circuit de chauffage : pompe de cir-cuit de chauffage "Arrêt", voir tableau suivant | ||
| Paramètre de l'adresse A5 : ... | Avec fonction de logique de pompe de circuit de chauffage : Pompe de circuit de chauffage "Arrêt" |
| 1 | TE > TAconsigne + 5 K |
| 2 | TE > TAconsigne + 4 K |
| 3 | TE > TAconsigne + 3 K |
| 4 | TE > TAconsigne + 2 K |
| 5 | TE > TAconsigne + 1 K |
| 6 | TE > TAconsigne |
| 7 à | TE > TAconsigne - 1 K |
| 15 | TE > TAconsigne - 9 K |
Codages
Codage 2 (suite)
| Codage en état de livraison | Modification possible | ||
| Circ. chauff A1/M2 | |||
| A6:36 | Régime économiqueétendu pas activé (ré-gulation en fonction de la température extérieure uniquement) | A6:5 àA6:35 | Régime économiqueétendu activé, c'est à direque le brûleur et lapompe de circuit dechauffage s'arrêtent et lavanne mélangeuse seferme avec une valeurvariable régiable de 5 à35 °C plus 1 °C. La tem-perature extérieure pon-dérée sert de référence.Celle-ci se compose de la température extérieureeffective et d'une constante de temps qui tientcompte du refroidisse-ment d'un bâtimentmoyen. |
| A7:0 | Sans fonction économique de la vanne métangleuse (régulation en fonction de la température extérieure uniquement) | A7:1 | Avec fonction économique de la vanne métangleuse (logique depompe de circuit dechauffageétendue):pompe de circuit dechauffage "Arrêt" enplus:si la vanne métangleuseétait fermée plus de20 min.Pompe de chauffage en"Marche":■ Si la vanne métanglese régule■ En cas de risque de gel |
Codage 2 (suite)
| Codage en état de livraison | Modification possible | ||
| A8:1 | Le circuit de chauffage avec vanne mélan-geuse M2 déclenchée une demande sur le circulateur interne (régulation en fonction de la tempête extérieure uniquement) | A8:0 | Le circuit de chauffage avec vanne mélangeuse M2 n'induit pas de démande sur le circulateur interne |
| A9:7 | Avec temps d'accêt de la pompe : pompé de circuit de chauffage "Arrêt" lors d'une modification de la consignee suite à un changement du mode de fonctionnement ou lors de modifications de la consignee de tempête ambiente (régulation en fonction de la tempête extérieure uniquement) | A9:0 | Sans temps d'accêt de la pompe |
| A9:1 à A9:15 | Avec temps d'accêt de la pompe, régable de 1 à 15 | ||
| b0:0 | Avec commande à distance : Mode chauffage/Marche réduite : en fonction de la tempête extérieure (régulation en fonction de la tempête extérieure uniquement, ne modifier le codage que pour le circuit de chauffage avec vanne mélan-geuse M2) | b0:1 | Mode chauffage : en fonction de la tempête extérieure Marche réduite : avec sonde d'ambiance de compensation |
| b0:2 | Mode chauffage : avec sonde d'ambiance de compensation Marche réduite : en fonction de la tempête extérieure | ||
| b0:3 | Mode chauffage/Marche réduite : avec sonde d'ambiance de compensation | ||
Codage 2 (suite)
| Codage en état de livraison | Modification possible | ||
| b2:8 | Avec commande à distance et pour le circuit de chauffage, le fonctionnement doit être codé avec la sonde d'ambiance de compensation : coefficient d'influence de l'ambiance 8 (régulation en fonction de la température extérieure uniquement, ne modifier le codage que pour le circuit de chauffage M2 avec vanne mélangeuse) | b2:0 | Sans influence de l'am-biance |
| b2:1 à b2:64 | Coefficient d'influence de l'ambiance régable de 1 à 64 | ||
| b5:0 | Avec commande à distance : pas de fonction de logique de pompé de circuit de chauffage en fonction de la tempéra-ture ambiente (régulation en fonction de la température extérieure uniquement, ne modifier le codage que pour le circuit de chauffage avec vanne mélan-geuse M2) | b5:1 à b5:8 | Fonction de logique de pompé de circuit de chauffage, voir tableau suivant : |
| Paramètre de l'adresse b5 :.... | Avec fonction de logique de pompe de circuit de chauf-fage :Pompe de circuit de chauf-fage "Arrêt" | Pompe de circuit de chauf-fage "Marche" |
| 1 | TAeffective > TAconsigne + 5 K | TAeffective < TAconsigne + 4 K |
| 2 | TAeffective > TAconsigne + 4 K | TAeffective < TAconsigne + 3 K |
| 3 | TAeffective > TAconsigne + 3 K | TAeffective < TAconsigne + 2 K |
| 4 | TAeffective > TAconsigne + 2 K | TAeffective < TAconsigne + 1 K |
| 5 | TAeffective > TAconsigne + 1 K | TAeffective < TAconsigne |
| 6 | TAeffective > TAconsigne | TAeffective < TAconsigne - 1 K |
| 7 | TAeffective > TAconsigne - 1 K | TAeffective < TAconsigne - 2 K |
| 8 | TAeffective > TAconsigne - 2 K | TAeffective < TAconsigne - 3 K |
5687 686 B/f
Codage 2 (suite)
| Codage en état de livraison | Modification possible | ||
| Circ. chauff A1/M2 | |||
| C5:20 | Limitation minimale électronique de la tempérapure de départ à 20 °C (régulation en fonction de la tempéra-ture extérieure uniqu-ment) | C5:1 à C5:127 | Limitation minimale ré-glable de 1 à 127 °C (limi-tee par le paramètre spécifique à la chau-dière) |
| C6:74 | Limitation électronique maximale de la tempé-rature de départ à 74 °C (régulation en fonction de la tempéra-ture extérieure uniqu-ment) | C6:10 à C6:127 | Limitation maximale ré-glable de 10 à 127 °C (limi-tee par le paramètre spécifique à la chau-dière) |
| d3:14 | Pente de la courbe de chauffe = 1,4 (régula-tion en fonction de la tempéralture extérieure uniquement) | d3:2 à d3:35 | Pente de la courbe de chauffe régliable de 0,2 à 3,5 (voir page 42) |
| d4:0 | Parallèle de la courbe de chauffe = 0 (régula-tion en fonction de la tempéralture extérieure uniquement) | d4:-13 à d4:40 | Parallèle de la courbe de chauffe régliable de -13 à 40 (voir page 42) |
| d5:0 | L'inversion externe du programme de fonction- nement met le pro- gramme de fonctionnement sur "Marche permanente avec une tempéralture ambiente réduite" (ré- gulation en fonction de la tempéralture exté-rieure uniquement) | d5:1 | L'inversion externe du programme de fonction- nement commute sur "Chauffage des pièces permanent avec la tem- pération ambiente nor- male" |
Codage 2 (suite)
| Codage en état de livraison | Modification possible | ||
| E1:1 | Avec commande à distance : valeur de consigné de jour sur la commande à distance régliable de 10 à 30 °C (régulation en fonction de la température extérieure uniquement) | E1:0 | Consigne de jour régliable de 3 à 23 °C |
| E1:2 | Consigne de jour régliable de 17 à 37 °C | ||
| E2:50 | Avec commande à distance : pas de correction de l'affichage de la température ambiente effective (régulation en fonction de la température extérieure uniquement) | E2:0 à E2:49 | Correction de l'affichage -5 K à Correction de l'affichage -0,1 K |
| E2:51 à E2:99 | Correction de l'affichage +0,1 K à Correction de l'affichage +4,9 K | ||
| E5:0 | Sans pompé de circuit de chauffage externe à asservissement de vi-tesse (régulation en fonction de la température extérieure uniquement) | E5:1 | Avec pompé de circuit de chauffage externe à as-servissement de vitesse (reconnaissance automa-tique) |
| E6:65 | Vitesse maximale de la pompe de circuit de chauffage à asservissement de vitesse : 65 % de la vitesse maxi. en marche normale (régu-lation en fonction de la température extérieure uniquement) | E6:0 à E6:100 | Vitesse maximale ré-glable de 0 à 100 % |
| E7:30 | Vitesse minimale de la pompe de circuit de chauffage à asservissement de vitesse : 30 % de la vitesse maxi. (ré-gulation en fonction de la température extérieure uniquement) | E7:0 à E7:100 | Vitesse minimale ré-glable de 0 à 100 % de la vitesse maxi. |
5687 686 B/f
1. 责任感的体现
2. 义务感的体现
3. 义务感的体现
4. 义务感的体现
5. 义务感的体现
Codage 2 (suite)
| Codage en état de livraison | Modification possible | ||
| E8:1 | Vitesse minimale en marche avec une température ambiente rédue suivant le réglage dans l'adresse de codage "E9" (régulation en fonction de la temporature extérieure uniquement) | E8:0 | Vitesse suivant le réglage de l'adresse de codage "E7" |
| E9:45 | Vitesse de la pompe de circuit de chauffage à asservissement de vitesse : 45 % de la viètesse maxi. en marche à température ambiente réduite (régulation en fonction de la temporature extérieure uniquement) | E9:0 à E9:100 | Vitesse régable de 0 à 100 % de la vitesse maxi. en marche à température ambiente réduite |
| F1:0 | Fonction séchage de chape pas activée (ré-gulation en fonction de la temporature extérieure uniquement). | F1:1 à F1:6 | Fonction séchage de chape régable selon 6 profils température/ temps différents (voir page 124) |
| F1:15 | Température de départ permanente 20 °C | ||
| F2:8 | Limitation de durée pour le régime récep-tions ou inversion exter du programme de fonctionnement par touche à 8 h (régulation en fonction de la temporature extérieure uniquement)*1 | F2:0 | Pas de limitation tempo-elle pour le régime ré-ceptions*1 |
| F2:1 à F2:12 | Limitation temporelle ré-glable de 1 à 12 h*1 | ||
Codage 2 (suite)
| Codage en état de livraison | Modification possible | ||
| F5:12 | Durée de temporisation de l'arrêt du circulator interne en mode chauf-page : 12 min (régulation pour marche à température d'eau constante uniquement) | F5:0 | Pas de durée de temporisation de l'arrêt du circulator interne |
| F5:1 à F5:20 | Durée de temporisation de l'arrêt du circulator interne régliable de 1 à 20 min | ||
| F6:25 | Le circulator interne est en marche en permanence en mode de fonctionnement "Eauchaude seule" (régulation pour marche à température d'eau constante uniquement) | F6:0 | Le circulator interne est arrêté en permanence en mode de fonctionnement "Eauchaude seule" |
| F6:1 à F6:24 | Le circulator interne est enclenché en mode de fonctionnement "Eauchaude seule" 1 à 24 fois par jour pour une durée de 10 min. | ||
| F7:25 | Le circulator interne est en marche en permanence en mode de fonctionnement "Mise en veille" (régulation pour marche à température d'eau constante uniquement) | F7:0 | Le circulator interne en permanence à l'arrêt en mode de fonctionnement "Mise en veille" |
| F7:1 à F7:24 | Le circulator interne est en marche 1 à 24 fois par jour pendant 10 min en mode de fonctionnement "Mise en veille". | ||
| F8:-5 | Température limite pour la suppression de la marche réduite -5 °C, voir l'exemple page 127. Respecter le paramé-trage de l'adresse de codage "A3" (régulation en fonction de la tempé-rature extérieure uni-quement). | F8:+10 à F8:-60 | Température limite ré-glable de +10 à -60 °C |
| F8:-61 | Fonction inactivée | ||
Codage 2 (suite)
| Codage en état de livraison | Modification possible | ||
| F9:-14 | Température limite pour l'augmentation de la consigne de tempéra-ture ambiente réduite -14 °C, voir l'exemple page 127 (régulation en fonction de la tempéra-ture extérieure uniqu-ment). | F9:+10 à F9:-60 | Température limite pour l'augmentation de la consigne de températe ambiente à la valeur en marche normale régable de +10 à -60 °C |
| FA:20 | Augmentation de 20 % de la consigne de températe d'eau de chau-dière ou de températe de départ lors du pas-sage d'un fonctionnement à températe ambiente réduite à un fonctionnement à températe ambiente non-male. Voir l'exemple page 128 (régulation en fonction de la tempéra-ture extérieure uniqu-ment). | FA:0 à FA:50 | Augmentation de tempé-rature régable de 0 à 50 % |
| Fb:30 | Durée d'augmentation de la consigne de températe d'eau de chau-dière ou de températe de départ (voir adresse de codage "FA") 60 min. Voir l'exemple page 128 (régulation en fonction de la températe extérieure uniquement). | Fb:0 à Fb:150 | Durée régable de 0 à 300 min ; 1 graduation de réglage ≦ 2 min) |
Codages
Remetre les codages à l'etat de livreaison
Régulation pour marche à température d'eau constante :
-
"Régl.de base? où" s'affiche.
-
田 +
Appuyer en même temps sur ces deux touches pendant env. 2s.
-
OK pour confirmer ou
-
(串)
Appuyer sur cette touche.
/
pour sélectionner "Régl. de base? non".
Régulation en fonction de la températe extérieure :
- 田 +
Appuyer en même temps sur ces deux touches pendant env. 2s.
Vue d'ensemble des interfaces de maintenance
| Opération | Combinaison des tou-ches | Quitter | Page |
| Températures, fiches de codage de la chaudière, brèves interrogations | Appuyer simultanément sur ♂ et Ⓞ pendant 2 s env. | Appuyer sur OK | 80 |
| Test relais | Appuyer simultanément sur ♂ et OK pendant 2 s env. | Appuyer sur OK | 85 |
| Puisance de chauffage maxi. (mode de chauf-fage) | Appuyer simultanément sur ♂ et Ⓞ pendant 2 s env. | Appuyer sur OK | 19 |
| États de fonctionnement et sondes | Appuyer sur Ⓐ | Appuyer sur OK | 87 |
| Interrogation d'entretien | ➀ (lorsque "Entretien" clǐ-gnote) | Appuyer sur OK | 48 |
| Régler le contraste à l'écran | Appuyer simultanément sur OK et + ; l'écran s'as-sombrit | - | - |
| Appuyer simultanément sur OK et - ; l'écran s'éclaircit | - | - | |
| Appeler un message de défaut acquitté | Appuyer sur OK pendant 3 s env. | 90 | |
| Historique des défauts | Appuyer simultanément sur Ⓞ et OK pendant 2 s env. | Appuyer sur OK | 91 |
| Contrôle des participants (en liaison avec le système LON) | Appuyer simultanément sur ♂ et OK pendant 2 s env. | Appuyer si-multanément sur Ⓐ et OK | 46 |
| Fonction Marche provisoire "®" | Régulation en fonction de la température extérieure : Appuyer simultanément sur Ⓞ et Ⓞ pendant 2 s env. Régulation pour marche à température d'eau constante : Appuyer simultanément sur Ⓞ et Ⓞ pendant 2 s env. | Appuyer si-multanément sur Ⓐ et Ⓞ ou sur Ⓞ et Ⓞ pendant 1 s env. ou automatiquement au bout de 30 min | - |
5687 686 B/f
Vue d'ensemble des interfaces de maintenance (suite)
| Opération | Combinaison des tou-ches | Quitter | Page |
| Niveau de codage 1 Affichage en texte clair | Appuyer simultanément sur ◆ et ◆ pendant 2 s env. | Appuyer si- multanément sur ◆ et ◆ pendant 1 s env. | 51 |
| Niveau de codage 2 Affichage numérique | Appuyer simultanément sur ◆ et ◆ pendant 2 s env. | Appuyer si- multanément sur ◆ et ◆ pendant 1 s env. | 54 |
| Remettre les codages à l'état de livreaison | Appuyer simultanément sur ◆ et ◆ pendant 2 s env., appuyer sur ◆ | - | 78 |
Temperatures, fiches de codage de chaudière et brèves interrogations
Régulation pour marche à température d'eau constante
Régulation pour marche à température d'eau constante
Appuyer sur les touches suivantes :
- /
pour l'interrogation souhaitiée.
-
- appuyer en même temps pendant 2 s environ.
-
OK
l'interrogation est terminée.
Températures, fiches de codage de chaudière et . . . (suite)
Il est possible d'introger les valeurs suivantes en fonction de l'équipmentment de l'installation :
| Brève in-terrogation | Affichage | ||||
| 0 | 0 | Schémas hydrauliques 1 à 6 | Version logicielle de la régulation | Version logicielle du module de commande | |
| 1 | 0 | Version logicielle du boîtier de contrôle du brûleur gaz | Version logicielle de l'extension externe0: pas d'extension externe | 0 | |
| E | 0: pas de demande externe1: de-mande ex-terne | 0: pas de verrouillage externe1: verrouil-lage ex-terne | Raccordement externe en V Affichage en °C0: pas de raccordement externe | ||
| 3 | 0 | 0 | Consigne de la température d'eau de chaudière | ||
| A | 0 | 0 | Température demandée maxi. | ||
| 4 | 0 | Type du boîtier de contrôle du brûleur gaz | Type d'appareil | ||
| 5 | 0 | 0 | Consigne de température ECS | ||
| b | 0 | 0 | Puisance de chauffage maxi. en % | ||
| C | 0 | Fiche de codage de la chaudière (hexadécimale) | |||
| c | 0 | Etat de révision de l'appareil | Etat de révision du boîtier de contrôle du brûleur gaz | ||
Températures, fiches de codage de chaudière et ... (suite)
| Brève in-terrogation | Affichage | ||||
| d | 0 | 0 | 0 | Pompe à asservisse-ment de vi-tesse0 néant1 Wilo2 Grundfos | Version logi-ciellede la pompeà asservis-sement devitesse0: pas d'pompe à as-servisse-ment devitesse |
Régulation en fonction de la température extérieure
Appuyer sur les touches suivantes :
- /
pour l'interrogation souhaitié.
-
- appuyer en même temps sur ces touches pendant 2 s env.
-
(OK)
L'interrogation est terminée.
Il est possible d'intéroger les valeurs suivantes en fonction de l'équipment de l'installation :
| Affichage | Explication |
| Pente A1 – Parallèle A1 | |
| Pente M2 – Parallèle M2 | |
| Temp. ext. amortie | ©permet de faire passer la température exté-rieure amortie à l'affichage de la températureextérieure actuelle. |
| Temp. ext. actu. | |
| Temp. chaud. cons. | |
| Temp. chaud. actu. | |
| Temp. ECS consi. | |
| Temp. ECS actu. | |
| Temp. départ cons. | Circuit de chauffage avec vanne mélangeuse |
| Temp. départ actu. | Circuit de chauffage avec vanne mélangeuse |
| T. dép. comm. cons. | Bouteille de découplage |
| T. dép. comm. eff. | Bouteille de découplage |
5687 686 B/f
Températures, fiches de codage de chaudière et . . . (suite)
| Affichage | Explication |
| Fiche de codage | |
| Interrogation 1 à 8 |
| Brève in-terrogation | Affichage | |||||
| 3 | 4 | 5 | 6 | 7 | 8 | |
| 1 | Version logicielle de la régulation | Etat de révision de l'appareil | Etat de révision du boîtier de contrôle du brûleur gaz | |||
| 2 | Schémas hydrauliques 01 à 06 | Nombre de participants au BUS KM | Température demandée maxi. | |||
| 3 | 0 | Version logicielle du module de commande | Version logicielle de l'équipement de moto-risation pour circuit avec vanne mélan-geuse | 0 | Version logicielle du module LON | Version logicielle de l'extension externe 0: pas d'extension externe |
| 0: pas d'équipelement de moto-risation pour circuit avec vanne mélan-geuse | ||||||
| 4 | Version logicielle du boîtier de contrôle du brûleur gaz | Type du boîtier de contrôle du brûleur gaz | Type d'appareil | |||
5687 686 B/f
Températures, fiches de codage de chaudière et ... (suite)
| Brève in-terrogation | Affichage | |||||
| 3 | 4 | 5 | 6 | 7 | 8 | |
| 5 | 0: pas de demande externe1: de-mande externe | 0: pas de verrouil-lage ex-terne1: ver-rouillage externe | 0 | Raccordement externe de 0 à 10 V Affichage en °C0: pas de raccordement externe | ||
| 6 | Nombre de parti-pants au LON | Chiffre de contrôle | Puisance de chauffage maxi. Indication en % | |||
| Chaudière | Circ. chauff. A1 (sans vanne mé-langeuse) | Circ. chauff. M2 (avec vanne mélan-geuse) | ||||
| 7 | 0 | 0 | Com-mande à distance0 néant1 Vitotrol 2002 Vitotrol 300 | Version logicielle de la commande à distance0: pas de commande à distance | Com-mande à distance0 néant1 Vitotrol 2002 Vitotrol 300 | Version logicielle de la commande à distance0: pas de commande à distance |
| Circulateur interne | Pompe de circuit de chauffage sur l'extension de raccordement | |||||
Températures, fiches de codage de chaudière et . . . (suite)
| Brève in-terrogation | Affichage | |||||
| ® | ® | ® | ® | ® | ® | |
| 8 | Pompe à asservis-sement de vi-tesses0: néant1: Wilo2: Grun-dfos | Version logicielle de la pompe à asservis-sement de vi-tesses0: pas de pompe à asservis-sement de vi-tesses | Pompe à asservis-sement de vi-tesses0 néant1 Wilo2 Grun-dfos | Version logicielle de la pompe à asservis-sement de vi-tesses0: pas de pompe à asservis-sement de vi-tesses | Pompe à asservis-sement de vi-tesses0 néant1 Wilo2 Grund-fos | Version logicielle de la pompe à asservisse-ment de vi-tesses0: pas de pompe à asservisse-ment de vi-tesses |
Contrôler les sorties (test des relais)
Régulation pour marche à température d'eau constante
Appuyer sur les touches suivantes :
-
(+)/(-) pour le relais de sortie désiré.
-
6 + 0 appuyer en même temps sur ces touches pendant 2 s env.
-
OK le test des relais est terminé.
Il est possible d'activer les reliais suivants en fonction de l'équipement de l'installation :
| Affichage | Explication |
| 1 | Brûleur modulation charge de base |
| 2 | Brûleur modulation pleine charge |
| 3 | Pompe interne/Sortie 20 "Marche" |
| 4 | Vanne d'inversion en positionCHAuffage |
| 5 | Vanne d'inversion en position médiane (replis-sage/vidange) |
| 6 | Vanne d'inversion en position production ECS |
Contrôler les sorties (test des relais) (suite)
| Affichage | Explication |
| 10 | Sortie 28 Extension interne |
| 11 | Pompe de circuit de chauffage A1 Extension externe H1 |
| 14 | Alarme centralisée Extension externe H1 |
Régulation en fonction de la température extérieure
Appuyer sur les touches suivantes :
-
() / () pour le relais de sortie désiré.
-
0 + 0 appuyer en même temps sur ces touches pendant 2 s env.
-
OK le test des relais est terminé.
Il est possible d'activer les reliais suivants en fonction de l'équipement de l'installation :
| Affichage | Explication |
| Charge de base | Modulation brûleur charge de base |
| Pleine charge | Brûleur modulation pleine charge |
| Pompe int. marche | Sortie int. 20 |
| VanneCHAuffage | Vanne d'inversion en positionCHAuffage |
| Pos. médiane vanne | Vanne d'inversion en position médiane (remplissage/vidange) |
| Vanne ECS | Vanne d'inversion en position production ECS |
| Ppe ch. M2 marche | Equipement de motorisation pour circuit avec vanne mélangeuse |
| Vanne mél. ouvre | Equipement de motorisation pour circuit avec vanne mélangeuse |
| Vanne mél. ferme | Equipement de motorisation pour circuit avec vanne mélangeuse |
| Sortie int. marche | Sortie 28 Extension interne |
| Ppe ch. A1 marche | Extension externe H1 |
| Ppe boucl. marche | Extension externe H1 |
| Alarme gén. active | Extension externe H1 |
Interrogier les états de fonctionnement et les sondes
Régulation pour marche à température d'eau constante
Appuyer sur les touches suivantes :
-
OK L'interrogation est terminée.
-
(i)
- (±) / () pour l'etat de fonctionnement desirable.
Les états de fonctionnement suivants peuvent être interrogés en fonction de l'équipement de l'installation :
| Affichage | Explication | ||
| 1 | 15 | °C/°F | Température extérieure – valeur effective |
| 3 | 65 | °C/°F | Température de chaudière – valeur effective |
| 5 | 50 | °C/°F | Température ECS – valeur effective |
| ▲263572 | h | Heures de fonctionnement du brûleur (remettre à “0” par ◆ à l'issue des travaux d'entretien) | |
| ▲▲030529 | Nombre de démarrages du brûleur (remettre à “0” par ◆ à l'issue des travaux d'entretien) | ||
Régulation en fonction de la température extérieure
Appuyer sur les touches suivantes :
-
① appuyer à nouveau sur cette touche.
-
① "Sélec. circ. chauff." apparait.
- / pour l'etat de fonctionnement désiré.
- OK pour confirmation, attendre 4 s env.
- OK L'interrogation est terminée.
Les états de fonctionnement suivants pourront être interrogés en fonction de l'équipment de l'installation pour les circuits de chauffage A1 et M2 :
| Affichage | Explication |
| N° participant | N° de participant codé dans le système LON |
| Prog. vacances | Si le programme vacances a été enregistré |
| Départ vacances | Date |
| Retour vacances | Date |
| Temp. extérieure, ... °C | Valeur effective |
| Temp. chaudière, ... °C | Valeur effective |
Interrogier les états de fonctionnement et les ... (suite)
| Affichage | Explication |
| Temp. départ, ... °C | Valeur effective (circuit de vanne mélangeuse M2 uniquement) |
| Temp. amb. comport, ... °C | Valeur de consigne |
| Temp. ambiente, ... °C | Valeur effective |
| T. amb. ext. cons., ... °C | Si organe externe raccordé |
| Temp. eau chaude, ... °C | Valeur effective de la température ECS |
| Temp. dép. comm., ... °C | Valeur effective, avec bouteille de découvertage uniquement |
| Brûleur, ...h | Heures de fonctionnement, valeur effective |
| Brûl. nbr. allum., ... | Remettre les heures de fonctionnement et les démarrages du brûleur à "0" par ◆ à l'issue des travaux d'entretien. |
| Heure | |
| Date | |
| Brûleur arrêt/marche | |
| Pompe int. arrêt/marche | Sortie 20 |
| Sortie int. arrêt/marche | |
| Ppe ch. arrêt/marche | Si une extension externe ou un équipement de motorisation pour un circuit de chauffage avec vanne mélangeuse sont prêsentes |
| Ppe boucl. arrêt/marche | Si une extension externe est présente |
| Alarmé gén. arrêt/active | Si une extension externe est présente |
| Vanne mél. ouvre/ferme | Si un équipement de motorisation pour un circuit de chauffage avec vanne mélangeuse est pré-sent |
| Langues disponibles | ©K permet de sélectionner la langue concernée à afficher en permanence |
Affichage des défauts
Structure du message de défaut

A Message de défaut
B Symbole de défaut
Levoyant de dérangement rouge clignote à chaque défaut.
Numéro de défaut
Code de défaut
"ur" est affché à l'écran en cas de boitier de contrôle du brûleur gaz en défaut.
Régulation pour marche à température d'eau constante
Le code de défaut et le symbole de défaut clignotent à l'écran du module de commande en cas de défaut

Régulation en fonction de la température extérieure
"Défaut" clignote à l'écran du module de commande en cas de défaut.

Messages de défaut en texte clair :
Boitier contr. brûl.
Sonde extérieure
Sonde départ
Sonde chaudière
Sonde dép. commun
■ Sonde fumées
Sonde sortie ECS
■ Sonde d'ambiance

Affichage des défauts (suite)
■ Telekomande
Défautpartic.BUS
Lire et acquirer un defaulted
Remarque
Si un défaut acquitté n'est pas éliminé, le message de défaut est à nouveau affché :
au bout de 24 h pour une régulation pour marche à température d'eau constante
le lendemain à 7 heures pour une régulation en fonction de la température extérieure
Régulation pour marche à température d'eau constante
Appuyer sur les touches suivantes: 2. OK
tous les codes de defaulted sont acquittés en même temps, le message de defaulted est effacé, le voyant de dérangement rouge continue à clignoter.
- () / () pour des codes de défaut supplémentaires.
Régulation en fonction de la température extérieure
Appuyer sur les touches suivantes: 3. OK
tous les codes de defaulted sont acquittés en même temps, le message de defaulted est effacé, le voyant de dérangement rouge continue à clignoter.
- ① pour le défautprésent.
- / pour des codes de défaut supplémentaires.
Appeler les messages de défaut acquittés
Appuyer sur les touches suivantes: 2. +- pour le défaut acquitté.
- OK pendant env. 2 s.
Affichage des défauts (suite)
Lire l'historique des codes de défaut
Les 10 derniers défauts sont mis en mémoire et peuvent être interrogés. Les défauts sont classés par ordre d'apparition, le dernier ayant le numéro 1.
| Journal défaut | |
| 1 | 12 |
Appuyer sur les touches suivantes :
-
- OK appuyer en même temps pendant 2 s environ.
-
() / () pour un code de défaut.
3. Remarque
念 permet d'effacer tous les codes défaut mis en mémoire.
- OK l'interrogation est terminée.
Codes de défaut
| Code de dé-faut af-fiché | Const. | Temp. ext. | Comporte-ment de l'ins-tallation | Cause du début | Mesure |
| 0F | X | X | Action de la régulation | Entretien | Effectuer l'entre-tien. Paramétrer le codage "24:0" après l'entretien. |
| 10 | X | Régule selon une tempéra-ture extérieure de 0°C | Court-circuit de la sonde extérieure | Contrôler la sonde extérieure (voir page 104) | |
| 18 | X | Régule selon une tempéra-ture extérieure de 0°C | Coupure de la sonde extérieure | Contrôler la sonde extérieure (voir page 104) | |
| 20 | X | X | Régule sans sonde de dé-part (bouteille de découvert-lage) | Court-circuit de la sonde de départ de l'installation | Contrôler la sonde de la bouteille de découvert-lage (voir page 105) |
Codes de début (suite)
| Code de dé-faut af-fiché | Const. | Temp-ext. | Comporte-ment de l'ins-tallation | Cause dudéfaut | Mesure |
| 28 | X | X | Régule sanssonde de dé-part (bouteillede découvertplage) | Coupure dela sonde départ del'installation | Contrôler lasonde de la bou-teille de décou-plage (voirpage 105) |
| 30 | X | X | Le brûleur sebloque | Court-circuitde la sonde dechaudière | Contrôler lasonde de chau-dière (voirpage 105) |
| 38 | X | X | Le brûleur sebloque | Coupure dela sonde dechaudière | Contrôler lasonde de chau-dière (voirpage 105) |
| 40 | X | La vanne mé-langeuse seferme | Court-circuitde la sonde départ du circuit dechauffageM2 | Contrôler lasonde de départ | |
| 48 | X | La vanne mé-langeuse seferme | Coupure dela sonde départ du circuit dechauffageM2 | Contrôler lasonde de départ | |
| 50 | X | X | Pas de production d'eauchaude sani-taire | Court-circuitde la sonde ECS | Contrôler les son-des (voirpage 105) |
| 58 | X | X | Pas de production d'eauchaude sani-taire | Coupure dela sonde ECS | Contrôler les son-des (voirpage 105) |
Codes de défaut (suite)
| Code de dé-faut af-fiché | Const. | Temp. ext. | Comporte-ment de l'ins-tallation | Cause du début | Mesure |
| A2 | X | Régime de se-cours en cas de pression d'installation trop faible, dé-clenché par le codage "0d" (voir page 56) | Pression d'installation trop faible | Ajouter de l'eau | |
| A4 | X | Action de la régulation | Pression d'installation maxi.dépas-sée | Contrôler la pres-sion de l'installa-tion. Contrôler le fon-cTIonnement et le dimensionnement du vase d'expan-sion à membrane. Purger l'air de l'installation de chauffage. A des fins de documentation du début, l'adresse de codage "0E" est définie sur 1. A remetre manuellement sur 0 une fois le début supprimé. | |
| A7 | X | Action de la régulation conformément à l'état de li-vraison | Module de commande défectueux | Remplacer le mo-dule de commande |
Codes de début (suite)
| Code de dé-faut af-fiché | Const. | Temp. ext. | Comporte-ment de l'installation | Cause du début | Mesure |
| A8 | X | Le brûleur se bloque. Le programme de purge d'air est lancé automatique (voir page 51) | Présence d'air dans le circulator interne ou le débit volumique mini-mal n'est pas atteint | Si le message de début reste affché, purger l'installation | |
| A9 | X | Si un circuit de chauffage avec vanne mélangeuse est raccordé, le brûleur fonctionne à la puissance inférieure. Si seul un circuit de chaufage sans vanne mélangeuse est raccordé, le brûleur est bloqué. | Circulator interne bloqué | Contrôler le circu-lateur | |
| b0 | X | X | Le brûleur se bloque | Court-circuit de la sonde de fumées | Contrôler la sonde de fumées |
| b1 | X | X | Action de la régulation conformément à l'état de li-vraison | Erreur de communication du module de commande | Contrôler les rac-cords, replacer le module de commande le cas échéant |
| b4 | X | X | Régule selon une tempéra-ture extérieure de 0°C | Défaut in-terne | Remplacer la ré-gulation |
5687 686 B/f

Codes de défaut (suite)
| Code de dé-faut af-fiché | Const. | Temp. ext. | Comporte-ment de l'ins-tallation | Cause du début | Mesure |
| b5 | X | X | Action de la régulation conformément à l'état de li-vraison | Défaut in-terne | Remplacer la ré-gulation |
| b7 | X | X | Le brûleur se bloque | Défaut de la fiche de co-dage de la chaudière | Engager la fiche de codage de la chaudière ou la replacer si elle est défectueuse |
| b8 | X | X | Le brûleur se bloque | Coupure de la sonde de fumées | Contrôler la sonde de fumées |
| bA | X | La vanne mé-langeuse M2 régule la tem-pérature de départ sur 20°C. | Erreur de communica-tion de l'équipement de motorisa-tion pour cir-cuit de chauffage M2 | Contrôler les rac-cords et le co-dage de l'équipement de motorisation. Acti-ver l'équipement de motorisation. | |
| bC | X | Action de la régulation sans commande à distance | Erreur de communica-tion de la commande à distance Vitotrol, cir-cuit de chauffage A1 | Contrôler les rac-cords, le cable, l'adresse de co-dage "A0" et les commutateurs de codage de la commande à dis-tance (voir page 129). |
Codes de début (suite)
| Code de dé-faut af-fiché | Const. | Temp. ext. | Comporte-ment de l'installation | Cause du début | Mesure |
| bd | X | Action de la régulation sans commande à distance | Erreur de communication de la commande à distance Vitotrol, cir-cluit de chauffage M2 | Contrôler les rac-cords, le cable, l'adresse de codage "A0" et les commutateurs de codage de la commande à distance (voir page 129). | |
| bE | X | Action de la régulation | Mauvais codage de la commande à distance Vitotrol | Contrôler la position des commu-tateurs de codage de la commande à distance (voir page 129) | |
| bF | X | Action de la régulation | Mauvais module de communication LON | Remplacer le module de communication LON | |
| C5 | X | X | Action de la régulation, vitesses de pompex maxi. | Erreur de communication de la pompex in-terne à as-servisse-ment de vitesse | Contrôler le ré-glage de l'adresse de codage "30" |
Codes de défaut (suite)
| Code de dé-faut af-fiché | Const. | Temp. ext. | Comporte-ment de l'installation | Cause du début | Mesure |
| C6 | X | Action de la régulation, vi-tesse de pompé maxi. | Erreur de communication de la pompé du circuit de chauffage externe à as-servisse-ment de vitesse, cir-cuit de chauffageM2 | Contrôler le ré-glage de l'adresse de codage "E5" | |
| C7 | X | X | Action de la régulation, vi-tesse de pompé maxi. | Erreur de communication de la pompé du circuit de chauffage externe à as-servisse-ment de vitesse, cir-cuit de chauffageA1 | Contrôler le ré-glage de l'adresse de codage "E5" |
| Cd | X | X | Action de la régulation | Erreur de communication Vitocom 100 (BUS KM) | Contrôler les rac-cordements, Vitocom 100 et l'adresse de codage "95" |
| CE | X | X | Action de la régulation | Erreur de communication de l'ex-tension ext. | Contrôler les rac-cordements et l'adresse de codage "2E" |
5687 686 B/f
Codes de début (suite)
| Code de dé-faut af-fiché | Const. | Temp-ext. | Comporte-ment de l'ins-tallation | Cause dudéfaut | Mesure |
| CF | X | Action de la régulation | Erreur de communication du module de communica-tion LON | Remplacer le module de communica-tion LON | |
| dA | X | Action de la régulation sans influence de l'ambiance | Court-circuit de la sonde d'ambiance du circuit de chauffage A1 | Contrôler lasonde d'ambiance du circuit de chauffage A1 | |
| db | X | Action de la régulation sans influence de l'ambiance | Court-circuit de la sonde d'ambiance du circuit de chauffage M2 | Contrôler lasonde d'ambiance du circuit de chauffage M2 | |
| dd | X | Action de la régulation sans influence de l'ambiance | Coupure de la sonde d'ambiance du circuit de chauffage A1 | Contrôler lasonde d'ambiance du circuit de chauffage A1 et la position des commutateurs de codage de la commande à distance (voir page 129) | |
| dE | X | Action de la régulation sans influence de l'ambiance | Coupure de la sonde d'ambiance du circuit de chauffage M2 | Contrôler lasonde d'ambiance du circuit de chauffage M2 et la position des commutateurs de codage de la commande à distance (voir page 129) |
5687 686 B/f

Codes de défaut (suite)
| Code de dé-faut af-fiché | Const. | Temp. ext. | Comporte-ment de l'ins-tallation | Cause du défaut | Mesure |
| E4 | X | X | Le brûleur se bloque | Défaut d'ali-mentation électrique 24 V | Remplacer la ré-gulation. |
| E5 | X | X | Le brûleur se bloque | Défaut de l'amplificateur de flamme | Remplacer la ré-gulation. |
| E6 | X | X | Le brûleur se bloque | Pression d'installation trop faible | Ajouter de l'eau. |
| E8 | X | X | Brûleur en dé-rangement | Courant d'io-nisation hors de la plage valide | Contrôler l'élec-trode d'ionisation et le cable. Appuyer sur "ùRESET". |
| E9 | X | X | Brûleur en dé-rangement | Courant d'io-nisation hors de la plage valide pen-dant le calibrage | Contrôler l'élec-trode d'ionisation et le cable. Contrôler l'étan-chéité du conduit d'évacuation des fumées. Appuyer sur "ùRESET". |
| EA | X | X | Brûleur en dé-rangement | Courant d'io-nisation hors de la plage valide pen-dant le calibrage | Contrôler l'élec-trode d'ionisation et le cable. Appuyer sur "ùRESET". |
| Eb | X | X | Brûleur en dé-rangement | Dissipation de chaleur trop faible de façonRépé-tée pendant le calibrage | Provoquer la dissipation de cha-leur et déclencher le calibrage manuel (voir page 111) Appuyer sur "ùRESET". |
5687 686 B/f
Codes de début (suite)
| Code de dé-faut af-fiché | Const. | Temp-ext. | Comporte-ment de l'ins-tallation | Cause dudéfaut | Mesure |
| EC | X | X | Brûleur en dé-rangement | Courant d'o-nisation horsde la plagevalide pen-dant le cali-brage | Contrôler l'élec-trode d'ionisationet le cable.Appuyer sur "RESET". |
| Ed | X | X | Brûleur en dé-rangement | Défaut in-terne | Remplacer la ré-gulation. |
| F0 | X | X | Le brûleur sebloque | Défaut in-terne | Remplacer la ré-gulation. |
| F1 | X | X | Brûleur en dé-rangement | Le limiteur de tempéra-ture des fu-mées a réagi. | Contrôler le ni-veau de replis-sage de l'in installation dechauffage. Purgerl'air de l'insta-lation.Actionner la tou-che de réarmènment "RESET" après refroidisse-ment du conduitd'évacuation desfumées. |
| F2 | X | X | Brûleur en dé-rangement | Le limiteur de tempéra-ture a réagi. | Contrôler le ni-veau de replis-sage de l'in installation dechauffage.Contrôler le circu-lateur. Purger l'airde l'in installation.Contrôler le limi-teur de tempéra-ture et lesconduites de liaison.Appuyer sur "RESET". |
5687 686 B/f

Codes de défaut (suite)
| Code de dé-faut af-fiché | Const. | Temp. ext. | Comporte-ment de l'ins-tallation | Cause du défaut | Mesure |
| F3 | X | X | Brûleur en dé-rangement | Signal de flamme déjà présent lors du démar-gage du brû-leur. | Contrôler l'élec-trode d'ionisation et la conduite de liaison. Appuyer sur "RESET". |
| F4 | X | X | Brûleur en dé-rangement | Signal de flamme ab-sent. | Contrôler l'élec-trode d'ionisation et la conduite de liaison, mesurer le courant d'ioni-sation, contrôler la pression de gaz, le bloc combiné gaz, l'al-lumage, l'allu-meur, les électrodes d'allu-mage et l'évacua-tion des condensats. Appuyer sur "RESET". |
| F7 | X | X | Le brûleur se bloque | Court-circuit ou coupure de la sonde de pression d'eau | Contrôler la sonde de pres-sion d'eau et la conduite de liaison. |
| F8 | X | X | Brûleur en dé-rangement | Fermeture retardée de la vanne de combustible. | Contrôler le bloc combiné gaz. Contrôler les deux voies de commande. Appuyer sur "RESET". |
5687 686 B/f
Codes de début (suite)
| Code de dé-faut af-fiché | Const. | Temp-ext. | Comporte-ment de l'ins-tallation | Cause dudéfaut | Mesure |
| F9 | X | X | Brûleur en dé-rangement | Vitesse duventilateur trop faible au démarraguedu brûleur | Contrôler le venti-lateur, les conduits de liaison auventilateur, l'ali-mentation en ten-sion duventilateur et lacommande duventilateur.Appuyer sur"RESET". |
| FA | X | X | Brûleur en dé-rangement | Arrêt du ven-tilateur pas atteint | Contrôler le venti-lateur, les conduits de liaison auventilateur et lacommande duventilateur.Appuyer sur"RESET". |
| FC | X | X | Brûleur en dé-rangement | Bloc combiné gaz défectueux, commande de la vanne de modula-tion incor-recte ou parcours de fumées obs-trué | Contrôler le bloc combiné gaz.Contrôler le conduit d'évacua-tion des fumées.Appuyer sur"RESET". |
Codes de défaut (suite)
| Code de dé-faut af-fiché | Const. | Temp. ext. | Comporte-ment de l'ins-tallation | Cause du défaut | Mesure |
| Fd | X | X | Brûleur en dé-rangement | Défaut du boîtier de contrôle du brûleur | Contrôler les électrodes d'allu-mage et les conduites de liaison. S'assurer qu'aucun champ parasite fort (CEM) ne se trouve à proximité de l'appareil. Appuyer sur "ù RESET". Si le défaut n'est pas éliminé, rem-placer la régula-tion. |
| FE | X | X | Brûleur bloqué ou en déran-gement | Fiche de co-dage de la chaudière ou platine de base défec-tueuse | Appuyer sur "ù RESET". Si le dé-faut n'est pas éliminé, remplacer la fiche de codage de la chaudière ou la régulation. |
| FF | X | X | Brûleur bloqué ou en déran-gement | Défaut in-terne ou tou-che "ù RESET" bloquée | Remettre l'appa-reil en marche. Si l'appareil ne se remet pas en mar-che, remplacer la régulation. |
Travaux de réparation
Contrôler la sonde extérieur (régulation en fonction de la température extérieur)


- Retirer la fiche "X3" de la régulation.
- Mesurer la résistance de la sonde extérieur entre "X3.1" et "X3.2" de la fiche retiree et la comparer a la courbe.
- Si la valeur diffère fortement de la courbe, débrancher les conducteurs de la sonde et recommencer la mesure sur la sonde.
- Remplacer le cable ou la sonde extérieure selon le résultat obtenu.
Travaux de réparation (suite)
Contrôler la sonde de chaudière, la sonde ECS ou la sonde de départ pour la bouteille de découplage

Travaux de réparation (suite)
1. Sonde de chaudière
Débrancher les câbles sur la sonde de chaudière (A) et mesure la résistance.
■ Sonde ECS
Déconnecter la fiche du toron de cables sur la régulation et mesurer la résistance.
Sonde de départ
Retirer la fiche "X3" sur la régulation et mesurer la résistance entre "X3.4" et "X3.5".
- Mesurer la résistance des sondes et la comparer à la courbe.
- En cas de forte divergence, rempla- cer la sonde.


Danger
La sonde de chaudière se trouve directement dans l'eau de chauffage (risque de brûlle).
Vidanger la chaudière avant de replacer la sonde.
Contrôler la sonde de fumées
Si la température des fumées dépasse la valeur admissible, la sonde de fumées verrouille l'appareil. Actionner la touche de réarmement "RESET" pour supprimer le verrouillage après le refroidissement du conduit d'évacuation des fumées.
Travaux de réparation (suite)

- Retirer les cables de la sonde de fumées A

- Mesurer la résistance de la sonde et la comparer à la courbe.
- En cas de forte divergence, replacer la sonde.
Contrôler le limiteur de températe
S'il n'est pas possible de déverrouiller le boîtier de contrôle du brûleur gaz après une mise en dérangement bien que la température de l'eau de chaudière soit inférieure à env. 75^ , effectuer le contrôle suivant:
Travaux de réparation (suite)

- Retirer les câbles du limiteur de température (A).
- Contrôler à l'aide d'un multimètre le passage du courant à travers le limiteur de température.
- Démonter le limiteur de températe s'il est défectueux.
- Enduire le nouveau limiteur de temperature de pate thermoconduc- trice et le monter.
- Avec la mise en service, appuyer sur la touche de réarmement "RESET" de la régulation.
Travaux de réparation (suite)
Contrôler le fusible

- Couper l'alimentation électrique.
-
Debloquer les fermétures latérales et basculer la régulation.
-
Retirer la plaque A
- Contrôler le fusible F1 (voir schéma électrique).
Equipement de motorisation pour un circuit de chauffage avec vanne mélangeuse
Contrôler le sens de rotation du servo-moteur de vanne mélangeuse

Travaux de réparation (suite)
- Couper puis réenclenorcher l'interrupeur d'alimentation électrique du servo-moteur. L'appareil effectue l'auto-test suivant:
fermeture vanne mélangeuse (150 s)
■ enclenchement pompe (10 s)
ouverture vanne mélangeuse (10 s)
fermeture vanne mélangeuse (10 s)
Puis action sur vanne normale.
- Observer le sens de rotation du servo-moteur durant l'auto-test. Puis ouvrir la vanne mélangeuse à la main.
Remarque
La sonde de départ doit enregistrer une température plus élevé. Si la température baisse, soit le sens de rotation du servo-moteur est incor-rect, soit l'ensemble papillon de vanne n'a pas eté monté correctement.

Notice de montage vanne mélangeuse
Corriger le sens de rotation du servo-moteur de vanne mélangeuse (si nécessaire)

Danger
Une décharge électrique peut être mortelle.
Couper l'interrupteur d'alimentation électrique et l'alimentation électrique, sur un porte-fusible ou l'interrupteur principal, par exemple, avant d'ouvrir l'appareil.

- Dévisser les plastrons du haut et du bas de l'équipement de motorisation.

Notice de montage de l'équipement de motorisation
Interrupteur d'alimentation électrique
B Inverseur de sens de rotation
Travaux de réparation (suite)
2. Modifier la position de l'inverseur de sens de rotation :
inverseur sur I si le retour chauffage arrive de la gauche (étéat de livraison).

inverseur sur Il si le retourchauffage arrive de la droite.

Contrôler la Vitotronic 200-H (accessoire)
La Vitotronic 200-H est raccordée à la régulation via le cable de liaison LON. Effectuer un test des participants sur la régulation de la chaudière afin de vérifier la liaison (voir page 46).
Modifier les paramètres de régulation de la combustion
La modification des paramètres s'effectue à l'aide d'adresses de codage dans le codage 2.
Travaux de réparation (suite)
Appeler les adresses de codage
- Appuyer en même temps sur les touches et pendant env. 2 s; confirmer avec
- Avec la touche ① ou (-) , selec-tionner l'adresse de codage "11", l'adresse clignote ; confirmer avec OK, la valeur clignote.
-
Avec la touche ou , régler la valeur "9"; confirmer avec OK. Levoyant de marche vert clignote. Les adresses de codage des paramètres sont accessibles.
-
Avec la touche ou , selectionner l'adresse de codage souhaitée (voir tableau suivant) et modifier la valeur.
- Pour sorting, régler la valeur de l'adresse de codage 11 9 , puis appuyer en même temps sur pendant env. 1 s. Le codage est terminé.
Remarque
Si le paramétrage n'est pas quitté par l'adresse de codage 11, la sortie se fait automatiquement au bout d'env. 25 min.
Codages
| Codage en état de livraison | Modification possible | ||
| Brûleur | |||
| 7d:0 | Correction du coeffi-cient d'excès d'air 0 | 7d:-5 à 7d:10 | Remarque Pour que la modification soit possible, un cali-brage manuel doit avoir été effectué au préalable par l'adresse de codage "85". Correction du coefficient d'excès d'air régiable de -5 à 10. Une graduation équivaut à une modification du co-efficient d'excès d'air d'env. 0,01. |
| 82:0 | Fonctionnement au gaz naturel | 82:1 | Fonctionnement au propane |
| 83:0 | Correction de la quantité de gaz de démar-rage à l'allumage 0% | 83:-10 à 83:+20 | Correction de la quantité de gaz de démarriage à l'allumage régiable de -10 à +20% |
5687 686 B/f

Travaux de réparation (suite)
| Codage en état de livraison | Modification possible | ||
| 84:0 | Correction de la puis-sance de démarrage 0 % | 84:-8 à 84:7 | Correction de la puis-sance de démarrage ré-glable de -16 à +14 %. Une graduation équivaut à 2 %. |
| 85:0 | Marche normale | 85:1 | Calibrage manuel de la régulation de la combus-tion. Levoyant de dérange-ment rouge clignote pen-dant le calibrage. L'opération est terminée lorsque levoyant de dé-rangement rouge ne cli-gnote plus (au bout d'env. 1 min). Le coeffi-cient d'excès d'air peut alors être modifié manuelles dans l'adresse de codage "7d".RemarqueUne dissipation de cha-leur doit être assuréependant le calibrage manuel. |
Régulation pour marche à température d'eau constante
Organes de commande et d'affichage

A Manometre
Voyant de dérangement (rouge)
Interface Optolink uniquely en association avec l'adaptateur de diagnostic (accessoire) et Vitosoft (accessoire)
Voyant de fonctionnement (vert)
E Touche de réarmement
F Module de commande
⑥ Interrupteur d'alimentation élec-trique
Touches du module de commande :

Valeur de consigne de la température d'eau de chaudière

Valeur de consigne de la température d'ECS


Fonction de marche provisoire

Marche de veille

Eau chaude uniquement Chauffage et eau chaude sanitaire

Sans fonction

Réglage de la valeur

Confirmation

Information
Réglage de base (Reset)
Mode chauffage
Lorsque le thermostat d'ambiance est en demande, la consigne de températe d'eau de chaudière est maintainue pour le programme de fonctionnement chauffage et eau chaude sanitaire "III".
S'il n'y a pas de demande, la tempéra-ture d'eau de chaudière est maintainue à la tempéralre de mise hors gel prédéfinie.
La température de l'eau de chaudière est limitée à 82^ par l'aquastat de surveillance electronique dans le boîtier de contrôle du brûleur.
Régulation pour marche à température d'eau . . . (suite)
Plage de réglage de la température de départ : de 40 à 74 °C.
Production d'eau chaude sanitaire
Si la température d'eau chaude sanitaire stockée est inférieure de 2,5 K à la température d'ECS de consigne, le brûleur et le circulateur sont mis en marche, et la vanne d'inversion 3 voies est inversée.
La température de consigne d'eau de chaudière dépasse en état de livraison de 20 K la température de consigne eau chaude sanitaire (réglable dans l'adresse de codage "60"). Si la température effective de l'eau sanitaire stockée dépasse de 2,5 K la consigne, le brûleur est arrêté et l'arrêt du circulateur temporisé.
Régulation en fonction de la température extérieure
Organes de commande et d'affichage

A Manometre
⑧ Voyant de dérangement (rouge)
Interface Optolink uniquely en association avec l'adaptateur de diagnostic (accessaire) et Vitosoft (accessoire)
Voyant de fonctionnement (vert)
E Touche de réarmement
F Module de commande
G Bouton de la température ambiente normale
Interrupteur d'alimentation électrique
Régulation en fonction de la température (suite)
Touches du module de commande :

Programmation chauffage
Programmation production
d'eau chaude sanitaire et
pompe de bouclage (si raccordée à la régulation)

Programme vacancies

Heure/date
Température ambiente réduite
Valeur de consigne de la température d'ECS

Fonction de marche provisoire

Marche de veille
Eau chaude uniquement
Chauffage et eau chaude sanitaire

Régime réceptions
Régime économique
Réglage de la valeur

Confirmation
Information
Réglage de base (Reset)
Mode chauffage
Cette régulation détermine une consigné de température d'eau de chaudière en fonction de la température extérieure ou de la température ambiente (si une commande à distance en fonction de la température ambiente est raccordée à la régulation) et de la pente/de la parallèle de la courbe de chauffe.
La consigne de température d'eau de chaudière déterminée est transmise au boîtier de contrôle de brûleur. Le boîtier de contrôle de brûleur détermine à partir des valeurs de consigne et effective de température d'eau de chaudière le pourcentage de puissance et commande le brûleur en conséquence.
La température de l'eau de chaudière est limitée à 82^ par l'aquastat de surveillance electronique dans le boîtier de contrôle du brûleur.
Production d'eau chaude sanitaire
Si la température d'eau chaude sanitaire stockée est inférieure de 2,5 K à la température d'ECS de consigne, le brûleur et le circulateur sont mis en marche, et la vanne d'inversion 3 voies est inversée.
Régulation en fonction de la température (suite)
La température de consigne d'eau de chaudière dépasse en état de livraison de 20 K la température de consigne eau chaude sanitaire (réglable dans l'adresse de codage "60"). Si la température effective de l'eau sanitaire stockée dépasse de 2,5 K la consigne, le brûleur est arrêté et l'arrêt du circulateur temporisé.
Appoint ECS
La fonction d'appoint est activée si une plage de fonctionnement est réglée dans la quatrième phase.
La température de consigne pour l'appoint est régliable dans l'adresse de codage "58".
Extensions internes pour raccordements externes
Extension interne H1

L'extension interne H1 sera implantée dans le boîtier de régulation. Les fonctions suivantes peuvent être raccordées au relais de sortie en lieu et place. La fonction est affectée au moyen de l'adresse de codage "53":
- alarmé centralisée (codage 53:0)
pompe de bouclage ECS (codage 53:1, etat delivraison)
pompe de circuit de chauffage pour circuit de chauffage sans vanne mélangeuse (codage 53:2)
Une electrovanne de sécurité externe peut être raccordée au connecteur 53.
Extensions internes pour raccordements externes (suite)
Extension interne H2 (accessoire)

L'extension interne H2 sera implantiée dans le boîtier de régulation à la place de l'extension interne H1. Les fonctions suivantes peuvent être raccordées au relais de sortie en lieu et place. La fonction est affectée au moyen de l'adresse de codage "53":
alarme centralisée (codage "53:0")
pompe de bouclage ECS (codage "53:1") (marche en fonction de la température extérieure uniquement)
pompe de circuit de chauffage pour circuit de chauffage sans vanne mélangeuse (codage "53:2")
Un apparéil d'évacuation d'air peut être arrêté au moyen du raccord lorsque le brûleur démarre.
Extensions externes pour raccordements externes (accessoires)
Extension externe H1

L'extension exter se sera raccordee a la regulation de la chaudiere au travers du BUS KM. L'extension permit de piloter ou de Traits les fonctions suivantes :
Interrupteur d'alimentation élec-trique (sur le chantier)
20 Circulateur pour circuit de chiffage sans vanne mélangeuse
21 Pompe de charge ECS
28 Pompe de bouclage ECS (regulation en fonction de la temperture extérieure uniquement)
40 Alimentation électrique
50 Alarme centralisée
- Demande externe (bornes 1 - 2)
Inversion externe du programme de fonctionnement (bornes 1 - 2) (regulation en fonction de la température extérieure uniquement) L'affection de la fonction "Inversion externe du programme de fonctionnement" sera regliée au moyen de l'adresse de codage "91".
144 Consigne externe de 0 à 10 V
145 BUS KM
Extensions externes pour raccordements externes . . . (suite)
Extension externe H2

L'extension externe sera raccordée à la régulation de la chaudière au travers du BUS KM. L'extension permet de piloter ou de Traits les fonctions suivantes :
A Interrupteur d'alimentation écle trique (sur le chantier)
Pompe de bouclage ECS (régu-lation en fonction de la tempéra-ture extérieure uniquement)
Alimentation électrique
- Demande externe (bornes 1 - 2)
Inversion externe du programme de fonctionnement (bornes 1 - 2) (régulation en fonction de la température extérieure uniquement) L'afliction de la fonction "Inversion externe du programme de fonctionnement" sera reglee au moyen de l'adresse de codage "91".
145 BUS KM
Fonctions de régulation
Inversion externe du programme de fonctionnement
La fonction "Inversion externe du programme de fonctionnement" sera raccordée à l'entrée "143" de l'extension externe. Le codage "91" déterminé les circuits de chauffage sur lesquels l'inversion du programme de fonctionnement doit agir :
| Inversion du programme de fonctionnement | Codage |
| Pas d'inversion | 91:0 |
| Circuit de chauffage sans vanne mélangeuse A1 | 91:1 |
| Circuit de chauffage avec vanne mélangeuse M2 | 91:2 |
| Circuit de chauffage sans vanne mélangeuse et circuit de chauffage avec vanne mélangeuse | 91:3 |
Le codage "D5" permet de définir pour chaque circuit de chauffage le sens de l'inversion :
| Inversion du programme de fonctionnement | Codage |
| Inversion dans le sens "Réduit en permanence" ou "Mar-che de voir en permanence" (en fonction de la consigné réglée) | d5:0 |
| Inversion dans le sens "Chauffage en permanence" | d5:1 |
La durée de l'inversion du programme de fonctionnement sera réglée par le codage "F2":
| Inversion du programme de fonctionnement | Codage |
| Pas d'inversion | F2:0 |
| Durée de l'inversion du programme de fonctionnement de 1 à 12 heures | de F2:1 à F2:12 |
L'inversion du programme de fonctionnement reste active tant que le contact est fermé et au moins aussi longtemps que la durée imposée dans le codage "F2".
Fonctions de régulation (suite)
Verrouillage externe
La fonction "Verrouillage externe" sera raccordée à l'entrée "143" de l'extension externe.
Le codage "32" déterminé l'influence du signal "Verrouillage externe" sur les circulateurs raccordés.
Demande externe
La fonction "Demande externe" sera raccordée à l'entrée "143" de l'extension externe.
Le codage "34" déterminé l'influence du signal "Demande externe" sur les circulateurs raccordés.
Le codage "9b" permet de régler la température de consigne minimale d'eau de chaudière en cas de demande externe.
Programme de purgege d'air
Durant le programme de purgege d'air, le circulateur est enclenché et arrêté toutes les 30 secondes pendant 20 minutes.
La vanne d'inversion est positionné
pendant un certain temps alternatively
ment en direction chauffage et production d'eau chaude sanitaire. Le brûleur est arrêté durant le programme de purgege d'air.
Le programme de purgege d'air est activé par le codage "2F:1". Au bout de 20 mn, le programme se désactive automatiquement et le codage "2F" revient à la valeur "0".
Programme de replissage
En état de livreaison, la vanne d'inversion est en position mediane, pour permettre un replissage total de l'installation. Avec enclenchement de la régulation, la vanne d'inversion quitte la position mediane.
Puis la vanne d'inversion sera mise en position mediane par le codage "2F:2". Si la régulation est arrêtée avec ce réglage, il est possible de replir totallyment l'installation.
Fonctions de régulation (suite)
Remplissage, régulation enclenchée
Si l'installation doit être remplie, régulation enclenchée, la vanne d'inversion sera mise en position médiane par le codage "2F:2" et la pompe enclenchée.
Si la fonction est activée par le codage "2F", le brûleur s'arrête. Au bout de 20 minutes, le programme se désactive automatiquement et le codage "2F" revient à la valeur "0".
Fonction séchage de chape
La fonction séchage de chape permet de secher la chape. Les indications du fabricant de la chape devront être impérativement respectées.
Si la fonction sechage de chape est activée, la pompe du circuit avec vanne mélangeuse est enclenchée et la température de départ maintainue à la valeur du profil régled. A l'issue de la fonction (30 jours), le circuit avec vanne mélangeuse est automatiquement pilote avec les paramètres affichés.
Respecter la norme EN 1264. Le procés-verbal à étabir par le chauffagiste devraContaining les données suivantes concernant la montée en température :
- paramètres de montée en températe avec les Températures concernées de départ
température maximale de départ atteinte - état de fonctionnement et température extérieure à la remise de l'installation
Il est possible de selectionner diffé- rents profils de temperture par le codage "F1".
A l'issue d'une coupure de courant ou d'un arrêt de la régulation, la fonction est poursuivie. A la fin de la fonction séchage de chape ou en cas de réglage manuel du codage "F1:0", "Chauffage et eau chaude sanitaire" est enclenché.

Profil de température 1 : (EN 1264-4) codage "F1:1"
Fonctions de régulation (suite)
Profil de température 2 : (Association des fabricants de parquets et de dallage) codage "F1:2"

Profil de température 3 : codage "F1:3"

Profil de température 4 : codage "F1:4"

Fonctions de régulation (suite)

Profil de température 5 : codage "F1:5"

Profil de température 6 : codage "F1:6"

Profil de température 7 : codage "F1:15"
Fonctions de régulation (suite)
Augmentation de la température ambiente réduite
Si l'installation fonctionne à une température ambiente réduite, il est possible d'augmenter automatiquement la valeur de consigne de la température ambiente réduite en fonction de la température extérieure. La température est augmentée selon la courbe de chauffe régée et ne pourra pas dépasser la valeur de la consigne de température ambiente normale.
Les valeurs limites de la températe extérieure pour le début et la fin de l'augmentation de la températe seront régliées dans les codages "F8" et "F9".

Exemple avec les réglages en état de livreaison
Courbe de chauffe pour marche à la température ambiente normale
B Courbe de chauffe pour marche à la température ambiente réduite
Fonctions de régulation (suite)
Réduction de la durée de montée en température
Lors du passage de fonctionnement à la °température ambiente réduite à la température ambiente normale, la température d'eau de chaudière ou de départ est augmentée en fonction de la courbe de chauffe régée. Il est possible d'accroître automatiquement l'augmentation de la température d'eau de chaudière ou de départ.
La valeur et la durée de l'augmentation supplémentaire de la consigne de température d'eau de chaudière ou de départ seront régées dans les codages "FA" et "Fb".

Exemple avec les réglages en état de livreaison
A Début du fonctionnement à la température ambiente normale
Consigne de température d'eau de chaudière ou de départ selon la courbe de chauffe régée
C Consigne de température d'eau de chaudière ou de départ selon le codage "FA": 50^ C + 20% = 60^ C
D Durée du fonctionnement à la valeur de consigne plus élevé pour la température d'eau de chaudière ou de départ en fonction du codage "Fb": 60 mn
Commutateurs de codage de la commande à distance
Les commutateurs de codage se trouvent sur la platine dans la partie supérieure du boîtier.
| Commande à distance | Position des commutateurs de codage |
| La commande à distance agit sur le circuit de chauffage sans vanne mélangeuse A1 | ON 1 2 3 4 |
| La commande à distance agit sur le circuit de chauffage avec vanne mélangeuse M2 | ON 1 2 3 4 |
| Si une sonde d'ambiance indépendante est raccordée, positionner le commutateur de codage "3" sur "ON". | ON 1 2 3 4 |
Régulation électronique de la combustion
La régulation électronique de la combustion utilise la corrélation physique entre la valeur du courant d'ionisation et le coefficient d'excess d'air . Quelle que soit la qualité du gaz, le courant d'onisation maximal s'établit avec un coefficient d'excess d'air de 1. Le signal d'onisation est traité par la régulation de la combustion et le coefficient d'excess d'air est réglo à une valeur comprise entre 1,24 et 1,44. Dans cette plage, la qualité de la combustion est optimale. La vanne gaz électronique règle ensuite la quantité de gaz nécessaire en fonction de la qualité du gaz alimentant la chaudière.
La teneur en CO_2 ou la teneur en O_2 des fumées est mesurée pour contrôler la qualité de la combustion. Le coefficient d'excès d'air effectif est déterminé à l'aide des valeurs mesurées. La corrélation entre la teneur en CO_2 ou en O_2 et le coefficient d'excès d'air est indiquée dans le tableau ci-après.
Régulation électronique de la combustion (suite)
Coefficient d'excès d'air λ - Teneur en CO2/O2
| Coefficient d'excès d'air λ | Teneur en O2 (%) | Teneur en CO2 (%) avec du gaz naturel H-G20 | Teneur en CO2 (%) avec du gaz naturel L-G25 | Teneur en CO2 (%) avec du propane P |
| 1,24 | 4,4 | 9,2 | 9,1 | 10,9 |
| 1,27 | 4,9 | 9,0 | 8,9 | 10,6 |
| 1,30 | 5,3 | 8,7 | 8,6 | 10,3 |
| 1,34 | 5,7 | 8,5 | 8,4 | 10,0 |
| 1,37 | 6,1 | 8,3 | 8,2 | 9,8 |
| 1,40 | 6,5 | 8,1 | 8,0 | 9,6 |
| 1,44 | 6,9 | 7,8 | 7,7 | 9,3 |
Afin que la régulation de la combustion soit optimale, le système se calibrecycliquement ou à l'issue d'une coupure de courant (mise hors service). La combustion est alors réglée brièvement au courant d'ionisation maxi. (ce qui correspond à un coefficient d'excess d'air = 1 ). Le calibrage automatique est effectué peu après le démarrage du brûleur et dure environ 5 s. Des émissions accrues de monoxyde de carbone peuvent brièvement se produit durant cette opération.
La régulation de la combustion peut également être calibrée manuellement, par ex. à l'issue de travaux d'entretien et de maintenance (adresse de codage "85").
Schemeélectrique-Raccordements internes

A1 Platine de base
X... Interfaces électriques
3 Sonde de chaudiere
11 Electrode d'ionisation
15 Sonde de fumées
30 Moteur pas à pas pour vanne d'inversion
47 Thermo-switch
54 Allumeur
100 Moteur ventilateur
100A Commande moteur du ventilateur
163 Sonde de pression d'eau
190 Bobine de modulation
Schemeélectrique-Raccordements externes

A1
Platine de base
A2
Bloc d'alimentation électrique
5687 686 B/f

Scheme electrique - Raccordements externes (suite)
A3 Optolink
A4 Boitier de contrôle du brûleur
A5 Module de commande
A6 Fiche de codage
A7 Adaptateur
A8 Module de communication LON
A9 Extension interne H1
S1 Interrupteur d'alimentation électrique
S2 Touche de réarmement
X... Interfaces électriques
1 Sonde extérieure
2 Sonde de départ de la bouteille de découplage
5 Sonde ECS (fiche sur le toron de câbles)
20 Circulateur interne
28 Pompe de bouclage ECS ou
pompe de circuit de chauffage externe
35 Electrovanne gaz
Alimentation électrique
53 Electrovanne de sécurité externe (propane)
96 Alimentation electrique des accessoires et de la Vitotrol 100
100 Moteur ventilateur
100A Commande moteur du ventilateur
111 Pressostat gaz
145 BUSKM
Listes des pieces détachées
Remarque concernant la commande de pieces détachées! Indiquer la référence et le nombre de fabrication (voir plaque signalétique) ainsi que le numéro d'ordre de la piece détachée (dans la présente liste des pieces détachées).
Les pièces courantes sont en vente dans le commerce spécialisé.
001 Tube de raccordement échangeur de chaleur avec joints
002 Conduite de depart
003 Tube de raccordement depart préparateur
005 Tube de raccordement préparateur d'eau chaude sanitaire
006 Tube de raccordement retard
007 Conduite gaz
008 Préparateur d'eau chaude sanitaire avec pos. 048 (2 unités)
009 Siphon
010 Flexible condensats 800 mm
011 Tube condensats
012 Echangeur de chaleur
013 Tôle d'encapsulation avec matelas insonorisant
016 Fermetre a genouillere (jeu)
017 Manchette de raccordement à la chaudière
018 Bouchon
019 Joint d'admission d'air
020 Joint à lèvres
021 Passe-câbles raccordement à la chaudière (jeu)
022 Câble de raccordement du vase d'expansion à membrane
023 Vase d'expansion à membrane
024 Manometre
025 Purgeur d'air instantané G%
026 Vanne de décharge
027 Soupape de sécurité
028 Robinet de purge d'air G%
029 Moteur pas à pas linéaire
031 Vanne à bille R½ avec poignée
032 Jeu de joints pour connecteur enchachieble
033 Jeu de joints plats
034 Jeu de pieces de blocage pour connecteur
035 Ressort de blocage
040 Passe-câbles (jeu)
041 Unité de return
042 Coude de raccordement retard
043 Aiguille de blocage (5 unités)
044 Clip (5 unités)
045 Collecteur de condensats
046 Flexible condensats 1500 mm
047 Flexible condensats 400 mm
048 Manchon
052Grille de bruleur
053 Joint pour grille de brûleur
058 Joint sortie du ventilateur
059 Ventilateur
061 Bloc combiné gaz
062 Portedu bruleur
063 Allumeur
070 Joint de I'electrode d'ionisation
071 Joint de I'electrode d'allumage
073Injecteur gaz
074 Rallonge Venturi
100 Regulation
101 Cache arrête
102 Arceau de fermeture (10 unités)
103 Support
104 Bras pivotant
105 Tige de charnière (10 unités)
106 Volet
107 Porte-manometre
108 Bride de fixation (10 unités)
109 Charnière (10 unités)
110 Fiche de codage de la chaudière
111 Fusible 6,3 AT (10 unités)
112 Module de commande pour marché à température d'eau constante

Listes des pieces détachées (suite)
113 Module de commande en fonction de la température extérieure
122 Module de communication LON (accessoire)
123 Adaptateur platine module LON (accessoire)
125 Porte-fusible
126 Extension interne H1
150 Sonde de pression d'eau
151 Sonde extérieure
152 Sonde ECS
153 Sonde de fumées
154 Thermo-switch
155 Sonde de température
174 Tube de raccordement retard préparateur
200 Tôles latérales
201 Tôle supérieure avant
202 Tôle supérieure arrêté
203 Tôle avant supérieure
204 Tôle avant inférieure
205 Traverse
206 Pied de calage
207 Éléments de fixation
301 Moteur circulateur
350 Rondelle d'étanchéité
351 Serre-cable
352 Joint
354 Bride d'anode avec joint
355 Isolation bride
Pieces d'usure
050 Joint de brûleur
051 Anneau isolant
054 Electrode d'allumage avec joint
055 Electrode d'ionisation avec joint
353 Anode au magnésium = 40 × 270/240
Pièces détachées non représentées
038 Graisse spéciale
039 Pate thermoconductrice
072 Joint G 3 / 4 (5 unités)
116 Toron de cables X8/X9
117 Toron de câbles 100/35/54 (terre auxiliaire)
118 Câble de raccordement de l'électrovanne gaz
119 Toron de cables terre/allumeur
120 Câble de raccordement du moteur pas à pas
121 Toron de câbles ionisation/BUS KM interne
126 Contrefiche
127 Fixation pour cable
128 Protection contre les projections
208 Crayon pour retouches vitoblanc
209 Bombe aerosol de peinture vitoblanc
400 Notice d'utilisation pour marche à température d'eau constante
401 Notice d'utilisation en fonction de la température extérieure
403 Notice de montage
404 Notice de maintenance
405 Notice de montage du module de communication LON
A Plaque signalétique
Listes des pieces détachées (suite)

5687 686 B/f
Listes des pieces détachées (suite)

5687 686 B/f
Listes des pieces détachées (suite)

5687 686 B/f
Listes des pieces détachées (suite)

5687 686 B/f
Listes des pieces détachées (suite)

5687 686 B/f
Proces-verbaux
| Valeurs de réglage et mesurées | le par | Valeur de consigne | Première mise en service | Entretien |
| Pression au repos mbar | maxi. 57,5 mbar | |||
| Pression d'alimentation (pression d'écoulement) | ||||
| □ pour le gaz mbar naturel H-G20 | 18 - 25 mbar | |||
| □ pour le gaz mbar naturel L-G25 | 20 - 30 mbar | |||
| □ pour le propane mbar Cocher le gaz correspontant | 31,5 - 42,5 mbar | |||
| Teneur en dioxyde decarbone CO2 | ||||
| ■ à la puissance nomi-nale inférieure | ||||
| ■ à la puissance nomi-nale supérieure | ||||
| Teneur en oxygène O2 | ||||
| ■ à la puissance nomi-nale inférieure | ||||
| ■ à la puissance nomi-nale supérieure | ||||
| Teneur en monoxyde de carbone CO | ||||
| ■ à la puissance nomi-nale inférieure | ||||
| ■ à la puissance nomi-nale supérieure | ||||
\section*{Caracteristiques techniques}
\section*{Caracteristiques techniques}
| Tension nominale | 230 V | Réglage de l'aquas-tat de surveillance | |
| Fréquence nominale | 50 Hz | électronique | 82 °C |
| Intensité nominale | 6 A | Réglage du limiteur | |
| Classe de protec-tion | I | de température | 100 °C (fixe) |
| Fusible amont (ré-seau) | maxi. 16 A | ||
| Indice de protection | IP X 4 D selon EN 60529 | Puisance absorb-bee | 65 W |
| Plage de température | de 0 à +40 °C | ||
| ■ de fonctionne-ment | |||
| ■ de stockage et de transport | de -20 à +65 °C |
Chaudière gaz, catégorie l2N - l3P
| Plage de puissance nominaleT0/TR 50/30 °C | kW | de 5,2 à 26 |
| Plage de charge nominalepour le chauffage des pièces | kW | de 4,9 à 24,7 |
| pour la production ECS | kW | de 4,9 à 24,7 |
| Puisance raccordéepar rapport à la charge maxi.Gaz naturel | m3/h | 2,61 |
| H-G20Gaz naturel | m3/h | 3,04 |
| L-G25Propane | kg/h | 1,93 |
| Numéro d'identification du produit | €-0085 BR 0433 |
Remarque
Ces valeurs ne servent qu'a titre d'information (par ex. lors d'une demande de raccordement gaz) ou au contrôle complémentaire volumétrique sommaire des réglages. Compte tenu du réglage effectué en urine, les pressions de gaz ne doivent pas été modifiées différemment de ces indications. Référence : 15^ , 1013 mbar.
Déclaration de conformité
Déclaration de conformité pour Vitodens 333-F
Nous, la société Viessmann Werke GmbH&Co KG, D-35107 Allendorf, déclarons sous notre seule responsabilité que le produit Vitodens 333-F est conforme aux normes suivantes :
DIN 4702-6 EN50165
DIN 4753 EN 55014
EN483 EN60335
EN625 EN61000-3-2
EN677 EN61000-3-3
EN806
Ce produit est certifié C€-0085 conformément aux directives suivantes :
97/23/CE 2004/108/CE
Ce produit satisfait aux exigences de la directive sur le rendement (92/42/CEE) pour les chaudières à condensation.
Allendorf, le 12 janvier 2007
La déclaration de conformité suivant l'AR du 8 janvier 2004-BE est à votre disposition sous www.viessmann.be
Attestations
Attestation du fabricant selon les prescriptions allemandes (1er BlmSchV)
Nous, la société Viessmann Werke GmbH & Co KG, D-35107 Allendorf, confirmons que le produit Vitodens 333-F respecte les valeurs limites de NO_x prescrites par la 1ere BlmSchV § 7 (2) (Bundesimmissionsschutzverordnung / ordonnance fédérale allemande relative à la protection contre les effets nocifs des rejets sur l'environnement).
Allendorf, le 12 janvier 2007
Acquittement d'un affichage des défauts 90
Allumage 24
Anode de protection
■ contrôle l'anode 27
Appeler un message de défaut 91
Appoint ECS 117
Attestation du fabricant 144
Augmentation de la températe ambiente réduite 127
B
Bloc combiné gaz 18
Brèves interrogations 80
C
Chaine de sécurité 107
Changement de langue 14
Changement de type de gaz 16
Codage 1
Appeler 51
Codage 2
Appeler 54
Codages à la mise en service 36
Codes de défaut 91
Commande à distance 129
Contrôler la qualité de la combustion 35
Contrcler l'anode 30
Contrcler I'anode au magnesium... 30
Contrcler les fonctions 85
Contrcler l'etanchete de la ventouse 20
Courbe de chauffe 42
D
Défauts 89
Demande externe 123
Demonter le bruleur 22
Description des fonctions 114
Diminution de la puissance de montée en température 127
Données techniques 142
Durée de montée en température. 128
E
Electrode d'ionisation 24
Electrodes d'allumage 24
Entretien
Acquirer 48
■ Remetre à zéro 49
Equipement de motorisation pour un circuit de chauffage avec vanne mélangeuse 109
Etat delivraison 78
Evacuation des condensats 26
Extension
externe H1 120
externe H2 121
interne 118
interne H1 118
interne H2 119
F
Faire modifier le type de gaz 16
Fonction de remplissage 123
Fonction séchage de chape 124
Fusible 109
G
Gestionnaire des defaults 46
Grille de bruleur 23
H
Historique des défauts 91
Index
Index (suite)
1
Interrogier les états de fonctionnement 87
Inversion du programme de fonctionnement 122
L
Liminetre de température 107
Listedespiecesdetachedes 134
LON 45
LON
Définition du nombre des participants 45
■ Mise à jour de la liste des participants 46
Surveillance des défauts 46
M
Mémoire de stockage des défauts. 91
Module de communication LON 45
Monter le brûleur 24
N
Nettoyer la chambre de combustion 24
Nettoyer le préparateur 28
Nettoyer les surfaces d'échange 24
0
Organes d'affichage 114, 115
Organes de commande 114, 115
P
Parallele de la courbe de chauffe 43
Paramètres de régulation de la combustion 111
Pente de la courbe de chauffe 43
Premiere mise en service 9
Pression au repos 18
Pression d'alimentation 18
Pression d'alimentation gaz 18
Pression de l'installation 10
Proces-verbal 141
Proces-verbaux 141
Programme de purge d'air 123
Purger l'air 10
R
Réduction de la durée de montée en température 128
Régler la date 14
Régler la puissance de chauffage. 19
Régler l'heure 14
Régulation 114
Regulation de la combustion. 111, 129
Régulation électronique de la combustion 129
Réinitialisation des codages 78
Remplacer l'anode 30
Remplacer l'anode au magnésium 30
Remplir l'installation 10
Index (suite)
S
Schemeélectrique 131
Schemasélectriques 131
Schemashydrauliques 36,51
Sechage de chape 124
Sens de rotation du servo-moteur devanne mélangeuse
Controler 109
Corriger 110
Siphon 26
Sonde de chaudière 105
Sonde de depart 105
Sonde de fumées 106
Sonde ECS 105
Sonde extérieure 104
Structure du message de défaut 89
Suppression d'un affichage des défauts 90
T
Température ambiente normale 44
Température ambiente réduite 44
Test des relais 85
Type de gaz 15
V
Vase d'expansion à membrane 9
Verrouillage externe 123
Version d'installation 37
Vitocom 300 45
Vitotronic 200-H 45,111
Vue d'ensemble des interfaces de maintenance 79
Remarque concernant la validité
Chaudière compacte gaz à condensation
| Type WR3C | à partir du n° de fabrication |
| de 5,2 à 26 kW | 7246 892 ... |
Viessmann-Belgium bvba-sprl
Hermesstraat 14
B-1930 ZAVENTE M
Tel.:027120666
Fax:027251239
e-mail: info@viessmann.be
www.viessmann.com
Notice Facile