HYDROCONFORT VENTOUSE 80 450 - Chaudière à condensation FRISQUET - Notice d'utilisation et mode d'emploi gratuit
Retrouvez gratuitement la notice de l'appareil HYDROCONFORT VENTOUSE 80 450 FRISQUET au format PDF.
| Type d'appareil | Chaudière à gaz à ventouse |
| Modèles | 80/450, 120/700 |
| Contrôle de flamme | Par ionisation |
| Type de combustion | Gaz |
| Installation | Murale |
| Type de ventilation | Ventouse |
| Puissance thermique | Non précisé |
| Alimentation électrique | 230 V / 50 Hz (typique) |
| Type de régulation | Non précisé |
| Pression maximale | Non précisé |
| Dimensions (L x H x P) | Non précisé |
| Poids | Non précisé |
| Type d'eau | Chauffage central |
| Normes de sécurité | Conforme aux normes en vigueur |
| Garantie | Non précisé |
FOIRE AUX QUESTIONS - HYDROCONFORT VENTOUSE 80 450 FRISQUET
Questions des utilisateurs sur HYDROCONFORT VENTOUSE 80 450 FRISQUET
La chaudière à condensation FRISQUET HYDROCONFORT VENTOUSE 80 450 est conçue selon des normes strictes de sécurité pour minimiser les risques d'incendie. Toutefois, comme tout appareil de chauffage, certaines précautions sont indispensables pour garantir un fonctionnement sûr :
Principaux risques d'incendie
- Accumulation de gaz ou de combustible en cas de fuite
- Mauvaise ventilation entraînant une surchauffe
- Présence de matériaux inflammables à proximité de la chaudière
- Défaillance liée à un entretien insuffisant ou incorrect
Conseils pour prévenir les risques
- Installation professionnelle : Faites toujours installer la chaudière par un technicien qualifié, conformément aux recommandations du fabricant.
- Entretien régulier : Programmez des contrôles et maintenances périodiques pour vérifier l’état de la chaudière, détecter d’éventuelles fuites et assurer un bon fonctionnement.
- Ventilation adéquate : Veillez à ce que la pièce où est installée la chaudière soit bien ventilée pour éviter l’accumulation de gaz ou de chaleur.
- Éloignement des matériaux inflammables : Ne placez pas d’objets combustibles à proximité immédiate de la chaudière.
- Surveillance : Soyez attentif à tout signe anormal (odeur de gaz, bruit inhabituel, fumée) et agissez rapidement en cas de doute.
En respectant ces bonnes pratiques, vous minimisez considérablement les risques d’incendie liés à votre chaudière FRISQUET HYDROCONFORT VENTOUSE 80 450 et assurez un usage sûr et durable de votre installation.
Téléchargez la notice de votre Chaudière à condensation au format PDF gratuitement ! Retrouvez votre notice HYDROCONFORT VENTOUSE 80 450 - FRISQUET et reprennez votre appareil électronique en main. Sur cette page sont publiés tous les documents nécessaires à l'utilisation de votre appareil HYDROCONFORT VENTOUSE 80 450 de la marque FRISQUET.
MODE D'EMPLOI HYDROCONFORT VENTOUSE 80 450 FRISQUET
Contrôle de flamme par ionisation
SOMMAIRE
INSTALLATION
Page
1 - Elements dimensionnels 4
2 - Implantation de la micro ventouse à l'aide des gabarits A et B
a) Sortie arrriere 4
b) Sortie droite ou gauche 5
3 - Scellement de la micro ventouse 5
4 - Accrochage de la chaudière
a) Démonter le carénage 7
b) Démonter le support ventilateur 7
c)Accrocher la chaudiere 7
d) Démonter la plaque de transport 8
5-Raccordement des fumées 9
6-Raccordement des accessoires hydraulique et gaz 10
7 - Raccordement du circuitélectrique 10
MISE EN SERVICE
1 - Remplir l'installation de chauffage 11
2 - Vérifier les étanchéités gaz et eau 11
3-Mise en route 11
4 - Contrôles de mise en service 11
Sortie des produits de combustion :
Obstacles
Ne pas placer la sortie de la micro ventouse à moins de 0,50 m de tout obstacle important (mur perpendicular, sous pente, sol, balcon etc...).
Ouvrant / ventilation
Respecter impératifement les 2 distances : - d1 = mini 0,40 m
Les distances d1, d2 s'entendant de l'axe de l'orifice d'évacuation des gaz brûlés au point le plus proche du nu extérieur de toute baie ouvrante ou de tout orifice d'entrée d'air de ventilation.
Voie publique ou privée
Si la sortie de la micro ventouse débouche sur une voie publique ou privée, à une hauteur H inférieure à 1,80 m un déflecteur inamovible donne aux gaz evacués une direction sensiblement parrallèle au mur.


La chaudière doit être installée suivant les règles en vigueur :
- Arrêté du 2 août 1977 et arrêtés modificatifs.
- Norme P45 - 204 (DTU 61.1) - NFC 15.100 Installations électriquesasse tension
- DTU 24.1 Raccordement des fumées
- NFC 73.600 Installations électriques mise à la terre
Par application de l'article 25 de l'arrêté du 02 août 1977 modifié et de l'article 1 de l'arrêté modificatif du 05 février 1999 l'installateur est tenu d'établit des certificates de conformité approuvés par les ministres charges de la construction et de la sécurité du gaz :
- de modèles distincts (modèles 1, 2 ou 3) après réalisation d'une installation gaz neuve.
- de « modulo 4 » après remplacement d'une chaudière par une nouvelle dans l'axe et l'emprise de l'appareil antérieur.
Boue
Il est indispensable d'effectuer un rincege et un nettoyage de l'installation avant la mise en service de la chaudière sur tout si l'installation est ancienne.
Chauffage par le sol
Toute installation de plancher chauffant doit être protégée par un additif contre la corrosion, la formation de dépôts et la contamination bacteriienne.
Tartre
Si la chaudière est installée dans une région où l'eau est "dure" ou "très dure" (TH), protégger le circuit sanitaire des chaudières mixtes des effets néfastes du calcaire.
Rappel :
-Eau douce
Moins de 12^ F
-Eau dure
de 13^ à 24^ F
-Eau très dure
Plus de 25^ F
- 1^ F = 10 grammes de calcaire par m^3 d'eau
- 24^ F = 240 grams de calcaire par m^3 d'eau
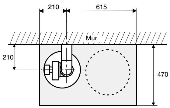
1 - Éléments dimensionnels

VUE DE FACE

VUE DE DESSUS
2 - Implantation de la micro ventouse à l'aide des gabarits A et B (Pour le modele 80/450)
a) Sortie arrêté
- Choisir l'emplacement de la chaudière.
- Positionner le gabarit A sur le murChoisi à l'aide des pastilles autocollantes
- Respecter sa mise à niveau ainsi que les cotes mini définies sur le gabarit A.
- Au travers du gabarit A pointer et percer les trous de la barre d'accrochage (oblong 18x9).
-
La sceller avec des fixations de diamètre 8 mm.
Leur nombre et leur nature dépendent : -
du matériel du support
- du poids de la chaudière en charge
80/450 182kg
120/700 227kg
- Pointer l'axe du trou de passage de la micro ventouse et percer à un diamètre de 110 mm.
- Conserver le gabarit B, pour utilisation ultérieure.
b) Sortie droite ou gauche - voir schémas 1 et 2 -
- Choisir l'emplacement de la chaudière.
- Positionner le gabarit A sur le mur destiné à receivevoir la chaudière à l'aide des pastilles autocollantes.

Accessoires de pose


- Prolonger le trait de niveau, repéré sur le gabarit A sur le mur où doit sortir la micro ventouse.
- Placer le gabarit B sur le trait de niveau et faire buter son petit côté sur le mur où est collé le gabarit A.
- Tracer le point de rencontres des axes F et G - voir schéma 2 - à l'aide du gabarit B.
- Conserver la gabarit B, pour utilisation ultérieure.
- Percer à un diamètre 110 mm.
- Au travers du gabarit A pointer et percer les trous de la barre d'accrochage (oblong 18x9).
- La sceller avec des fixations de diamètre 8 mm.
Leur nombre et leur nature dépendent :
- du matériel du support
- du poids en charge de la chaudière (page 4)
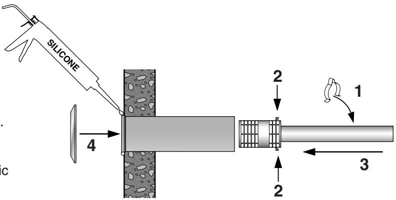
3 - Scellement du tube PVC.
a) Mettre à dimension la micro ventouse :
- Mesurer précisément la profondeur du trou de passage de la micro ventouse : cote M
Attention, le tube PVC fourni avec la chaudière permet une longueur utile selon disposition de :
Sortie arrriere : 725 mm (épaisseur maxi du mur)
Sortie droite : 320 mm (épaisseur du mur + côte X)
Sortie gauche : 725 mm (épaisseur du mur + côte X)
Si cette longueur est insuffisante, utiliser les rallonges de 0,50 m ou 1 m (vendues séparements, voir page 15).



-
Démonter le tube Alu :
-
Tirer vers soi en tournant.
- Lorsque les languettes s'engagent, tirer sur le tube en lui donnant de faibles mouvements de rotation alternés droite et gauche.

- Couper le tube PVC Ø 100 mm à la cote A, la chute du côté non expansé.
Cote A pour : • Sortie arrêté = M + 155 mm
- Sortie droite = M + X* + 560 mm
- Sortie gauche = M + X* + 155 mm
^*X : espace compris entre le mur et le carénage de la chaudière, pour une sortie droite ou gauche (voir schéma 1).
- Retirer le centreur Inox du tube Alu Ø 60 mm.
- Couper dans le tube Alu, une chute absolument égale à la chute du tube PVC.

b) Positionner le tube PVC dans son trou de passage
- Respecter la cote B déterminée par :
Sortie arriere 140 mm
- Sortie droite = X + 545 mm
- Sortie gauche = X + 140 mm

c) Respecter le centrage du tube PVC
Sortie arrriere
- Aligner le côté gauche du gabarit B avec le côté gauche de la barre d'accrochage.
- Centrer le tube PVC dans le trou de passage du mur à l'aide du gabarit B posé sur la barre d'accrochage.

Sortie droite ou gauche
- Mettre le gabarit B sur le trait de niveau en le fixant avec des pointes, en butée contre le mur perpendicular.
- Centrer le tube PVC dans le trou de passage du tube.

- Respecter une pente de 2 % descendante vers l'extérieur.
- Sceller le tube PVC en s'assurant qu'il ne subisse aucune déformation.
Après scellement :
1 - Remetre le centreur sur le tube Alu.
2 - Exercer une pression sur les 3 languettes Inox.
3 - Glisser le nez du terminal dans le tube PVC.
4 - Fixer la rosace cache éclats à l'aide d'un mastic silicone.

4 - Accrochage de la chaudière
a) Démonter la façade pour visualiser la mise en place de la chaudière sur la barre d'accrochage

- Desserrer les 2 vis sans les(ATR).

- Basculer la façade et la soulever pour la dégager de ses ergots.
b) Démoner le support ventilateur, pour faciliter la mise en place de la chaudière sur sa barre d'accrochage
- Retirer le flexible d'air F, du ventilateur en desserrant son collier.
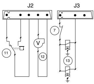
- Débrancher le connecteur J2 du boitier de contrôle de flamme CM 31 S ou FM 01.
Attention, ne pas enlever accidentellement le diaphragme à la sortie du ventilateur.
- Retirer la vis V_A, V_B et V_C .
- Enlever l'ensemble support ventilateur.


c) Accrocher la chaudiere
- Engager les 2 lèvres de la barre d'accrochage dans la travers supérieure du chassis.

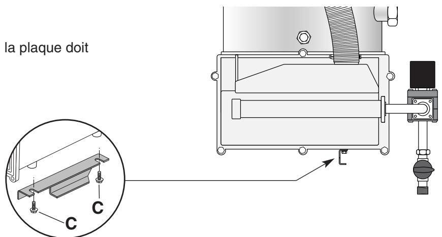
d) Démonter la plaque de transport
Fixée à droite sur la chambre de combustion, la plaque doit être obligatoirement retiree :
- Dévisser les 2 vis C.

5 - Raccordement des fumées
a) Mettre en place les joints Jt1 (Ø60mm), Jt2 (Ø100mm)
- Ebavurer les tubes Alu et PVC de la micro-ventouse.
- Enduire les joints d'uneGRAISSSE SILICONE pour faciliter le montage.

b) Préparer le support ventilateur

- Emboîter le coude sur le tube du support ventilateur selon l'axe dans lequel on souhaite raccorder les conduits d'amnéé d'air comburant et d'évacuation des produits de combustion.

Sortie Arrière

Sortie Droite

Sortie Gauche
c) Remonter l'ensemble support ventilateur ( Voir schéma page 9 )
- Remonter l'ensemble sur le capteur de fumée en l'emboitant dans la micro ventouse ( S'assurer du positionnement des joints sur les deux orifices du coude ) et sur le capteur de fumée.
- Remetre les vis V_A, V_B et V_C et serrer.
- Remetre le flexible d'air F et desserrer son collier.
- Rebrancher le connecteur J2 au boîtier de contrôle de flamme CM 31 S ou FM 01.

ATTENTION, si le conduit concentrique est d'une longueur supérieure à 2 mètres :
- Enlever le diaphragme d'air 1 (3400).
- Laisser impératifement le diaphragme d'air 2 (3700).
6 - Raccorder les accessoires hydraulique et gaz
- Tous les accessoires se trouvent dans le carton de la chaudière.
- Avant de raccorder la chaudière à l'installation il est impératif de monter :
- le dispositif de remplissage
- le réducteur de début
Selon la réglementation sanitaire, toute installation de chauffage doit composer un disconnecteur. La chaudière est prééquipée pour receivevoir un système de disconnexion vendu en kit séparément (Réf. F3AA40194).
| Accessoires fournis | |
| • Vanne Départ | M 20x27 - 3/4” |
| • Vanne Retour | M 20x27 - 3/4” |
| • Robinet Gaz | M 20x27 - 3/4” |
| • RTA Arrivée EFS | M 15x21 - 1/2” |
| Sortie ECS | M 15x21 - 1/2” |
| • Réducteur de débit | |
Attention, un groupe (ou une soupape) de sécurité taré à 7 bar doit impératifement protégger le circuit sanitaire et être posé sur l'alimentation eau froide du gallon.

Propane : Ne pas metre de robinet d'arrêt gaz, raccarder la chaudière directement au détendeur de sécurité 37 mbar.
7 - Raccordement du circuit électrique
Lors du raccordement, il est indispensable de respecter le repréage phase/neutre et d'avoir une mise à la terre efficace.
L'inversion phase/neutre provoque systématiquement une mise en sécurité à la fin de chaque cycle d'allumage.
Vérifier que la phase arrive sur L et le neutre sur N du boîtier de raccordement électrique.
Ce contrôle peut s'effectuer simplement à l'aide d'un tournevis testeur, ce dernier s'allume sur la phase.
Le cas échéant inverser les fils phase et neutre à la prise ou au boîtier.
En présence d'une distribution électrique, sans neutre (Par exemple réseau en 2 fois 110V ), alimenter l'appareil au travers d'un transfo. d'isolement pour une puissance de 200 VA.

Pour facilitier ces opérations, enlever le boitier de son support métallique.
-Exercer une pression avec le fouce sur le dessus
- Tirer vers soi

1 - Remplir l'installation de chauffage
- Dévisser le bouchon du purgeur automatique 2 de 2 tours et le laisser ouvert.
- Ouvrir le purgeur manuel de purgege rapide 3.
- S'assurer de l'ouverture des vannes d'isolement (Départ 9 et Retour 10).
- Ouvrir le ou les robinets de replissage.
- Monter la pression entre 1 et 1,5 bar.
- Purger l'installation.
2 - Vérifier les étanchéités gaz et eau
3 - Mise en route
Basculer l'interrupteur lumineux A de marche ou arrêt automatique sur 山 , son témoin s'allume.
Un cycle d'allumage est lancé, le voyant vert C indique que le brûleur est allumé.
- La chaudière est en service
Pour plus de conseils sur l'utilisation se référer à la notice d'utilisation.
AVERTISSEMENT:
- Lors d'une première tentative d'allumage, levoyant rouge du bouton de mise en sécurité ±bD peut s'allumer à cause d'une purge gaz insuffisante. Relancer le cycle d'allumage plusieurs fois si nécessaire, en appuyant sur le bouton rouge ±bD .
- Si le brûleur s'éteint quelques secondes après son allumage, voir si le raccordement Phase/Neutre est bien respecté (chapitre raccarder le circuit électrique page 8).
- Si seul le ventilateur fonctionne, contrôle l'étanchéité totale du circuit Air/Gaz brûlés ainsi que toutes les liaisons (réduction, capteur de fumée, flexible d'air, chambre de combustion étanche...).
- Si la longueur du conduit concentrique est supérieure à 2 mètres, le diaphragme d'air doit être supprimé (voir page 9).
4 - Contrôles de mise en service
a) Circulateurs
- Vérifier le fonctionnement de chaque circulator (mise en route par les interrupteurs A et B) en introduisant, un tournevis dans la fente du lanceur et en appuyant. Si le circulator ne tourne pas, le débloquer.
- Régler sa vitesse par le bouton F.
- Circulateur balloon : vitesse n°2
- Circulateur chauffage : Privilégier les vitesses les plus faibles pour éviter les bruits de circulation.
Attention, à la mise en service de la chaudière, il est normal que ce circulateur ne tourne pas (priorité ECS). Ne procéder au dégommage évientuel qu'après 15 minutes.
b) Eau Chaude Sanitaire
Le RTA est préréglé pour une température de sortie maximale comprise entre 45 et 50^ , point idéal de fonctionnement pour le meilleur rapport comport d'utilisation et économie d'énergie.
Avant de modifier son réglage, vérifier la présence du réducteur de début et attendre 30 minutes de fonctionnement en position MAXI.
- Avec une clé plateau de 13, modifier le réglage :
- Sens hora, diminuè la température.
- Sens inverse, augmente la température.
Ce réglage est très sensible, agir par petite rotation (1/10 de tour) toutes les 20 secondes.
Dotée d'une nouvelle technologie de régulation de température, la cartouche du R.T.A peut être échangée dans le cadre de la maintenance.


A -> Interrupteur Marche/Arrêt
B -> InterrupteurCHAuffage
C->Voyant de marche bruleur
D -> Voyant de réarmement


Le raccordement d'une Régulation Intégrale FRISQUET (RIF 2000) doit être effectué selon les schémas et instructions fournis avec ce matériel.

1 - Schéma de câblage général



Scheme de principe et de raccordement sur le boîtier de contrôle
1) INTERRUPEUR GENERAL ET D'ALLUMAGE
2) VOYANT DE MARCHE
3) INTERRUPEUR CIRCULATEUR CHAUFFAGE
4) VOYANT DU CIRCULATEUR CHAUFFAGE
5) CIRCULATEUR CHAUFFAGE
6) THERMOSTAT
7) SECURITE DE SURCHAUFFE
9) VOYANT ROUGE DE DEFAULT D'ALLUMAGE
10) RÉARMEMENT
11) MANOSTAT
12)VENTILATEUR
13) ELECTROVANNE
14) ELECTRODE D'ALLUMAGE
15) BRULEUR ATMOSPHERIQUE
16) ELECTRODE D'IONISATION
17) THERMOSTAT BALLON
18) CIRCULATEUR BALLON
J1) CONNECTEUR
J2) CONNECTEUR
J3) CONNECTEUR

2 - Thermostat 2 fils (commande du circulator) -


3- Thermostat 3 fils (commande de V3V motorisée) -

- Vidanger totallyment l'installation de chauffage ou la protégger par un antigel chauffage.
- Vidanger totallyment l'accumulation de I'eau sanitaire dans tous les cas.
Attention, la protection par un antigel chauffage ne protège pas le circuit sanitaire du gallon.
QUELQUES CONSEILS
- Bruits d'air: purger la chaudière et les radiateurs.
- Bruits d'eau : régler la vitesse du circulateur
- Marche en thermosiphon : Lorsque la chaudière est posée à un niveau inférieur à celui des radiateurs il y a lieu de prévoir un clapet antithermosiphon au départ de la chaudière. Il empêchera la circulation naturelle du fluide par différence de densité.
RACCORDEMENT D'UNE RALLONGE HORIZONTALTALE
Attention, selon la configuration des conduits concentriques laisser ou-retirer le diaphragme d'air (Voir page 9).

Pour l'installation d'une sortie verticale, utiliser l'adaptateur F3AA 40365 et se référer à la notice fournie avec ce-dernier.
Les chaudières Frisquet sont transformables de Gaz Naturel en Propane et de Propane en Gaz Naturel. Cette opération est simplifiée par l'absence de veilleuse et doit être réalisée par un professionnel. Vous trouvrez toutes les indications nécessaires dans les pochettes de transformations gaz disponibles chez votre grossiste habitual.
Attention, pour les transformations de gaz naturel en propane, le robinet gaz GN doit être supprimé. Raccorder la chaudière directement au détenueur de sécurité 37 mbar.
NOMENCLATURE

1-Vase d'expansion
2-Purgeur automatique
3-Purgeur rapide manuel orientable
4- Sécurité de surchauffe
5-Vidangechauffage
6-Robinet gaz
7-Bloc de sécurité 2 electrovannes
8-RTA
9-Vanne d'isolement depart chauffage
10-Vanne d'isolement retour chauffage
11-Circualteur chauffage
12-Degommeur circulatour chauuffage
13-Boitier de raccordement electrique
14-Ballon Inox
15-Circulateur balloon
16-Thermostat balloon
17-Degommeur circulatour sanitaire
18-Raccordement à la microventouse
19-Manostat
20- Ventilateur
CHARACTERISTIQUES TECHNIQUES
| Type | Unité | 80/450 C13 C33 C43 C53 | 120/700 C13 C33 C43 C53 |
| Catégorie | II 2E+3P | II 2E+3P | |
| Puissance | kW | 23 | 23 |
| Débit calorifique | kW | 25,55 | 25,55 |
| Débit gaz Lacq G20 (20 mbar) | m³/h | 2,701 | 2,701 |
| Débit gaz Groningue G25 (25 mbar) | m³/h | 2,871 | 2,871 |
| Débit gaz Propane G31 (37 mbar) | g / h | 1983 | 1983 |
| Débit sanitaire ΔT 30 K (avec T °C stockage gallon = 82°C) | I / min | 20 | 24 |
| Pression maxi ECS | bar | 7 | 7 |
| Pression maxi chauffage | bar | 3 | 3 |
| Température maxi chauffage | °C | 85 | 85 |
| Alimentation électrique | V | 230 | 230 |
| Capacité vase | I | 10 | 10 |
| installation* | I | 120 | 120 |
- Ces chiffres ne sont pas théoriques mais correspondant à la réalité constatée sur les installations.
GARANTIE
Nos chaudières sont garanties un an contre tout défaut de fabrication dans une limite de 18 mois à compter de la date de notre facturation, à la condition qu'elles aient été mises en oeuvre et installées conformément aux règles de l'art et normes en vigueur.
Sont exclus de cette garantie tous les incidents dus à une utilisation défectueuse ou anormale.
L'utilisateur bénéficiaie en tout etat de cause de la garantie legale des vices cachés des articles 1641 et suivants du code civil.
GARANTIE LONGUE DUREE
Lorsque l'installation et l'entretien sont assurés par un professionnel qualifié, notre garantie peut être portée à :
- 5 ans pour le corps de chauffe et brûleur.
- 2 ans pour les autres composants.
Pour en bénéficier, notre garantie longue durée doit etre demandée par l'instandateur pour son client.
Il est indispensable de nous returner la carte de garantie complétée pour que la demande soit enregistrée.

Notice Facile