CHAMBERTIN CLASSIQUE - Vin LACANCHE - Notice d'utilisation et mode d'emploi gratuit
Retrouvez gratuitement la notice de l'appareil CHAMBERTIN CLASSIQUE LACANCHE au format PDF.
| Type de produit | Four à bois traditionnel |
| Caractéristiques techniques principales | Four à convection, cuisson à chaleur tournante, capacité de cuisson de 70 litres |
| Alimentation électrique | Non applicable (fonctionne au bois) |
| Dimensions approximatives | Largeur : 90 cm, Profondeur : 60 cm, Hauteur : 90 cm |
| Poids | 150 kg |
| Compatibilités | Compatible avec divers types de bois de chauffage |
| Type de batterie | Non applicable |
| Tension | Non applicable |
| Puissance | Non applicable (fonctionne au bois) |
| Fonctions principales | Cuisson, rôtissage, pâtisserie, pizza |
| Entretien et nettoyage | Nettoyage régulier de la chambre de combustion, vérification des conduits de fumée |
| Pièces détachées et réparabilité | Disponibilité de pièces détachées auprès du fabricant |
| Sécurité | Conforme aux normes de sécurité en vigueur, utilisation d'un pare-feu recommandé |
| Informations générales utiles | Idéal pour les amateurs de cuisine au feu de bois, nécessite un espace extérieur adapté |
FOIRE AUX QUESTIONS - CHAMBERTIN CLASSIQUE LACANCHE
Téléchargez la notice de votre Vin au format PDF gratuitement ! Retrouvez votre notice CHAMBERTIN CLASSIQUE - LACANCHE et reprennez votre appareil électronique en main. Sur cette page sont publiés tous les documents nécessaires à l'utilisation de votre appareil CHAMBERTIN CLASSIQUE de la marque LACANCHE.
MODE D'EMPLOI CHAMBERTIN CLASSIQUE LACANCHE
Note relative à l'élimination des déchets électriques et électroniques 47
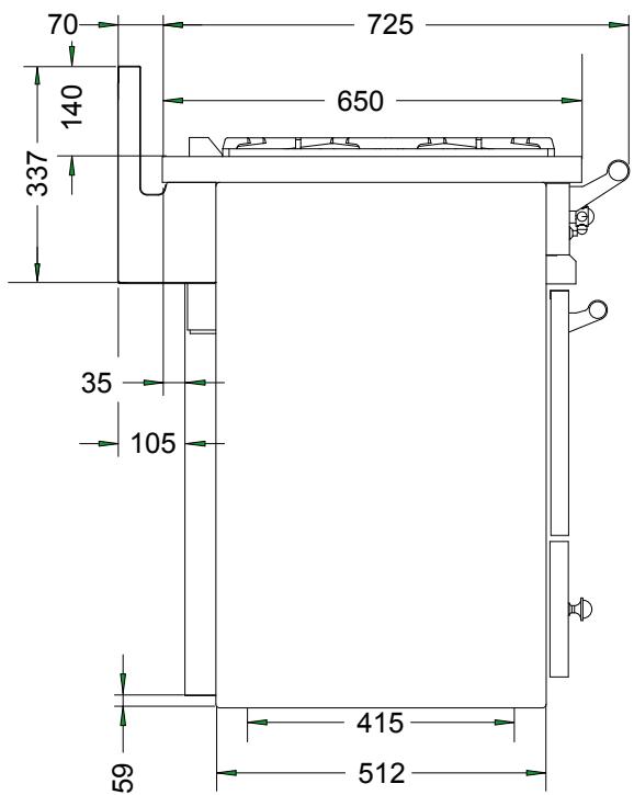
CHASSAGNE & CHAMBERTIN « CLASSIQUE» ET «TRADITION»: TABLES DE CUISSON GAZ

CHASSAGNE


CHAMBERTIN

Nota :*Cet apparéil est réglable à l'aide de vérins sur une plage de 13 mm
Dans le cas d'un apparéil avec réhousse, la hauteur de l' apparéil peut varier de 913 à 926 mm
Carrosserie acier inoxydable ou acier émailé.
▶ Table emboutie


CHASSAGNE «CLASSIQUE» 3 feuix
3feuxgaz:
- 3 brûleurs de taille et de puissance différentes (voir Brûleurs A, C, D tableau 1, annexe 0).
- Commandés individuellement par un robinet à sécurité (thermocouple).
- Allumage électrique par bouton poussoir.
CHAMBERTIN «CLASSIQUE» 3 feuix
3feuxgaz:
- 3 brûleurs de taille et de puissance différentes (voir Brûleurs A, C, D tableau 1, annexe 0).
- Commandés individuellement par un robinet à sécurité (thermocouple).
- Allumage électrique par bouton poussoir.

CHASSAGNE «CLASSIQUE» 4 feuex
4feuxgaz:
- 4 brûleurs de taille et de puissance différentes (voir Brûleurs B, C, D tableau 1, annexe 0).
- Commandés individuellement par un robinet à sécurité (thermocouple).
- Allumage électrique par bouton poussoir.

CHAMBERTIN «CLASSIQUE» 4 feuix
4feuxgaz:
- 4 brûleurs de taille et de puissance différentes (voir Brûleurs B, C, D tableau 1, annexe 0).
- Commandés individuellement par un robinet à sécurité (thermocouple).
- Allumage électrique par bouton pousoir.

CHASSAGNE《TRADITION》
3 faux gaz et une plaque coup de feu :
- 3 brûleurs de taille et de puissance différentes (voir Brûleurs T, C, D tableau 1, annexe 0).
- Foyer central équipé d'une plaque coup de feu 385 × 510 mm .
- Commandés individuellement par un robinet à sécurité (thermocouple).
- Allumage électrique par bouton poussoir.

CHAMBERTIN《TRADITION》
3 faux gaz et une plaque coup de feu :
- 3 brûleurs de taille et de puissance différentes (voir Brûleurs T, C, D tableau 1, annexe 0).
- Foyer central équipé d'une plaque coup de feu 385 × 510 mm .
- Commandés individuellement par un robinet à sécurité (thermocouple).
- Allumage électrique par bouton poussoir.
Raccordement gaz avec tube 15/21, filetage 1 / 2 gaz, sur raccord male
Raccordement électric, sur bornier au dos de l'appareil
Four gaz :
Tôle émaillee.
Dimensions L x P x H : 530 mm x 460 mm x 305 mm.
4 niveaux de plateriae au pas de 58 mm, 62 litres.
Chauffe assuée par brûleur contrôle par robinet thermostatique, sécurités par thermocouple.
Allumage electrique par bouton pousoir.
Four électrique statique :
Tôle émaillee.
Dimensions L x P x H : 530 mm x 460 mm x 305 mm.
Résistances de vous et de sole thermostatées, thermostat de sécurité. Celui-ci est équipé d'un grilloir électrique d'une puissance de 2850 W.
Puissance : 3100 W – Alimentation 230 V 1N~ 50 Hz/ 400 V 3N~ 50 Hz
Four électrique ventilé :
Tôle émaillee.
- Dimensions L x P x H: 530 mm x 405 mm x 305 mm. Celui-est équipé d'un grilleir électrique d'une puissance de 2850 W.
Chauffe assueree par deux résistances circulaires (2x1700 W) entourant une turbine a reaction.
Thermostat de sécurité.
Puissance : 3400 W – Alimentation 230 V 1N~ 50 Hz/ 400 V 3N~ 50 Hz
Chauffe assiettes :
Chauffe-assiettes GN 1/1calorifugée acier inox Z8C17.
Dimensions L x P x H : 530 mm x 325 mm x 490 mm. 5 niveaux de platerie au pas de 68 mm
Chauffe par résistance de 950 W commandeepar thermostat de 30 à 110^
Capacité : 72 assiettes de Ø 24 cm.
Puissance : 950 W – Alimentation 230 V 1N~ 50 Hz
Accessoires
Four:Un plat lèchefrite,une grille, une tôle pâtissière.
Armoire neutre : 1 grille.
Armoire chauffe assiettes : 2 grilles
Pressions et consommations horsaire
Appareil adaptable, se reporter à la plaque signalétique et marquage au dos de l'appareil (F/O, T, A, B, C, D : tab.3, annexe 0).
Directives
Appareils à gaz : 90/396/CEE
Basse tension : 73/23/CEE
CEM : 89/336/CEE
CHASSAGNE “ELECTRIQUE”: TABLE DE CUISSON ELECTRIQUE




Nota :*Cet apparéil est régiable à l'aide de vérins sur une plage de 13 mm Dans le cas d'un apparéil avec réhausse, la hauteur de l' apparéil peut varier de 913 à 926 mm
Carrosserie acier inoxydable ou acier émailé.
▶ Table emboutie



Raccordement electrique, sur bornier au dos de la bapeil
TABLE DE CUISSON ELECTRIQUE AVEC FOYERS VITROCERAMIQUES
- 4 foyers radiants de taille et puissance différente sous plaque vitrocéramique de 6 mm (Foyers A, B, C tableau 2 en annexe 0).
Puisance:8400W-230V1N\~50Hz/400V3N\~ 50 Hz
TABLE DE CUISSON ELECTRIQUE AVEC FOYERS VITROCERAMIQUES
- 4 foyers radiants de taille et puissance différente sous plaque vitrocéramique de 6 mm (Foyers A, B tableau 2 en annexe 0).
Puisance:8400W-230V1N\~50Hz/400V3N\~ 50 Hz
Four électrique statique :
Tôle émaillee.
Dimensions L x P x H : 530 mm x 460 mm x 305 mm.
Résistances de VOUTE et de sole thermostatées, thermostat de sécurité. Celui-ci est équipé d'un grilloir électrique d'une puissance de 2850 W.
Puissance : 3100 W – Alimentation 230 V 1N~ 50 Hz/ 400 V 3N~ 50 Hz
Four électrique ventilé :
Tôle émaillee.
- Dimensions L x P x H : 530 mm x 405 mm x 305 mm. Celui-est équipé d'un grilloir électrique d'une puissance de 2850 W.
Chauffe assueree par deux résistances circulaires (2x1700 W) entourant une turbine a reaction.
Thermostat de sécurité.
Puissance : 3400 W – Alimentation 230 V 1N~ 50 Hz/ 400 V 3N~ 50 Hz
Chauffe assiettes :
Chauffe-assiettes GN 1/1calorifugee acier inox Z8C17.
Dimensions L x P x H : 530 mm x 325 mm x 490 mm. 5 niveaux de platerie au pas de 68 mm
Chauffe par résistance de 950 W commandeepar thermostat de 30 à 110^
Capacité : 72 assiettes de Ø 24 cm.
Puissance : 950 W – Alimentation 230 V 1N~ 50 Hz
Accessoires
Four:Un plat lèchefrite,une grille, une tôle pâtissière.
Armoire neutre : 1 grille.
Armoire chauffe assiettes : 2 grilles
Directives
Basse tension : 73/23/CEE
CEM : 89/336/CEE
Fourneau
"CHASSAGNE" "CHAMBERTIN"
L'installation doit se faire selon les règles de l'art conformément aux instructions contenues dans cette notice et les règlements en vigueur dans le pays d'installation.
Ce manuel sera remis à l'utilisateur après installation.

Avertissements :
L'acquereur s'engage à installer ou à faire installer son matériel conformément aux règes de l'art, réglementation et normes en vigueur.
Toute intervention ou dépannage sur un apparéil doit être effectuels par un intervenant qualifié.
Expédition-colisage :
Emballage carton sur socle bois.
Déballer, vérifier le bon état de l'appareil. En cas d'avaries, signifier les réserves sur le bordereau de livraison, les confirmer, au plus tard sous 48 heures, par lettuce recommangée avec accusé de réception auprès du transporteur.
Positionnez l'appareil de niveau à l'aide de ses vérins. Respecter un écart minimum de 50 mm entre l'appareil et les autres surfaces (parois sensibles à la chaleur).
Dans le cas où l'appareil devrait etre integre entre deux surfaces, il est IMPERATIF de prevoir la libre circulation de I'air a I'arriere (prévoir un dosseret). De meme la table de cet apparil ne devra JAMAIS se situer en dessous des plans de travail adjacent. Il est eglement conseillé de laisser deborder la face avant de I'appareil de 70~mm par rapport aux meubles de cote.
→ Installer impératifement sous une hotte d'extraction.
Si cet apparéil doit être mis en place pres d'un mur, d'une cloison, d'un meuble, de cordures décoratives. Il est recommendé que ceux-ci soient faits d'un matérielau non combustible. Si ce n'est pas le cas, ils doivent être recouverts d'un matérielau approprié, bon isolant thermique non combustible. Une attention toute spéciale étant accordée aux réglementations de prévention des incendies.
Il est nécessaire de s'assurer de la non inflammabilité des matières jouxtant les panneaux latéraux du fournau

1 Si les éléments adjacents sont composés de matérielux sensibles à la chaleur, un espace de 50 mm entre le côte du fourneau et l'élément adjacent doit être respecté.
2 Il est recommandé de positionner le bord avant de la table de cuisson en avancée de 70 mm par rapport aux élément mobiliers adjacents, pour ce faire nous vous conseillons d'utiliser le dosseret Lacanche (voir ci après).
Utilisation du dosseret arrriere:
Particulièrement recommendés pour les fournaux encastrés, il espace l'appareil de 70 mm du mur et porte ainsi la profondeur du plan de cuisson à 722,5 mm.
Il permet, de plus un meilleur comport de fonctionnement des composants :
Réf. DS 1500.

Une vanne d'arrêt doit être installée et accessible à proximité pour isoler l'appareil ou pour facilitier l'arrêt de l'alimentation :
- Alimentation gaz naturel :
Obligation d'installer un Robinet Obturator Automatique Integre (ROAI) ( depuis le 1er juillet 1997 en France).
- Alimentation en GPL (Butane - Propane)
Propane : Detendeur De Sécurité (DDS) classe 1.
Butane : Detendeur Butane à sécurité monté sur la bouteille (raccordement à l'appareil par flexible homologué GPL longueur maximale de 2 mètres).
Conseils
L Vérifier que le fournau est régle pour la nature du gaz installé (voir l'étiquette au point de raccordement gaz).
Si le gaz d'alimentation de votre installation n'est pas compatible avec le réglage gaz de votre apparéil, il est alors nécessaire de procéder à des modifications de réglage. Pour cela se référer au chapitre «Changement de gaz» de cette notice.
Gaz butane : Raccorder l'appareil à la sortie d'un détendeur de 2,6 kg/h. 2 bouteilles jumelées à l'entrée du détendeur sont indispensablees pour obtenir un fonctionnement correct de l'appareil en cas d'utilisation globale et prolongée.
Gaz propane : Raccorder l'appareil à la sortie d'un détendeur de 3 kg/h. 2 bouteilles jumelées à l'entrée du détendeur sont indispensablees pour obtenir un fonctionnement correct de l'appareil en cas d'utilisation globale et prolongée. L'alimentation par bouteille de 37 kg ou citerne cryogénique est possible et recommendée.
Avant raccordement
Contrôlez :
La concordance de la pression d'alimentation gaz de l'installation avec la pression gaz pour lequel l'approil est regle.
Le parfait état de propreté des canalisations, afin d'éviter l'obstruction des injecteurs et le dysfonctionnement des têtes magnétiques.
Le gaz pour lequel l'appareil a ete regle : plaquette signaletique et marquage.
La compatibilité de la section des canalisations d'alimentation avec la puissance de l'appareil.
La conformité du début d'air neuf. (Arrivée d'air suffisante pour permettre une bonne combustion - voir annexe 1).
Raccordement gaz
Raccord mâle A 15/21, filetage 1 / 2'' gaz (fig.【1】).
Après raccordement
Contrôler la pression d'alimentation sur prise de pression A1 (fig.【2】).
Vérifier l'étanchéité du raccordement.


L'ouverture de la table peut s'avérer nécessaire dans les cas suivants :
- Réglages relatifs à un changement de gaz.
- Réglages des thermocouples.
- Réarmement du thermostat de sécurité avec table vitrocéramique.
Ouverture de la table
1- Enlever grilles et brûleurs.
2- Dévisser la (les) vis des brûleurs, voir B et B1 fig.【3】et【4】.
3- Tirer et lever le dessus après avoir desserrer les 2 vis C (fig.【5】&【6】).
4-Caler la table.




Repose de la table
Lors de la repose de la table, fixer impératifement les vis de maintien de table, ce non respect pouvant entraîner une déformation de cette-ci.
Les apparêls Lacanche sont livrés dans le gaz déterminé au moment de la commande. Il est impératif d'affiner les réglages lors de l'installation de l'appareil.
L'appareil est prévu pour fonctionner avec les gaz du tableau 4, annexe 0.
IMPORTANT : Fermez la vanne d'arrêt gaz avant d'effectuer toutes interventions.
IMPORTANT
En cas d'utilisation avec un gaz autre que celui du réglage initial, il est impératif de procéder à l'échange des injecteurs et de reprendre les réglages comme définis ci-après. Vérifier ensuite l'étanchéité du circuit.
Changement de gaz de la table
Injecteur de table :
Relever les bagues d'air D.
Remplacer les injecteurs E suivant tableau 5 en annexe 0 et figure [7] ( en 1 / 100mm
Si nécessaire, les tubes mélangeurs des brûleurs latéraux maintainus par une traversé (H, fig.【10】) peuvent être dégager.
Pour cela dévisser les vis F (fig. [8]) puis la vis (G, fig. [9]).
Nota : Lors du remplacement d'un (des) injecteur(s), remplacer également la rondelle d'étanchéité (voir § «Ligne gaz»).
Réglage de l'air primaire des brûleurs de tables :
Positionner corps et chapeaux de brûleurs à leur emplacement respectif.
Régler la bague d'air F (voir fig. [3] et [8], tableau 6 en annexe 0).
Note: Des flammes normales ont une couleur bleu-vert, sauf pour le gaz naturel où elles sont violettes.




Réglage du début réduit des brûleurs de table :
Après raccordement ou changement de gaz, il est impératif de reprendre ce réglage:
Déposer la manette.
Allumer le bruleur.
Passer en position minl.
Agir à l'aide d'un tournevis sur la vis de réglage J (fig.【11】).
Nota: les flammes sont réduites au 1/4 de leur taille en position mini, le brûleur ne doit pas s'éteindre en passant de la position maxi à la position mini.
Réglage des sécurités par thermocouple de la table :
Si le brûleur s'éteint, après avoir maintainu enfonnée à fond la manette une vingtaine de secondes; vérifie que :
- Le serrage (modéré) de la tête magnétique sur le robinet est correcte.
- La pointe du thermocouple K est bien léchéée par la flamme (fig.【12】).
- Les thermocouples et têtes magnétiques sont dans un bon état de propre.


Changement de gaz du four
Injecteur de four :
Retirer la sole.
ATTENTION lors de la repose, bien la ramener sous le pli de la façade (fig.【13】).
Désaccoupler la tubulure.
Dévisser la vis I du porte injecteur (fig.【14】).
Echanger l'injecteur (tableau n° 7 en annexe 0).


Réglage de l'air primaire four :
Retirer la sole.
Devisser la vis de maintien de la bague d'air.
Proceder au réglage (fig.【15】, tableau n°7 en annexe 0).

Réglage du début réduit de four :
IMPERATIF après raccordement et tout changement de gaz.
La vis de réglage L, (fig.【16】) est accessible après dépose de la manette de commande.
Allumer le brûleur correspondant.
Prechauffer le four environ 1/4 d'heure (thermostat 10).
Passer en position mini (thermostat 1).
Puis agir à l'aide d'un petit tournevis sur la vis de réglage (agir rapidement avant que le thermostat ne réagisse et que le brûleur ne repasse au début maximun).
Nota : les flammes sont réduites au 1 / 4 de leur taille en position maxi, le brûleur ne doit pas s'éteindre en passant de la position maxi à la position mini.
Réglage des sécurités par thermocouple du four :
Si le brûleur s'éteint, après avoir maintainu enfoncée la manette une vingtaine de secondes; vérifie que :
- Le serrage (modéré) de la tête magnétique sur le robinet de sécurité est correcte.
- La pointe du thermocouple M est bien léchéée par la flamme (fig.【17】).
- Les thermocouples et têtes magnétiques sont en bon état de propre.


L'installation doit se faire selon les règles de l'art, conformément aux instructions contenues dans cette notice et aux normes en vigueur dans le pays d'installation.
Avant raccordement, vérifier :
Que l'alimentation électrique du réseau est compatible avec la tension et puissance de l'appareil.
Que l'installation fixe de l'utilisateur comporte un dispositif à coupure omnipolaire homologué.
- Utiliser un cable couple normalisé (245 IEC 57 ou 245 IEC 66 ou toutes autres natures de cable représentant les mêmes caractéristiques).
- La longueur des conducteurs du cable dalimentation entre le dispositif d'arrêt de traction et les bornes doit être telle que les conducteurs actifs se tendent avant le conducteur de terre en cas de traction sur le cable.
- Si cet apparéil est relié de façon permanente à une canalisation électrique fixe, cette canalisation devra posséder une protection adaptée aux courants de fuite.
- Si cet apparéil est raccordé par un cable muni d'une fiche de prise de courant, cette prise devra être accessible en permanence.
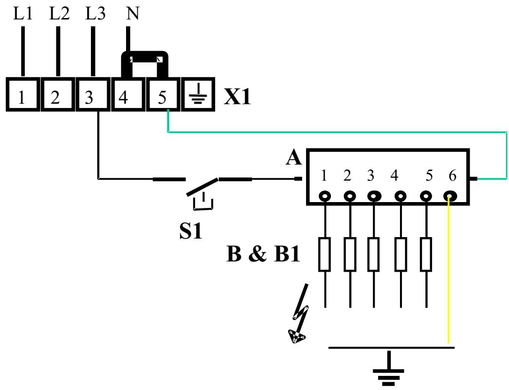
Appareil avec 1 four gaz ou 1 four electrolyque :
- Déposez le capot arrêté R (four gaz) ou S (four électrique), figures [1], [2].
- Procedez au raccordement en utilisant un cable couple normalisé au bornier T (fig.【3】&【4】).
- Fixez le cable au moyen du serre cable U (fig.【3】).
Il y a danger àmettre l'appareil en service sans relier sa masse à la terre.


Notre responsabilité ne saurait être engagée en cas d'accidents consécutifs à une mise à la terre inexistante ou incorrecte.




230 V 1N ~ 50 Hz
Toute intervention ou dépannage sur un apparéil doit être effectue par un installateur qualifié.
Interventions gaz
Graissage des robinets :
Le robinet peut à l'usage perdre saGRAisse. Il est alors nécessaire de graisser le robinet ce qui a pour but d'assurer son etanchete et de facilité sa manoeuvre.
1 - Fermez la vanne d'arrêt gaz et couper l'alimentation électrique de l'appareil.
2 - Enlevez la manette correspondant au robinet gaz a graisser.
3 - Dévissez la partie avant du robinet gaz.
4 - Graissez la carotte du robinet (Lubrifiant haute température, par exemple : SILICAL GEL ™ BARBAHL).
Attention! Enlevez tout excès deGRAisse.
Reposer dans le sens inverse des opérations de 3 à 1,
Thermostat limiteur :
Le thermostat limiteur est, conformément aux régles de construction, destiné à protégger l'appareil de toute surchauffe excessive.
En cas de surchauffe le thermostat limiteur se déclenché et coupe les fonctions jours de l'appareil. De plus le limiteur, de part sa technologie, est très sensible aux chocs et aux vibrations qui peuvent se produit durant les transports et les manipulations.
Le déclenchement intempestif du limiteur peut alors survenir lors de la première mise en chauffe du four et couper ainsi le fonctionnement de ce dernier.
Pour réarmer le thermostat limiteur :
1- Retirer la cheminée sur le dessus de la table.
2- Dévisser le capuchon protégeant le bouton.
3- Appuyer sur le pouvoir rep. V (fig.【5】)
Nota: RECHERCHER TOUJOURS la cause du déclenchement de ce thermostat:
Pour les tables électriques :
Le pouvoir se trouve à l'intérieur de la table. Pour y avoir accès, il est nécessaire d'ouvoir la table (voir § « Ouverture et repose de la table » et appuyer sur le pouvoir rep. W (fig.【6】)).


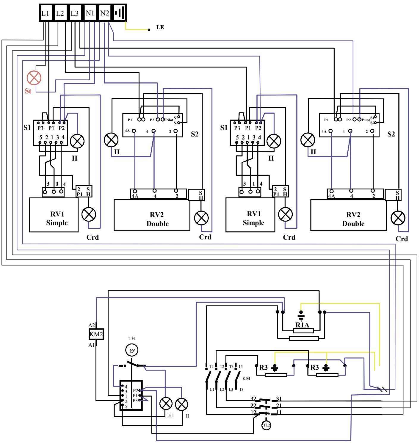
Pour les références et designations des différents composants se référer tableau 9 en annexe 1
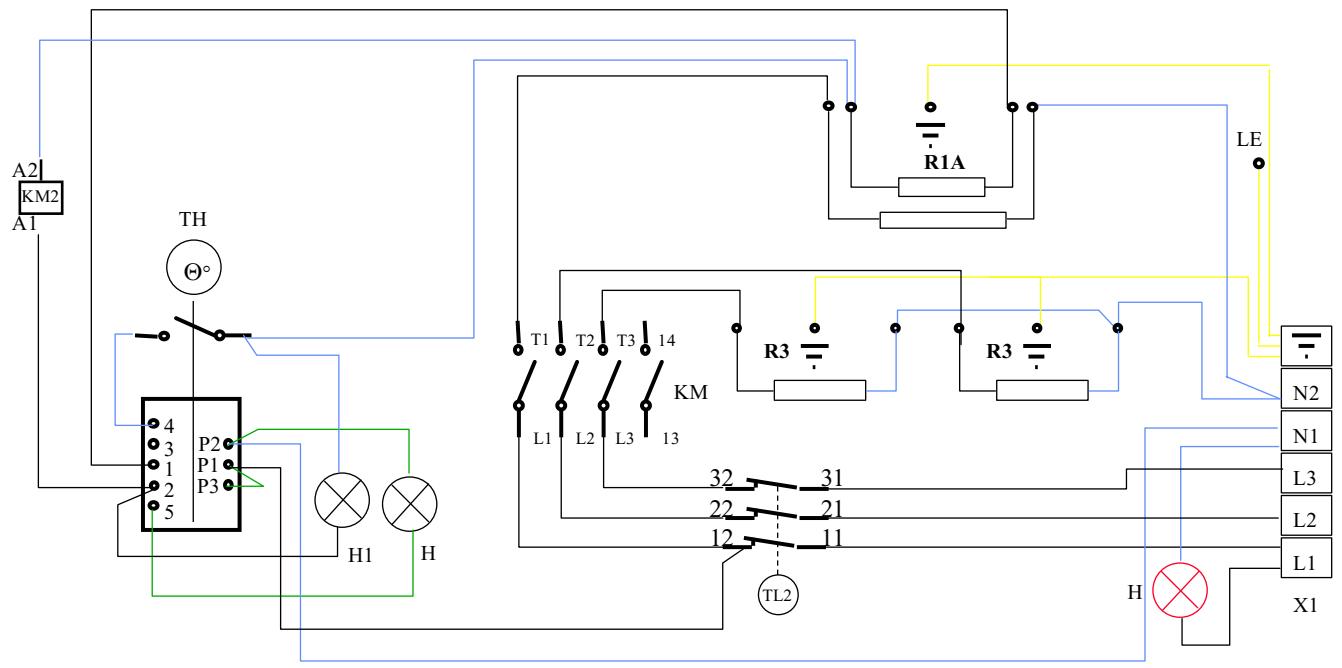
LG1541G (Table gaz + 1 four gaz)

Nota : Les bornes de l'allumeur non utilisées sont reliées à la masse.

SFE530 (1 four électrique statique)

SFCT (1 four électrique ventilé)

Chauffe assiettes

LVTR 1541 E (Table Vitrocéramique + 1 four électrique statique)
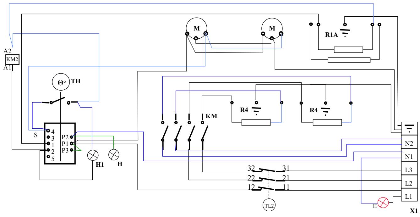
LVTR 1541 CT (Table Vitrocéramique + 1 four électric ventilation)

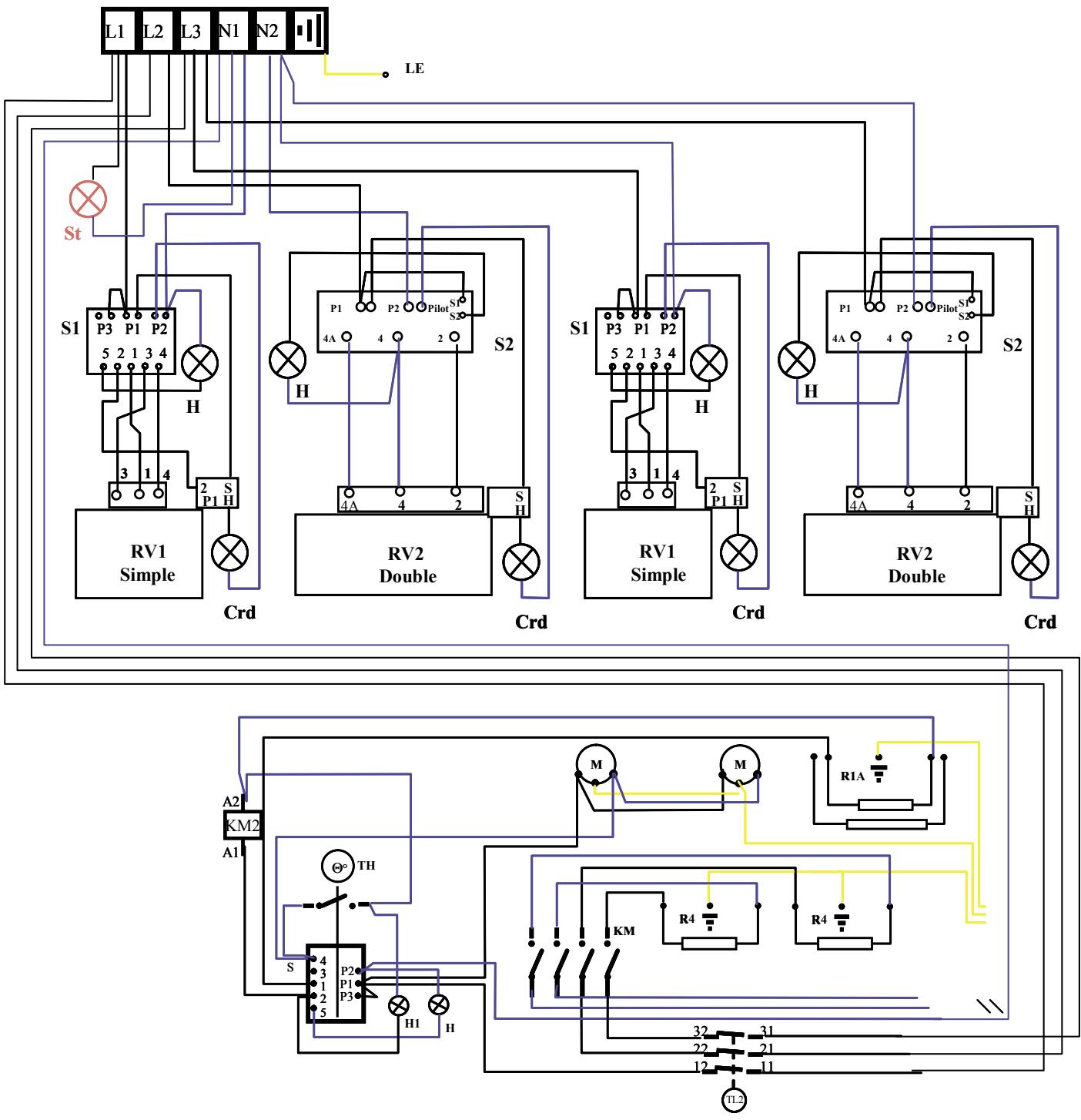
Pour les références et désignations des différents composants se référer tableau 10 en annexe 1

Fourneau
"CHASSAGNE"
"CHAMBERTIN"
MANUEL D'UTILISATION
IMPORTANT
Cet apparéil doit être installé conformément aux réglementations et normes en vigueur dans un local suffisamment aéré.
Tout changement de gaz, autre que celui pour lequel il est reglé, doit être réalisé par un installateur qualifié
Tout changement de tension, autre que celui pour lequel il est régle, doit être réalisé par un installateur qualifié.
GARANTIE
La garantie est portée sur le contrat de vente. Pour toute intervention de garantie, s'adresser à un revendeur agreeé. Cette garantie ne couvre pas les déteriorations provenant d'une mauvaise installation, utilisation ou d'un mauvais entretien.

AVERTISSEMENTS 29
FEUX VIFS 31
PLAQUE COUP DE FEU 33
FOYERS RADIANTS SOUS VITROCERAMIQUE 34
Note relative à l'élimination des déchets électriques et électroniques 47
Cet apparéil possède le marquage C c'est à dire qu'il répond aux exigences essentielles des directives européennes en terme de sécurité auxquelles il est soumis
Avant toute utilisation, il est impératif d'enlever toute les protections plastiques interieures et extérieures sous peine de dommages irréversibles aux parois aciers.
Ne jamais stocker de produits inflammables dans le four, dans l'armoire, dans le chauffe assiette ou sur la table. Ceux-ci peuvent prendre feu, de même que les matieres plastiques ou tout autre article peuvent etre endommages.
Le revêtement de sol de la pièce dans laquelle l'appareil doit être installé doit impératifement pouvoir supporter des températures supérieures à 65^ de plus que la température ambiente sans se déformer, se rétrécir ou se décolorer. Ne pas installer cet apparéil sur une moquette ou un revêtement plastique.
Ne pas obturer les conduits d'évacuation ou d'aération. Assurez-vous que le renouvellement d'air frais soit suffisant.
Ne pas suspendre de matériel inflammable au-dessus de l'appareil. Ceux ci peuvent s'enflammer.
Ne pas couvrir la table de cuisson avec des feuilles d'aluminium.
Cet apparéil est destiné exclusivement pour la cuisson. Ne pas utiliser la table de cuisson ou le four comme apparéil de chauffage.
Quand vous utilisez la table de cuisson, ne pas toucher les grilles de table et les zones environnantes. Ces zones adjacentes aux brûleurs sont chaudes et peuvent provoquer des brûlures.
Les enfants ne doivent pas'être laissés sans surveillance lorsque l'appareil est en fonction. Ne pas placer d'objet attractif sur la table de cuisson. Les enfants pouraient grimper et les attraper et, ainsi se blesser.
Quand vous utilisez la table de cuisson, ne pas toucher les grilles de table et les zones environnantes. Ces zones adjacentes aux brûleurs sont chaudes et peuvent provoquer des brûlures.
Quand vous utilisez le four, ne touche pas les surfaces interieures de ce four, ainsi que les zones situées à proximite. Lors de son utilisation l'appareil devient chaud. Il y a lieu de ne pas toucher les éléments chauffants situés à l'intérieur du four.
Coupez l'alimentation gaz et ou électrique de l'appareil avant toute intervention.
Si l'appareil est placé sur un socle, des dispositions doivent être prises pour éviter que l'appareil ne glisse du socle.
Àprous chaqueutilisation,fermer la vanne de barrage gaz.
Appréciés par les chefs pour leur rapidité de mise en chauffe et leur facilité d'utilisation, les yeux vifs gaz sont depuis toujours les foyers traditionnels des grandes cuisines. Depuis quelques années d'autres foyers de cuisson sont apparus, mais le gaz compte toujours autant d'adptes. Les avantages sont nombreux; le gaz permet une montée en température rapide. On peut d'un simple coup d'œil se rendre facilement compte de la puissance de la flamme pour augmenter ou réduire sa puissance.
Les tables gaz des fournaux LACANCHE sont équipées de deux vifs de différentes puissances. Ces brûleurs à flamme auto stabilisée ont un ralenti très faible, permettant le mijotage et une grande puissance de chauffe pour saisirrapidement. Selon leur puissance,ils conviennent à différents types d'ustensiles.
Le brûleur semi-rapide : est recommandé par exemple pour les petites saucières, les cassolettes ou encore les poèles à blinis. Pour les petits ustensiles, un réducteur peut être posé sur la grille afin d'assurer une meilleure stabilité (§ accessoires).
Les brûleurs rapide et intensif : convennent parfaitement aux sauteuses, casseroles et marmites. Leur rendement permet des montées en température très rapides et une grande souplesse d'utilisation.
Le brûleur ultra-rapide : est un brûleur de grande puissance. Il est particulièrement recommendé pour l'utilisation de grands ustensiles jusqu'à 40 cm de diamètre, pour des préparations mijotées (pot au feu, cassoulet, confitures...) ou des préparations nécessitant d'être saisies rapidement (fricassées, beignets, viandes grillées).
Vou apprendrez rapidement à utiliser les différents types de brûleurs pour obtenir la juste cuisson.
Description :
Les brûleurs sont disposés sur une table en acier inoxydable selon des configurations différentes en fonction des modèles (figures ci-dessous). Chaque brûleur est équipé de sécurité par thermocouple. Ce dispositif coupe l'arrivée de gaz en cas d'extinction intertempête.
Les différents types de brûleurs sont reconnaissables en fonction de leur diamètre respectif.


| Désignation | Diamètre chapeau brûleur | |
| Ultra-rapide | A | Ø 107 mm |
| Intensif | B | Ø 90 mm |
| Rapide | C | Ø 72 mm |
| Semi rapide | D | Ø 55 mm |
Utilisation :
Poussez et tournez la manette du brûleur, dans le sens inverse des aiguilles d'une montre jusqu'au repère. Maintenir la manette poussaée à fond tout en appuyant simultanément sur le bouton d'allumage une vingtaine de secondes afin de permettre l'accrochage de la sécurité
Une position débit réduit repérée par le sigle « vous donne la puissance minimale prérgée du brûleur.
Pour éteindre, tournez la manette dans le sens des aiguilles d'une montre jusqu'à la position «●».
La manette revient à sa position initiale, le verrouillage mécanique est alors en place, la sécurité gaz est active quelques secondes après l'extinction du brûleur.
Conseil d'utilisation

Choisissez toujours un foyer proportionné au diamètre du récipient utilisé.
ATTENTION: Lors de l'utilisation de la table, du four, les parties accessibles peuvent开发商 très chaudes. Informez les utilisateurs potentiels des risques encourus.
La plaque coup de feu est une plaque en fonte chauffée par un brûleur gaz de forte puissance. Elle constitue un plan de travail ou peuvent être posées en même temps plusieurs casseroles.
Grac à la fonte qui accumule et conserve la chaleur de façon régulière sur toute sa surface, les préparations pourront, selon la température, cuire ou mijoter. C'est pourquoi l'usage de la plaque coup de feu est ideale pour cuire un pot au feu, un coq au vin, laisser infuser un fond de veau ou de poisson, ou encore lier une sauce.
En enlevant le tampon central, le brûleur peut être utilisé comme feu vif traditionnel.
Les tables gaz de type « TRADITION» sont équipées d'une plaque coup de feu T.
Description
La plaque coup de feu est entièrement réalisée en fonte. Elle est constituée en deux parties, d'une part la partie principale qui repose directement sur la table de cuisson, d'autre part d'un tampon amovible situé au centre de la plaque.

ATTENTION : La température peut dépasser 300^
Informez les utilisateurs potentiels des risques encourus.
Utilisation
Avant d'utiliser votre plaque coup de feu pour la première fois, nous vous recommendons de la laisser préchauffer, brûleur en position début réduit. Lorsque celle-ci est suffisamment chaude, éteindre le brûleur, puis graisser modérément (l'huile ne doit pas couler sur la table) votre plaque au moyen d'un chiffon imprégné d'huile végétale.
Après avoir effectué cette opération 3 ou 4 fois, la plaque ne sera pas esthétique pendant ce temps (elle va passer par différentes teintes jusqu'à devenir uniformément grise, noire avec l'huile) mais la fonte sera protégée contre l'oxydation. Àpres ce temps de préparation, découvert la plaque avec de la paille de fer, puis procéder à l'entretien courant (voir chapitre «nettoyage») avec un produit spécialiste.
Enlever le tampon de la plaque coup de feu au moyen de la tige levier fournie à cet effet.
Poussez et tournez la manette du brûleur, dans le sens inverse des aiguilles d'une montre jusqu'au repère. Maintenir la manette poussée à fond tout en appuyant simultanément sur le bouton d'allumage une vingtaine de secondes afin de permettre l'accrochage de la sécurité.
Une position débit réduit repérée par le sigle « vous donne la puissance minimale pré régée du brûleur.
Replacer correctement le tampon.
Pour éteindre, tourner la manette dans le sens des aiguilles d'une montre jusqu'à la position «●». La manette revient à sa position initiale, le verrouillage est alors en place, la sécurité gaz est active quelques secondes après l'extinction du brûleur.

Les foyers radiants sous vitrocéramique représentent une évolution récente dans le domaine des techniques de cuisson. Le principe, relativement simple, consiste à placer une source de chaleur, généralement un élément électrique, sous une plaque vitrocéramique, suffisamment résistante pour supporter des températures élevées.
L'élement chauffant transmet sa chaleur sous forme d'infrarouges à travers le verre et la restitue aux récipients posés dessus. La zone non touchée par le rayonnement restant ainsi froide.
Les foyers radiants apportent une montée en température et une régulation très rapide, du fait de leur faible inertie. Cette particularité sera appréciée pour toutes les préparations nécessitant des variations rapides de l'allure de chauffe.
La planéité des plaques vitrocéramiques offre une bonne stabilité, évitant ainsi tout risque de renversement. Elles sont de plus, d'un entretien particulièrement aisé.
Description
La version de table vitrocéramique comporte un verre vitrocéramique de forte épaisseur (6 mm) équipé suivant modèle de :
- d'un foyer simple circuit Ø 210 d'une puissance de 2100 Watts A.
- d'un foyer double circuit 140/210 d'une puissance de 1000/2100 Watts B.
Le foyer simple circuit est commande par un commutateur 6 positions.
Le foyer double compte un circuit interieur de 1100 Watts commande par un doseur d'energie et un circuit externe de 1000 Watts commande par un commutateur additionnel.
Note : Chaque foyer radiant est équipé d'un témoin de chaleur résiduelle. Ces témoins s'allument quelques secondes après la mise sous tension du foyer correspondant et, s'éteignent lorsque la chaleur de la zone du foyer concerné est redescendue en dessous d'une valeur neprésentant plus de risques pour les personnes (environ 70^

Utilisation
Selectionner la manette de commande de la plaque可以选择, le voyant adjacent s'éclaire.
Foyer simple
Commencer la cuisson en position 6 selon la quantité, puis réduire l'allure selon le type de cuisson désirée.
A titre indicatif, les différentes positions convennent le mieux pour:
1 & 2 = Mise en attente ou réchauffage des plats cuisine.
3 & 4 = Mijotages ou entretien de la cuisson.
5 & 6 = Cuisson à la poète (utiliser la position 6 pour les fritures).

Foyer double
Positionner le doseur d'énergie sur la position 10, puis lorsque l'élement rayonne, ramener sur la position可以选择 nécessaire à la cuisson en cours.
Pour obtenir la puissance maximum de cet élément double, positionner la manette sur la position MAX.
Pour obtenir la régulation totale du foyer, revenir en arrêtre (positions 1 à 10).
Pour eteindre le circuit additionnel, revenir sur la position 0.
Recommendations

Utiliser des recipients à fond légèrement concave, sans fond rugieux, afin d'éviter les rayures sur la plaque.
Adapter la taille du écipient au besoin réel. Le diamètre du fond du écipient doit être égal ou légèrement supérieur à celui de la sérigraphie de la plaque.
Ne placer pas ou ne laisser pas un réseau émailé ou aluminium vide, sur une zone chauffante. De même ne placer pas de produits emballés sous aluminium directement sur la table; cela risquerait d'endommager définitivement votre apparéil.
Eviter les projections de sucre et les débordements de sirop, les enlever immédiatement, car il peuvent être à l'origine de minuscules éclats.
Ne jamais fournir plus de puissance que cette qui peut être absorbee par les aliments: trop de chaleur entraine des pertes d'eau, de graisse et des déperditions d'énergie.
Chaque fois que la recette le permet, couvrez vos écipients, vous réaliserez des économies d'énergie.
Penser a ramener la manette en position O quelques instants avant la fin de la cuisson, celle-ci se terminera grâce à la chaleur accumulée.
ATTENTION
Si une férule, dans la surface apparait visible, déconnecter immédiatement l'appareil de sa source d'alimentation pour éviter un risque de chic électrique. Avertissez votre installerateur.
Afin d'utiliser un four dans les meilleures conditions et d'en tirer avantage, nous vous proposons de dire les lignes suivantes qui vous permettront certainement de nouveaux connaître les principes de la cuisson au four.
Le four cuit et chauffe grâce à une source de chaleur, généralement située à l'intérieur de celui-ci. Cette source de chaleur chauffe l'air puis, le four dans son ensemble. Les alimentents cuisent donc grâce à la chaleur dégagée par des éléments chauffants mais aussi grâce au rayonnement de chaleur issu des parois du four.
Quelques recommandations préalables :
Avant d'utiliser pour la première fois le four, laisser le chauffer à vide, à la position 220^ C du thermostat pendant deux heures environ, afin d'éliminer les odeurs de fumées dues à la composition de la laine minérale constituant l'isolement du four ainsi qu'aux graisses résiduelles utilisées lors de sa fabrication. Ces dégagements disparaîtrent après quelques utilisations.
Les plats de cuissons :
Le matériel des plats et moules influe sur la cuisson du fait de leur épaisseur, de leur capacité à transmettre la chaleur et de leur couleur.
a L'aluminium, la terre à feu, l'aluminium avec revêtement anti-adhésif diminuent la cuisson et la coloration du dessous. Ces matériaux sont conseillés pour les pâtisseries et pour la cuisson des rogis.
La fonte émaillee, l'aluminium anodise, le fer étamé, le verre et la porcelaine à feu, l'aluminium avec revêtement anti-adhésif et l'extérieur coloré augmentent la cuisson du dessous. Ces matériaux sont conseillés en particulier pour les tartes, les quiches et toutes les cuissons croustillantes qui doivent être aussi dorées dessous que dessus.
Conseils de cuisson
Nous vous conseillons :
→ De préchaufferpendant 10 à 12 minutes suivant la positions choisis avant d'enfourner votre plat.
De veiller, lors de l'enfournement, à ne pas placer les préparations trop pres des parois pour éviter un rayonnement excessif sur les bords des préparations.
De ne pas poser directement un plat sur la sole ou de faire cuire vos pieces directement dans le plat l'echefrite.
D'utiliser des plats de forte inertie calorifique (terre à feu ou plats en fonte émaillee) à bords hauts, de dimensions proportionnées à la pièce à rôtin et de returner les viandes rouges à mi-cuisson ceci afin d'éviter le dégagement de fumée provoqué par les projections graisseuses lors de la cuisson de viandes.
De placer le plat l'echefrite en bas du four, afin de recueillir d'eventuels débordements lors de la cuisson de tartes aux fruits.
Utilisation du grill sur les jours électriques :
ATTENTION, la cuisson au grilloir est très rapide surveiller attentivement vos alimentes.
Graisser légèrement viandes et poissons avant de les placer sur la grille coulissante.
Placer et utiliser uniquement le plat lèchefrite sous la grille afin de récapérer les sucs de cuisson ou d'éviter tout débordement dans le cas de gratins.
La distance entre l'élement rayonnant du grilloir et la piece à griller doit augmenter en fonction de son épaissur, pour éviter d'avoir une surface extérieure trop grillée et un interieur non cuit.
En mode grilloir, la porte de four doit etre maintainue fermée, sauf lors de l'inspection de la cuisson.
Ces quelques conseils associés à votre propre expérience vous permettront d'obtenir d'excellents résultats.
Le four gaz est un four de grandes performances. De l'avis de certains chefs inconditionnels, le four gaz ne dessèche pas les préparations pendant la cuisson. Les résultats obtenus sont excellents et la consommation d'énergie plus économique!
Le four gaz est indiqué pour les cuissons longues, par exemple pour les recettes cuites dans des plats de terre (terrines, gratins, ragôuts, etc...) mais aussi pour les viandes nécessitant une cuisson courte et devant être saisies (carre d'agneau), ou encore les rôtis, qui ne crouent pas et restent juste moelleux.
De plus, le four gaz permet de cuire dans d'excellentes conditions toutes les préparations nécessitant un fort effet de " sole" (1). Pour les préparations devant être cuites dans une ambiance sèche ou à des températures très basses (en dessous de 150^ ) comme les meringues ou certaines pâtisseries, nous recommendons l'utilisation de jours électriques.
(1) L'effet de sole est obtenu par la chaleur venant de la partie basse du four, c'est à dire, dans le cas du four gaz, de l'endroit ou se trouve la source de chaleur. L'effet de sole est recommendé par exemple pour la cuisson des tartes au fruit, des quiches lorraine ect...
Description
Réalisé en tôle d'acier émaillée antiacidé à 850^ ; les fours gaz comprennent 4 niveaux de bossage au pas de 58 mm permettant un glissement facile de la plateriaie. Le volume est de 62 litres.
Le brûleur de four est commandé par un robinet thermostatique. Une protection par thermocouple assures la sécurité par fermetre de l'arrivée de gaz au robinet thermostatique en cas d'extinction intempéstive du brûleur.
Le brûleur de four est de grande dimension afin d'assurer l'homogénéité de la surface de chauffe de la sole. Sa puissance est de 4,0 kW.
Le four gaz est équipé d'origine, d'une tôle à pâtisserie, d'une grille et d'un plat à roir.


Levoyant A indique la mise sous tension de l'appareil (il reste éclairé tant que l'appareil n'est pas déconnecté du réseau d'alimentation).
Utilisation
Pousser et tourné la manette du robinet thermostatique du four, dans le sens inverse des aiguilles d'une montre jusqu'àu repère 10 et appuyer simultanément sur le bouton d'allumage.
Maintenir la manette poussée à fond une vingtaine de seconde afin de permettre l'accrochage de la sécurité.
Pour eteindre, tourner la manette dans le sens des aiguilles d'une montre jusqu'au repere O. La manette revient à sa position initiale, le verrouillage de sécurité est alors en place, la sécurité gaz est active quelques secondes après l'extinction du bruleur.
Arrêt :
Appuyer sur la manette et tourner (sens hora) sur la position 0.
Attention:
Lorsque le four est allumé, les parties accessibles peuvent devenir très chaudes. Garder les enfants à bonne distance. Manipuler les plats et grilles avec précaution.
Les orifices ou les fentes d'aération ou de dissipation de la chaleur ne doivent pas etre bouchés.
L Ne stocker pas de produits inflammables dans le tiroir à cassolerie.
Temperatures données à titre indicatif.
| Repère / Item | Température °C / Four gaz |
| 1 | 160 °C |
| 2 | 165 °C |
| 3 | 180 °C |
| 4 | 195 °C |
| 5 | 210 °C |
| 6 | 225 °C |
| 7 | 240 °C |
| 8 | 255 °C |
| 9 | 270 °C |
| 10 | 285 °C |
Le four électrique est un four simple à utiliser permettant de cuir dans de très bonnes conditions toutes les préparations habituelles.
Doté de trois éléments chauffants, le four électrique peut être utilisé comme four de cuisson et aussi comme grilloir.
Le four électrique est particulièrement recommendé pour les pâtisseries sèches comme les tuiles aux amandes, les génoises etc...
Description
Réalisé en tôle d'acier émaillée antiacidé à 850^ ; le four comprend 4 niveaux de bossage au pas de 58 mm permettant un glissement facile de la plateriaie.
Les dimensions du four sont identiques à celles du four gaz correspondant (suivant modèles).
Le four électrique est équipé d'origine, d'une tôle à pâtisserie, d'une grille et d'un plat à roir.
Les éléments chauffants sont constitués en partie sole par deux résistances de 950 Watts et en partie VOUTE d'un élément périphérique de 1200 Watts fonctionnant simultanément.
En position grilloir, seul l'élement central de la résistance de VOITE d'une puissance de 2850 Watts fonctionne.
Les éléments chauffants sont commandés par un commutateur thermostatique.
Dans sa version four electrolyque, le bandeau possède 3 voyants:
- Levoyant Aindique la mise sous tension de I'appareil (il reste eclairé tant que I'appareil n'est pas déconnecté du réseau d'alimentation).
- Levoyant Bindique la mise sous tension d'un des éléments de I'appareil.
- Levoyant Cindique la régulation de I'élément chauffant sous tension.

Mise en service :
Le préchauffage du four doit se faire sur le repere de thermostat choisi pour la cuisson.
Tourner le commutateur thermostatique dans le sens des aiguilles d'une montre jusqu'au repere désiré.
Les voyants, rep. B et C, s'allument. Lorsque le voyageant C s'eteint, la température sélectionnée est atteinte, vous pouvez alors enfourner votre préparation.
Pour eteindre, tourner la manette du commutateur thermostatique de la droite vers la gauche jusqu'au repere 0.
Grilloir électrique
Le four électrique est équipé d'un grill permettant de griller les viandes, de gratiner aussi tous types de préparation.
C'est un équipement idéal pour terminer par exemple, la cuisson des crèmes brûlées ou obtenir la juste cuisson d'une côte de bœuf.
Mise en service
Tourner la manette du commutateur thermostatique jusqu'au symbole grilloir. Pour eteindre, ramener la manette en position 0.
Le four à convection représenté une évolution récente dans les modes de cuisson. Son principe est simple. Il consiste à faire circuler de l'air sur un élément chauffant au contact duquel il se charge en calories, l'ambiance chaude du four ainsi obtenue permettant la cuisson des alimentés.
La circulation d'air est obtenue grâce à une ou deux turbines situées dans le four, elles aspirent l'air et le rejetten sur une ou deux résistances créé ainsi un mouvement appelé convection.
Le four à convection offre de nombreux avantages, le principal etant de pouvoir cuire de façon homogène sur plusieurs niveaux des préparations identiques ou différentes. Il convient donc particulièrement bien pour cuire la pâtisserie, la viennoiserie, les feuilletés.
Sa montée en température est rapide, les décongélations des alimentés surgelés sont régulières
De plus, les cuissons simultanées de préparations différentes s'effectuent sans échanges d'odeur, ces dernières étant détruites lors du passage de l'air sur la résistance chauffante.
Description :
Réalisé en tôle d'acier émaillée antiacidé à 850^ , le four de 62 litres comprend 4 niveaux de bossage au pas de 58 mm permettant un glissement facile de la platerie.
Les dimensions du four sont identiques au four gaz, hormis la profondeur qui passse à 405 mm.
La chauffe du four est assurée par deux résistances circulaires de 1700 Watts entourant une turbine de type à réaction. Il est équipé d'un grill rayonnant d'une puissance de 2850 W.
Le four a convection forcie est doted d'origine, d'une tole a patiserie, d'une grille, d'un plat a rotir
L'élement chauffant est commandé par un commutateur thermostatique, le bandeau possède 3 voyants :
- Levoyant Aindique la mise sous tension de l'appareil (il resté éclairé tant que l'appareil n'est pas déconnecté du réseau d'alimentation).
- Levoyant Bindique la mise sous tension d'un (d'un des) element (s) de I'appareil.
- Levoyant C indique la régulation de l'élement chauffant sous tension.
Mise en service :
Le préchauffage du four doit se faire sur le repère de thermostatchoisi pour la cuisson.

Tourner le commutateur thermostatique dans le sens des aiguilles d'une montre jusqu'au repere choisi.
Les voyants (rep. B et C) s'allument, lorsque levoyant (C) s'eteint, la température désirée est atteinte, vous pouvez alors enfourner votre préparation.
Pour eteindre, tourner la manette du commutateur thermostatique de la droite vers la gauche jusqu'au repere 0.
Grill :
Tournez la manette sur le cran (z) situé après la position MAX. Pour éteindre tournez la manette du commutateur de la droite vers la gauche jusqu'au repère 0.
Nota : Pendant le fonctionnement la turbine reste en fonction.
Conseils d'utilisation (voir § “Recommendations préliminaires à l'usage des jours”:
Dans le cas de cuissons simultanées, les pâtisseries seront placées de préférence sur les gradins du haut, au-dessus des autres pièces à cuire.
Dans le cas où les alimentés n'ont pas le même temps de cuisson, il suffira de les enfournier, de telle sorte qu'ils soient cuits juste au moment de les servir et de lesPTRirer au fur et a mesure qu'ils seront prêts.
D'autre part, il apparait que la cuisson dans un four à convection se fait à des températures plus basses que dans un four traditionnel. Penser à réduire la température de chauffe.
Le chauffe assiettes permet de maintainir vos préparations au chaud et, vous offre ainsi une meilleure souplesse dans l'organisation de vos préparations. Son principe est simple, il consiste par l'intémediaire d'un élément chauffant, à maintainir l'ambiance chaude de votre chauffe assiettes à la température souhaitée.
La chauffe est obtenue grâce à une résistance située en partie inférieure sous la sole.
Description
Réalisé en tôle d'acier inoxydable entièrement calorifugée, le chauffe assiettes comprend 5 niveaux pouvant receivevoir des grilles au format gastronorme GN 1/1.
Le chauffe assiettes est doté d'origine, de deux grilles.
La chauffe du chauffe-assiettes est assurée par une résistance de 950 Watts.
L'élement chauffant est commandé par un commutateur thermostatique, situé au bandeau de commande.
Unvoyantadjacentàla manetteindique la régulationthermostatiquede l'élémentchauffant.II s'allume et s'eteint en fonction de la températureprogrammée.
Mise en service
Le préchauffage du chauffe-assiettes doit se faire une heures environ avant l'introduction de plats ou préparations.
Tourner le commutateur thermostatique dans le sens des aiguilles d'une montre jusqu'àu repere choisi. Le voyant (rep. A) s'allume, lorsqu'il s'éteint, la température désirée est atteinte, vous pouvez alors le garnir.
Pour eteindre, tourner la manette du commutateur thermostatique de la droite vers la gauche jusqu'au repere.
Conseils d'utilisation
Nous vous conseillons, avant d'utiliser pour la première fois le chauffe assiettes, de laisserchauffer celui-ci à vide, à la position maximum du thermostatpendant 1/2 heures, afin d'éliminer les odeurs de fumées dues à la composition de la laine minérale constituant l'isolement ainsi qu'auxgraisses résiduelles utilisées lors de sa fabrication. Ces dégagements disparaîtrent après quelquesutilisations.
- Ne posez pas d'assiettes directement sur la sole sous peine de bris de vaisselle du fait de l'élevation rapide de la température.
- Vos plats ou assiettes peuvent être très chaudes, en fonction de la température sélectionnée. Prenez toutes précautions utiles avant de les manipuler.
Attention: Le chauffe assiettes n'est pas un apparéil de remise en température, les alimentés chargés en conténants sont déjà à la température réglementaire de la liaison chaude (> à 63^ C).
Avant tous nettoyages, fermer la vanne de barrage gaz et/ou l'alimentation électrique
Ne pas utiliser de générateur vapeur pour le nettoyage de l'appareil
Feux vifs:
Pour facilitier le nettoyage, les brûleurs ont été prévus en deux parties. Les nettoyer séparément.
Chapeaux de brûleur:
Les chapeaux de brûleur sont en laiton massif. A l'aide d'un chiffon doux imbibé d'un produit spécial laiton (ex : MIROR®).
L Si le produit vient à couler sur l'émail, neURTout pas frottter (ces produits contiennent généralement des abrasifs). Rincer rapidement à l'eau claire sans frottter.
Si les chapeaux sont très marqués, il convient de les polir à l'aide de papier verre très fin puis de les frottier à l'aide d'un produit pour cuivre.
→Corps de brûleur :
Les corps de brûleurs en aluminium se tâchent en cours d'utilisation. Les nettoyer régulierement au tampon abrasif (Scotch Brite®) ou les laver au lave vaisse.
Après enlèvement des grilles et brûleurs, un simple coup d'éponge permet un nettoyage facile et complet de la table.
Evitez d'utiliser une éponge ou un produit d'entretien abrasif ou corrosif comme les nettoyants pour fours et détachants.
Veillez lors du nettoyage à ne pas faire tomber de liquide par les ouvertures des brûleurs.
Plaque coup de feu :
Ne pas nettoyer la plaque chaude avec de l'eau, celle-ci pourrait etre endommagée.
Respecter les consignes lors des premières utilisations (voir chapitre «Plaque coup de feu» du Manuel d'utilisation).
Enlever immédiatement les débordements éventuels, le nettoyage sera plus aisé.
Vous pouvez utiliser des produits nettoyants du commerce spécialiste. Si celle ci est encrassée, utiliser des tampons abrasifs,GRAISEZ après nettoyage.
Vous pouvez decaper votre plaque à l'aide d'un papier abrasif fin lorsque celle-ci est encrassée, l'entretien courant se fait avec un produit spécialiste (exemple : ZEBRACIER®).
Plaque vitrocéramique :
Les plaques doivent TOUJOURS être maintainues bien sèches. Essuyer vos ustensiles avant de les poser sur les plaques.
Les traces calcaires seront éliminées par du vinaire d'alcool blanc. Recouvrer les taches à l'aide d'un chiffon improugné, laisser reposer pendant 1/2 h. Ensuite rincer et sécher soigneusement.
Les traces métalliques ou dépôts superficiels, qui résistant au nettoyage normal indiqués ci-dessus, peuvent être éliminés en utilisant un produit liquide de nettoyage des recipients inox (par exemple ZIP Inox crème®, PPZ Inox ®...).
La partie inox se nettoie à l'aide d'une dépange humide, additionnée d'un détergent doux pour les tâches récalcitrantes (par exemple CIF Amoniacal ®...).
En cours d'utilisation, si du sirop de sucre tombe sur la plaque vitrocéramique, laisser l'élement en position 1, et, à l'aide d'un racloir à lame de rasoir (par exemple CERA Quick®, enlever IMMI DIATEMENT le reste du dépôt brûlé.
ATTENTION
Si une férule, dans la surface apparait visible, déconnecter immédiatement l'appareil de sa source d'alimentation pour éviter un risque de chocoléctrique. Avertissez votre installerateur.
Plaque fonte
En cas de débordements importants, faire chauffer la plaque quelques instants afin de carboniser les résidus. ÀpRES coupure du courant de la plaque, l'essuyER avec du papier absorbant, gratTER éventuellesment avec une spatule en bois.
Pour une longue période d'inutilisation, graisser légèrement les plaques.
La partie inox se nettoie à l'aide d'une dépange humide, additionnée d'un détergent doux pour les tâches récalcitrantes (par exemple CIF Ammoniacal...).
Tôle pâtisserie :
Les toles pâtisserie sont réalisées en acier bleui. Sans protection grasse ces dernières peuvent rouiller très rapidement. Il convient donc d'apposer après nettoyage un film gras (beurre, hule) sur ces toles.
Carrosserie
Vous pouvez utiliser des produits spécifiques à acier inoxydable (par exemple ZIP INOXYDABLE®, JOHNSON INOXYDABLE®, PPZ INOXYDABLE®), jamais de produits abrasifs.
Dessus en acier inoxydable :
La table est entierement emboutie ou munie de cuvettes embouties pour un bon nettoyage et une meilleure hygiène (pas de zone de détention). L'entretien doit se faire avec des produits liquides non chlorés afin de ne pas rayer l'accier.
Si la table est tachée, utiliser une pât à base de pierre d'argile et de savon disponibles en grandes surfaces.
Parure acier inoxydable :
La parure inox se nettoie avec des produits aérosols vendus en grandes surfaces. Néanmoins choisisse un produit contenant peu de silicone afin d'éviter des traces blanches survenant après le séchage du produit.
Parure laiton :
A l'aide d'un chiffon deux imbibé d'un produit spécial laiton (ex : MIROR®). Attention si le produit venait à couler sur l'émail, ne frottez surtout pas (ces produits contiennent des abrasifs) mais rincez à l'eau claire sans frottier.
Une autre solution consiste à utiliser un savon solide (Pierre d'argent, Pierre d'argile) que l'on peut appliquer à l'aide d'une éponge mouillée sur les zones à nettoyer.
Cette solution est aussi très efficace pour nettoyer et redonner le brillant aux surfaces en laiton ou chromées.
Pièces émailés
Utilisez une éponge imbibée d'eau savonneuse, ou de produit propre mais jamais de poudre récurante.
Vouss puevez aussi utilise de l'alcool à brûler mais uniquement lorsque l'appareil est froid.
Fours :
Nettoyez les parois avec un produit d'entretien non abrasif. L'utilisation de produits agressifs est à éviter. Si vous deviez utiliser de tels produits, dégrafez le joint de porte, et le replacer après nettoyage.
Rincez et séchez.
Nettoyer au moins une fois par an la partie située derrière la tôle de protection de ou des turbines. Les matieres grasses entrainnées par la circulation de l'air et lors d'une utilisation à faible température peut provoquer des fumées.
Ne pas pulveriser de produits decapant directement sur les résistances des fours électriques.
Après nettoyage et avant toute mise en service, vérifie si la sole est bien engagée sous le pli de la façade, afin d'éviter toute déformation de cette-ci sous l'action de la chaleur.
ATTENTION
Il est formellement déconseilé de nettoyer cet apparéil à l'aide de produits chlorés.
Lisez attentivement les précautions et recommandations d'utilisation des produits que vous employer pour le nettoyage et entretien de l'appareil. Conformez vous à leurs prescriptions d'usage.
Note relative à l'élimination des déchets électriques etlectroniques
Décret n° 2005-829 du 20 juillet 2005 relatif à la composition des équipements électriques et électroniques et à l'élimination des déchets issus de ces équipements transposant les directives européennes 2002/95/CE et 2002/96/CE.
Les équipements electriques et electroniques (EEE) et les déchets d'equipements electriques et electroniques (DEEE) sont reglementés sur le plan européen par deux directives dont l'objectif est d'une part, de limiter l'utilisation de substances dangereuses dans les EEE et, d'autre part, de favoriser la réutilisation, le recyclage et les autres formes de valorisation des DEEE afin de réduire la quantité de déchets à eliminer.

Chaque équipement électrique etlectronique mis sur le marche après le 13 août 2005 doit'être revetu de ce marquage.
Le pictogramme signifie que l'équipement ne peut être jeté avec les autres déchets, qu'il fait l'objet d'une collecte sélective en vue de sa valorisation, réutilisation ou recyclage.
Les utilisateurs d'équipements électriques et électroniques ont l'obligation de ne pas se débarrasser des DEEE avec les déchets municipaux non triés.
Des systèmes de collectes appropriés sont mis à disposition des utilisateurs.
C'est en respectant ces décrets que les utilisateurs d'équipements électriques et électroniques évient des effets potentiellément néfastes sur l'environnement et la santé humaine. Ils contribuent également à la préparation des ressources naturelles.
Notice Facile