MODE D'EMPLOI 335 PFAFF
Les générées Instructions de service s'appliquantaux machines à partir des numérodesérie :
2734226

Ces instructions de service sont valables pour toutes les versions et sous-clASSES dont il est fait mention au chapitre "Caracteristiques techniques".
Réimpression, reproduction et traduction - même partie - de manuels d'utilisation PFAFF seulement avec accord préalable de notre part et indication de source.
1 Sécurité 5
1.01 Directives de sécurité 5
1.02 Consignes de sécurité generales 5
1.03 Symboles de sécurité 6
1.04 Remarques importantes à l'intention de l'exploitant de la machine 6
1.05 Opérateurs et personnel spécialisé 7
1.05.01 Opérateurs 7
1.05.02 Personnel spécialisé 7
1.06 Avertissements 8
2 Utilisation conforme aux prescriptions 9
3 Caracteristiques techniques 10
3.01 PFAFF 335 10
3.02 Versions et sous-classes possibles 10
4 Mise au rebut de la machine 11
5 Transport, emballage et stockage 12
5.01 Transport jusqu'à l'entreprise du client 12
5.02 Transport interne chez le client 12
5.03 Elimination de I'emballage 12
5.04 Stockage 12
6 Significations des symboles 13
7 Elements de commande 14
7.01 Commutateur principal 14
7.02 Pedale 14
7.03 Levier de releavage du pied presseur 15
7.04 Levier de réglage de la longueur de point / couture en marche arrête 15
7.05 Ecrou de réglage du releavage du pied entraineur 16
7.06 Panneau de commande (uniquement pour les machines avec Quick-EcoDrive) 16
8 Installation et première mise en service 17
8.01 Installation 17
8.01.01 Réglage en hauteur de la plaque de table. 17
8.01.02 Montage du moteur (uniquement avec le moteur Quick) 18
8.01.03 Tension de la courroie trapézoidale 18
8.01.04 Unteren Keilriemenschutz montieren 19
8.01.05 Montage du garde-courroie supérieur 20
8.01.06 Montage du synchronisateur 20
8.01.07 Montage du porte-bobine 21
8.01.08 Raccorder les fiches et cables de mise à la terre 22
8.02 Première mise en service 23
Table des matières
Contenu Page
8.03 Mise en service/hors service de la machine 23
8.04 Position initiale de I'entrainement de la machine 24
9 Equipement 25
9.01 Mise en place de I'iguille 25
9.02 Bobinage du fil de canette / réglage de la prétension du fil 26
9.03 Sortie/mise en place de la boite à canette 27
9.04 Enfilage de la boite à canette / réglage de la tension du fil de canette 27
9.05 Enfilage du fil d'aiguille / réglage de la tension du fil d'aiguille 28
9.06 Réglage du comptage de points pour le contrôle du fil de canette 29
10 Maintenance et entretien 30
10.01 Intervalles de maintenance et d'entretien 30
10.02 Nettoyage 30
10.03 Huilage general 31
10.04 Huilage du crochet 32
10.05 Huilage des pieces de la tete 32
10.06 Lubrification des pignons coniques 33
10.07 Lubrification de I'excentrique d'entrainement du pied entraineur 34
10.08 Réglage de la pression d'air 34
10.09 Purge / nettoyage du réservoir d'eau du conditionneur d'air comprime 35
10.10 Reglages des paramètres 36
10.10.01 Lieste des parametes 36
11 Montage du plateau de table et schema electrique 37
11.01 Decoupure dans le plateau fondamental 37
11.02 Montage du plateau de table 37
11.03 Schema electrique 38
12 Pièces d'usure 42
1 Sécurité
1.01 Directives de sécurité
Cette machine a eté construite selon les prescriptions europeennes figurant dans la déclaration des fabricants concernant les normes de sécurité.
En complément des prsentes instructions, nous vous invitons à observer également tous les règlements et dispositions légales valables généralement - y compris dans le pays d'utilisation du matériel - ainsi que les prescriptions en vigueur au plan de la protection de l'environnement. Toujours observer les dispositions en vigueur de l'Association territoriale de la prévoyance contre les accidents et de toute autre autorité de surveillance.
1.02 Consignes de sécurité generales
- La mise en service de la machine est subordonnée à la prise de connaissance des générées instructions de service par le personnel formé en conséquence.
- Avant la mise en service, lire également les consignes de sécurité et les instructions d'utilisation éditionées par le fabricant du moteur.
- Observer les indications sur la machine relatives aux risques et à la sécurité.
- La machine ne peut être utilisée que pour les travaux auxquels elle est destinée et avec tous ses systèmes de sécurité; ce faisant, observer strictement les consignes de sécurité en vigueur.
- Avant de procéder à l'échange d'organes de couture (teils que l'aiguille, le pied presseur, la plaque à aiguille et la canette), avant l'enfilage, avant de quitter le poste de travail et avant tous travaux d'entretien, couper la machine du réseau électrique par l'interrupteur général ou en retardant la fiche secteur.
- Ne confier les travaux d'entretien quotidiens qu'à un personnel formé en conséquence!
- Ne faire effectuer les réparations et les opérations d'entretien particulières que par du personnel spécialisé ou des personnes formées en conséquence.
- Ne faire exécuter les travaux sur l'équipement électrique que par du personnel spécialisé et formé en conséquence.
- Il est interdit de travailler sur les pieces ou dispositifs sous tension à l'exception des travaux prévus par les prescriptions de la norme EN 50110.
- Toute transformation ou modification de la machine demande la stricte observation de toutes les consignes de sécurité en vigueur.
- Pour les réparations, n'utiliser que les pieces de rechange agréeses par nous. Nous attirons tout particulièrement votre attention sur le fait que les pieces de rechange et accessoires n'ayant pas été livrés par nous n'ont pas non plus été contrôlés ni homologues par nous. Le cas échéant, leur montage et/ou l'emploi de tels produits peut avoir des conséquences néfastes sur certaines caractéristiques de construction de la machine. Par consequient, nous ne pourrons assume aucune garantie pour les dommages causés par l'utilisation de pieces n'était pas d'origine.
1.03 Symboles de sécurité

Endroit a risque!
Points à observer en particulier

Risques de blessure pour le personnel!

Attention
Ne pas travailler sans garde-doigts et dispositifs de protection.
Mettre la machine hors circuit avant de l'enfiler, de changer l'aiguille, la canette, de la nettoyer, etc.
1.04 Remarques importantes à l'intention de l'exploitant de la machine
- Ce manuel d'utilisation fait partie intégrante de la machine et doit toujours être maintainu à disposition des opérateurs.
Il doit être lu avant la première mise en service de la machine.
- Les opérateurs et le personnel spécialisé doivent être instruits sur les systèmes de sécurité de la machine et méthodes de travail sûres.
- L'exploitant est en devoir de ne mettre la machine en service que si elle se trouve en parfait etat.
- L'exploitant doit veiller à ce qu'aucun dispositif de sécurité ne soit retireé ou mis hors service.
- L'exploitant doit veiller à ce que la machine soit uniquement utilisée par le personnel autorisé.
Pour de plus amples informations, veuillez vous adresser à votre agence PFAFF.
1.05 Opérateurs et personnel spécialisé
1.05.01 Opérateurs
Les opérateurs sont les personnes chargées de l'équipement, de l'exploitation et du nettoyage de la machine ainsi que de la suppression d'anomalies intervenant dans la zone de la couture.
Les opérateurs sont en devoir d'observer les points suivants:
- respecter les consignes de sécurité figurant dans le manuel d'utilisation pour tous les travaux qu'ils effectuent.
- s'abstenir de tout procédé susceptible de porter atteinte à la sécurité lors de l'utilisation de la machine.
- porter des vêtements serrés et renoncer aux bijoux tels que colliers et bagues.
- veiller également à ce que seules les personnes autorisées aient accès à la zone dangereuse de la machine.
- signaler immédiatement à l'exploitant toute modification de la machine susceptible de porter atteinte à la sécurité.
1.05.02 Personnel spécialisé
Le personnel spécialisé comprend les personnes ayant acquis une formation professionnelle dans le domaine de l'électrique, l'électronique et de la mécanique. Il est chargé de la lubrification, l'entretien, la réparation et du réglage de la machine.
Le personnel spécialisé est en devoir d'observer les points suivants:
- respecter les consignes de sécurité figurant dans le manuel d'utilisation pour tous les travaux qu'il effectue.
- faire en sorte que le commutateur principal soit et ne puisse être rallumé avant de procéder aux travaux de réglage et de réparation.
- attendre, avant tous travaux de réglage et de réparation, que la diode lumineuse sur la boîte de commande soit éteinte et ne clignote plus.
- s'abstenir de tous travaux sur pieces et dispositifs sous tension. Exceptions: voir prescriptions EN 50110.
- remetre en place les caches de protection et reférer l'armoire de commande après les travaux de réparation et d'entretien.
1.06
Avertissements

Pendant le fonctionnement de la machine, une zone de manoeuvre de 1 m doit rester libre devant et derrière la machine, afin d'assurer la liberté d'accès à tout moment.

Pendant le fonctionnement, ne pasapprocher les mains de I'iguille. Danger de blessure!

Pendant les travaux de réglage, ne pas laisser d'objets sur le plateau. Ces objets risqueraient d'être coincés ou projétés. Danger de blessure!


Ne pas utiliser la machine sans le garde-releveur de fil 1.
Danger de blessure par le mouvement du releveur de fil!

Ne pas utiliser la machine sans les garde-courroie 2 et 3 !
Danger de blessure par le mouvement rotatif de la couroie !

Ne pas utiliser la machine sans le protège-doigts 4 !
Danger de blessure par le mouvement ascendant et descendant de l'aiguille !

Ne pas utiliser la machine sans le cache du bras libre 5 !
Danger de blessure par le crochet en rotation.
Le modele PFAFF 335 est une machine à coudre à une aiguille, à bras libre et entrainment par griffe, pied entraineur et aiguille pour la fabrication de coutures à point nouvel double.

Toute utilisation non agrée par le constructeur est considérée comme étant "non conforme aux prescriptions". Le constructeur décline toute responsabilité pour les endommagements résultat d'une utilisation non conforme aux prescriptions! L'utilisation conforme aux prescriptions implique également le respect des mesures d'utilisation, de réglage, de maintenance et de réparation prescrites par le constructeur.
3 Caractéristiques techniques
3.01 PFAFF 335
Type de point: 301 (point noué)
Version:
Système d'iguille: 134 - 35
Epaisseur d'aiguille (Nm) en 1/100 mm: 80 - 100
Longueur de point maxi.:
sous-classes -940/01-6/01 4,5 mm
sous-classes -2/27; -6/01; -17/01; -39/21 6,0 mm
Diametre primitif de volant 0: .80 mm
Vitesse maxi.: 2800
min-1.
Cotes de la machine
Diametre de tete du bras inférieur 0: .51 mm
Circonfidence du bras inférieur: env. 165 mm
Longueur: env. 770 mm
Largeur: env. 380 mm
Hauteur: env. 630 mm
Largeur de passage: 265 mm
Hauteur de passage: 115 mm
Passage sous le pied presseur 7 mm
Poids net (tete de machine): env. 40 kg
Pression d'air de service: 6
bars.
Consommation d'air: \~0,81 / cycle de travail
C a r a t e r i s t i q u e s u n d m o u t e r : .. .. .. .. .. .. .. .. .. .. .. .. .. .. .. .. .. .. .. .. .. .. .. .. .. .. .. .. .. .. .. .. .. .. .. .. .. .. .. .. .. .. .. .. .. .. .. .. .. .. .. .. .. .. .. .. .. ... .. .. . .. ... .. .. ... .. .. ... .. ... .. ... ... ... ... ... ... ... ... ... ... ... ... ... ... ... ... ... ... ... ... ... ... ... ... ... ... ... ... ... ... ... ... ... ... ... ... ... ... ... ... ... ... ... ... ... ... ... ... ... ... ... ... ... ... ... ... ... ... ... ... ... ... ... ... ... ... ... ... ... . . . . . . . . . . . . . . . . . . . . . . . . . . . . . . . . . . . . . . . . . . . . . . . . . . . . . . . . . . . . . . . . . . . . . . . . . . . . . . . . . . . . . . . . .
Niveau sonore :
Niveau de la pression acoustique émise au poste de travail à une vitesse de 1.800 pts/mn :............LpA<81,0 dB(A) ■ (niveau sonore mesure selon les DIN 45 635-48-B-1, ISO 11204, ISO 3744, ISO 4871)
3.02 Versions et sous-classes possibles
Version B: pour travaux sur matieres moyennes
Version P: Phase d'élévation supplémentaire de la griffe
Dispositifs additionnels:
Sous-classe -900/52 . . . . . . . . . . . . . . . . . . . . . . . . . . . . . .
Sous-classe -911/97 : . . . . . . Dispositif à points d'arrêt
Sous réserve de modifications techniques
KpA=2,5dB
4 Mise au rebut de la machine
Il apparient au client de veiller à ce que la machine soit mise au rebut comme il se doit.
- Les matériaux utilisés pour cette machine sont: l'accier, l'aluminium, le laiton ainsi que diverses matières plastiques.
- La partie électrique est composée de matières plastiques et de cuivre.
- La machine doit être mise au rebut en respectant les dispositions légales en matière d'environnement en viqueur sur le lieu concerné; s'adresser évientuèlement à une entreprise spécialisée.

Veiller à ce que les pieces enduites deGRAISSSe soient eliminées en fonction des dispositions legales en matière d'environnement en vigueur sur le lieu concerné!
Transport, emballage et stockage
5 Transport, emballage et stockage
5.01 Transport jusqu'à l'entreprise du client
Les machines sont livrées complètement emballées
5.02 Transport interne chez le client
Le constructeur décline toute responsabilité pour les transports internes chez le client ou jusqu'àux divers lieux d'utilisation. Veiller à ce que les machines soient uniquement transportées en position verticale.
5.03 Elimination de l'emballage
L'emballage de ces machines est composé de papier, carton et fibres VCE.
Il apparient au client de veiller à ce que cet emballage soit élimné comme il se doit.
5.04 Stockage
En cas de non-utilisation des machines, ces dernières peuvent etre stockées pendant 6 mois maximum. Elle doit alors etre protégées des impuretés et de l'humidité.
Pour un stockage d'assez longue durée des machines, les diverses pieces, et en particulier leurs surfaces de glissement, doivent receivevoir un traitement anti-corrosion, par ex. par application d'un film d'huile.
Significations des symboles
Dans la partie suivante de ce manuel d'utilisation, certaines opérations à effectuer, voire informations importantes, seront soulignées par la présence de symboles. Les symboles utilisés ont la signification suivante:

Remarque, information

Nettoyage, entretien

Lubrification

Maintenance, réparation, ajustage, entretien
(opérations à faire effectuer par un mécaniciel spécialisé!)
7 Éléments de commande
7.01 Commutateur principal

Actionner le commutateur principal 1 pourmettre la machine en marche ou horservice.

Le commutateur principal représenté ci-contre est utilisé dans le cas des machines avec moteur Quick. Pour des moteurs différents, il est possible que le type de commutateur installé ne soit pas le même.
7.02 Pédale

Lorsque l'interrupteur principal est allumé
0 = Position neutre
+1 = Couture
-1 = Levee du pied presseur (pour les machines équipées de -911/97)
-2 = Coupe des fils (pour les machinés équipées de -900/52)
+2 = Levee du pied presseur (pour les machines sans relève-pied automatique -911/97).
7.03
Levier de releavage du pied presseur

- Par releavage du levier 1, le pied presseur est relevé.
7.04
Levier de réglage de la longueur de point / couture en marche arrière

- Régler la longueur de point en tournant l'écrou moleté 1 de la valeur correspondante.
Couture en marche arriere
- Pour coudre en marche arrière, relever le levier 1 en cours de couture.
7.05
Ecrou de réglage du releavage du pied entraineur


Mettre la machine hors tension! Risque de blessure par la mise en route non intentionnelle de la machine!
- Ouvrir le couvercle 1 situé sur la face arrrière de la machine, desserrer l'écrou 2 et le déplacer en conséquence.
7.06
Panneau de commande (uniquement pour les machines avec Quick-EcoDrive)
La description est disponible dans les instructions de service séparées pour le panneau de commande.
8 Installation et première mise en service

L'installation et la première mise en service de la machine doivent seulement être effectuees par des spécialistes qualifiés. Toutes les consignes de sécurité s'y rapportant doivent impérativement'être respectées.
Si la machine a eté fournie sans plateau, le bati prévu ainsi que la table doit supporter le poids de la machine et du moteur de façon friable.
Le socle doit être suffisamment solide, afin de garantir une couture en toute sécurité.
8.01 Installation
Sur le lieu d'installation devront se trouver des branchements adéquats pour l'alimentation électrique ; voir le chapitre 3 Caracteristiques techniques. Un sol parfaitement plan et ferme ainsi qu'un éclairage suffisant devront également y être assurés

Pour des raisons relatives à l'emballage, la plaque de table a été abaissée. Pour le réglage en hauteur de la plaque de table voir le point suivant.
8.01.01 Réglage en hauteur de la plaque de table

- Desserrer les vis 1 et 2 et régler la plaque de table à la hauteur voulue.
- Resserrer fermement les vis 1.
- Placer la pédale dans la position souhaïée et resserrer les vis 2..
8.01.02 Montage du moteur (uniquement avec le moteur Quick)

Fig. 8 - 02
- Monter le support 1 du moteur, le moteur 2, le support 3 du garde-courroie et la poulie de couroie 4 conformément à la fig. 8-02.
8.01.03 Tension de la courroie trapézoidale

- Mettre la couroie trapézoidale en place.
- Desserrer l'écrou 1 et tendre la courroie par rotation correspondante du support de moteur 2.
- Resserrer l'écrou 1.
8.01.04
Montage du protège-courroie inférieur

Fig. 8 - 04
- Desserer les vis 2 et aligner le support 1 du protège-courroie de façon que la poulie motrice et la couroie trapézoidale puisent tournier librement.
- Resserrer les vis 2.
Fixer le protège-courroie 3 par la vis 4.

Sur le fig. 8-04 est représenté un moteur Quick. Avec un autre moteur, procédér selon les Instructions de service de ce moteur.
8.01.05 Montage du garde-courroie supérieur

Fig. 8 - 05

En cas d'utilisation d'un grand volant, il faut casser le coin 1 du garde-courroie 3.
- Visser la piece d'arrêt 2 au garde-courroie 3.
- Visser les garde-courroie 3 et 4 au carénage.
- Visser les garde-courroie 5 et 6 au plateau.
8.01.06 Montage du synchronisateur

Fig. 8 - 06
Enfonce r le synchronisateur 1 sur l'arbre, de maniere a ce que la cale 2 se trouve dans l'encoche du synchronisateur (flèche).
- Serrer la vis 3.
- Enficher le connecteur du transmetteur de position sur l'adaptateur (voir le chapitre 8.01.08 Raccorder les fiches et câbles de mise à la terre).
- Régler le transmetteur de position 1, (voir le chapitre 8.04 Position initiale de l'entrainment de la machine)
8.01.07 Montage du porte-bobine

Fig. 8-07
- Monter le porte-bobine en se référant à la fig. 8-07.
- Ensuite, placer le support dans le trou du plateau, et le fixer à l'aide des écrous fournis.

Montage du plateau de table et schémas électriques (voir le chapitre 11)
8.01.08
Raccorder les fiches et cables de mise à la terre

- Brancher le cable d'adaptateur 1 sur la boîte de distribution
- Dévisser la vis 3 et replier la machine vers l'arrière
- Enficher les cables sorting de la machine sur le cable de l'adaptateur 1 selon leur désignation.
- Enficher le cable A14 soit de l'adaptateur 1 sur la reconnaissance de la partie supérieure 4.

Redresser la machine des deux mains!
Danger d'écrasement entre la machine et le plateau !
- Brancher le connecteur 5 du cable de l'adaptateur dans la prise femelle X 2.
- Le moteur doit être raccordé au connecteur « Moteur » et le transmetteur de position doit être raccordé au connecteur « Externe »
- Visser le cable de mise à la terre de la tête et de l'interrupteur général au point A.
Relier les points de mise à la terre A et B par le cable de mise à la terre 6.
- Visser le cable de mise à la terre 7 du moteur au point B.
8.02 Première mise en service
- Avant la première mise en service, s'assurer que les conduites électriques et flexibles de raccordement pneumatiques de la machine neprésent pas d'eventuels endommagements.
- Nettoyer soigneusement la machine (voir chapitre 10, "Maintenance et entretien").
- Faire vérifier par des spécialistes si le moteur de la machine peut être utilisé avec la tension de secteur existante et si son branchement est correct.

Si ces conditions ne sont pas respectées, ne doivent enaucun cas la machine en service!

Avant la première mise en service, faire vérifier par des spécialistes si le paramètre 799 ( classe de machine) est sur « 2 » et si le paramètre 800 ( sens de rotation) est sur « 1 ». Le cas échéant, faire effectuer ce réglage (voir le chapitre 8.05 Position initiale de l'entrainment de la machine).

La machine ne doit être branchée qu'à une prise mise à la terre !
- Raccorder la machine au système pneumatique. Le manomètre doit alors indiquer une pression d'env. 6 bars. Au besoin, régler cette valeur (voir chapitre 10.08 Contrôle / réglage de la pression d'air).
8.03 Mise en service/hors service de la machine
- Mettre la machine hors service et en service (voir chap. 7.01 Commutateur principal).
8.04
Position initiale de l'entrainment de la machine
(uniquement pour les machines avec Quick-EcoDrive et à commande P40 ED)
- Mettre la machine en marche.
- Appuyer 2 x sur la touche TE/Speed pour appeler le mode de fonctionnement Entrée.
- Appuyer sur la touche +/- correspondante pour acceder au paramètre « 798 » et sélectionner le niveau de service C, voir le chapitre Sélection du niveau de l'opérateur des instructions de service séparées sur le panneau de commande.
- Sélectionner le paramètre « 799 » en appuyant sur la touche +/- correspondante (Sélection de la classe de machine).
- Verifier si la valeur est sur « 2», corriger si nécessaire.

Au cas où le paramètre doit être modifié, appuyer sur la touche TE/Speed etmettre la machine à l'arrêt, puis la remettre en marche. Ensuite, comme décritplus haut, selectionner à nouveau le niveau de service C.
- Sélectionner le paramètre « 800 » en appuyant sur la touche +/- correspondante (Sélection du sens de rotation).
- Mettre la valeur du paramètre sur « 1 » en appuyant sur la touche +/- correspondante.
- Sélectionner le paramètre « 700 » en appuyant sur la touche +/- correspondante.
- Exécuter un point de couture en actionnant la pédale.
- Tourner le volant dans le sens de direction jusqu'à ce que la pointe d'aiguille s'arrête à la hauteur du bord supérieur de la plaque d'aiguille.
- Ensuite, vérifier également les valeurs de paramètre fournies dans la liste de paramètres (voir le chapitre 10.10 Réglages des paramètres) et régler celles-ci, le cas échéant.
- Terminer le réglage du moteur de la machine à coudre en appuyant sur la touche TE/Speed.
9 Equipement

Respecter toutes les consignes et remarques de ces instructions de service et en particulier toutes les consignes de sécurité.

Tous les travaux d'équipement doivent uniquement être effectuels par un personnel ayant reçu la formation nécessaire. Avant d'y procéder, actionner le commutateur principal ou retarder la prise secteur pour couper la machine du réseau.
9.01 Mise en place de l'aiguille


Débrancher la machine!
Risque de blessure en cas de démarrage inopiné de la machine!

N'utiliser que les aiguilles du système prévu pour cette machine ; voir le chapitre 3
Caracteristiques techniques
- Placer la barre à aiguille en position haute.
- Desserrer la vis 1 et glisser l'aiguille dans la barre à aiguille jusqu'à la butée.
- Diriger la longue rainure vers la tête de machine.
- Serrer la vis 1.
9.02
Bobinage du fil de canette / réglage de la prétension du fil

- Placer une canette vide 1 sur la broche 2.
- Enfilier le fil selon la fig. 9-02 puis enrouler quelques tours sur la canette 1 dans le sens opposé au sens des aiguilles d'une montre.
- Mettre le bobinoir en marche en appuyant simultanement sur la broche 2 et le levier 3.

La canette se remplit pendant la couture.
- La précontrainte du fil inférieur est réglée en tordant la vis moletée 4.
- Le bobinoir s'arrête automatiquement lorsque la bobine 1 est suffisamment replie.
- Retirer la bobine 1 remplie et couper le fil sur le couteau 5.

Si le fil est enroule de façon irrégulière, desserrer l'écrou 6 et tordre le guide-fil 7 en conséquence. Àpres le réglage, desserer l'écrou 6.
9.03
Sortie / mise en place de la boîte à canette

Fig. 9-03

Débrancher la machine!
Risque de blessure en cas de démarrage inopiné de la machine!
Sortir la boite à canette :
- Soulever l'étrier 1 et sortir la boîte à canette 2.
Mettre la boite à canette en place :
- Placer la boite à canette 2 pleine; le déclic doit être perceptible.
9.04
Enfilage de la boîte à canette / réglage de la tension du fil de canette

Fig. 9 - 04
Enfilera canette conformément a la fig.9-04.
- Quand le fil se déroule, la canette doit tourner dans le sens de la flèche.
- Régler la tension du fil de canette en tournant la vis 1.
9.05
Enfilage du fil d'aiguille / réglage de la tension du fil d'aiguille


Débrancher la machine!
Risque de blessure en cas de démarrage inopiné de la machine !
- Enfilier la machine conformément à la fig. 9-05 en faisant passer le fil de la gauche vers la droite dans le chas de l'aiguille.
- Régler la tension du fil d'aiguille en tournant la vis molette 1.
9.06
Réglage du comptage de points pour le contrôle du fil de canette
(uniquement pour les machines avec Quick-EcoDrive et à commande P40 ED)
La description est disponible dans les instructions de service séparées pour le panneau de commande.
10 Maintenance et entretien
10.01 Intervalles de maintenance et d'entretien
Nettoyage :.......... quotidien, et a plusieurs reprises en cas de service continu
Huilage général : . . . . . . . . . . . . . . . . . . . . . . . . . . . . . . . . . . . . . . . . . . . . . . . . . . . . . . deux fois par semaine
Huilage du crochet.......... quotidienne, avant la mise en service
Huilage des pieces de la tete . deux fois par semaine
Lubrification des pignons coniques . une fois par an
Lubrification de l'excentrique de commande du pied entraineur: une fois par an
Contrôle / réglage de la pression d'air :..........quotidien, avant chaque mise en service
Purge / nettoyage du réservoir d'eau du conditionneur
d'air comprime :.......... quotidien, avant la mise en service

Ces intervalles de maintenance se rapportent à la durée de fonctionnement moyenne d'une machine pendant le service d'une équipe. Il est recommandé d'effectuer les opérations de maintenance plus souvent en cas de durée de fonctionnement supérieur de la machine.
10.02 Nettoyage



Débrancher la machine!
Risque de blessure en cas de démarriage inopiné de la machine !
- Tous les jours, et à plusieurs reprises en cas de service continu, nettoyer le compartment crochet à l'aide d'un pinceau.
Nettoyage du crochet

Ne pas utiliser la machine sans le cache du bras libre 1 !
Danger de blessure par le crochet en rotation.
10.03
Huilage général


Débrancher la machine!
Risque de blessure en cas de démarriage inopiné de la machine !
- Huiler deux fois parILAse tous les paliers au-dessus de la table machine (voir flèches).

- Retirer la vis 1 et rabattre la machine vers l'arrête.
- Deux fois par这段时间, huiler tous les paliers situés en-dessous du plateau (voir flèches).

Redresser la machine des deux mains ! Danger d'écrasemententre la machine et le plateau !

Utiliser uniquement une hui-le d'une viscosité moyenne de 22,0 mm²/s à 40°C et d'une densité de 0,865 g/cm³ à 15°C !

Nous recommendons l'huile pour machine à coudre PFAFF, n° de cde : 280-1-120 144.
10.04
Huilage du crochet

Fig. 10-04

Débrancher la machine!
Risque de blessure en cas de démarriage inopiné de la machine!
- Retirer la boîte à canette.
- Une fois par jour, verser 1 ou 2 gouttes d'huile dans la coursière du crochet (voir flèche).
- Remetre la boite à canette en place.

Utiliser uniquement une hui-le d'une viscosité moyenne de22,0 mm²/s à 40°C et d'une densité de 0,865 g/cm³ à 15°C !

Nous recommendons l'huile pour machine à coudre PFAFF, n° de cde : 280-1-120 144.
10.05
Huilage des pieces de la tete

Fig. 10 - 05

Débrancher la machine!
Risque de blessure en cas de démarrage inopiné de la machine!
- Dévisser la plaque frontale.
- Deux fois par这段时间, huiher tous les points de glissement et d'appui (voir flèches).
Revisser la plaque frontale.

Utiliser uniquement une hui-le d'une viscosité moyenne de 22,0 mm²/s à 40°C et d'une densité de 0,865 g/cm³ à 15°C !

Nous recommendons l'huile pour machine à coudre PFAFF, n° de cde : 280-1-120 144.
10.06
Lubrification des pignons coniques



Débrancher la machine!
Risque de blessure en cas de démarriage inopiné de la machine !

Une fois par an,endraire tous les pignons coniques de graisse fraîche.
Pignons coniques supérieurs
- Dévisser le couvercle au dos de la machine.
Enduire les pignons coniques supérieurs 1 deGRAisse fraîche.
- Revisser le couvercle au dos de la machine.
Pignons coniques supérieurs
- Dévisser la vis 2 et coucher la machine en arrêté.
Enduire les pignons coniques 3 deGRAISSFraiche.

Redresser la machine des deux mains!
Danger d'érasement entre la machine et le plateau !

Nous recommends d'utiliser la graisse saponifiée à base de soude PFAFF d'une température de goutte d'env. 150^ . N° de commande 280-1-120 243.
10.07
Lubrification de l'excentrique d'entrainment du pied entraineur


Débrancher la machine!
Risque de blessure en cas de démarriage inopiné de la machine!
Ouvr le cache 1 situé au dos de la machine.
- Au moins une fois par an, graisser légèrement le raccord filtré 2 (en utilisant une pompe àGRAISSE).
Revisser ensuite le cache 1.

Utiliser uniquement une graisse à base de lithium d'un point de goutte à 185^ et d'une détération de foulage de 22 à 25mm à 25^ .

Nous recommendons uneGRAISSSE pour machine à coudrePFAFF, n° de cde: 280-1-120 247.
10.08
Réglage de la pression d'air

- Avant chaque mise en service, contrôle la pression d'air au manomètre 1.
- Le manomètre doit indiquer une pression d'air de 6 bars.
Au besoin, régler cette valeur.
Pour cela, tirer le bouton 2 et le tournier de façon à ce que le manomètre indique une pression de 6 bars.
- Enfoncer de nouveau le bouton 2.
10.09
Purge / nettoyage du réservoir d'eau du conditionneur d'air comprimé


Mettre la machine hors service. Retirer le flexible d'air comprimé du conditionneur.
Purger le réservoir d'eau
Le réservoir d'eau 1 est automatique-ment purgé après que le flexible d'air compré du conditionneur ait été retire.
Nettoyer le filtrer
- Dévisser le réservoir d'eau 1 et sortir le filtré 2 en le tournant.
Nettoyer le filtré à l'air comprime, voire avec de l'alcool isopropylique, n° de commande: 95-665 735-91.
- Remetre en place le contrôle 2 en le tournant et revisser le réseau d'eau 1.
10.10 Réglages des paramètres
(uniquement pour les machines avec Quick-EcoDrive et à commande P40 ED)
- La sélection du niveau de l'opérateur et la modification des paramètres sont décrites dans les instructions de service séparées pour l'entrainment.
10.10.01 Listedes paramètres
| Groupe | Paramètre | Signification | Niveau d'opérateur | Secteur de réglage | Valeur régisée |
| 1 | 105 | Vitesse de rotation du point d'arrêt en début de couture | B, C | 300 - 2000 | 800 |
| 110 | Vitesse de rotation du point d'arrêt de fin de couture | B, C | 300 - 2000 | 1000 |
| 6 | 607 | Vitesse de rotation maxi. | B, C | 300 - 2000 | ▲ |
| 609 | Vitesse de coupe 1 | B, C | 60 - 300 | 180 |
| 7 | 700 | Position d'aiguille 0 (position de referencia de l'aiguille) | B, C | 0 - 255 | * |
| 702 | Position d'aiguille 1 (aiguille en bas) 1 | B, C | 0 - 255 | 85 |
| 703 | Position d'aiguille 2 (releveur de fil en haut) | B, C | 0 - 255 | 230 |
| 705 | Position d'aiguille 5 (fin du signal de coupe 1) | B, C | 0 - 255 | 100 |
| 706 | Position d'aiguille 6 (départ du signal de coupe 2) | B, C | 0 - 255 | 85 |
| 707 | Position d'aiguille 9 (démarrage du détendeur de fil / démarrage de l'attrape-fil) | B, C | 0 - 255 | 195 |
| 722 | Rampe d'accéléation | B, C | 0 - 255 | 50 |
| 723 | Rampe de décélération | B, C | 0 - 255 | 40 |
| 734 | Sortie de synchronisation A2 (coupe-fil) | B, C | 001 - 009 | 0 |
| 760 | Multipicateur de la valeur fixe (200) pour le compte-tage de points | A,B,C | 0 - 250 | 5 |
| 799 | Classe de machine sélectionnée | C | 1 - 4 | 2 |
| 8 | 800 | Sens de rotation | C | 0 - 1 | 1 |
| 884 | Amplification proportionnelle de la régulation de la vitesse de rotation | B,C | 03 - 24 | 10 |
| 897 | Variante Mini-Motor, 1 = long, 2 = court | C | 0 - 1 | 0 |
| 9 | 900 | Amplification p. supplémentaire de la régulation de la vitesse de rotation | B,C | 1 - 24 | 9 |
Voir le chapitre 3 Caracteristiques techniques
* Réglage, voir le chapitre 8.04 Position initiale de l'entrainment de la machine

Des paramètres supplémentaires et la description de la mise à jour sur Internet du logiciel de la machine ainsi que de la réinitialisation / du démarrage à froid de la machine sont disponibles dans les instructions de service du panneau de commande.
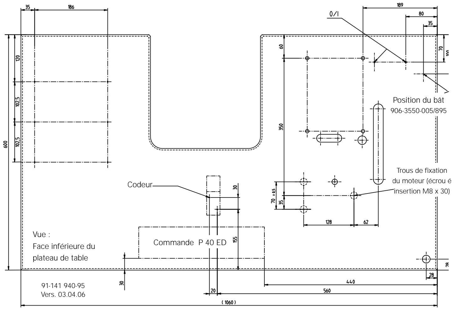
11.01 Découpure dans le plateau fondamental

11.02 Montage du plateau de table

11.03 Schéma électrique
Liste des références au schéma électrique
A1 Elément de commande Quick P40 ED
A2 Panneau de commande BDF S2
A14 Reconnaissance de la partie supérieure (OTE)
H1 Lampe de couture
H10 comptage de points LED
M1 Moteur de la machine à coudre
Q1 Interrupteur principal
S1 Touche VR à la main
S1.1 Consignateur à pédale
S2 Touche S2 Changement de la position de I'aiguille
S3 Touche point unique
S6 Touche de verrouillage du démarrage (E6 Arret)
X0 RS 232 Interface (PC)
X1 Moteur de la machine a coudre
X2 Transmetteur incréementiel
X2.1 Adaptateur du transmetteur incréementiel
X2.2 Adaptateur du synchronisateur
X2.3 Y5 -911/. Dispositif de verrouillage
X3 Consignateur
X3.1 Y2-900/. FS Coupe-fil
X4 A2 Connecteur du panneau de commande BDF S2
X4.1 Y4 -910/. Pied presseur automatique
X5 Entrée / sortie
X6 Contrôleur du fil inférieur (option)
X6.1 Y8 FSL Detenteur de fil
X7 Barrière lumineuse (option)
X22 Y2-900/. FS Coupe-fil
X24 Y4 -910/. Pied presseur automatique
X25 Y5 -911/. Dispositif de verrouillage
X28 Y8 FSL Detenteur de fil
X40 S1-3 Clavier de numérotation
X50 A14 Reconnaissance de la partie supérieure (OTE)
Y2 -900/.Coupe-fil
Y4 -910/.Pied presseur automatique
Y5 -911/. Dispositif de verrouillage
Y8 FSL Detenteur de fil



12 Pièces d'usure

Sur cette page figurent les principales pieces d'usure. Une liste détaillée des pieces pour la machine au complet est jointe dans les accessoires.
En cas de perte, la liste de pieces peut être téléchargeée sous l'adresse Internet www.pfaff-industrial.com/pfaff/de/service/downloads Alternativement au téléchargement, cette liste de pieces peut être commandée aussi sous le numéro 296-12-18 641 sous forme de livre.


System 134 - 35


PFAFF 335

PFAFF 335-G




PFAFF 335-900/52



Europäische Union
Conseiller de couture et technique: +49-175/2243-102
Hotline - Pièces détachées : +49-175/2243-103